历史上的今天
今天是:2025年02月26日(星期三)
2019年02月26日 | 湖北孝感研发生产中心大探秘—气体放电管
2019-02-26 来源:TDK
湖北孝感研发生产中心是浪涌放电管GDT(气体放电管)的重要基地。今天为大家系统的介绍一下浪涌放电管的应用示例。
浪涌放电管是GDT(气体放电管)的电压保护器件。从电源线用雷电保护到信号线用雷电保护,TDK拥有并提供各类具备浪涌电流耐量的产品。
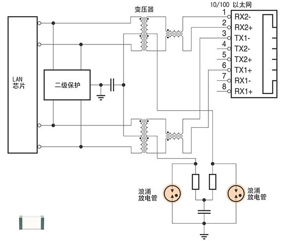
浪涌放电管的特点 气体浪涌放电管以电弧放电为原理进行工作,在电气方面发挥电压依赖性开关的作用。 应用示例:通信基础设施浪涌保护 应用示例:电源用浪涌防护器件(SPD) 应用示例:太阳能发电系统功率调节器电压保护电路 应用示例:以太网接口过电压保护 应用示例:通信基础设施浪涌保护 气体浪涌放电管是用于保护电信设备的基本器件。为保护拥有精密电子电路的IT系统及电信系统,在与通信线路之间的连接点中使用有浪涌放电管。此外,这些保护器件主要用于保护精密设备以及系统,其不仅在手机系统基站、以及配备中继器和分配系统的公共天线电视(CATV)网络,同时在其他领域中也不可或缺。 图1 通信系统中浪涌放电管的主要使用部位 浪涌放电管与压敏电阻不同,其静电容量较小(最小0.2pF),不会对高频信号造成影响。为此,其适用于CATV及高速通信电路的浪涌保护。以下以使用两极放电管以及三极放电管的保护电路为例。 图2 浪涌放电管(两极)的CATV同轴电缆保护电路示例 图3 浪涌放电管(三极)的高速通信线路保护电路示例 应用示例:电源用浪涌防护器件(SPD) 用于保护设备免受雷击浪涌及其他过大过渡现象侵害的电源用浪涌防护器件(SPD)中同时使用了压敏电阻与浪涌放电管。 图4 电源用SPD(单相AC) 图5 电源用SPD(三相AC) 应用示例:太阳能发电系统功率调节器电压保护电路 太阳能发电系统功率调节器是针对DC电源进行浪涌保护的一个应用示例太阳能板生成的DC电流供应至功率调节器,经过DC-DC转换器升压,通过变频器转换为AC电力后供应至电力网中。为了保护功率调节器电路免受感应雷击浪涌等强烈过渡现象侵害,功率调节器内连接有组合了压敏电阻与放电管的电压保护电路。 图6 DC电源进行浪涌保护的一个应用示例 应用示例:以太网接口过电压保护 TDK提供有两极以及三极EPCOS浪涌放电管,其特别设计用于保护数据接口。此类器件拥有小型SMD外壳、高浪涌电流耐量、高绝缘电阻、低静电容量等特点。 图7 以太网接口过电压保护电路示例
施加于放电管上的电压超过放电开始电压时,在纳秒间,密封放电容器内会发生电弧。发生的电弧会形成短路电路,所有电流均会流过,从而瞬间除去过电压。放电散逸后,电弧将会消失,内部电阻将瞬间恢复至数100MΩ的数值。
为此,浪涌放电管几乎完全满足保护器件所需的所有条件。浪涌放电管切实将过电压限制在允许水平,在普通工作条件下,其较高的绝缘电阻以及较低的静电容量不会对被保护系统造成实质性的影响。


与单相AC电力线以及三相AC电力系统进行连接的示例如下所示。插电SPD经常用于分线盘或配电盘中,压敏电阻及浪涌放电管用于器件内部。


路由器及开关的以太网接口、配线架、调制解调器、PC电脑以及笔记本电脑、机顶盒、IPTV、CCTV、无线LAN接入点(WLAN-AP)等为代表性应用。

史海拾趣
|
本帖最后由 paulhyde 于 2014-9-15 02:54 编辑 包括测试程序,原理图,是买的一块开发板上给的。 [ 本帖最后由 chbaaic 于 2008-10-30 11:52 编辑 ] … 查看全部问答> |
|
百利通公司总部设在硅谷,是Nasdaq上市公司,在晶体振荡器领域位居世界前十大。百利通公司在香港和美国都设有研发中心,拥有一批经验丰富的专业设计人员。随着产品线的扩充和区域市场的成熟,先后在台湾、香港、上海设立公司,凭借其遍布全球的销售 ...… 查看全部问答> |
|
采用生物识别技术的门禁系统在安防行业应用已经越来越多,包括银行、监狱、部队等单位已经采用生物识别的门禁系统来加强其管理的安全性和使用的方便性。由于生物识别技术已经开始达到大规模的应用水平,包括产品价格、品质和技术都已经相对成熟 ...… 查看全部问答> |
|
大家好: 请教大家一个问题: 在微软window mobile 的windows media player下的右软键菜单下添加一个菜单项,该怎么添加? 微软是否提供相应的接口? 有谁知道 ...… 查看全部问答> |
|
程序大概这样的,一个试图列表里显示了CF卡中所有的文件,鼠标焦点可以放在文件上,但现在想做一个选取功能,就是,当鼠标单击了一个文件就能直接或按另一个按钮读出他的名字,这样好去CF卡中查找这个文件并对这个文件操作。问题是,怎么读出文件的 ...… 查看全部问答> |
|
公司名称: Carrier Access 公司网址: http://www.carrieraccess.com 电子邮箱: lshi@carrieraccess.com,简历请注明信息出处 工作地点: 上海 外语要求: 英文良好 简历接收方式: 英文及中文 学历: 本科以上 职位描述: -Candidates will ha ...… 查看全部问答> |
|
void FloatToByte(float floatNum,unsigned char* byteArry){ char* pchar=(char*)&floatNum; for(int i=0;i<sizeof(float);i++) { &nb ...… 查看全部问答> |




