历史上的今天
今天是:2025年03月12日(星期三)
2019年03月12日 | 【STM32】DMA基本原理、寄存器、库函数(DMA一般步骤)
2019-03-12 来源:eefocus
STM32F1xx官方资料:
《STM32中文参考手册V10》-第10章 DMA控制器
DMA的基本介绍
DMA的基本定义
DMA,全称Direct Memory Access,即直接存储器访问。
DMA传输将数据从一个地址空间复制到另一个地址空间,提供在外设和存储器之间或者存储器和存储器之间的高速数据传输。当CPU初始化这个传输动作,传输动作本身是由DMA控制器来实现和完成的。DMA传输方式无需CPU直接控制传输,也没有中断处理方式那样保留现场和恢复现场过程,通过硬件为RAM和IO设备开辟一条直接传输数据的通道,使得CPU的效率大大提高。
DMA的主要特征
每个通道都直接连接专用的硬件DMA请求,每个通道都同样支持软件触发。这些功能通过软件来配置;
在同一个DMA模块上,多个请求间的优先权可以通过软件编程设置(共有四级:很高、高、中等和低),优先权设置相等时由硬件决定(请求0优先于请求1,依此类推);
独立数据源和目标数据区的传输宽度(字节、半字、全字),模拟打包和拆包的过程。源和目标地址必须按数据传输宽度对齐;
支持循环的缓冲器管理;
每个通道都有3个事件标志(DMA半传输、DMA传输完成和DMA传输出错),这3个事件标志逻辑或成为一个单独的中断请求;
存储器和存储器间的传输、外设和存储器、存储器和外设之间的传输;
闪存、SRAM、外设的SRAM、APB1、APB2和AHB外设均可作为访问的源和目标;
可编程的数据传输数目:最大为65535。
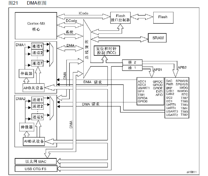
STM32F10x系列芯片DMA控制器
STM32F10x系列芯片最多有2个DMA控制器(DMA2仅存在大容量产品中),DMA1有7个通道。DMA2有5个通道。每个通道专门用来管理来自于一个或多个外设对存储器访问的请求。还有一个仲裁起来协调各个DMA请求的优先权。
从外设(TIMx[x=1、2、3、4]、ADC1、SPI1、SPI/I2S2、I2Cx[x=1、2]和USARTx[x=1、2、3])产生的7个请求,通过逻辑或输入到DMA1控制器,这意味着同时只能有一个请求有效。各个通道的DMA1请求一览见下图:

从外设(TIMx[5、6、7、8]、ADC3、SPI/I2S3、UART4、DAC通道1、2和SDIO)产生的5个请求,经逻辑或输入到DMA2控制器,这意味着同时只能有一个请求有效。各个通道的DMA2请求一览见下图:

DMA的基本原理
DMA控制器和Cortex™-M3核心共享系统数据总线,执行直接存储器数据传输。当CPU和DMA同时访问相同的目标(RAM或外设)时,DMA请求会暂停CPU访问系统总线达若干个周期,总线仲裁器执行循环调度,以保证CPU至少可以得到一半的系统总线(存储器或外设)带宽。
DMA的工作框图

DMA模块的框图看起来比较复杂,接下来会一点一点地对它进行分析。
DMA处理
在发生一个事件后,外设向DMA控制器发送一个请求信号。DMA控制器根据通道的优先权处理请求。当DMA控制器开始访问发出请求的外设时,DMA控制器立即发送给它一个应答信号。当从DMA控制器得到应答信号时,外设立即释放它的请求。一旦外设释放了这个请求,DMA控制器同时撤销应答信号。如果有更多的请求时,外设可以启动下一个周期。
总之,每次DMA传送由3个操作组成:
从外设数据寄存器或者从当前外设/存储器地址寄存器指示的存储器地址取数据,第一次传输时的开始地址是DMA_CPARx或DMA_CMARx寄存器指定的外设基地址或存储器单元;
存数据到外设数据寄存器或者当前外设/存储器地址寄存器指示的存储器地址,第一次传输时的开始地址是DMA_CPARx或DMA_CMARx寄存器指定的外设基地址或存储器单元;
执行一次DMA_CNDTRx寄存器的递减操作,该寄存器包含未完成的操作数目。
仲裁器
仲裁器根据通道请求的优先级来启动外设/存储器的访问。
优先权管理分2个阶段:
软件:每个通道的优先权可以在DMA_CCRx寄存器中设置,有4个等级:最高优先级、高优先级、中等优先级、低优先级;
硬件:如果2个请求有相同的软件优先级,则较低编号的通道比较高编号的通道有较高的优先权。比如:如果软件优先级相同,通道2优先于通道4。
注意: 在大容量产品和互联型产品中,DMA1控制器拥有高于DMA2控制器的优先级。
DMA通道
每个通道都可以在有固定地址的外设寄存器和存储器地址之间执行DMA传输。DMA传输的数据量是可编程的,最大达到65535。包含要传输的数据项数量的寄存器,在每次传输后递减。
可编程的数据量
外设和存储器的传输数据量可以通过DMA_CCRx寄存器中的PSIZE和MSIZE位编程。
指针增量
通过设置DMA_CCRx寄存器中的PINC和MINC标志位,外设和存储器的指针在每次传输后可以有选择地完成自动增量。当设置为增量模式时,下一个要传输的地址将是前一个地址加上增量值,增量值取决与所选的数据宽度为1、2或4。
第一个传输的地址是存放在DMA_CPARx /DMA_CMARx寄存器中的值。在传输过程中,这些寄存器保持它们初始的数值,软件不能改变和读出当前正在传输的地址(它在内部的当前外设/存储器地址寄存器中)。
当通道配置为非循环模式时,传输结束后(即传输计数变为0)将不再产生DMA操作。要开始新的DMA传输,需要在关闭DMA通道的情况下,在DMA_CNDTRx寄存器中重新写入传输数目。 在循环模式下,最后一次传输结束时,DMA_CNDTRx寄存器的内容会自动地被重新加载为其初始数值,内部的当前外设/存储器地址寄存器也被重新加载为DMA_CPARx/DMA_CMARx寄存器设定的初始基地址。
循环模式
循环模式用于处理循环缓冲区和连续的数据传输(如ADC的扫描模式)。
在DMA_CCRx寄存器中的CIRC位用于开启这一功能。当启动了循环模式,数据传输的数目变为0时,将会自动地被恢复成配置通道时设置的初值,DMA操作将会继续进行。
存储器到存储器模式
DMA通道的操作可以在没有外设请求的情况下进行,这种操作就是存储器到存储器模式。
当设置了DMA_CCRx寄存器中的MEM2MEM位之后,在软件设置了DMA_CCRx寄存器中的EN位启动DMA通道时,DMA传输将马上开始。当DMA_CNDTRx寄存器变为0时,DMA传输结束。存储器到存储器模式不能与循环模式同时使用。
可编程的数据传输宽度、对齐方式和数据大小端
当PSIZE和MSIZE不相同时,DMA模块按照下图进行数据对齐。

中断
每个DMA通道都可以在DMA传输过半、传输完成和传输错误时产生中断。为应用的灵活性考虑,通过设置寄存器的不同位来打开这些中断。

注意:在大容量产品中,DMA2通道4和DMA2通道5的中断被映射在同一个中断向量上。在互联型产品中,DMA2通道4和DMA2通道5的中断分别有独立的中断向量。所有其他的DMA通道都有自己的中断向量。
DMA相关配置寄存器
DMA配置参数包括:通道地址、优先级、数据传输方向、存储器/外设数据宽度、存储器/外设地址是否增量、循环模式、数据传输量。
DMA通道x配置寄存器(DMA_CCRx)

作用:配置DMA通道模式、优先级、数据宽度、是否增量、传输方向、是否增量参数。
DMA通道x传输数量寄存器(DMA_CNDTRx)
作用:配置DMA通道的数据传输数量,范围为0-65535。
主要注意:该寄存器的值会随着传输的进行而减少,当该寄存器的值为0的时候,就代表着此次传输已经全部结束了。也就是说,当DMA通道开启传输了之后,该寄存器变成只读,指示的是数据传输数量中剩余待传输的字节数目。
DMA通道x外设地址寄存器(DMA_CPARx)

作用:配置DMA通道的外设地址。比如使用串口1的数据引脚,则该寄存器必须写上0x40013804(其实就是串口数据寄存器的地址,&USART1->DR的值)。
主要注意:当通道已经开启(被使能),此时DMA通道外设地址寄存器就不能修改了。
DMA通道x存储器地址寄存器(DMA_CMARx)

作用:配置DMA通道存储器地址。
主要注意:当通道已经开启(被使能),此时DMA通道存储器地址寄存器就不能修改了。
DMA中断状态寄存器(DMA_ISR)

作用:可以获取DMA传输的状态标志。
注意:此寄存器为只读寄存器,所以在这些位被置位后只能通过其他的操作来清除。
DMA中断标志清除寄存器(DMA_IFCR)

作用:通过往寄存器内写1来清除DMA_ISR被置位的位。
DMA通道配置过程
下面是配置DMA通道x的过程(x代表通道号):
在DMA_CPARx寄存器中设置外设寄存器的地址。发生外设数据传输请求时,这个地址将是数据传输的源或目标;
在DMA_CMARx寄存器中设置数据存储器的地址。发生外设数据传输请求时,传输的数据将从这个地址读出或写入这个地址;
在DMA_CNDTRx寄存器中设置要传输的数据量。在每个数据传输后,这个数值递减;
在DMA_CCRx寄存器的PL[1:0]位中设置通道的优先级;
在DMA_CCRx寄存器中设置数据传输的方向、循环模式、外设和存储器的增量模式、外设和存储器的数据宽度、传输一半产生中断或传输完成产生中断;
设置DMA_CCRx寄存器的ENABLE位,启动该通道。
一旦启动了DMA通道,它既可响应连到该通道上的外设的DMA请求。当传输一半的数据后,半传输标志(HTIF)被置1,当设置了允许半传输中断位(HTIE)时,将产生一个中断请求。在数据传输结束后,传输完成标志(TCIF)被置1,当设置了允许传输完成中断位(TCIE)时,将产生一个中断请求。
DMA相关配置库函数
1个初始化函数
void DMA_Init(DMA_Channel_TypeDef* DMAy_Channelx, DMA_InitTypeDef* DMA_InitStruct);
作用:初始化DMA通道外设寄存器地址、数据存储器地址、数据传输的方向、传输的数据量、外设和存储器的增量模式、外设和存储器的数据宽度、是否开启循环模式。
2个使能函数
void DMA_Cmd(DMA_Channel_TypeDef* DMAy_Channelx, FunctionalState NewState);
void DMA_ITConfig(DMA_Channel_TypeDef* DMAy_Channelx, uint32_t DMA_IT, FunctionalState NewState);
作用:前者使能DMA通道;后者使能DMA通道中断。
2个传输数据量函数
void DMA_SetCurrDataCounter(DMA_Channel_TypeDef* DMAy_Channelx, uint16_t DataNumber);
uint16_t DMA_GetCurrDataCounter(DMA_Channel_TypeDef* DMAy_Channelx);
作用:前者设置DMA通道的传输数据量(DMA处于关闭状态);后者获取当前DMA通道传输剩余数据量(DMA处于开启状态)。
4个状态位函数
FlagStatus DMA_GetFlagStatus(uint32_t DMAy_FLAG);
void DMA_ClearFlag(uint32_t DMAy_FLAG);
ITStatus DMA_GetITStatus(uint32_t DMAy_IT);
void DMA_ClearITPendingBit(uint32_t DMAy_IT);
作用:获取DMA通道的各种状态位,并能清除这些状态位。
8个外设DMA使能函数
void USART_DMACmd(USART_TypeDef* USARTx, uint16_t USART_DMAReq, FunctionalState NewState);
void ADC_DMACmd(ADC_TypeDef* ADCx, FunctionalState NewState);
void DAC_DMACmd(uint32_t DAC_Channel, FunctionalState NewState);
void I2C_DMACmd(I2C_TypeDef* I2Cx, FunctionalState NewState);
void SDIO_DMACmd(FunctionalState NewState);
void SPI_I2S_DMACmd(SPI_TypeDef* SPIx, uint16_t SPI_I2S_DMAReq, FunctionalState NewState);
void TIM_DMAConfig(TIM_TypeDef* TIMx, uint16_t TIM_DMABase, uint16_t TIM_DMABurstLength);
void TIM_DMACmd(TIM_TypeDef* TIMx, uint16_t TIM_DMASource, FunctionalState NewState);
作用:用于使能外设的DMA通道。
DMA的一般步骤
实验目标:利用外部按键KEY0来控制DMA的传送,每按一次KEY0,DMA就传送一次数据到USART1,然后在TFTLCD模块上显示进度等信息。
使能DMA时钟。调用函数:RCC_AHBPeriphClockCmd();
初始化DMA通道参数。调用函数:DMA_Init();
使能串口DMA发送,串口DMA使能函数。调用函数:USART_DMACmd();
使能DMA1通道,启动传输。调用函数:DMA_Cmd();
查询DMA传输状态。调用函数:DMA_GetFlagStatus();
获取/设置通道当前剩余数据量。调用函数:DMA_GetCurrDataCounter();DMA_SetCurrDataCounter()。
下面按照这个一般步骤来进行一个简单的DMA程序:
DMA_InitTypeDef DMA_InitStructure;
u16 DMA1_MEM_LEN;//保存DMA每次数据传送的长度
//DMA1的各通道配置
//这里的传输形式是固定的,这点要根据不同的情况来修改
//从存储器->外设模式/8位数据宽度/存储器增量模式
//DMA_CHx:DMA通道CHx
//cpar:外设地址
//cmar:存储器地址
//cndtr:数据传输量
void MYDMA_Config(DMA_Channel_TypeDef* DMA_CHx,u32 cpar,u32 cmar,u16 cndtr)
{
RCC_AHBPeriphClockCmd(RCC_AHBPeriph_DMA1, ENABLE); //使能DMA传输
DMA_DeInit(DMA_CHx); //将DMA的通道1寄存器重设为缺省值
DMA1_MEM_LEN=cndtr;
DMA_InitStructure.DMA_PeripheralBaseAddr = cpar; //DMA外设基地址
DMA_InitStructure.DMA_MemoryBaseAddr = cmar; //DMA内存基地址
DMA_InitStructure.DMA_DIR = DMA_DIR_PeripheralDST; //数据传输方向,从内存读取发送到外设
DMA_InitStructure.DMA_BufferSize = cndtr; //DMA通道的DMA缓存的大小
DMA_InitStructure.DMA_PeripheralInc = DMA_PeripheralInc_Disable; //外设地址寄存器不变
DMA_InitStructure.DMA_MemoryInc = DMA_MemoryInc_Enable; //内存地址寄存器递增
DMA_InitStructure.DMA_PeripheralDataSize = DMA_PeripheralDataSize_Byte; //数据宽度为8位
DMA_InitStructure.DMA_MemoryDataSize = DMA_MemoryDataSize_Byte; //数据宽度为8位
DMA_InitStructure.DMA_Mode = DMA_Mode_Normal; //工作在正常模式
DMA_InitStructure.DMA_Priority = DMA_Priority_Medium; //DMA通道 x拥有中优先级
DMA_InitStructure.DMA_M2M = DMA_M2M_Disable; //DMA通道x没有设置为内存到内存传输
DMA_Init(DMA_CHx, &DMA_InitStructure); //根据DMA_InitStruct中指定的参数初始化DMA的通道USART1_Tx_DMA_Channel所标识的寄存器
}
//开启一次DMA传输
void MYDMA_Enable(DMA_Channel_TypeDef*DMA_CHx)
{
DMA_Cmd(DMA_CHx, DISABLE ); //关闭USART1 TX DMA1 所指示的通道
DMA_SetCurrDataCounter(DMA_CHx,DMA1_MEM_LEN);//DMA通道的DMA缓存的大小
DMA_Cmd(DMA_CHx, ENABLE); //使能USART1 TX DMA1 所指示的通道
}
#define SEND_BUF_SIZE 8200 //发送数据长度,最好等于sizeof(TEXT_TO_SEND)+2的整数倍.
u8 SendBuff[SEND_BUF_SIZE]; //发送数据缓冲区
const u8 TEXT_TO_SEND[]={"ALIENTEK WarShip STM32F1 DMA 串口实验"};
int main(void)
{
u16 i;
u8 t=0;
u8 j,mask=0;
float pro=0;//进度
delay_init(); //延时函数初始化
NVIC_PriorityGroupConfig(NVIC_PriorityGroup_2);//设置中断优先级分组为组2:2位抢占优先级,2位响应优先级
uart_init(115200); //串口初始化为115200
LED_Init(); //初始化与LED连接的硬件接口
LCD_Init(); //初始化LCD
KEY_Init(); //按键初始化
MYDMA_Config(DMA1_Channel4,(u32)&USART1->DR,(u32)SendBuff,SEND_BUF_SIZE);//DMA1通道4,外设为串口1,存储器为SendBuff,长度SEND_BUF_SIZE.
POINT_COLOR=RED;//设置字体为红色
LCD_ShowString(30,50,200,16,16,"WarShip STM32");
LCD_ShowString(30,70,200,16,16,"DMA TEST");
LCD_ShowString(30,90,200,16,16,"ATOM@ALIENTEK");
LCD_ShowString(30,110,200,16,16,"2015/1/15");
LCD_ShowString(30,130,200,16,16,"KEY0:Start");
//显示提示信息
j=sizeof(TEXT_TO_SEND);
for(i=0;i { if(t>=j)//加入换行符 { if(mask) { SendBuff[i]=0x0a; t=0; }else { SendBuff[i]=0x0d; mask++; } }else//复制TEXT_TO_SEND语句 { mask=0; SendBuff[i]=TEXT_TO_SEND[t]; t++; } } POINT_COLOR=BLUE;//设置字体为蓝色 i=0; while(1) { t=KEY_Scan(0); if(t==KEY0_PRES)//KEY0按下 { LCD_ShowString(30,150,200,16,16,"Start Transimit...."); LCD_ShowString(30,170,200,16,16," %");//显示百分号 printf("\r\nDMA DATA:\r\n"); USART_DMACmd(USART1,USART_DMAReq_Tx,ENABLE); //使能串口1的DMA发送 MYDMA_Enable(DMA1_Channel4);//开始一次DMA传输! //等待DMA传输完成,此时我们来做另外一些事,点灯 //实际应用中,传输数据期间,可以执行另外的任务 while(1) { if(DMA_GetFlagStatus(DMA1_FLAG_TC4)!=RESET) //判断通道4传输完成 { DMA_ClearFlag(DMA1_FLAG_TC4);//清除通道4传输完成标志 break; } pro=DMA_GetCurrDataCounter(DMA1_Channel4);//得到当前还剩余多少个数据 pro=1-pro/SEND_BUF_SIZE;//得到百分比 pro*=100; //扩大100倍 LCD_ShowNum(30,170,pro,3,16); } LCD_ShowNum(30,170,100,3,16);//显示100% LCD_ShowString(30,150,200,16,16,"Transimit Finished!");//提示传送完成 } i++; delay_ms(10); if(i==20) { LED0=!LED0;//提示系统正在运行 i=0; } } } MYDMA_Enable函数 传输数据量寄存器的值,在DMA的传输过程中,该值会随着传输的进行而减少,当该寄存器的值为0的时候,就代表着此次传输已经全部结束了。在没有设置循环模式的情况下,想要下一次DMA传输的时候,还保持原有的传输数据,就需要重新赋予该寄存器应有的值。 该寄存器在DMA使能的情况下,是一个只读寄存器,也就是说,要想改变这个寄存器,必须先要让DMA失能: DMA_Cmd(DMA_CHx, DISABLE ); //关闭USART1 TX DMA1 所指示的通道 DMA_SetCurrDataCounter(DMA_CHx,DMA1_MEM_LEN);//DMA通道的DMA缓存的大小 DMA_Cmd(DMA_CHx, ENABLE); //使能USART1 TX DMA1 所指示的通道 main函数 在main函数中,先判断DMA1通道4传输完成,这里需要用到一个标志位判断: if(DMA_GetFlagStatus(DMA1_FLAG_TC4)!=RESET) //判断通道4传输完成 { DMA_ClearFlag(DMA1_FLAG_TC4);//清除通道4传输完成标志 break; }
史海拾趣
|
给想学linux的朋友一些建议(我学linux的体会) 一. 什么人会学linux? 这个问题涉及到linux是否会代替Windows。我认为绝对不可能。Windows易上手易学习的特点,以及Microsoft多年的积累,加上丰富的软件选择,是linux不可比拟的。 那为什么我们 ...… 查看全部问答> |
|
摘要:介绍基于SRAM的可重配置CPLD的原理,通过对多种串行配置的比较,提出了由单片机和FLASH存储器组成的串行配置方式,并从系统复杂度、可靠性和经济性等方面进行了比较和分析。 关键词:复杂可编程逻辑器件 静态随机存储器 被动串行 基于SRAM ...… 查看全部问答> |
|
十八般兵器 快使用单片机,哼哼哈兮! 孔子说:“工欲善其事,必先利其器”,学习单片机所用的工具、元器件和数模电路是有一些区别的,我们在学习之前 最好先备齐它们,至少让外人看出我们是搞过单片机的。有几样东东很重要,在上场之前不得不提 ...… 查看全部问答> |
|
本帖最后由 jameswangsynnex 于 2015-3-3 19:58 编辑 AMD不久前终于在移动计算机领域向英特尔发起了攻击,推出了一些新的移动处理器。但是,AMD还更新了其台式电脑芯片产品线。然而,总是有推出更多的处理器的空间,因为英特尔定期发布新的芯片。A ...… 查看全部问答> |
|
RT,在网上找了些,发现有个专门做电桥信号放大的芯片,AM457,AM467和AM417,可一问价格,二十几块钱,晕死, 这么贵! 不知道大家知不知道性价比好点的?… 查看全部问答> |
|
发送多于16个自己的数据, pc就接收困难。我PC部分使用com控件接收。在C#下编的程序。 不知道遇到类似问题的人,如何解决 这个问题的 。 我用的2812 。 … 查看全部问答> |
|
小弟最近按照EEWORLDDEC f2812实验板的原理图自己刷了一块PCB 在调试中遇到了一点问题 1。片内flash在烧写时总是不成功,用EEWORLD提供的FLASH测试程序提示FLASH无法写入。小弟想请问在烧写片内FLASH要注意些什么,F2812的引脚定义要注意些什么 2 ...… 查看全部问答> |
|
本帖最后由 dontium 于 2015-1-23 12:48 编辑 有谁用过NS公司的lmp90100芯片没有,这两天我用这款芯片作为PT100和热电偶的前端处理,但是一直不能让芯片动起来,希望用过的朋友能提供一下调试经验,因为我用的是自己做的板子做的测试,现在无法定 ...… 查看全部问答> |




