历史上的今天
今天是:2025年03月12日(星期三)
2019年03月12日 | 【STM32】ADC的基本原理、寄存器
2019-03-12 来源:eefocus
STM32F1xx官方资料:
《STM32中文参考手册V10》-第11章 模拟/数字转换(ADC)
ADC的基本介绍
ADC的基本定义
Analog-to-Digital Converter的缩写。指模/数转换器或者模拟/数字转换器。是指将连续变量的模拟信号转换为离散的数字信号的器件。
典型的模拟数字转换器将模拟信号转换为表示一定比例电压值的数字信号。
ADC的主要特征
12位逐次逼近型的模拟数字转换器;
最多带3个ADC控制器,可以单独使用,也可以使用双重模式提高采样率;
最多支持23个通道,可最多测量21个外部和2个内部信号源;
支持单次和连续转换模式;
转换结束,注入转换结束,和发生模拟看门狗事件时产生中断;
通道0到通道n的自动扫描模式;
自动校准;
采样间隔可以按通道编程;
规则通道和注入通道均有外部触发选项;
转换结果支持左对齐或右对齐方式存储在16位数据寄存器;
ADC转换时间:最大转换速率 1us(最大转换速度为1MHz,在ADCCLK=14M,采样周期为1.5个ADC时钟下得到);
ADC供电要求:2.4V-3.6V;
ADC输入范围:VREF- ≤ VIN ≤ VREF+。
STM32F10x系列芯片ADC通道和引脚对应关系

由上图中可以看出,STM32F103ZET6带3个ADC控制器,一共支持23个通道,包括21个外部和2个内部信号源;但是每个ADC控制器最多只可以有18个通道,包括16个外部和2个内部信号源。
ADC的基本原理
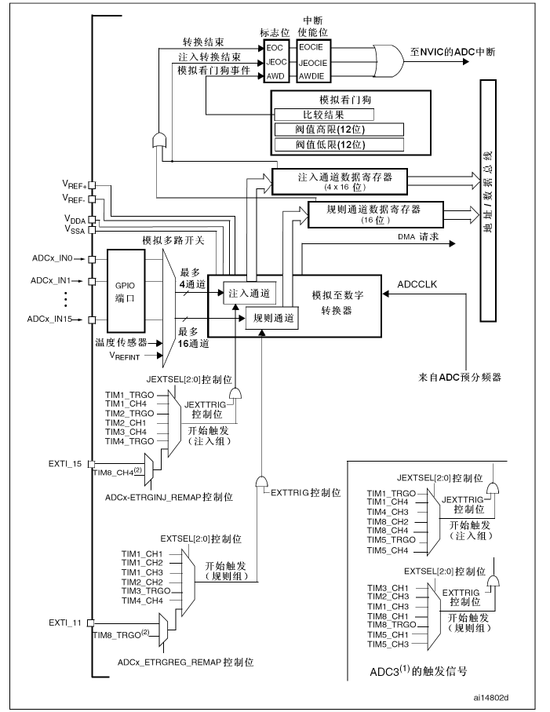
ADC的工作框图

ADC模块的框图看起来比较复杂,接下来会一点一点地对它进行分析。
ADC引脚
在框图中最左边的一列是ADC的各个引脚,它们的名称、信号类型和作用见下图:

一般情况下,VDD是3.3V,VSS接地,相对应的,VDDA是3.3V,VSSA也接地,模拟输入信号不要超过VDD(3.3V)。
ADC时钟配置
框图中标注的来自ADC预分频器的ADCCLK是ADC模块的时钟来源。通常,由时钟控制器提供的ADCCLK时钟和PCLK2(APB2时钟)同步。RCC控制器为ADC时钟提供一个专用的可编程预分频器。

这里需要注意一下,一般情况下:不要让ADC时钟超过14MHz,否则可能不准。
也就是说,如果按照默认设置PCLK2为72MHz,此时应为6分频或者8分频。
ADC中断
在框图中的最顶部,显示ADC的各种中断。很显然可以看出:规则和注入组转换结束时能产生中断,当模拟看门狗状态位被设置时也能产生中断。它们都有独立的中断使能位。
注: ADC1和ADC2的中断映射在同一个中断向量上,而ADC3的中断有自己的中断向量。

ADC中断事件的具体类型有三种,具体见下图:

ADC通道选择
之前说到ADC规则组转换转换结束、注入组转换结束可以产生中断,那么什么是规则组、注入组呢?这就是框图中的中间部位。
STM32的ADC控制器有很多通道,所以模块通过内部的模拟多路开关,可以切换到不同的输入通道并进行转换。STM32特别地加入了多种成组转换的模式,可以由程序设置好之后,对多个模拟通道自动地进行逐个地采样转换。它们可以组织成两组:规则通道组和注入通道组。
例如,可以如下顺序完成转换:通道3、通道8、通道2、通道2、通道0、通道2、通道2、通道15。
规则通道组:最多可以安排16个通道。规则通道和它的转换顺序在ADC_SQRx寄存器中选择,规则组转换的总数应写入ADC_SQR1寄存器的L[3:0]中;
注入通道组:最多可以安排4个通道。注入组和它的转换顺序在ADC_JSQR寄存器中选择。注入组里转化的总数应写入ADC_JSQR寄存器的L[1:0]中。
在执行规则通道组扫描转换时,如有例外处理则可启用注入通道组的转换。也就是说,注入通道的转换可以打断规则通道的转换,在注入通道被转换完成之后,规则通道才可以继续转换。
当然,需要注意的是:如果ADC_SQRx或ADC_JSQR寄存器在转换期间被更改,当前的转换被清除,一个新的启动脉冲将发送到ADC以转换新选择的组。
可能单从字面上还是不是很了解?我们可以通过图形来更直观地认知:

一个不太恰当的比喻是:规则通道组的转换好比是程序的正常执行,而注入通道组的转换则好比是程序正常执行之外的一个中断处理程序。
ADC转换方式
STM32的ADC的各通道可以组成规则通道组或注入通道组,但是在转换方式还可以有单次转换、连续转换、扫描转换模式。
单次转换模式
单次转换模式下,ADC只执行一次转换。该模式既可通过设置ADC_CR2寄存器的ADON位(只适用于规则通道)启动也可通过外部触发启动(适用于规则通道或注入通道),这时CONT位为0。

连续转换模式
在连续转换模式中,当前面ADC转换一结束马上就启动另一次转换。此模式可通过外部触发启动或通过设置ADC_CR2寄存器上的ADON位启动,此时CONT位是1。

扫描模式
此模式用来扫描一组模拟通道。
扫描模式可通过设置ADC_CR1寄存器的SCAN位来选择。一旦这个位被设置,ADC扫描所有被ADC_SQRX寄存器(对规则通道)或ADC_JSQR(对注入通道)选中的所有通道。在每个组的每个通道上执行单次转换。在每个转换结束时,同一组的下一个通道被自动转换。如果设置了CONT位,转换不会在选择组的最后一个通道上停止,而是再次从选择组的第一个通道继续转换。

这里需要注意的是:如果在使用扫描模式的情况下使用中断,会在最后一个通道转换完毕后才会产生中断。而连续转换,是在每次转换后,都会产生中断。
如果设置了DMA位,在每次EOC后,DMA控制器把规则组通道的转换数据传输到SRAM中。而注入通道转换的数据总是存储在ADC_JDRx寄存器中。
模拟看门狗
ADC中断的产生方式除了规则组转换完成、注入组转换完成之外,还有模拟看门狗事件。
如果被ADC转换的模拟电压低于低阀值或高于高阀值,AWD模拟看门狗状态位被设置。阀值位于ADC_HTR和ADC_LTR寄存器的最低12个有效位中。通过设置ADC_CR1寄存器的AWDIE位以允许产生相应中断。
需要注意的是:阀值独立于由ADC_CR2寄存器上的ALIGN位选择的数据对齐模式。比较是在对齐之前完成的。也就是说,在数据保存到数据寄存器之前,就已经完成了比较(数据对齐在下文中有讲解)!
通过配置ADC_CR1寄存器,模拟看门狗可以作用于1个或多个通道:

外部触发转换
在框图的下方,显示了规则转换、注入转换可以由外部事件触发(比如定时器捕捉、EXTI线)。如果设置了EXTTRIG控制位,则外部事件就能够触发转换。EXTSEL[2:0]和JEXTSEL2:0]控制位允许应用程序选择8个可能的事件中的某一个,可以触发规则和注入组的采样。
注意: 当外部触发信号被选为ADC规则或注入转换时,只有它的上升沿可以启动转换。
自动校准
校准ADC有一个内置自校准模式。校准可大幅减小因内部电容器组的变化而造成的准精度误差。在校准期间,在每个电容器上都会计算出一个误差修正码(数字值),这个码用于消除在随后的转换中每个电容器上产生的误差。
通过设置ADC_CR2寄存器的CAL位启动校准。一旦校准结束,CAL位被硬件复位,可以开始正常转换。建议在上电时执行一次ADC校准。校准阶段结束后,校准码储存在ADC_DR中。

注意:建议在每次上电后执行一次校准。同时启动校准前,ADC必须处于关电状态(ADON=0)超过至少两个ADC时钟周期。
数据对齐
由于STM32的ADC是12位逐次逼近型的模拟数字转换器,而数据保存在16位寄存器中。所以,ADC_CR2寄存器中的ALIGN位选择转换后数据储存的对齐方式。数据可以左对齐或右对齐,如下图所示:

注入组通道转换的数据值已经减去了在ADC_JOFRx寄存器中定义的偏移量,因此结果可以是一个负值。SEXT位是扩展的符号值。
对于规则组通道,不需减去偏移值,因此只有12个位有效。
通道采样时间
ADC使用若干个ADC_CLK周期对输入电压采样,采样周期数目可以通过ADC_SMPR1和ADC_SMPR2寄存器中的SMP[2:0]位更改。每个通道可以分别用不同的时间采样。
总转换时间如下计算:
TCONV = 采样时间+ 12.5个周期
例如:当ADCCLK=14MHz,采样时间为1.5周期时,TCONV =1.5+12.5=14周期=1μs。
故而,ADC的最小采样时间1us(ADC时钟=14MHz,采样周期为1.5周期下得到)。
ADC相关配置寄存器
ADC控制寄存器1(ADC_CR1)

作用:设置扫描模式、中断允许(转换结束、注入转换结束、模拟看门狗)、双模式选择(一般选用独立模式)等。
注意:在扫描模式下,由ADC_SQRx或者ADC_JSQRx寄存器选中的通道被转换。如果设置了EOCIE或者JEOCIE,在最后一个通道转换完毕后才会产生EOC或者JEOC中断。
ADC控制寄存器2(ADC_CR2)

作用:设置数据对齐方式、连续转换位、ADC启动位、外部触发转换(一般选用软件转换SWSTART、JSWSTART)。
ADC采样时间寄存器x(ADC_SMPRx)

作用:设置ADC各通道的采样时间。
ADC注入通道数据偏移寄存器x (ADC_JOFRx)

作用:设置ADC注入通道数据偏移。
ADC看门狗高/低阀值寄存器(ADC_HTR、ADC_LRT)

作用:设置ADC模拟看门狗的高低阈值。
ADC规则序列寄存器x(ADC_SQRx)

作用:设置规则通道序列长度、对应序列中各个转换的通道编号(最多16个)。
ADC注入序列寄存器(ADC_JSQR)

作用:设置注入通道序列长度、对应序列中各个转换的通道编号(最多4个)。
ADC注入数据寄存器x(ADC_JDRx)

作用:存放ADC注入转换的数据。
ADC规则数据寄存器(ADC_DR)

作用:存放ADC规则转换的数据。
ADC状态寄存器(ADC_SR)

作用:存放ADC转换过程中的各种状态位。
史海拾趣
|
摘 要: 分析了存储器产生错误的原因,提出了提高其可靠性的有效途径。结合航天计算机可靠性增长计划,给出了一套利用纠检错芯片对其进行容错的方案,并给出了通过CPLD器件实现的仿真结果。最后对容错存储器的可靠性进行了分析。 关键词: 容错; ...… 查看全部问答> |
|
CPU板器件、液晶及PCB收到,一个晚上终于焊接完成,不多说了,上图。 [ 本帖最后由 disheng 于 2009-8-2 00:46 编辑 ]… 查看全部问答> |
|
想了解如下问题 1 电厂锅炉设备的那些测温点需要测温 2 需要那些常用的仪表 3 用了哪些新技术 最好有插图 如果可以的话给我以WORD形式 发到我邮箱吧 heavnegunpyf@yahoo.com.cn 实在没人能做就给我找几个最适合最专业的网站吧 要 ...… 查看全部问答> |
|
不必担心!有成功之路可循!如果您可以演示,或者如果能给客户提供原型系统就更好了,并得到关于创新价值的真实反馈,那么您获得商业成功的可能性会大为提高。如果您希望创建企业实现自己的产品构思,请开发原型系统并牢记下列八大原则。 1、认识 ...… 查看全部问答> |
|
今年5.1放假干嘛去?(参加嵌入式Linux免费体验活动去!) 《嵌入式Linux免费体验班》(1天) 今年5.1放假干嘛去?参加嵌入式Linux免费体验活动! ————————名额有限,限定12人,先报先得! 课程目标: 本课程针对嵌入式Linux开发的初学人员,能快速了解嵌入式Lin ...… 查看全部问答> |
|
1.电池接口maple的电池接口使用最常用的2mm脚距接头在连接时注意正负的方向不要弄反了,在板子上印有正负的符号2.中断的使用在maple中中断十分简单attachInterrupt(引脚编号,处理的函数,触发方式);触发方式有FALLING RISING 和&n ...… 查看全部问答> |
|
德州仪器致力于为汽车和交通行业市场提供多种模拟和嵌入式处理解决方案,在这些市场中,我们关注的三个关键领域是:安全,效率和资讯娱乐。本视频为您介绍德州仪器在汽车安全系统设计方面的解决方案。 $(\'swf_R2w\').innerHTML=AC_FL_Run ...… 查看全部问答> |
|
我看过别人的他们做的有三个方面 一是测坐姿也就是测距 而是测光线强度 三是学习时间的报警 问一下有没有在加点创新的 测距用超声波测距是不是有点不够怎么准啊 而且关键是怎样测距安装 及是不是对人体有伤害? 我想做这方面的设计 基于单片机c51 ...… 查看全部问答> |




