历史上的今天
今天是:2025年03月15日(星期六)
2019年03月15日 | 电动辅助增压的发展现状和展望
2019-03-15 来源:汽车与新动力
摘要:随着48 V汽车电路的推广以及蓄电池和电机技术的进步,针对内燃机的电辅助增压则具有重要意义。在本文中博格瓦纳(BorgWarner)公司介绍了两种不同的方案——电动增压器(eBooster)和电辅助涡轮增压器(eTurbo),并着重阐明其主要面临的开发挑战,详细研究了其间的差异以及电辅助增压系统的最佳选择。
1 初始状况
回顾历史表明,早在1915年电辅助增压就已登上历史舞台,彼时电动扫气泵曾用于二冲程柴油机,而量产车辆上的涡轮增压器从上世纪60年代才应用于汽车行业,从而不仅能缩小发动机的排量,而且也降低了发动机的燃油耗。由于发动机不断向小型化发展,对车辆的加速响应性能提出了挑战,因此目前电辅助增压技术又重新受到了关注。于上世纪90年代就已产生了第一种方案,虽然该类方案能略微改善车辆的加速响应性,但是成本较高,因此当时该技术并未得以实际应用。
近年来对电辅助增压的再度重视,是因为随着48 V汽车电路、蓄电池技术和高效电机技术的不断发展,其驱动功率已超过10 kW,电子器件也经高度集成并更为可靠,并且具有更强的工作能力,价格也更为低廉,以致于电辅助增压花费较低的成本就能获取相应技术优势。
一个实例就是博格瓦纳(BorgWarner)公司的电动压气机(eBooster),其与常规的废气涡轮增压器一起使用,在低负荷范围内可对发动机进行增压,而在高负荷时尽可能由常规涡轮增压器承担增压任务,此时电动压气机则借助于自行调节的旁通阀以实现旁通功能。通过集成的电子器件、发动机的合适选择以及相应匹配设计的发动机电控系统就能使效率和噪声-振动-平顺性(NVH)特性达到最佳程度。
与此相反,电辅助涡轮增压器是将电驱动集成到常规的涡轮增压器中,博格瓦纳公司将其称为电辅助涡轮增压器(eTurbo)。电机位于两个轴承之间,而功率电子器件则直接配装于紧靠电动机的壳体上,并采取了一种优先考虑到电机转子动力学、电磁兼容性、噪声特性、性能和制造等方面因素的结构型式。eTurbo的一个优点是能将电辅助功能集成在部件之中,而eBooster则是一个附加部件,虽然其能被灵活地进行安装,但是附加的空气管路需要更多的结构空间进行布置,并且还需要一个压气机旁通阀。
除此之外,在发动机的某些运行范围内,涡轮所消耗的驱动功率比压气机吸收的功率更大,此时eTurbo作为发电机运行时还能对能量进行回收,将涡轮多余的功率转换成电功率。
eBooster则无法回收能量,但是具有另一个优点:附加的电动压气机的叶轮可以与涡轮增压器毫无关联地实现单独选择,而eTurbo的压气机则必须设计成可有效覆盖从怠速至全负荷工况的整个发动机运行范围;当然在低负荷工况下,例如起动时,其只能达到中等效率,在中等转速和较高负荷时其才能经济地运行,相反eBooster在发动机低转速时的运行效果却是最佳的。
就将电功率转换成压缩空气功率的效率链而言,eTurbo在中速直至高速时的工作效率是最佳的,而eBooster在起动范围内的运作效果是较为理想的,因此对于燃油耗最佳的小型化发动机而言,eBooster是较好的选择;而eTurbo则更适用于需提供驾驶乐趣和功率的机型。
2 基本原理
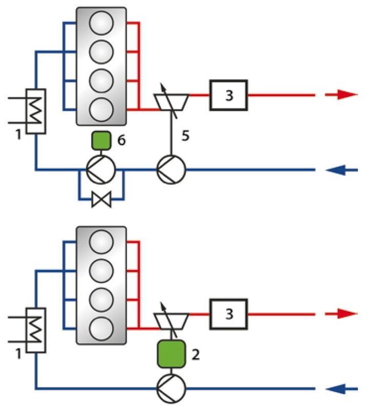
为了阐明eBooster与eTurbo方案的区别,图1示出了这两种解决方案。上图用蓝色表示内燃机的进气管路,而用红色表示其废气管路,涡轮增压器(5)位于废气后处理装置(3)之前,并由废气流驱动,同时将新鲜空气泵入进气管路。在高负荷工况下运行时,eBooster(6)被压气机旁通阀旁通,增压空气经过增压空气冷却器(1)供应给发动机,而在低负荷工况时则由eBooster(6)将空气泵入发动机,涡轮增压器仅将空气进行预压缩。
图1 辅助电动压气机(上)与电辅助涡轮增压器(下)的方案比较
图1下图示出了eTurbo(2)。新鲜空气则由涡轮增压器的压气机泵入发动机,涡轮的驱动功率由eTurbo转子上的电机补充提供,其可与eBooster系统一起形成传统的两级增压方案,而eTurbo则是一种单级增压方案。
汽车电路的电功率转换成泵功率的方案总共有两种。通过1 kW的泵气功率将新鲜空气输入发动机进行燃烧即可获得7~10 kW的发动机功率。就发动机输出功率而言,利用汽车电路的电功率将更多的空气泵入发动机要比直接采用电功率驱动更为高效。
此外,通过新鲜空气与废气流之间的反馈,能有效改善发动机的加速响应特性。输入的新鲜空气得以充分燃烧,增加了废气的质量流量,在涡轮增压器的涡轮上可产生更大的驱动功率。在eTurbo和eBooster情况下,该过程的进行是完全一致的。即使常规涡轮增压器位于eBooster之后,此过程也要进行得比无电辅助时更快。
图2右图示出了带有整体式功率电子器件的eBooster,左图示出了eTurbo,其上可看到用于连接功率电子器件的插头,而图3则示出了具有直接安装在增压器壳体上的功率电子器件的eTurbo,该方案是具有显著优势的,以此就无需配置在高温下传输高电流的插头,同时取消了在电磁兼容性和耐高电压挑战方面存在风险的电缆。该类插图表明eBooster比eTurbo更为紧凑,但是前者必须与常规的涡轮增压器组合使用,而且该系统需能成功配装到发动机和整车上,在某些应用场合下采用该类安装方式是较为有利的。但与此相反,eTurbo在长度上要比常规涡轮增压器多出50 mm,集成的发动机和安装的功率电子器件要求在增压器周围有更大的布置空间,因此其对于可为较大的涡轮增压器提供结构空间的应用场合是较为理想的。
图2 eTurbo和eBooster
在常规3 L排量发动机的情况下,为eBooster或eTurbo选择3 kW持续功率和6~7 kW峰值功率的电机,在加速响应特性方面可获得明显的改善。模拟计算表明,在当前的功率范围内可在费用与效益之间达到良好的折中。工作能力日益提升的功率电子器件的成本同时也在超比例地进行增长,而电机的热管理也逐渐趋于临界状态。48V汽车电路能支持更高的电功率,但是对于总体的电平衡而言,也意味着更高的成本。
图3 具有整体式功率电子器件的eturbo实例
相关技术规格显示出eTurbo的挑战,因为增压器轴承壳体中的电机旋转速度可高达200 000 r/min,转子除了旋转运动之外还承受着弯曲变形,因此需要持续进行旋转动力学设计。采用机油或空气润滑的滑动轴承呈现出良好的减震性能,但是相应的摩擦损失也较高,而机油润滑的滚动轴承则具有高品质的旋转动力学设计,而且可靠性较高,摩擦损失也较小。
图4示出了在2.0 L发动机上采用两种增压方案可达到的扭矩及其加速响应性能的比较,采用eTurbo在低转速范围内可达到的稳态扭矩提高了约45%,在2 000 r/min时的加速响应性可几乎改善达80%。
图4 电辅助增压扭矩-时间曲线(上)和低转速扭矩曲线(下)的改善
3 系统比较
为了阐明该两种系统的特征,图5用两个特性曲线场针对质量流量(X轴)和压比(Y轴)示出了效率,上图是eTurbo的特性曲线场,下图是eBooster的特性曲线场。显然,无论是流量还是压比,eTurbo压气机都比eBooster压气机的更大。
图5 eTurbo(上)和eBooster(下)特性曲线场
在特性曲线场中,能清楚地看出不同的压气机运行曲线,沿着这些曲线可显示出压气机的流量变化。在上面的eTurbo特性曲线场中,在中等流量直至高部分负荷和全负荷的高转速情况下压气机可达到较高的效率,而在特性曲线场左下范围的低转速和低负荷时eTurbo运行在其边界范围内,效率仅为50%。根据发动机的运行情况,其吸收曲线已贴近压气机的喘振极限,为此应放弃扫气换气,即按照深蓝色曲线运行。
下图示出了在eBooster特性曲线场中发动机部分负荷工况下的运行情况。压气机运行曲线经过其最佳效率区,无论是扫气换气过程还是无扫气换气过程,其效率均超过75%。
对特性曲线场的分析解释了两种机组方案的差异。在各自电机传动功率相同的情况下,在部分负荷范围内eBooster因压气机具有较高的效率从而能为内燃机提供更多的增压空气量,而在较高的负荷范围内eTurbo则在较高的效率下运行,为此能供给更多的空气量。
在负荷更高时,eBooster系统通常处于旁通状态,此时由eTurboe承担全部的增压任务。当然,若在低转速时即由附加的废气质量流量以提高涡轮增压器的转速水平,则更有利于提高加速响应性能。
图6和图7示出了博格瓦纳(BorgWarner)公司方案对汽车加速性能所起到的效果,模拟计算对4缸2.0 L发动机和4缸1.5 L发动机采用电辅助增压的效果进行了比较。图6表示交通信号灯绿灯亮时汽车起步的情况以及经历不同时间采用eBooster增压的绿色汽车和采用eTurbo增压的红色汽车的各自位置。由于eBooster技术的效率较高,使得绿色汽车的前期加速能力较强。

图6 两种方案起步性能的比较
图7示出了0~100km/h全负荷加速的情况,其中部分负荷范围起次要作用,因而在较高转速下eTurbo更好的
泵气能力产生了更佳的效果,使红色汽车加速能力最强。即使这两种方案的发动机都实现了小型化,但是采用电辅助增压的汽车还是优于常规增压汽车。
图7 两种方案全负荷加速的比较
在模拟计算中可评估机械和电性能对燃油耗的影响(图8),其中对搭载4缸2.0 L常规增压汽油机的汽车以及搭载1.5 L增压汽油机和15 kW电机(一辆装备eBooster,另一辆装备eTurbo)的48 V混合动力汽车进行比较,同样在试验中一并比较了采用强烈米勒循环的2.7 L自然吸气发动机和采用15 kW电机而无电辅助增压的48 V混合动力汽车。为了使车辆的行驶功率相同,调整匹配了变速器传动比和换挡点,混合动力策略也借助于试验设计优化进行逐个设计,并采用质量为1 600 kg的汽车的全球统一的轻型载货车试验程序(WLTP)作为比较基础。
图8 电辅助增压的节油效果(WLTC=全球统一的轻型载货车试验循环)
采用48 V混合动力技术和短传动比动力总成的小型化设计能获得超过15 g CO2/km的改善效果,若借助于eBooster再附加小型化设计可进一步降低,具体数值可达4 g CO2/km,而采用eTurbo的进一步改善数值为2 g CO2/km。其中两种效果是起决定性作用的:在低负荷时压气机效率较低,这就提高了对电能的需求,除此之外出现了液力和电能的拖曳损失,因为eTurbo的转子始终是一起旋转的。
在图8中比较燃油耗时值得注意的是,就燃油耗而言,2.7 L自然吸气发动机并非是排量较小和增压发动机的缘故,而是采用强烈米勒循环和48 V混合动力所起到的效果。
eTurbo的开发受到从废气能量中回收电能理念的影响,特别是在商用车长途行驶情况下可持续提供较高的废气能量,以此即无需额外为压气机提供泵气功率。
曾在模拟计算中评估在常规汽油机情况下通过回收能量将燃油耗改善的具体数值。为一台采用经典涡轮增压器设计的4缸1.8 L增压发动机进行过模拟计算,重点研究了废气动压头所能产生的电能数量以及在该运行工况点下可提高燃油耗的具体措施,由此得知在低负荷和平均有效压力约为1 MPa的中等负荷范围内是无法实现节油效果的,仅在高转速和较高平均有效压力的情况下才能获得有利的能量平衡(图9),在3 000 r/min和2MPa的平均有效压力时节油效果能高达4%(译注:从图9中看可接近5%),而在5 000 r/min的工况时仍可达3%。
图9 eTurbo回收的节油效果
4 结论
由于48 V汽车电路的推广以及功率电子器件和电机技术等方面的不断进步,电辅助增压有望投入商用。博格瓦纳(BorgWarner)公司的电动压气机eBooster从2017年起就已投入了批量生产,电辅助增压器eTurbo也在开发过程之中。
eBooster系统通常是与常规的涡轮增压器组合使用的,这就是两级增压方案,而eTurbo则是单级增压方案。二者所使用的压气机叶轮具有工作原理方面的差异。为了在部分负荷范围内尽可能高效地运行,eBooster的工作原理是针对低质量流量设计的,而eTurbo的压气机叶轮则需在高质量流量时具备较高的效率,因此必须覆盖整个运行范围,因为其承担着正常涡轮增压器的功能。
就eBooster方案而言,作为独立的部件需要压气机旁通阀、管路及其零件,这就意味着需要附加费用,而eTurbo因转速较高而存在着在反应更灵敏的功率电子器件、更高速的电动机和更复杂的轴承等几方面的费用,因而总体的复杂性和成本是相似的。
这两种增压方案的结构空间需求相差较大。作为单个部件eTurbo要比常规的涡轮增压器更大,但是其安装在相同的位置。eBooster包括连接管道和旁通阀在内就需要附加的结构空间,但是其可灵活地安装固定在发动机或车辆上,而涡轮增压器的结构空间可保持不变,在可替代结构型式或两级增压系统方案的情况下,此类结构空间需求是较小的。
只有eTurbo才能回收电能,这在高负荷和高转速情况下是具有显著意义的,尤其是在持续高负荷运行的情况下会取得有利的效果,例如在商用车长途运输状况下。
eBooster技术有助于发动机实现小型化和降低燃油耗,并且优化发动机低转速时的加速响应性能,而eTurbo则能在实现某种程度小型化的同时,在整个运行范围内带来更多的驾驶乐趣同时可在发动机高负荷工况下更好地进行运作。
史海拾趣
|
概述: CN3056是可以对单节锂离子或者锂-聚合物可充电电池进行恒流/恒压充电的充电器电路.该器件内部包括功率晶体管,应用时不需要外部的电流 检测电阻和阻流二极管.CN3056只需要极少的外围元器件,并且符合USB总线技术规范,非常适用于便携式应 ...… 查看全部问答> |
|
我是用C#进行开发的,直接部署到设备上运行没有问题,但是生成cab安装文件,在设备上安装失败,提示“文件不是有效windows CE安装文件”。系统是wince 5.0… 查看全部问答> |
|
WINDOWS MOBILE下导航软件(具备源代码)。 开发平台:EVC4.0 使用平台:WINDOWS MOBILE5,6 电子地图格式:MM4 地图转换工具:MAPINFO格式转到MM4(具备源代码)。 该软件是为台湾使用编写的,在大陆还没有版本问题。 现带全套代码,寻求合作 ...… 查看全部问答> |
|
uclinux表示micro-control linux.即“微控制器领域中的Linux系统”,是Lineo公司的主打产品,同时也是开放源码的嵌入式Linux的典范之作。uCLinux主要是针对目标处理器没有存储管理单元MMU(Memory Management Unit)的嵌入式系统而设计的。它已经被 ...… 查看全部问答> |
|
VHDL语言进行MCS-51兼容单片机ip核开发,给各位坛友见识一下我收藏的资料, [ 本帖最后由 awarenessxie 于 2012-9-3 21:32 编辑 ]… 查看全部问答> |
|
CES 大会上又有好玩意儿了。它是 StickNFind 公司推出的一个纽扣形状的追踪器,可以贴到任何物体上,通过蓝牙和手机上的一个 App 通信(iOS 和 Android 版均有),能给丢三落四的同学省去不少苦恼。这个 App 和这颗纽扣的通信有一个要求,就是在 ...… 查看全部问答> |
|
大家发现没有,美国大片里的好多科幻的玩意儿,都会在几年内实现,比如那个普罗米修斯里的测绘山洞的飞行仪器,其实我感觉就可以用四轴飞行器,加高精度360度激光,应该就能实现。 还有猜测梦境的东西,不是那个小日本已经能实现一部分了吗?好神 ...… 查看全部问答> |
|
对ADI的产品还算是比较了解的,之前用过他的DDS类的芯片,这个感觉不错,另外就是用过AD,DA,以及一个很快的比较器ADCMP600系列的,刚才太阳能伏光里面提到的有AD7606那个多通道的数模转换也很给力,ADI的前景很大,真的,就是芯片贵了点,另外指标 ...… 查看全部问答> |












