历史上的今天
今天是:2025年03月25日(星期二)
2019年03月25日 | 技术文章—抢占IEEE 802.3bt PoE++先机
2019-03-25
简介
IEEE的以太网供电(PoE)新标准(也称为PoE++)经过5年的开发,将于2018年末最终定稿。新标准的出台促使供电设备(PSE)和受电设备(PD)开发人员竞相研发新硬件,因为PoE++能够为PD提供高达71.3 W功率,几乎是之前标准25.5 W的3倍。PoE++允许通过千兆以太网在相同布线上传输52 V/1.7 A,从而为新一代的高耗电应用奠定基础,包括热门的户外云台变焦摄像机网络或用于蜂窝或Wi-Fi通信的远程基站和接入点。
图1显示基本的PoE框图,其中一台PD连接至PSE。现在802.3bt标准已最终定稿,PoE开发人员希望率先推出自己的PoE++设计。目前的挑战就是要找到正式发布并经过认证的100%符合802.3bt标准的PSE和PD解决方案。别再四处寻觅了……

图1.以太网供电框图。
ADI公司作为PoE技术先锋和IEEE 802.3bt工作小组成员,目前已推出PoE++ PD和PSE控制器,助PoE开发人员按照802.3bt标准最终版本完成设计。ADI公司推出的LTC4291-1/LTC4292 PoE++ PSE控制器芯片组和PoE++ PD控制器,有助于开发人员设计完整的端到端PoE++系统,并且经过现场试运行和验证。我们将详细介绍LTC4291-1/LTC4292芯片组的独到之处,描述它如何支持IEEE最新的PoE标准,并快速回顾PoE++ PD产品的关键特性。
LTC4291-1/LTC4292 PSE芯片组
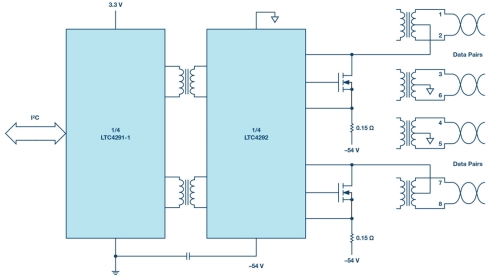
LTC4291-1/LTC4292是隔离式4端口PSE控制器芯片组,专为PoE++系统而设计。图2是LTC4291-1/LTC4292的简化原理图,显示4个以太网端口中的一个是如何供电的。该芯片组采用集成隔离架构,其中LTC4291-1提供一个PSE主机隔离数字接口,而LTC4292则提供一个高压以太网接口。IEEE 802.3以太网规范要求将网段(包括PoE电路)与底盘地和PHY进行电气隔离。通过将LTC4291-1置于非隔离侧,将LTC4292置于隔离侧,可将多达6个昂贵的光耦合器和1个隔离电源替换为更便宜、更可靠的10/100以太网变压器。这种拓扑结构不仅可以节省成本,还可以实现更稳定可靠和易于制造的PSE设计。

图2.LTC4291-1和LTC4292 PoE++ 4端口PSE芯片组的简化原理图。
用户可以通过I2C接口与LTC4291-1/LTC4292进行通信,并可根据应用选择四种PSE工作模式(自动、半自动、手动或关断)中的一种。LTC4291-1/LTC4292使用两个通道(两个栅极驱动器),通过RDS(on)低至40 mΩ的外部MOSFET控制电源路径。使用外部MOSFET便于用户选择低RDS(on)的器件,以降低功耗并解除通道故障。使用0.15 Ω的检测电阻还可以降低功耗。I2C接口可实现端口配置、端口状态监控以及获取端口电流、PoE电源电压和端口功率的遥测读数。
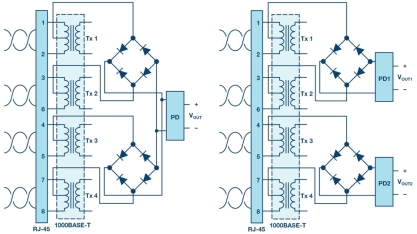
802.3bt引入了两种不同的PD特征配置:单特征和双特征PD。单特征PD(图3)是在两个线对(pairset)之间共用相同的检测特征和分级特征的PoE++ PD。双特征PD是在每个线对上都具有独立特征的PoE++ PD;允许每个线对具有完全独立的分级和功率分配。双特征PD解决方案非常复杂,其成本是单特征PD的两倍。此外,值得注意的是,尽管共用一个相同的架构,802.3bt双特征PD并不等同于先前标准的UPoE设备。LTC4291-1/LTC4292支持经过更新的PoE++ PD检测过程,包含新的连接检查子过程,以确定PSE连接哪种PD特征配置。

图3.单特征与双特征PD的拓扑结构。
执行连接检查后,LTC4291-1/LTC4292将开始验证连接的PD是否符合IEEE标准。虽然IEEE要求PSE使用2点电压或2点电流检测方案之一来检测有效PD特征(25 kΩ),但LTC4291-1/LTC4292通过同时采用两种类型的检测方案以实现更稳定可靠的方案。这种多点(多电压和多电流)检测机制可用来消除误报,并可避免损坏未针对PoE直流电压承受力而设计的网络设备。
与先前PoE标准使用的传统的2对导体(4根导线)相比,PoE++对4对导体(8根导线)供电以传输功率。这不仅能实现新的更高功率水平,而且由于电缆中的功率损耗减少了一半,因此使用更多导体可以提高旧有的低功率水平系统的效率。例如,为确保PoE+ PD可接收到25.5 W,需要为PoE+ PSE提供30 W功率,因为在100 m的CAT5E电缆上的损耗为4.5 W。采用PoE++标准为相同的25.5 W PD供电通常可将损耗降低至2.25 W以下,从而使总功率传输效率从85%提高至92.5%。考虑到全球PoE PD的数量,这意味着大幅降低功耗,在许多情况下,碳排放量可降低7.5%。
PoE++引入了四种新的大功率PD分级(Class),从而使单特征分级总数达到9个(如表1所示)。分级5至8是PoE++的新增分级,相当于40 W至71.3 W的PD功率水平。PSE仍然可选择使用物理层(即用于71.3 W的5事件分级)或数据链路层(例如,链路层发现协议(LLDP))进行PD的分级,而且PD依然必须能够支持两种分级方案以与标准相符。请记住,因为每个线对在双特征PD中独立运行,所以每个线对都可以是不同的分级。例如,第一个线对上的Class 1 (3.84 W)和第二个线对上的Class 2 (6.49 W)将形成一个双特征Class 1、Class 2 (10.3 W) PD。
表1.PoE++ PD分级和功率水平
![]() |
PoE++ PD还可以实现物理层分级的一种可选扩展(称为Autoclass),其中PoE++ PSE(如LTC4291-1/LTC4292)测量连接PD的实际最大吸取功率。这样,利用这种电源管理功能,LTC4291-1/LTC4292可以将剩余的功率分配给其他灯泡(如果测量某个灯泡,由于较低的亮度设置或电缆较短,其功耗低于其分级功率)。
不言而喻,PoE++可向后兼容旧的25.5 W PoE+和13 W PoE标准。较低功率的PoE+或PoE PD可以连接至较高功率的PoE++ PSE(如LTC4291-1/LTC4292),这不会有任何问题。而且,当情况反过来时,即较高功率的PoE++ PD连接至较低功率的PoE+或PoE PSE时,PD可在经协商的较低功率状态下工作,这被称为降级。如果PD忽略降级并工作在其最高功率状态,则高耗电的PD将导致PSE反复地接通,达到其电流限值,然后关断,这实际上使PSE产生低频寄生振荡。因此,PoE+和PoE++都需要降级,但遗憾的是在许多实施方案中降级被忽视了。
PD实施
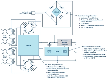
开发人员采用ADI公司的IC可最大限度地实现PoE++ PD性能。图4显示了带有辅助输入的高效单特征PoE++ PD接口的简化框图。该解决方案拥有高于94%的端到端(RJ-45输入至PD负载)效率,并可在-40℃至125℃的温度范围内工作。

图4.带有辅助输入的高效IEEE 802.3bt单特征PD接口的简化框图。
图4中RJ-45接口上的LT4321是一款有源二极管桥控制器,可用来取代所需的二极管桥式整流器。LT4321采用低损耗N沟道MOSFET桥,可同时提高PD的可用功率并减少散热量。PoE++要求PD在其以太网输入端上能够接受任何极性的直流电源电压,因此LT4321可将来自两组数据线对的电源进行平滑的整流,并将其整合为极性正确的单个电源输出。由于电源效率提高实际上免除了散热要求,所以总体电路尺寸和成本得以降低,并且功率可降低10倍或更多,从而使PD能够保持在分级功率预算之内,或者使PD能够增加功能。
位于图4中理想二极管桥控制器之后的是PD接口的“大脑中枢”LT4295,它是一款PoE++ PD接口控制器,集成了一个高效的正激式或无光耦合反激式控制器。LT4295利用一个集成型25kΩ特征电阻、高达5事件分级和单特征拓扑支持所有9种PD分级。除了提供更多的PD功率之外,使LT4295优于传统PD控制器的因素是其采用一个外部功率MOSFET以进一步地大幅降低总体PD散热量并实现电源效率的最大化,由于PoE++标准的功率水平更高,因此这一点变得更为重要。
对于那些需要能够支持辅助电源的PoE++ PD设计,PD可以选择由电源适配器供电,图4顶部所示的LT4320是一款9 V至72 V有源二极管电桥控制器,它采用低损耗N沟道MOSFET取代了全波桥式整流器中的全部4个二极管,以显著降低功耗并增加可用电压。由于电源效率的提升免除了笨重和昂贵的散热器,因此可缩减电源和墙上变压器的尺寸。通过几乎消除热运行二极管桥中固有的两个完整二极管压降(~1.2V,即12V的10%)提供了额外的裕量,从而增加了应用的储备空间,低电压应用亦能从中获益。
结论
PoE++标准的批准近在眼前,因此开发人员可以信心十足地为这个市场开发产品。PoE++标准的高功率水平高达71.3 W,具有丰富的电源管理新功能,开发人员可以利用这些功能创建更加动态和优化的系统。PSE开发人员应当感到庆幸,ADI公司刚刚发布的LTC4291-1/LTC4292 PSE 4端口芯片组稳定可靠并简化了BOM。同时,PD开发人员可以在电缆的另一端继续使用ADI公司的多款IC来减少散热量并提高电源效率。
史海拾趣
|
本文有模拟电路、数字电路、单片机电路、ARM硬件、ARM编程等基础知识,里面还有电阻、电容、半导体二级管三极管等元器件的介绍,还有电源电路、电路设计、通信系统等。欢迎想学电子基础知识的人下载。… 查看全部问答> |
|
我最近在学华恒ARM9,用的是三星S3C2410当做到中断这个问题的时候,遇到了问题,还请各位大虾帮忙 问题如下: 1、不管我把中断置一还是置零都没看到区别,和芯片资料有出入,为什么会这样 2、我把中断待决寄存器和源待决寄存器的值读出来,发现 ...… 查看全部问答> |
|
MDK对于CORTEX3在C中插入汇编的问题?我使用ARM公司(keil)的MDK软件,CPU使用STM32F103,我想在C语言中插入汇编语言,按照MDK提供的帮助文件插入汇编的方法写如下语句:int qadd(int i, int j){   ...… 查看全部问答> |
|
液晶屏初始化时花屏了!(LCD12864带字库的)LCD12864 带字库的。在我对液晶屏初始化时,设置到“进入设定点”这一步,用api函数SSIDataPut(SSI_BASE, data) 发送命令字0x06,就花屏了!这是为什么? … 查看全部问答> |
|
代码如下: / UART初始化 void uartInit(void) { SysCtlPeriEnable(SYSCTL_PERIPH_UART1); // 使能UART模块 &nbs ...… 查看全部问答> |





