历史上的今天
今天是:2025年04月03日(星期四)
2019年04月03日 | 基于可穿戴式医疗系统芯片的无线传输技术剖析
2019-04-03 来源:电子发烧友网
引言
健康与每个人都息息相关,已成为当今人类社会关注的热点。可穿戴式医疗监护系统可以很方便地收集人体的健康数据,对疾病进行预测和早期诊断。基于低成本、低功耗、高传输速率无线通信技术实现的可穿戴医疗芯片系统方案,有助于病人在日常工作、生活中实时采集身体的基本生命参数,通过减少医患面对面的问诊时间,以缩短病人在医院的等候时间,从而缓解目前医务资源不足的矛盾,同时也提高患者就医的质量。另外,慢性病(如高血压、糖尿病、高血脂)已成为当今人类健康的头号杀手,慢性病的治疗离不开长期、不间断地对患者的身体健康数据进行采集和监控。可穿戴式医疗芯片由于体积小、功耗低、使用成本低,患者较易于接受,庞大的潜在消费市场前景吸引了多家芯片设计公司如(Philips、Zarlink、Ti等)加入到其研发和商业推广中。
穿戴于指尖的血氧传感器、腕表型血糖传感器、腕表型睡眠品质监测器、睡眠生理检查器、腰带式呼吸心跳监护仪、可植入型身份识别组件等。无线可穿戴式医疗微系统由一些安置在人体体表的无线传感器组成,如人们平时穿戴的衣帽、腕表、首饰等,都可以用来置入微型可穿戴式医疗芯片。由于置于体表的不同部位,不同传感器之间以及和主处理显示芯片之间的大量导线连接,势必给使用者带来极大的不便,无线通信技术作为导线的替代传输方式,其优势就显得尤为突出。目前,大多数无线通信技术都专注于提高无线数据的传输速率,而用于穿戴式医疗系统的无线传输技术还必须同时考虑尽量减少无线信号传输过程中的功耗。可穿戴医疗芯片上用于收发无线信号的收发器部分通常是整个医疗芯片中能耗最大的部分,为了方便客户长时间的穿戴使用,无线传输部分电路的功耗无疑是穿戴式芯片设计者需重点考虑的问题。围绕着低功耗、高传输速率这些目标,Zarlink、Nordic、Philips、chipcon等公司都陆续推出了超低功耗射频收发芯片的解决方案。
1 可穿戴式医疗系统芯片结构
基于无线通信技术的可穿戴式医疗芯片的总体结构如图1所示,一般由生理信号采集电路、模数转换电路(ADC)、数字信号基带处理电路、控制器、发
射接收电路几部分组成。首先,由信号采集低噪声仪表放大器电路对人体的生理数据进行采集,然后将获取的生理信号通过AD转换,量化生成易处理的数字信号,经过编码、FFT等数字信号处理后,通过发射电路发送出去。同时,外界控制信号、数据也可以通过芯片上的接收电路接收。控制器用来控制整个芯片的工作,并可以通过对控制器的编程,满足不同的应用需求。通常,一款高性能的可穿戴式医疗芯片由高性能的数字、模拟和射频部分组成,尤其是模拟和射频部分的性能好坏,直接影响芯片的整体性能。而医疗芯片模拟和射频收发器部分显然是整个芯片中功耗最大的部分,因此设计这两部分电路时,设计者通常要在低功耗、高性能两方面进行权衡。下面,介绍典型的可穿戴式医疗系统芯片的各个组成部分。

图1 可穿戴式医疗芯片系统结构图
1.1 生理信号采集低噪声放大器
生理信号的采集一般通过片上集成的生物传感器采集得到。为了方便集成,传感器采用CMOS工艺的低噪声放大器实现,可将生物信号转成生物电信号。为了同时得到多种生理信息,在芯片上可集成多个不同功能的放大器形成多通道,以采集血压、血氧饱和度、呼吸速率、心跳、体温等体征参数。由于人体的生理信号比较微弱,容易受到周围环境的噪声干扰,所以放大器要做到高灵敏度、高增益、低噪声、低功耗;同时,在放大器后使用截止频率在1kHz左右的低通滤波器,以进一步滤除生物电信号以外其他频率的干扰噪声。放大器可以设计成多种工作模式,如监听、工作和睡眠等模式,以便减少芯片功耗。
1.2 AD转换器(ADC)
前置的多通道生理信号采集放大器采集多种生理信息,通过模拟多路复接器连接到ADC的输入端口,模拟多路复接器一次只能选择一个前置放大器的输出。为了减小功耗,通常ADC选取逐次逼近的结构,位数为10 bit左右。为了提高精度和转换速率,也可以采用sigma-delta或者流水线型结构的ADC,其位数越高,转换速率越高,但是功耗也较大,而设计可穿戴医疗芯片,低功耗是关键。另外,ADC的单位电容要选取得当,选取太大会很占芯片面积,同时也要考虑尽量减少寄生电容对单位电容的影响。
1.3 控制器
芯片可采用ARM核、MCU作为控制器,通过总线对芯片其他部分电路的工作模式进行控制;可以控制数据的工作时序,对寄存器进行配置,并控制芯片其他部分占用数据总线实时通信。
1.4 数字信号处理基带
为了提高数据传输的速率和准确性、安全性,ADC输出的数字信号需要经过数字信号机基带处理器,进行数字压缩和编码,也可以通过FFT变换、数字滤波,进一步滤除干扰频率噪声。
1.5 射频收发器
由于人体生理信号的采集需根据生理特点,将可穿戴式医疗芯片置于身体的不同部位,芯片之间互联导线的存在令人活动不便,且导线太多容易缠绕也令人极为不适,因此采用无线方式传输信号和数据是最直接、最自然的方法。在可穿戴式医疗系统芯片上集成无线射频收发器,所要考虑的关键问题和一般无线产品应用关注的问题有很大不同。首先,这是一种非对称的无线传输方式,主要是采集人体信号并发射出去,而接收的信号主要来自于一些控制命令,数据量很小,所以可以采用半双工的通信模式,并且下行用低速、上行用高速传输。其次,芯片要长时间工作,且用于穿戴式芯片的电池一般为钮扣电池,工作电压在1.2~1.5 V之间,电池容量也小于几百mA·h。无线收发部分通常是芯片功耗最大的部分,设计者面临的难题是低工作电压、低功耗和较高的传输速率,因此要仔细考虑无线收发器所采用的结构,以及载波频率、传输方式、调制方式、传输速率和功耗等关键技术的实现。
2 可穿戴式医疗芯片的无线通信标准
无线通信技术日新月异地发展,对现代医疗技术的进步起到了巨大的推动作用。目前,存在多种通信标准可以用于穿戴式医疗芯片之间的通信,这些标准根据自身的特点能很好地适用于特定的应用场合,但同时也可能导致不能很好地发挥穿戴式医疗芯片低功耗、短距离通信的特点。下面对这些通信标准各自的性能、特点做简要的介绍(见图2)。

图2 各种无线通信方式传输距离和功耗的比较
2.1 蓝牙
蓝牙(blue tooth)标准采用跳频和扩频技术,能够很好地抑制码间干扰,提高通信质量,保持通话的安全性。蓝牙标准可分别支持1、10和100 m三种不同的通信距离,并可提供高达1 Mbps的通信速率。它结构简单,并可使单芯片价格降到5美元以下,技术成熟,非常有市场竞争力。蓝牙标准提供点对点串行通信和共享信道的主控制器接口的通信方式,这样非常适合人体局域网的搭建。但是,由于穿戴式医疗芯片的通信范围一般局限在近人体区域,而蓝牙工作在2.4 GHz,如此高的频率对人体的影响还不可知,由于人们对高频通信的恐惧,且其功耗比较大,因此蓝牙标准并不是理想的选择。
2.2 Zigbee
Zigbee可工作在3种不同的工作频率:2.4 GHz、900 MHz和800 MHz频段。相比蓝牙标准,Zigbee的功耗较小。当工作在2.4 GHz频段时,可达到其最大的数据传输率240 kbps。Zigbee的缺点就是数据传输率太低,传输延时大,安全性不好,并且当工作在2.4 GHz频率时,由于集中在该工作频段的通信协议种类庞杂,使得Zigbee很容易受到其他种类通信电波的干扰。
2.3 UWB
UWB的工作频率范围是3.1~10 GHz,它的平均数据传输速率可达850 kbps,并可增加到26Mbps。该标准规定了功率谱密度为-41dB(m) MHz,但是时域波形尚没有具体要求,因此可以采用脉冲传输技术,使得射频发送器的结构十分简单,而把设计压力、功耗设计转移到射频接收器的设计上来。如前所述,可穿戴式医疗芯片是非对称性信号传输,发射数据流量远远大于输入数据流量,所以UWB十分适合这种非对称性无线通信的特点,从而降低了功耗和系统复杂度。而且UWB是一种超宽带技术,利用超宽带来换得低功耗,使得功耗相对较低。
2.4 WLAN 802.11
IEEE 802.11 WLAN工作在ISM频段(工业、科学和医用频段)。其中802.11b和802.11g工作在2.4 GHz频段,数据传输率分别为11 Mbps和54Mbps。802.11a工作在5 GHz频段,可提供最高54Mbps的传输率。它的通信距离比较大,并且由于采用直接序列扩频技术,抗干扰能力强,但是其功耗大、结构复杂、价格太高,因此不适合用于穿戴式医疗芯片的设计。
2.5 无线USB
无线USB(wirelessUSB)技术是和UWB一样,是一种基于超宽带技术的无线通信技术。它工作在3.1~10.6 GHz,其通信距离分为3和10 m两种,适于短距离无线数据传输,其数据传输速率可分别高达480 Mbps和110 Mbps。但是,这种技术面临的最大挑战还是功耗问题,也是限制其在医疗芯片通信上应用的最大因素。
2.6 红外通信(IrDa)
红外通信是一种成本低廉、实现简易的无线通信方式,但是由于红外线的直射特性,IrDa只适用于5834期黄进等:基于可穿戴式医疗系统芯片的无线收发器短距离、点对点并且需要对准,且传输速率也不高。相比Blue tooth、Zigbee等无线通信技术,其使用极不方便。
2.7 射频识别技术
射频识别技术RFID是一种利用空间耦合交变电磁场实现无人体接触的数据通信的射频识别技术。我国规划的RFID频段为50~190 kHz,高频波段为13.56 MHz±7 kHz,还有432~434.79 MHz;我国规划的另外一个频段就是900、910和、910.1 MHz这三个频点,已广泛应用于列车车辆识别。同IrDa、Zigbee一样,RFID是一种室内无线通信技术,通信距离短,可以在医疗领域的多种应用中发挥作用,如移动资产管理、库存管理、实时病人监测、药品追踪和分配等。但是,这种技术本身是一种电子标签、射频识别技术,传输速率极低,且信息很容易被盗取,因此不适合穿戴式医疗芯片的实时无线互联应用。
2.8 人体通信
人体通信(Bio-channel)技术即人体通信技术,是近年才兴起的新概念,它最先由MIT媒体实验室的Zimmerman于1995年提出。不同于以往的任何无线通信技术,人体通信利用近人体磁场或人体本身作为通信媒介,通信距离非常短,甚至需要人体接触才能通信,因此可以人为精确地控制通信范围和通信的对象,大大降低了不同信道信号窜扰的问题,而且也使得通话的安全性得到了很好的保证。通常,在近人体区域的通信方式还可以采用有线的方式,这能保证数据高速、准确地传输而不受外界噪声的干扰,但是导线容易缠绕,人们使用起来极为不便。另一方面,采用如Zigbee和Blue tooth这样成熟的数据通信技术,虽然避免了导线带来的麻烦,但是又存在通信速度慢、芯片功耗大、易受空间杂波电磁信号干扰等问题。因此,人体通信的概念一经提出,立刻引起了学术界和业界的广泛关注。
3 基于穿戴式医疗系统芯片的无线收发器的开发实例
由于微电子技术的迅猛发展和当前老龄化的人类社会的需要,人们开发出了可穿戴式的医疗监护系统。体域网(BAN)由许多人体传感器节点组成,每个无线传感器节点都可以通过穿戴式医疗芯片内的无线收发器和其他节点(或者中心节点)进行通信。早期的人体医疗监护的短距离无线通信芯片研究,很多采用ASK FSK调制、低功耗、简单的晶体振荡器充当发射器,这种结构只能传输单一的人体体征数据,性能不高,且晶体振荡器频率低,开关启动时间较长,造成通信传输速率很低。随着现代生物医学工程技术研究的深入开展,在过去的十几年里,人们又提出了一些基于电感耦合线圈通信的新型电路和系统,但这种基于电感线圈的方案同样存在通信质量差、传输速率低、传输时间长的问题,这就等于降低了通信效率,变相减少了供电电池的使用时间。
以上这些非标准化的通信系统难以满足追求超低功耗、超小体积、高可靠性、高通信速率的穿戴式医疗无线通信的要求,在日益增长的无线健康监护需求的推动下,各国科研机构和各大芯片公司都竞相在这一领域针对这些要求开展了大量的应用研究和开发,其中极具代表性的有:加拿大Zarlink公司开发ZL70101射频收发芯片、英国Toumaz公司开发的Sensium系统芯片,以及美国UC Berkeley大学无线节点网通信芯片研究小组设计的2.4 GHz 400mV供电电压的低功耗射频收发芯片和韩国科学院研发的人体通信无线收发芯片。
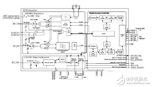
3.1 Zarlink医疗植入通信系统ZL70101芯片
2006年,加拿大Zarlink半导体公司推出了一款超低功耗的、用于医疗植入系统的高性能射频收发芯片ZL70101。这款芯片集成度非常高,如果不算匹配网络,仅需1颗24 MHz的石英晶体和2颗退耦电容总共3个片外元件;其工作频段为433 MHz的ISM频段,采用0.18μm RF CMOS工艺。收发器工作电流为5.5 mA,在睡眠模式下仅为250 nA。整块芯片上集成了400 MHz的射频收发器,2.45 GHz的唤醒信号监听接收器和1个介质通路控制器(MAC),芯片结构图如图3所示。
接收机采用低中频结构,由低噪声放大器、镜像频率抑制混频器、中频镜像抑制多相滤波器(PPF)、信号强度指示器(RSSI)、ADC组成。发送器由上混频器和功率放大器组成,采用FSK频移键控的调制方式。唤醒系统是一个采用OOK调制方式的接收机,工作在2.45 GHz频段,可以定时探测基站发来的启动信号,以开启整个芯片的电源,这样就能极大地降低整款芯片的平均工作电流。这款芯片是针对植入式医疗监护应用的,但是由于其超低功耗的设计、2 m的通信距离、高达800kbps的传输速率,也能很好地满足体外穿戴式医疗芯片的无线互联要求。

图3 Zarlink公司MICS射频收发器原理框图
3.2 Toumaz用于生物遥感的超低功耗系统芯片的无线收发器
2007年,英国的Toumaz公司发布了一款系统集成芯片Sensium,它集成了SPI总线、ADC、MCU、SRAM和一个超低功耗的射频收发器。这款Sensium芯片的射频收发器部分芯片面积为7 mm2,采用0.13μm RF CMOS工艺,1 V工作电压,工作频率能同时满足欧洲标准870 MHz频段和美国标准928MHz频段,接收时消耗电流仅为2.1 mA,发射功率为-7 dB(m),发射时消耗电流为2.6 mA;收发部分采取半双工的工作方式,FSK调制,误码率为10-3,数据传输率为50 kbps。由于此芯片是针对ECG、心博和人体体温的遥测采集应用而开发的,所以其性能指标完全可以达到设计应用的要求。芯片采用Sliding-IF结构,相比传统的低中频结构收发器,具有更高的镜像频率抑制能力,而且由于采用两级频率迁移,比零中频结构的收发器直流漂移要小很多。
为达到低功耗的要求,整个芯片的工作电压为1 V,这个值要小于0.13μm工艺下PMOS和NMOS的Vth之和,因此很多器件尤其是模拟和射频部分的很多管子都工作在亚阈值和弱反型区,极大地减少了功耗,但也为射频模拟部分电路的设计带来了挑战。接收部分采用零中频结构,整块芯片的系统结构如图4所示。
LNA是单端输入共源共栅结构,输出采用片上平面电感和可调电容矩阵作为匹配负载,LNA的输出直接接到第一级下混频器的一端,而这个双平衡吉尔伯特单元混频器的另一输入端接到电源,形成伪差分工作模式的混频器结构。发送部分的最后一级驱动缓冲器采用开漏结构的单管NMOS放大器,其漏极直接接到片外电感电容匹配网络。这一级NMOS管漏级直接接到电源,因此必须用双栅的厚栅NMOS管,以防芯片击穿。发送器结构简单,其VCO工作在自振状态。通信链路的通信损失可以通过基于RSSI的自动增益控制(AGC)来调节,且发送器的驱动缓冲器的增益可调,从而达到提高功率发射效率的目的。
3.3 基于人体通信的无线收发器芯片
2007年,韩国科学院Seong-Jun Son领导的研发小组设计出了当今世界上功耗最低、同时数据传输率可达2 Mbps的人体通信(Bio-Channel)无线收发器芯片[55]。这款芯片采用类似于UWB的宽带通信技术,依赖人体近磁场传导通信数据。整个收发机上集成了全数字的收发机系统(见图5),无数字调制方式,芯片工作电压为1 V,功耗仅为0.2 mW,芯片面积为0.85 mm2,整体性能指标使其十分适合应用于短距离、高数据传输率且要求极低功耗的穿戴式芯片的互联。
由于此芯片设计基于人体通信的原理,其工作频率可以是1~200 MHz,采用0.25μm CMOS工艺,整个收发器芯片上只有一个信号传导电极接触人体皮肤或者贴在衣物上,省去了以往无线人体通信所需额外的全局接地电极。芯片的发送器部分主要由环形振荡器、伪随机码发生器(PRBS)和驱动缓冲器组成,芯片的接收器部分则由模拟前端放大器,电平移位电路、施密特触发器和时钟恢复锁相环电路(CDR)组成。为了降低功耗,芯片采用了无调制直接数字传输,采用200 MHz宽带数据传输、全数字时钟恢复电路、全数控数字振荡器(DCO)、正交采样技术。这些低功耗电路设计技术的应用,使最耗电的前端放大器电路和时钟产生电路的功耗降到最低。

图4 Toumaz公司射频收发器原理框图

图5 人体通信原理的无线收发器
4 穿戴式医疗无线收发芯片前景展望
当今社会人们的生活工作压力非常大,随着人们对自身健康的要求越来越高,穿戴式医疗芯片正在逐步融入到现实生活中。随着生物医学工程技术和微电子技术的不断发展,穿戴式医疗芯片也在逐步走向微型化、网络化。穿戴式医疗微系统要求将生理信号传感器节点装置穿戴在患者身上,因此要求微型化,使患者在长期穿戴过程中保持低负荷。同时,需要将患者的生理特征信号通过无线网络传送到中心基站节点或者其他传感器节点,因而网络化也是其发展最基本的要求。因此,当前的穿戴式医疗芯片必然走向系统全集成SOC,以达到微型化和低成本;同时,片上集成射频收发电路部分,也使传感器的节点信号可以方便、实时地传输出去,以使人体的健康状况得到随时随地的移动监控。
现在国际上并没有制定出针对个人穿戴式医疗系统的专门无线通信标准,目标市场为工业、家庭、医学低成本低功耗无线通信的IEEE802.15系列标准被用于个人穿戴式医疗芯片的研制。虽然目前上已经有基于Zigbee、Blue tooth、WLAN的穿戴式医疗芯片问世,但是由于其通信协议并不是完全针对穿戴式医疗应用制定的,其MAC层、QoS不能根据穿戴式医疗无线数据传输的低功耗、高传输速度、短距离的特点进行优化,因此还达不到应用的要求。面对上述挑战,医疗芯片的设计者在低功耗电路设计、无线通信的传输方式等领域都还有很大的空间去发挥,很多基于此考虑的创新电路系统结构和概念的实用性都还有待进一步的研究和改进。随着无线通信技术的发展、集成电路技术水平的提高、应用市场的不断开发,这些问题必将得到解决,并引领着现代人类医疗健康工程向低成本、微型化、智能化、网络化不断发展。
史海拾趣
|
企业名称: 东莞市康大五金电子厂 营业执照: 4419002356421 工厂地址: 东莞万江区共联管理区 本公司成立于1998年,港资独资企业; 公司已通过ISO9001:2000认证; 公司员工超过7000人,实行人性化管理; 所有职位包食宿,并提 ...… 查看全部问答> |
|
作者:applevista 前两天,父亲在庙会上买了两个黑猫神牌电子驱蚊灭鼠器,5块一个。 前两年,见过这样东西,样子不一样,也提醒父亲这是骗人的,还是被骗了。 要是一块一个倒也不错,它其实就是一个简单的彩灯。 这个与卫星增台器、节电器一样 ...… 查看全部问答> |
|
请教各位高手 我在画原理图时(orcad) 有下列两个疑问: 1、请问处理器(在page1上)上的一个引脚如A1需要连接两个外围芯片x,y 可是芯片X我是用层次法(层次图上层在page1上)画的,与芯片y的连接是用平坦式画法 ...… 查看全部问答> |
|
**** Begin Erase/Program/Verify Operation. *** Erase/Program/Verify Operation in progress... Erase operation in progress... Erase operation was successful. Program operation in progress... Flash API Error #31: There was a Ze ...… 查看全部问答> |
|
ARM处理器寻址方式 寻址方式是根据指令中给出的地址码字段来实现寻找真实操作数地址的方式,ARM 处理器有9种基本寻址方式。 寄存器寻址 操作数的值在寄存器中,指令中的地址码字段指出的是寄存器编号,指令执行时直 接取出寄存器值操作。 ...… 查看全部问答> |
|
本人想用stm32f207VG做下外扩NAND flash,先读取ID不行,GPIO配置如下: RCC_AHB3PeriphClockCmd(RCC_AHB3Periph_FSMC,ENABLE); RCC_AHB1PeriphClockCmd(RCC_AHB1Periph_GPIOD | RCC_AHB1Periph_GPIOE | ...… 查看全部问答> |




