历史上的今天
今天是:2025年04月25日(星期五)
2019年04月25日 | 德州仪器:智能天窗带来更优驾驶体验
2019-04-25 来源:EEWORLD
得益于未来车辆的新技术,天窗和汽车车窗贴膜现已成为汽车的可编程功能。在开关的转动处,您现在可阻挡通过汽车天窗的光线或在夜间驾驶时欣赏飘渺的星空。
一家名为Research Frontiers的制造商使用SPD-SmartGlass技术创造了电子玻璃贴膜。该技术通过在玻璃、塑料、丙烯酸或化学强化玻璃膜中调准纳米颗粒。这种玻璃可阻挡热量、阳光、紫外线和噪音。SPD-SmartGlass通过改变施加在玻璃上的电压幅度,可即时、精确地控制进入车辆的光线水平。
为驱动这种动态玻璃,需要高压AC信号快速定向阻光纳米颗粒。
智能天窗设计为车内乘客提供了大量优势。在贴膜状态下,它可减少热量传递并防止眩光,在贴膜和透明状态下,它可减少紫外线和红外线。控制贴膜着色水平允许用户针对身边的环境调整这些条件。
产生必要的高压AC信号以控制汽车中的贴膜着色水平具有挑战性,因为汽车没有易获得的AC电压源。相反,需要使用将汽车电池的DC电压转换为AC电压的功率逆变器电路来产生AC电压信号。
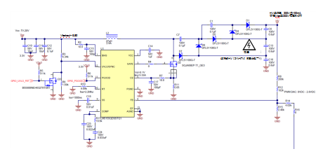
德州仪器的汽车SPD-SmartGlass驱动器参考设计 展示了一种将DC转换为AC电源的方法。该设计中的两个核心组件是:
● 升压转换器,用于将低压汽车电池DC转换为高压DC。
● 全桥驱动器,用于将DC信号转换为AC信号。
自此,方波、正弦波或其他周期波形可为玻璃提供功率。

图1所示为参考设计的框图,而图2所示为如何在这些中间步骤中控制电压以产生正弦波。

控制智能天窗着色水平
玻璃贴膜着色水平与驱动波形的幅度直接相关。如图3所示,以正弦速率不断改变占空比会产生正弦波。滤波后,这会产生纯正弦波输出。可进一步调整脉冲宽度调制(PWM)占空比,以控制该正弦波的幅度。
另一个幅度控制选项是调整提供给全桥的电压。驱动桥本身的正弦波PWM永远无需调整,且缩放提供电桥的电压将导致正弦振幅的必要变化。这是参考设计中使用的方法。
为了驱动FET并最终驱动SmartGlass,两个半桥栅极驱动器 (UCC27712-Q1) 为全桥配置。由于其互锁和死区时间功能,UCC27712-Q1用于此应用,以确保高侧和低侧FET不会同时导通。
控制高压DC/DC压的反馈管脚管理全桥的电源。通过使用连接到LM5155-Q1升压转换器的FB管脚的入电阻,直流电压(由图3中的节点VDAC表示)可控制LM5155-Q1输出电压,从而增加或降低升压电压。
图 3:用于电压输出操作的入电阻
VDAC电压通过使用电阻-电容(RC)滤波器和缓冲器对来自微控制器的PWM信号进行滤波而产生,从而创建PWM数模转换器(DAC)。图4说明了不同的PWM占空比和RC缓冲电路如何产生不同的DC电压电平,以用于熔丝盒入电路。

图4:PWM DAC信号链
产生高压直流信号
参考设计的另一个独特功能是连接到升压转换器的电荷泵电压三倍器,如图5所示。电荷泵使升压转换器的电压输出增加三倍,以便能够生成200V电源,而无需大型且昂贵的变压器基电源电路。
图 5:电荷泵电压三倍器
这种产生200V电压的方法的一个优点是图5中的开关金属氧化物半导体场效应晶体管(MOSFET)Q2只需对底部输出电容C16上的电压进行额定。这使您可在设计中使用成本更低、额定电压更低的组件,而非大于200 V的元件。
随着MOSFET的功率和电压额定值增加,栅极和漏极电容也会增加。当试图以2 MHz的频率控制MOSFET时,这些电容会导致压摆率和上升时间问题,因此较低的电压要求可更容易找到具有适当输入和输出电容的MOSFET。
电荷泵还减少了开关节点上的应力。为从约10 V升至约200 V,开关节点需要极高的占空比,从而留下极小的关断时间,并给升压转换器带来很大应力。由于电荷泵将转换器的电压降低三分之一(以三倍于输出电流为代价),因此占空比和关断时间要求显著降低。
结论
智能天窗可提高驾驶室的舒适度,提供更佳、更舒适的驾驶体验。我们的电子产品创新可助您加快将此项新技术作为未来智能驾驶的重要组成部分的过程。
下一篇:特斯拉发布自动驾驶技术成果
史海拾趣
|
适合 DIY显存8M的单片机显卡的开源操作系统RT-THREAD 网址:http://www.rt-thread.org 内核及组件 实时线程操作系统(RT-Thread) 是一款主要由中国开源社区主导开发的开源实时操作系统(许可证GPLv2)。实时线程操作系统不仅仅是一个单一的实时操作系统内核,它也是一个完整的应用 系统,包含了 ...… 查看全部问答> |
|
大家好,我是刚学protues。原理图连接好,程序也完成了,只是在编译后,找不到目标文件(.hex),不知是怎么回事? 对了,protues版本是7.5.… 查看全部问答> |
|
本人初学nand flash,有几个问题不太明白, 1.nand flash中chip,die, bank ,zone,block,page等概念之间什么关系,以及它们的具体含义! 2.nand flash spec资料一般那里找。 … 查看全部问答> |
|
1.在PC机上只能用代码来创建SQL CE 2.0数据库吗? 2.我用VS(C#)来开发的,我根据微软的一个例子来用代码创建数据库,运行没问题,但是却找不到创建的数据库的库文件是怎么回事? 3.在PC机到底需要安装 ...… 查看全部问答> |
|
XDS510 USB2.0 , CCS2.2连接f2812出错 前一段时间用ccs连接该DSP开发板一直都没有什么问题, 但是最近怎么都连不上同一块开发板了, 报错为Can\'t Initialize target cpu: 1. Target initialization failed< -1294>; 2. Check target power, and JTAG connection 重装了系统, 重新 ...… 查看全部问答> |
|
曾经想在ADI的网上申请样片,遇到的问题有两个: 1.我们学校的校域名邮箱,学生不能申请,就没有校域名邮箱。能不能通过别的方式证明是学校的学生即可? 2.项目需要导师信息以及导师联系方式,有些时候做的项目不一定是跟着导师做的,而且自己做 ...… 查看全部问答> |





