历史上的今天
今天是:2025年06月22日(星期日)
2019年06月22日 | 新能源汽车EMC问题要如何解决?
2019-06-22
与传统汽车相比,新能源汽车EMC问题更加突出。新能源汽车动力直接使用电驱动系统,高压附件的使用会使电磁干扰问题的更为严重。动力系统由于电流在极短时间内的跳动以及大功率半导体开关的快速移动会发出强烈的辐射以及电磁干扰。
1、电磁兼容测试在新能源汽车中的必要性
电磁兼容(Electromagnetic Compatibility,简称EMC)。指设备或系统在其电磁环境中能正常工作且不对该环境中任何事物构成不能承受的电磁干扰的能力。
EMC包括两个方面的要求:一方面是指设备在正常运行过程中对所在环境产生的电磁干扰不能超过一定的限值,即所谓的电磁干扰(Electromagnetic Interference,简称EMI)。
另一方面是指设备对所在环境中存在的电磁干扰具有一定程度的抗扰度,即所谓的电磁抗干扰(Electro Magnetic Susceptibility,简称EMS)。
与传统汽车相比,新能源汽车EMC问题更加突出。新能源汽车动力直接使用电驱动系统,高压附件的使用会使电磁干扰问题的更为严重。动力系统由于电流在极短时间内的跳动以及大功率半导体开关的快速移动会发出强烈的辐射以及电磁干扰。
加上电子电气部件都占据着极大的比重,其中的电磁兼容性问题又与整车的安全密切相关。汽车内各种控制器,DCDC.DCAC都是强干扰源,而且线束又多又长,辐射干扰很严重。随着CISPR25-2016的发布,高压系统的EMC要求越来越严,EMC测试已成为汽车厂商所要面对的最严峻的挑战之一。

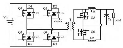
一个典型的DCDC拓扑结构
为了减小电磁干扰,我们就必须要加强电磁兼容性测试。
2、EMC的分析原理
传统EMC设计中一般遵循:产品设计--样品生产--EMC 测试--测试不通过--整改--更改设计--样品生产--测试通过。
定位困难,反复重复的工作。
EMC仿真是基于软件分析的一种正向电磁兼容设计方法,包括3D仿真,PCB仿真和系统及电路仿真。
电磁场的分析方法有解析法和数值法。EMC仿真软件都是基于数值法。
常用的数值法

电磁干扰中所有算法的基础,Maxwell方程:

Maxwell方程积分形式

Maxwell方程微分形式
现在比较主流的EMC仿真软件有ANSYS系列和CST系列

EMC仿真可以得出精确的结果

史海拾趣
|
1. 汽车气囊注意事项 >> https://bbs.eeworld.com.cn/thread-715-1-51.html 2. 汽车转速传感器的维修 >>https://bbs.eeworld.com.cn/thread-455-1-51.html 3. 解析奥迪防盗器7位密码的秘密>>https://bbs.eeworld.com.cn/thread-432-1-50.html 4. ...… 查看全部问答> |
|
.系统板上硬件连线 (1. 把“单片机系统”区域中的P1.0-P1.7端口用8芯排线连接到“动态数码显示”区域中的A-H端口上; (2. 把“单片机系统:区域中的P3.0-P3.7端口用8芯排线连接到“动态数码显示”区域中的S1-S8端口上; 动态数码 ...… 查看全部问答> |
|
求教:设备意外删除后收不到IRP_MN_REMOVAL_DEVICE? 为什么SURPRISE_REMOVE后没有REMOVE_DEVICE 小弟写的一个USB驱动程序在安装完成之后,插入设备,设备正常启动,然后直接拔出设备,有时候会出现收不到IRP_MN_REMOVAL_DEVICE的现象。 在log中,IRP序列为: 1)IRP_MN_QUERY_DEVICE_RELATION 连续 ...… 查看全部问答> |
|
请问9b92 C1版本的FLASH是不是有烧写限制?是多少次?我在网上看到一些说是的100次左右,这说法是否正确? 同时能否解释下下面的问题?谢谢~~~ 我下载时提示“Could not power up debug port: Control/Status register reads 000000F0” 用JLINK ...… 查看全部问答> |
|
430也能玩嵌入式:Contiki内核在IAR+MSP430下移植(八) 四、其他地方(1)loader-arch.hcpu/msp430/loader-arch.c文件中的#include \"loader/loader-arch.h\"改成#include \"loader/elfloader-arch.h\"。(通过逻辑判断)(2)FSSEL_SMCLKcontiki-2.5/cpu/msp430/rom.c文件中的FCTL2 = FWKEY | FSSEL_SMCLK | ( ...… 查看全部问答> |




