历史上的今天
今天是:2025年07月01日(星期二)
2019年07月01日 | 技术文章—隔离数字输入小科普
2019-07-01 来源:电子创新网
虽然隔离数字输入和数字隔离器听起来很相似,但实际上它们之间存在一些显著差异。阅读本博文后,希望您能够轻松分辨出两个隔离功能之间的区别。
内部结构
数字隔离器充当提供电流隔离数字信号路径的基本(或通常是加强型)功能。来自德州仪器(TI)的隔离结构是电容性的,其绝缘屏障由我们互补的金属氧化物半导体(CMOS)工艺技术构建的两个高压电容器组成。高频载波通过隔离栅从初级侧到次级侧通信,而我们的数字隔离器能够承受高达12.8 kV的施加浪涌电压和1.5 kV的工作电压,而不会破坏双电容屏障。数字隔离器的一个关键组件是基本或加强型隔离电压。

图1:数字隔离器
隔离数字输入充当提供从传感器输入或其他输入类型到主机控制器接口的逻辑输出的电流隔离的基本功能。与数字隔离器不同,隔离数字输入的输入级(如图2所示)包括用户设置输入阈值和集成电流限制,允许9V至60V范围内的输入电压转换为逻辑输出。在最简单的形式中,隔离数字输入用作隔离比较器,具有一些易于设计的附加功能。

图2:隔离数字输入
使用差异
数字隔离器通常用于信号路径中的模数转换器(ADC)或数据采集转换器与主机控制器或微控制器(MCU)之间。数字隔离器也常见于给定系统的隔离电源功能中。
隔离数字输入专门设计为数字输入接收器,用于可编程逻辑控制(PLC)、电机控制和电网应用,以实现场侧输入和主机控制器之间的接口。隔离数字输入是面向场侧输入,可轻松配置用于汇和源应用。集成电流限值可在较高输入电压环境下最大限度地降低输入的热分布,并通过简易外部电阻设置,以符合国际电工委员会(IEC)61131-2的I、II或III型开关。附加电阻设置输入电压阈值;可使用在线计算器轻松选择电阻。
电源差异
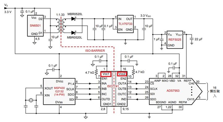
数字隔离器需要初级和次级侧电源。在图3中,隔离电源为ADC以及连接ADC的数字隔离器的“场侧”供电。

图3:ISO7741隔离MCU和ADC通信
隔离数字输入仅需要次级侧电源。在ISO1211(图4)和ISO1212隔离数字输入中,场侧由输入供电,因此无需场侧电源。与其他分立解决方案相比,此方案更易于前端设计。

图4:ISO1211配置为PLC数字输入模块
我们的新型隔离数字输入是TI诸多创新方式中的一个示例。TI正使得全球最强大、最可靠的隔离解决方案变得更容易,更高效。
史海拾趣
|
《ARM Linux入门与实践》一书当中,关于触摸屏的那一节有几个地方不理解。 该程序的说明是:“代码并没有使用S3C2410A中的触摸屏控制器,而是通过直接控制FPIO的4个晶体管的导通和截止” P220: void Wait_Touch(void) { XMON_O ...… 查看全部问答> |
|
如何调试呢?平台已经有人做了,我需要在上面做应用程序,请问能用vc6写吗?是不是编译成release版本直接下进去呢?还是可以编译成debug然后调试呢? … 查看全部问答> |
|
请问能否仅通过430的串口往里面烧写程序? 谢谢! 搜了一下,有很多卖BSL的,除了需要TXD、RXD外,还需要一些别的脚。 有没有这么一种软件?当430的串口与计算机串口通过MAX232之类的芯片一接,在电脑上运行这个软件,直接就把程序烧进去了。… 查看全部问答> |
|
是这样的,我是用串行方式写的代码,上电后发现显示中文字符会乱码。英文和数字则显示正常,不知道怎么回事 [ 本帖最后由 冷板凳 于 2012-9-25 15:50 编辑 ]… 查看全部问答> |
|
【晒心得】TI EZ430-CHRONOS-433 无线手表 昨天收到手表,今天戴了一整天,现在说说我的体验心得。(写的比较乱,跟大家交流分享) 这么大一个联邦快递,同事都说这个快递费都要好贵,再加上整个套件不单单只有一个手表,还有个MSP-eZ430仿真器(该仿真器只支持二线仿真)和 ...… 查看全部问答> |
|
在PCB里面静电是有的,不过很少会伤到PCB,跟做PCB的附产业贴片不一样。电子原计件就非常注重这一块。 主要采取的方法有,一:配戴防静电手套。 &n ...… 查看全部问答> |




