历史上的今天
今天是:2025年07月30日(星期三)
2019年07月30日 | STM32CubeMX学习:基本定时器
2019-07-30 来源:eefocus
先看基本定時器框图:

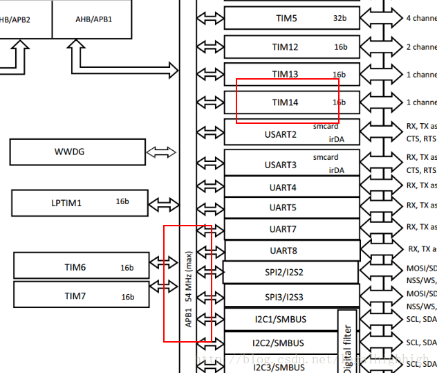
比如用cube配置Time14的時候,

得先确定时钟频率,这个可以查看数据手册或者查看代码可以知道TIM14是挂接到APB1时钟线上。


预分频器设置为108-1,即108分频,最后定时器的频率为1000 000HZ。一个脉冲的时间为1/1000 000s。
而计数周期为2500(自动重载寄存器),2500次记一次,则周期时间大致为1/400s,即400HZ。
若要定时1秒,则计数周期为1000 000即可
或将预分频加大,则计数周期会变小。
史海拾趣
|
2009年全国大学生电子设计竞赛报名汇总表,这里可以知道你们省参加多少个队,多少个学校 http://www.nuedc.com.cn/news.asp?bid=5&sid=20&id=571 关于进行2009年全国大学生电子设计竞赛网上发题模拟的通知 http://www.nuedc.com.cn/news.a ...… 查看全部问答> |
|
求PCB转原理图的软件E-studio PROHDL 软件,或者教我如何用 我自己下载了个E-studio PRO 2004,可是转化不了,将.EDF的文件打开,可就是打不开,郁闷,按照网上的说明来转化,到这一步就不行了,超郁闷,希望大虾们指点迷津呀,多谢啦… 查看全部问答> |
|
你好,s3c44b0x 在烧写flash时停止,连线都检查好几遍 ,而且用arm7 jtag 软件检测到cpu 但我用 fluted.exe 时就停止,运行fluted r 出现 Get ID Register ... ID CODE ERROR (0xFFFFFFFF) Should Be 0x1F0F0F0F *** STOP *** 请问是怎么回事啊 ...… 查看全部问答> |
|
服务器端数据结构有问题,也就是在操作队列的时候,在发送端线程中发送数据后删除一个节点 //我的系统采用C/S架构, 在网络通信部分采用多线程模式(也就是每个运行着的客户端对应服务器端的一个线程,既TCPIP通信的子线程) 在串口通信线程中 &n ...… 查看全部问答> |
|
我这一份规格书上规定了产品(带GSM/GPRS模块的通信设备)的通信协议有以下几种方式:0.SMS,1.UDP,2.UDP w/ACK, 3.TCP,不清楚其中UDP和UDP w/ACK这两个有什么区别?GPRS模块只提供UDP和TCP两种供选择,那UDP w/ACK是什么呢?急需知道,请内行帮 ...… 查看全部问答> |
|
在wince下有ssce20.dll、ssceca20.dll、ssceerror20en.dll,通过isqlw20.exe可以创建数据库和连接数据库,但 isqlw20.exe 创建表没有说明, 不会操作,谁有个说明呢?… 查看全部问答> |
|
我是买的红牛开发板的空PCB板,自己焊的,上面的画法是两个20pf电容,一个8MHz晶振,晶振并联一个1M的电阻,由于没有20pf的电容,我用了两个22pf的,但是现在发现启动外部晶振失败: while(HSEStartUpStatus != SUCCESS) { HS ...… 查看全部问答> |




