历史上的今天
今天是:2025年08月09日(星期六)
2019年08月09日 | 技术文章—如何选择基准电压源
2019-08-09 来源:EEWORLD
为何需要基准电压源
这是一个模拟世界。无论汽车、微波炉还是手机,所有电子设备都必须以某种方式与“真实”世界交互。为此,电子设备必须能够将真实世界的测量结果 (速度、压力、长度、温度) 映射到电子世界中的可测的量 (电压)。当然,要测量电压,您需要一个衡量标准。该标准就是基准电压。对系统设计人员而言,问题不在于是否需要基准电压源,而是使用何种基准电压源?
基准电压源只是一个电路或电路元件,只要电路需要,它就能提供已知电位。这可能是几分钟、几小时或几年。如果产品需要采集真实世界的相关信息,例如电池电压或电流、功耗、信号大小或特性、故障识别等,那么必须将相关信号与一个标准进行比较。每个比较器、ADC、DAC 或检测电路必须有一个基准电压源才能完成上述工作 (图 1)。将目标信号与已知值进行比较,可以准确量化任何信号。
基准电压源规格
基准电压源有很多形式并提供不同的特性,但归根结底,精度和稳定性是基准电压源最重要的特性,因为其主要作用是提供一个已知输出电压。相对于该已知值的变化是误差。基准电压源规格通常使用下述定义来预测其在某些条件下的不确定性。

图 1.ADC 的基准电压源的典型用法
表 1.高性能基准电压源规格*0.1Hz–10Hz,峰峰值

初始精度
在给定温度 (通常为 25°C) 下测得的输出电压的变化。虽然不同器件的初始输出电压可能不同,但如果它对于给定器件是恒定的,那么很容易将其校准。
温度漂移
该规格是基准电压源性能评估使用最广泛的规格,因为它表明输出电压随温度的变化。温度漂移是由电路元件的缺陷和非线性引起的,因此常常是非线性的。
对于许多器件,温度漂移 TC (以 ppm/°C 为单位) 是主要误差源。对于具有一致漂移的器件,校准是可行的。关于温度漂移的一个常见误解是认为它是线性的。这导致了诸如“器件在较小温度范围内的漂移量会较少”之类的观点,然而事实常常相反。TC 一般用“黑盒法”指定,以便让人了解整个工作温度范围内的可能误差。它是一个计算值,仅基于电压的最小值和最大值,并不考虑这些极值发生的温度。
对于在指定温度范围内具有非常好线性度的基准电压源,或者对于那些未经仔细调整的基准电压源,可以认为最差情况误差与温度范围成比例。这是因为最大和最小输出电压极有可能是在最大和最小工作温度下得到的。然而,对于经过仔细调整的基准电压源 (通常通过其非常低的温度漂移来判定),其非线性特性可能占主导地位。
例如,指定为 100ppm/°C 的基准电压源倾向于在任何温度范围内都有相当好的线性度,因为元件不匹配引起的漂移完全掩盖了其固有非线性。相反,指定为 5ppm/°C 的基准电压源,其温度漂移将以非线性为主。

图 2.基准电压源温度特性
基准电压源有很多形式并提供不同的特性,但归根结底,精度和稳定性是基准电压源最重要的特性,因为其主要作用是提供一个已知输出电压。相对于该已知值的变化是误差。基准电压源规格通常用来预测其在某些条件下的不确定性。
这在图 2 所示的输出电压与温度特性的关系中很容易看出。注意,其中表示了两种可能的温度特性。未补偿的带隙基准电压源表现为抛物线,最小值在温度极值处,最大值在中间。此处所示的温度补偿带隙基准电压源 (如 LT1019) 表现为“S”形曲线,其最大斜率接近温度范围的中心。在后一种情况下,非线性加剧,从而降低了温度范围内的总体不确定性。
温度漂移规格的最佳用途是计算指定温度范围内的最大总误差。除非很好的理解了温度漂移特性,否则一般不建议计算未指定温度范围内的误差。
长期稳定性
该规格衡量基准电压随时间变化的趋势,与其他变量无关。初始偏移主要由机械应力的变化引起,后者通常来源于引线框架、裸片和模塑化合物的膨胀率的差异。这种应力效应往往具有很大的初始偏移,尔后随着时间推移,偏移会迅速减少。初始漂移还包含电路元件电气特性的变化,其中包括器件特性在原子水平上的建立。更长期的偏移是由电路元件的电气变化引起的,常常称之为“老化”。与初始漂移相比,这种漂移倾向于以较低速率发生,并且会随着时间推移变化速率会进一步降低。因此,它常常用“漂移/√khr”来表示。在较高温度下,基准电压源的老化速度往往也更快。
热迟滞
这一规格常常被忽视,但它也可能成为主要误差源。它本质上是机械性的,是热循环导致芯片应力改变的结果。经过很大的温度循环之后,在给定温度下可以观察到迟滞,其表现为输出电压的变化。它与温度系数和时间漂移无关,会降低初始电压校准的有效性。
在随后的温度循环期间,大多数基准电压源倾向于在标称输出电压附近变化,因此热迟滞通常以可预测的最大值为限。每家制造商都有自己指定此参数的方法,因此典型值可能产生误导。估算输出电压误差时,数据手册 (如 LT1790 和 LTC6652) 中提供的分布数据会更有用。

图 3.分流基准电压源

图 4.串联基准电压源
其他规格
根据应用要求,其他可能重要的规格包括:
电压噪声
线性调整率/PSRR
负载调整率
压差
电源电压范围
电源电流
基准电压源类型
基准电压源主要有两类:分流和串联。串联和分流基准电压源参见表 2。
分流基准电压源
分流基准电压源是 2 端器件,通常设计为在指定电流范围内工作。虽然大多数分流基准电压源是带隙类型并提供多种电压,但可以认为它们与齐纳二极管型一样易用,事实也确实如此。
最常见的电路是将基准电压源的一个引脚连接到地,另一个引脚连接到电阻。电阻的另一个引脚连接到电源。这样,它实质上变成一个三端电路。基准电压源和电阻的公共端是输出。电阻的选择必须适当,使得在整个电源范围和负载电流范围内,通过基准电压源的最小和最大电流都在额定范围内。如果电源电压和负载电流变化不大,这些基准电压源很容易用于设计。如果其中之一或二者可能发生重大变化,则所选电阻必须适应这种变化,通常会导致电路实际耗散功率比标称情况所需大得多。从这个意义上讲,它可以被认为像 A 类放大器一样运作。
分流基准电压源的优点包括:设计简单,封装小,在宽电流和负载条件下具有良好的稳定性。此外,它很容易设计为负基准电压源,并且可以配合非常高的电源电压使用 (因为外部电阻会分担大部分电位),或配合非常低的电源电压使用 (因为输出可以仅低于电源电压几毫伏)。ADI公司提供的分流产品包括 LT1004、LT1009、LT1389、LT1634、LM399 和 LTZ1000。典型分流电路如图 3 所示。
串联基准电压源
串联基准电压源是三 (或更多)端器件。它更像低压差 (LDO) 稳压器,因此其许多优点是相同的。最值得注意的是,其在很宽的电源电压范围内消耗相对固定的电源电流,并且只在负载需要时才传导负载电流。这使其成为电源电压或负载电流有较大变化的电路的理想选择。它在负载电流非常大的电路中特别有用,因为基准电压源和电源之间没有串联电阻。
ADI公司提供的串联产品包括 LT1460、LT1790、LT1461、LT1021、LT1236、LT1027、LTC6652、LT6660 等等。LT1021 和 LT1019 等产品可以用作分流或串联基准电压源。串联基准电压源电路如图 4 所示。

图 5.设计带隙电路提供理论上为零的温度系数

图 6.200mV 基准电压源电路
基准电压源电路
有许多方法可以设计基准电压源 IC。每种方法都有特定的优点和缺点。
基于齐纳二极管的基准电压源
深埋齐纳型基准电压源是一种相对简单的设计。齐纳 (或雪崩) 二极管具有可预测的反向电压,该电压具有相当好的温度稳定性和非常好的时间稳定性。如果保持在较小温度范围内,这些二极管通常具有非常低的噪声和非常好的时间稳定性,因此其适用于基准电压变化必须尽可能小的应用。
与其他类型的基准电压源电路相比,这种稳定性可归因于元件数量和芯片面积相对较少,而且齐纳元件的构造很精巧。然而,初始电压和温度漂移的变化相对较大,这很常见。可以增加电路来补偿这些缺陷,或者提供一系列输出电压。分流和串联基准电压源均使用齐纳二极管。
LT1021、LT1236 和 LT1027 等器件使用内部电流源和放大器来调节齐纳电压和电流,以提高稳定性,并提供多种输出电压,如 5V、7V 和 10V。这种附加电路使齐纳二极管与很多应用电路兼容性更好,但需要更大的电源裕量,并可能引起额外的误差。
另外,LM399 和 LTZ1000 使用内部加热元件和附加晶体管来稳定齐纳二极管的温度漂移,实现温度和时间稳定性的最佳组合。此外,这些基于齐纳二极管的产品具有极低的噪声,可提供最佳性能。LTZ1000 的温度漂移为 0.05ppm/°C,长期稳定性为 2μV/√kHr,噪声为 1.2μVP-P。为了便于理解,以实验室仪器为例,噪声和温度引起的 LTZ1000 基准电压的总不确定性只有大约 1.7ppm,加上老化引起的每月不到 1ppm。
带隙基准电压源
齐纳二极管虽然可用于制作高性能基准电压源,但缺乏灵活性。具体而言,它需要 7V 以上的电源电压,而且提供的输出电压相对较少。相比之下,带隙基准电压源可以产生各种各样的输出电压,电源裕量非常小——通常小于 100mV。带隙基准电压源可设计用来提供非常精确的初始输出电压和很低的温度漂移,无需耗时的应用中校准。
带隙操作基于双极结型晶体管的基本特性。图 5 所示为一个基本带隙基准电压源——LT1004 电路的简化版本。可以看出,一对不匹配的双极结型晶体管的 VBE 具有与温度成正比的差异。这种差异可用来产生一个电流,其随温度线性上升。当通过电阻和晶体管驱动该电流时,如果其大小合适,晶体管的基极-发射极电压随温度的变化会抵消电阻两端的电压变化。虽然这种抵消不是完全线性的,但可以通过附加电路进行补偿,使温度漂移非常低。
表 2.ADI公司提供的基准电压源
类型 | 器件 | 说明 |
串联 | LT1019 | 精密带隙 |
LT1021 | 精密低噪声深埋齐纳二极管 | |
LT1027 | 精密 5V 深埋齐纳二极管 | |
LT1031 | 精密低噪声/低漂移 10V 齐纳二极管 | |
LT1236 | 精密低噪声深埋齐纳二极管 | |
LT1258 | 微功耗 LDO 带隙 | |
LT1460 | 微功耗精密带隙 | |
LT1461 | 微功耗超精密带隙 | |
LT1790 | 微功耗低压差带隙 | |
LT1798 | 微功耗 LDO 带隙 | |
LT6650 | 微功耗 400mV/可调带隙 | |
LTC6652 | 精密低噪声 LDO 带隙 | |
分流 | LM129 | 精密 6.9V 深埋齐纳二极管 |
LM185 | 微功耗 1.2V/2.5V 齐纳二极管 | |
LM399 | 精密 7V 加热齐纳二极管 | |
LT1004 | 微功耗 1.2V/2.5V 带隙 | |
LT1009 | 精密 2.5V 带隙 | |
LT1029 | 5V 带隙 | |
LT1034 | 微功耗双通道 (1.2V 带隙/7V 齐纳二极管) | |
LT1389 | 纳安功耗精密带隙 | |
LT1634 | 微功耗精密带隙 | |
LTZ1000 | 超精密加热齐纳二极管 |
基本带隙基准电压源背后的数学原理很有意思,因为它将已知温度系数与独特的电阻率相结合,产生理论上温度漂移为零的基准电压。图 5 显示了两个晶体管,经调整后,Q10 的发射极面积为 Q11 的 10 倍,而 Q12 和 Q13 的集电极电流保持相等。这就在两个晶体管的基极之间产生一个已知电压:
![]()
其中,k 为玻尔兹曼常数,单位为 J/K (1.38×10-23);T 为开氏温度 (273 + T (°C));q 为电子电荷,单位为库仑 (1.6x10-19)。在 25°C 时,kT/q 的值为 25.7mV,正温度系数为 86μV/°C。∆VBE 为此电压乘以 ln(10) 或 2.3,25°C时 电压约为60mV,温度系数为 0.2mV/°C。
将此电压施加到基极之间连接的 50k 电阻,产生一个与温度成比例的电流。该电流偏置二极管 Q14,25°C 时其电压为 575mV,温度系数为 -2.2mV/°C。电阻用于产生具有正温度系数的压降,其施加到 Q14 二极管电压上,从而产生大约 1.235V 的基准电压电位,理论上温度系数为 0mV/°C。这些压降如图 5 所示。电路的平衡提供偏置电流和输出驱动。
ADI公司生产各种各样的带隙基准电压源,包括小型廉价精密串联基准电压源 LT1460、超低功耗分流基准电压源 LT1389 以及超高精度、低漂移基准电压源 LT1461 和 LTC6652。可用输出电压包括 1.2V、1.25V、2.048V、2.5V、3.0V、3.3V、4.096V、4.5V、5V 和 10V。这些基准电压可以在很宽范围的电源和负载条件下提供,并且电压和电流开销极小。产品可能具有非常高的精度,例如 LT1461、LT1019、LTC6652 和 LT1790;尺寸可能非常小,例如 LT1790 和 LT1460 (SOT23),或采用 2mm×2mm DFN 封装的 LT6660;或者功耗非常低,例如 LT1389,其功耗仅需 800nA。虽然齐纳基准电压源在噪声和长期稳定性方面往往具有更好的性能,但新的带隙基准电压源正在缩小差距,例如 LTC6652 的峰峰值噪声 (0.1Hz 至10Hz) 为 2ppm。

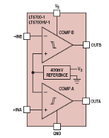
图 7.LT6700 支持与低至 400mV 的阈值进行比较
分数带隙基准电压源
这种基准电压源基于双极晶体管的温度特性设计,但输出电压可以低至几毫伏。它适用于超低电压电路,特别是阈值必须小于常规带隙电压 (约 1.2V) 的比较器应用。
图 6 所示为 LM10 的核心电路,同正常带隙基准电压源相似,其中结合了与温度成正比和成反比的元件,以获得恒定的 200mV 基准电压。分数带隙基准电压源通常使用 ΔVBE 产生一个与温度成正比的电流,使用 VBE 产生一个与温度成反比的电流。二者以适当的比例在一个电阻元件中合并,以产生不随温度变化的电压。电阻大小可以更改,从而改变基准电压而不影响温度特性。这与传统带隙电路的不同之处在于,分数带隙电路合并电流,而传统电路倾向于合并电压,通常是基极-发射极电压和具有相反 TC 的 I•R。
像 LM10 电路这样的分数带隙基准电压源在某些情况下同样是基于减法。LT6650 具有 400mV 的此类基准电压,并且配有一个放大器。因此,可以通过改变放大器的增益来改变基准电压,并提供一个缓冲输出。使用这种简单电路可以产生低于电源电压 0.4V 至几毫伏的任何输出电压。LT6700 (图 7) 和 LT6703 是集成度更高的解决方案,其将 400mV 基准电压源与比较器相结合,可用作电压监控器或窗口比较器。400mV 基准电压源可以监控小输入信号,从而降低监控电路的复杂性;它还能监控采用非常低电源电压工作的电路元件。如果阈值较大,可以添加一个简单的电阻分压器 (图 8)。这些产品均采用小尺寸封装 (SOT23),功耗很低 (低于 10μA),支持宽电源范围 (1.4V 至 18V)。此外,LT6700 提供 2mm x 3mm DFN 封装,LT6703 提供 2mm x 2mm DFN 封装。

图 8.通过输入电压分压来设置较高阈值
选择基准电压源
了解所有这些选项之后,如何为应用选择恰当的基准电压源呢?以下是一些用来缩小选择范围的窍门:
电源电压是否非常高?选择分流基准电压源。
电源电压或负载电流的变化范围是否很大?选择串联基准电压源。
是否需要高功效比?选择串联基准电压源。
确定实际温度范围。对于各种温度范围,包括 0°C 至 70°C、-40°C 至 85°C 和 -40°C 至 125°C,ADI公司提供规格和工作性能保证。
精度要求应切合实际。了解应用所需的精度非常重要。这有助于确定关键规格。考虑到这一要求,将温度漂移乘以指定温度范围,加上初始精度误差、热迟滞和预期产品寿命期间的长期漂移,减去任何将在出厂时校准或定期重新校准的项,便得到总体精度。对于要求最苛刻的应用,还可以增加噪声、电压调整率和负载调整率误差。例如,一个基准电压源的初始精度误差为 0.1% (1000ppm),-40°C 至 85°C 范围内的温度漂移为 25ppm/°C,热迟滞为 200ppm,峰峰值噪声为 2ppm,时间漂移为 50ppm/√kHr,则在电路建成时总不确定性将超过 4300ppm。在电路通电后的前 1000 小时,这种不确定性增加 50ppm。初始精度可以校准,从而将误差降低至 3300ppm + 50ppm • √(t/1000 小时)。
ADI公司提供广泛的基准电压源产品,包括串联和分流基准电压源——采用齐纳二极管、带隙和其他方案。基准电压源有多种性能和温度等级,以及几乎所有可能的封装类型。
实际电源范围是什么?最大预期电源电压是多少?是否存在基准电压源 IC 必须承受的故障情况,例如电池电源切断或热插拔感应电源尖峰等?这可能会显著减少可选择的基准电压源数量。
基准电压源的功耗可能是多少?基准电压源往往分为几类:大于 1mA,~500μA,<300μA,<50μA,<10μA,<1μA。
负载电流有多大?负载是否会消耗大量电流或产生基准电压源必须吸收的电流?很多基准电压源只能为负载提供很小电流,很少基准电压源能够吸收大量电流。负载调整率规格可以有效说明这个问题。
安装空间有多少?基准电压源的封装多种多样,包括金属帽壳、塑料封装 (DIP、SOIC、SOT) 和非常小的封装,例如采用 2mm x 2mm DFN 的 LT6660。人们普遍认为,较大封装的基准电压源因机械应力引起的误差要小于较小封装的基准电压源。虽然确有某些基准电压源在使用较大封装时性能更好,但有证据表明,性能差异与封装大小没有直接关系。更有可能的是,由于采用较小封装的产品使用的芯片较小,所以必须对性能进行某种取舍以适应芯片上的电路。通常,封装的安装方法对性能的影响比实际封装还要大,密切注意安装方法和位置可以最大限度地提高性能。此外,当 PCB 弯曲时,占位面积较小的器件相比占位面积较大的器件,应力可能更小。详细讨论参见ADI公司应用笔记 AN82“理解和应用基准电压源”。
结论
ADI公司提供广泛的基准电压源产品,包括串联和分流基准电压源,设计方案有齐纳二极管、带隙和其他类型。基准电压源有多种性能和温度等级,以及几乎所有已知的封装类型。从最高精度产品到小型廉价产品,应有尽有。凭借庞大的基准电压源产品库,ADI公司的基准电压源可满足几乎所有应用的需求。
史海拾趣
|
想请问哈如果要在80C186上使用VxWORKS开发的话是使用VxWORKS FOR PENTIUM开发吗?另外就是在网上找了不少时间但是没找到80C186的BSP,不晓得是没有还是不支持!如果哪位知道也请你发个链接哈!谢谢了!… 查看全部问答> |
|
我下一步有可能做手机开发,想拖大家帮忙推荐款适合的手机。谢谢。 我明年毕业,现在在单位实习,主要做Oracle、MSSQL、.NET相关,我计划明年3到5月份之间买部新手机。考虑到将来可能自学手机开发,比如J2ME、Symbian和VC等等,所以我想问一下大家,什么牌子的哪款手机操作系统和处理器都更适合程序员 ...… 查看全部问答> |
|
大家好,小弟现在调试的串口程序进行简单的收发数据没有什么问题,比如我发送“A”,以ASCII码显示的话在串口另一端可以收到“A”, 问题在于此时发送的A对应的十六进制数是41 00,我希望发送的“A”是十六进制数41,感觉把数据类型改为 ...… 查看全部问答> |
|
感觉编译莫名其秒,警告也看不懂,来请教过来,先申明软件安装和编译安装没问题,已用另个一个程序证实了,今天在ST官网上下了标准STM8各个模块标准文件,建了工程就是编译有问题。提示如下图: 1.JPG (188.79 KB) 下载 ...… 查看全部问答> |
|
用单片机和传感器,工件在自动线皮带机上单方向传送,当工件通过检测区时,由传感器检测到工件并进行计数,计数通过5位数码显示管显示器即刻器显示,计数范围为0~10000,当传送带上每通过100个工件,即计数器值为100的整数倍时,讯响 ...… 查看全部问答> |
|
上海阜昂电子科技有限公司是一家为客户提供优质性价比电源解决方案的全方位服务的公司。拥有开关电源、模块电源、整机电源、三大类。 具有研发、生产、销售、市场调研的综合实力,以制造为根本,积极推进符合时代和世界潮流的商品的开发、制造和 ...… 查看全部问答> |




