历史上的今天
今天是:2025年08月21日(星期四)
2019年08月21日 | STM32F103输出可变频率的PWM信号
2019-08-21 来源:eefocus
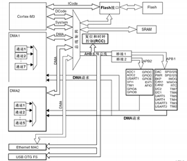
关于TIM4的使用我们首先必须要了解到一点,TIM4是什么?对于STM32内核来说,它是属于片上外设。内核如何使用片上外设?当然要通过内部的总线结构。以STM32F103为例,其内部总线结构如下两幅图所示:

通过这内部总线结构图我们知道,我们所想配置并使用的TIM4是挂载在内部中线APB1上的,所以我们知道我们要使用的库函数必然是和APB1总线相关的。期中与之相关的库函数包括:
RCC_APB1PeriphClockCmd()、RCC_APB1PeriphResetCmd()
其中RCC_APB1PeriphClockCmd()是用于使能或者失能 APB1 外设时钟的库函数,RCC_APB1PeriphResetCmd()是用于强制或者释放高速 APB(APB2)外设复位的函数,那么显然我们需要用到库函数RCC_APB1PeriphClockCmd()来使能挂载在APB1总线上的片上外设TIM4,然后我们才能使用这个片上外设。
在具体的使用前我们还需要对外设进行相应的配置,就是设置与之相对应的寄存器。但好在库函数已经对这些操作进行了封装,封装了相应的数据结构,利用这些抽象起来的数据结构,我们可以对这些寄存进行整体的设置。所以我们需要定义处相应的数据类型的数据。
TIM_TimeBaseInitTypeDef类型的数据就是官方函数库给出的用于配置TIMx的一种数据类型。定义好了以后,我们就需要利用相应的初始化函数来对TIMx进行相应的初始化操作,也就是调用TIM_TimeBaseInit()函数,并将设置好了数据的TIM_TimeBaseInitTypeDef类型的数据作为参数传入。
因为我们需要的是利用TIM4向外部输出PWM信号,就是片内外设需要向片外传送信号,所以我们需要通过相应的引脚才能达到我们的目的。既然如此我们就必须要配置使能合适的引脚。还有一点就是前面我们选择的是TIM4来作为PWM信号源,也就是使用TIM4的复用功能,查阅官方资料,我们不难了解TIM4的复用功能被映射到了GPIOB(也就是PB),然后我们继续查看TIM4的重映射表,选择我们所想要的IO口,这里我们选择PB8,那么我们同时就知道了相应的TIM4需要使用的相应通道为TIM4_CH3(通道三),TIM4_REMAP 需要设置为0。
以上的描述具体到代码上,我们还需要定义TIM_OCInit_Structure类型的数据来配置TIM4的PWM的具体参数,以及使用TIM_OC3Init()来完成TIM4的PWM的初始配置。当然也不能忘记定义GPIO_InitTypeDef类型的数据和使用GPIO_Init()来配置相应的IO口。
最后总结出我们在代码层所需要做的事情如下:
1、定义GPIO_InitTypeDef类型、TIM_TimeBaseInitTypeDef类型、TIM_OCInitTypeDef的数据,并进行设置具体参数。
2、RCC_APB1PeriphClockCmd()和CC_APB2PeriphClockCmd()使能IO口和定时器
3、调用GPIO_Init()、TIM_TimeBaseInit()、TIM_OC3Init()将我们在前面所设置的数据写入真实的内部寄存器。
4、调用TIM_OC3PreloadConfig()来配置TIM4的输出通道为通道三。
5、最后调用TIM_Cmd()来开启我们的定时器。
那么通过以上的步骤我们就能完成相应的基本配置,使得PB8能够输出TIM4产生一个固定占空比的脉冲信号。
要实现产生占空比可调的信号,我们可以将以上的操作进行封装,封装成一个函数:void Timer4_Init(u16 Period)。Period作为外部参数传入,然后内部设置TIM4的TIM_Period 时,通“TIM_TimeBaseInit_Structure.TIM_Period= Period;”的方式进行。那么我们只需要在合适的时候调用这个函数,并传入需要的合适值,便能够达到我们所想要的效果了。
史海拾趣
|
目录 第一篇 PWM开关变换器的基本原理………………………………………………1 第一章 开关变换器概论………………………………………………………………1 第一节 什么是开关变换器和开关电源………………………………………………1 第二节 DC-D ...… 查看全部问答> |
|
有没有谁做嵌入式开发的,大虾给俺指导一下?谁有WIN CE的模拟器? 我现在准备开发WIN CE5.0应用程序,现在按照网上指导的方法VS2005不能与目标机相联(目标机是WIN CE5.0系统),从开发机上拷的那5个文件不能在目标机器上运行,执行后报如下错误提示: \'ConmanClient2\'is not a valid Windows CE application ...… 查看全部问答> |
|
PB5.0升级2008全年升级包后 定制内核 生成的NK.nb0无法运行 第一步:把PB5.0升级2008全年升级包,在优龙2410开发板资料提供的ARMSYS2410.pbxml基础上把.net compact framework 2.0 add to OS,编译通过,生成的NK.nb0(大小为29M),在DNW下可以通过USB下载到开发板,下载地址为0X30200000,下载后选择Y运行, ...… 查看全部问答> |
|
现有一个软件需求如题所述,现在的做法是在TOUCH PANEL驱动层加上一些代码,也就是说把传给GWES的值复制一份保留下来.这样的做法缺陷很大,如果一旦在动作序列里有一个动作没有被有效的执行,那本次模拟的所有操作就会被认为无效.大家有没有其它的办法 ...… 查看全部问答> |
|
用vc生成一个dll文件(Phone.dll),并把它拷贝到pda的根目录下(该目录下有一个用EVC生成的导入dll的EXE文件),希望在pda中导入dll,相关代码如下: HINSTANCE ghPhoneDLL=NULL; ...… 查看全部问答> |
|
之前用 iar习惯了。。发现stm32的iar设置很麻烦。。看了一会还是不大懂。想买款使用IAR库函数的stm32开发板。求推荐。谢谢… 查看全部问答> |
|
欢迎来到电源设计小贴士!随着现在对更高效、更低成本电源解决方案需求的强调,我们创建了该专栏,就各种电源管理课题提出一些对您有帮助的小技巧。该专栏面向各级设计工程师。无论您是从事电源业务多年还是刚刚步入电源领域,您都可以在这里找到 ...… 查看全部问答> |




