历史上的今天
今天是:2024年09月19日(星期四)
2019年09月19日 | 第27章 LTDC/DMA2D—液晶显示—零死角玩转STM32-F429系列
2019-09-19 来源:eefocus
本章参考资料:《STM32F4xx 中文参考手册2》、《STM32F4xx规格书》、库帮助文档《stm32f4xx_dsp_stdperiph_lib_um.chm》。
关于开发板配套的液晶屏参数可查阅《5.0寸液晶屏数据手册》配套资料获知。
27.1 显示器简介
显示器属于计算机的I/O设备,即输入输出设备。它是一种将特定电子信息输出到屏幕上再反射到人眼的显示工具。常见的有CRT显示器、液晶显示器、LED点阵显示器及OLED显示器。
27.1.1 液晶显示器
液晶显示器,简称LCD(Liquid Crystal Display),相对于上一代CRT显示器(阴极射线管显示器),LCD显示器具有功耗低、体积小、承载的信息量大及不伤眼的优点,因而它成为了现在的主流电子显示设备,其中包括电视、电脑显示器、手机屏幕及各种嵌入式设备的显示器。图 271是液晶电视与CRT电视的外观对比,很明显液晶电视更薄,"时尚"是液晶电视给人的第一印象,而CRT 电视则感觉很"笨重"。

图 271 液晶电视及CRT电视
液晶是一种介于固体和液体之间的特殊物质,它是一种有机化合物,常态下呈液态,但是它的分子排列却和固体晶体一样非常规则,因此取名液晶。如果给液晶施加电场,会改变它的分子排列,从而改变光线的传播方向,配合偏振光片,它就具有控制光线透过率的作用,再配合彩色滤光片,改变加给液晶电压大小,就能改变某一颜色透光量的多少,图 272中的就是绿色显示结构。利用这种原理,做出可控红、绿、蓝光输出强度的显示结构,把三种显示结构组成一个显示单位,通过控制红绿蓝的强度,可以使该单位混合输出不同的色彩,这样的一个显示单位被称为像素。

图 272 液晶屏的绿色显示结构
注意液晶本身是不发光的,所以需要有一个背光灯提供光源,光线经过一系列处理过程才到输出,所以输出的光线强度是要比光源的强度低很多的,比较浪费能源(当然,比CRT显示器还是节能多了)。而且这些处理过程会导致显示方向比较窄,也就是它的视角较小,从侧面看屏幕会看不清它的显示内容。另外,输出的色彩变换时,液晶分子转动也需要消耗一定的时间,导致屏幕的响应速度低。
27.1.2 LED和OLED显示器
LED点阵显示器不存在以上液晶显示器的问题,LED点阵彩色显示器的单个像素点内包含红绿蓝三色LED灯,显示原理类似我们实验板上的LED彩灯,通过控制红绿蓝颜色的强度进行混色,实现全彩颜色输出,多个像素点构成一个屏幕。由于每个像素点都是LED灯自发光的,所以在户外白天也显示得非常清晰,但由于LED灯体积较大,导致屏幕的像素密度低,所以它一般只适合用于广场上的巨型显示器。相对来说,单色的LED点阵显示器应用得更广泛,如公交车上的信息展示牌、店招等,见图 273。

图 273 LED点阵彩屏有LED单色显示屏
新一代的OLED显示器与LED点阵彩色显示器的原理类似,但由于它采用的像素单元是"有机发光二极管"(Organic Light Emitting Diode),所以像素密度比普通LED点阵显示器高得多,见图 275。

图 274 OLED像素结构
OLED显示器不需要背光源、对比度高、轻薄、视角广及响应速度快等优点。待到生产工艺更加成熟时,必将取代现在液晶显示器的地位,见图 275。

图 275 采用OLED屏幕的电视及智能手表
27.1.3 显示器的基本参数
不管是哪一种显示器,都有一定的参数用于描述它们的特性,各个参数介绍如下:
(1) 像素
像素是组成图像的最基本单元要素,显示器的像素指它成像最小的点,即前面讲解液晶原理中提到的一个显示单元。
(1) 分辨率
一些嵌入式设备的显示器常常以"行像素值x列像素值"表示屏幕的分辨率。如分辨率800x480表示该显示器的每一行有800个像素点,每一列有480个像素点,也可理解为有800列,480行。
(2) 色彩深度
色彩深度指显示器的每个像素点能表示多少种颜色,一般用"位"(bit)来表示。如单色屏的每个像素点能表示亮或灭两种状态(即实际上能显示2种颜色),用1个数据位就可以表示像素点的所有状态,所以它的色彩深度为1bit,其它常见的显示屏色深为16bit、24bit。
(3) 显示器尺寸
显示器的大小一般以英寸表示,如5英寸、21英寸、24英寸等,这个长度是指屏幕对角线的长度,通过显示器的对角线长度及长宽比可确定显示器的实际长宽尺寸。
(4) 点距
点距指两个相邻像素点之间的距离,它会影响画质的细腻度及观看距离,相同尺寸的屏幕,若分辨率越高,则点距越小,画质越细腻。如现在有些手机的屏幕分辨率比电脑显示器的还大,这是手机屏幕点距小的原因;LED点阵显示屏的点距一般都比较大,所以适合远距离观看。
27.2 液晶控制原理
图 276是两种适合于STM32芯片使用的显示屏,我们以它为例讲解控制液晶屏的原理。

图 276适合STM32控制的显示屏实物图
这个完整的显示屏由液晶显示面板、电容触摸面板以及PCB底板构成。图中的触摸面板带有触摸控制芯片,该芯片处理触摸信号并通过引出的信号线与外部器件通讯面板中间是透明的,它贴在液晶面板上面,一起构成屏幕的主体,触摸面板与液晶面板引出的排线连接到PCB底板上,根据实际需要,PCB底板上可能会带有"液晶控制器芯片"。因为控制液晶面板需要比较多的资源,所以大部分低级微控制器都不能直接控制液晶面板,需要额外配套一个专用液晶控制器来处理显示过程,外部微控制器只要把它希望显示的数据直接交给液晶控制器即可。而不带液晶控制器的PCB底板,只有小部分的电源管理电路,液晶面板的信号线与外部微控制器相连,直接控制。STM32F429系列的芯片不需要额外的液晶控制器,也就是说它把专用液晶控制器的功能集成到STM32F429芯片内部了,节约了额外的控制器成本。
27.2.1 液晶面板的控制信号
本章我们主要讲解控制液晶面板(不带控制器),液晶面板的控制信号线见表 271。
表 271 液晶面板的信号线

(1) RGB信号线
RGB信号线各有8根,分别用于表示液晶屏一个像素点的红、绿、蓝颜色分量。使用红绿蓝颜色分量来表示颜色是一种通用的做法,打开Windows系统自带的画板调色工具,可看到颜色的红绿蓝分量值,见图 277。常见的颜色表示会在"RGB"后面附带各个颜色分量值的数据位数,如RGB565表示红绿蓝的数据线数分别为5、6、5根,一共为16个数据位,可表示216种颜色;而这个液晶屏的种颜色分量的数据线都有8根,所以它支持RGB888格式,一共24位数据线,可表示的颜色为224种。

图 277 颜色表示法
(2) 同步时钟信号CLK
液晶屏与外部使用同步通讯方式,以CLK信号作为同步时钟,在同步时钟的驱动下,每个时钟传输一个像素点数据。
(3) 水平同步信号HSYNC
水平同步信号HSYNC(Horizontal Sync)用于表示液晶屏一行像素数据的传输结束,每传输完成液晶屏的一行像素数据时,HSYNC会发生电平跳变,如分辨率为800x480的显示屏(800列,480行),传输一帧的图像HSYNC的电平会跳变480次。
(4) 垂直同步信号VSYNC
垂直同步信号VSYNC(Vertical Sync)用于表示液晶屏一帧像素数据的传输结束,每传输完成一帧像素数据时,VSYNC会发生电平跳变。其中"帧"是图像的单位,一幅图像称为一帧,在液晶屏中,一帧指一个完整屏液晶像素点。人们常常用"帧/秒"来表示液晶屏的刷新特性,即液晶屏每秒可以显示多少帧图像,如液晶屏以60帧/秒的速率运行时,VSYNC每秒钟电平会跳变60次。
(5) 数据使能信号DE
数据使能信号DE(Data Enable)用于表示数据的有效性,当DE信号线为高电平时,RGB信号线表示的数据有效。
27.2.2 液晶数据传输时序
通过上述信号线向液晶屏传输像素数据时,各信号线的时序见图 278。图中表示的是向液晶屏传输一帧图像数据的时序,中间省略了多行及多个像素点。

图 278 液晶时序图
液晶屏显示的图像可看作一个矩形,结合图 279来理解。液晶屏有一个显示指针,它指向将要显示的像素。显示指针的扫描方向方向从左到右、从上到下,一个像素点一个像素点地描绘图形。这些像素点的数据通过RGB数据线传输至液晶屏,它们在同步时钟CLK的驱动下一个一个地传输到液晶屏中,交给显示指针,传输完成一行时,水平同步信号HSYNC电平跳变一次,而传输完一帧时VSYNC电平跳变一次。

图 279 液晶数据传输图解
但是,液晶显示指针在行与行之间,帧与帧之间切换时需要延时,而且HSYNC及VSYNC信号本身也有宽度,这些时间参数说明见表 272。
表 272 液晶通讯中的时间参数

在这些时间参数控制的区域,数据使能信号线"DE"都为低电平,RGB数据线的信号无效,当"DE"为高电平时,表示的数据有效,传输的数据会直接影响液晶屏的显示区域。
27.2.3 显存
液晶屏中的每个像素点都是数据,在实际应用中需要把每个像素点的数据缓存起来,再传输给液晶屏,这种存储显示数据的存储器被称为显存。显存一般至少要能存储液晶屏的一帧显示数据,如分辨率为800x480的液晶屏,使用RGB888格式显示,它的一帧显示数据大小为:3x800x480=1152000字节;若使用RGB565格式显示,一帧显示数据大小为:2x800x480=768000字节。
27.3 LTDC液晶控制器简介
STM32F429系列芯片内部自带一个LTDC液晶控制器,使用SDRAM的部分空间作为显存,可直接控制液晶面板,无需额外增加液晶控制器芯片。STM32的LTDC液晶控制器最高支持800x600分辨率的屏幕;可支持多种颜色格式,包括RGB888、RGB565、ARGB8888和ARGB1555等(其中的"A"是指透明像素);支持2层显示数据混合,利用这个特性,可高效地做出背景和前景分离的显示效果,如以视频为背景,在前景显示弹幕。
27.3.1 图像数据混合
LTDC外设支持2层数据混合,混合前使用2层数据源,分别为前景层和背景层,见图 2710。在输出时,实际上液晶屏只能显示一层图像,所以LTDC在输出数据到液晶屏前需要把2层图像混合成一层,跟Photoshop软件的分层合成图片过程类似。混合时,直接用前景层中的不透明像素替换相同位置的背景像素;而前景层中透明像素的位置,则使用背景的像素数据,即显示背景层的像素。

图 2710 图像的分层与混合
如果想使用图像混合功能,前景层必须使用包含透明的像素格式,如ARGB1555或ARGB8888。其中ARGB1555使用1个数据位表示透明元素,它只能表示像素是透明或不透明,当最高位(即"A"位)为1时,表示这是一个不透明的像素,具体颜色值为RGB位表示的颜色,而当最高位为0时,表示这是一个完全透明的像素,RGB位的数据无效;而ARGB8888的像素格式使用8个数据位表示透明元素,它使用高8位表示"透明度"(即代表"A"的8个数据位),若A的值为"0xFF",则表示这个像素完全不透明,若A的值为"0x00"则表示这个像素完全透明,介于它们之间的值表示其RGB颜色不同程度的透明度,即混合后背景像素根据这个值按比例来表示。
注意液晶屏本身是没有透明度概念的,如24位液晶屏的像素数据格式是RGB888,RGB颜色各有对应的8根数据线,不存在用于表示透明度的数据线,所以实际上ARGB只是针对内部分层数据处理的格式,最终经过混合运算得出直接颜色数据RGB888才能交给液晶屏显示。
27.3.2 LTDC结构框图剖析
图 2711是LTDC控制器的结构框图,它主要包含信号线、图像处理单元、寄存器及时钟信号。

图 2711 LTDC控制器框图
1. LTDC信号线
LTDC的控制信号线与液晶显示面板的数据线一一对应,包含有HSYNC、VSYNC、DE、CLK及RGB数据线各8根。设计硬件时把液晶面板与STM32对应的这些引脚连接起来即可,查阅《STM32F4xx规格书》可知LTDC信号线对应的引脚,见表 273。
表 273 LTDC引脚表

2. 图像处理单元
LTDC框图标号表示的是图像处理单元,它通过"AHB接口"获取显存中的数据,然后按分层把数据分别发送到两个"层FIFO"缓存,每个FIFO可缓存64x32位的数据,接着从缓存中获取数据交给"PFC"(像素格式转换器),它把数据从像素格式转换成字(ARGB8888)的格式,再经过"混合单元"把两层数据合并起来,最终混合得到的是单层要显示的数据,通过信号线输出到液晶面板。这部分结构与DMA2D的很类似,我们在下一小节详细讲解。
在输出前混合单元的数据还经过一个"抖动单元",它的作用是当像素数据格式的色深大于液晶面板实际色深时,对像素数据颜色进行舍入操作,如向18位显示器上显示24位数据时,抖动单元把像素数据的低6位与阈值比较,若大于阈值,则向数据的第7位进1,否则直接舍掉低6位。
3. 配置和状态寄存器
框图中标号表示的是LTDC的控制逻辑,它包含了LTDC的各种配置和状态寄存器。如配置与液晶面板通讯时信号线的有效电平、各种时间参数、有效数据宽度、像素格式及显存址等等,LTDC外设根据这些配置控制数据输出,使用AHB接口从显存地址中搬运数据到液晶面板。还有一系列用于指示当前显示状态和位置的状态寄存器,通过读取这些寄存器可以了解LTDC的工作状态。
4. 时钟信号
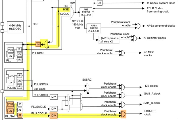
LTDC外设使用3种时钟信号,包括AHB时钟、APB2时钟及像素时钟LCD_CLK。AHB时钟用于驱动数据从存储器存储到FIFO,APB2时钟用于驱动LTDC的寄存器。而LCD_CLK用于生成与液晶面板通讯的同步时钟,见图 2712,它的来源是HSE(高速外部晶振),经过"/M"分频因子分频输出到"PLLSAI"分频器,信号由"PLLSAI"中的倍频因子N倍频得到"PLLSAIN"时钟、然后由"/R"因子分频得到"PLLCDCLK"时钟,再经过"DIV"因子得到"LCD-TFT clock","LCD-TFT clock"即通讯中的同步时钟LCD_CLK,它使用LCD_CLK引脚输出。

图 2712 LCD_CLK时钟来源
27.4 DMA2D图形加速器简介
在实际使用LTDC控制器控制液晶屏时,使LTDC正常工作后,往配置好的显存地址写入要显示的像素数据,LTDC就会把这些数据从显存搬运到液晶面板进行显示,而显示数据的容量非常大,所以我们希望能用DMA来操作,针对这个需求,STM32专门定制了DMA2D外设,它可用于快速绘制矩形、直线、分层数据混合、数据复制以及进行图像数据格式转换,可以把它理解为图形专用的DMA。
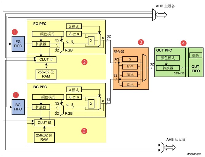
27.4.1 DMA2D结构框图剖析
图 2713是DMA2D的结构框图,它与前面LTDC结构里的图像处理单元很类似,主要为分层FIFO、PFC及彩色混合器。

图 2713 DMA2D结构框图
1. FG FIFO与BG FIFO
FG FIFO(Foreground FIFO)与BG FIFO(Backgroun FIFO)是两个64x32位大小的缓冲区,它们用于缓存从AHB总线获取的像素数据,分别专用于缓冲前景层和背景层的数据源。
AHB总线的数据源一般是SDRAM,也就是说在LTDC外设中配置的前景层及背景层数据源地址一般指向SDRAM的存储空间,使用SDRAM的部分空间作为显存。
2. FG PFC与BG PFC
FG PFC(FG Pixel Format Convertor)与BG PFC(BG Pixel Format Convertor)是两个像素格式转换器,分别用于前景层和背景层的像素格式转换,不管从FIFO的数据源格式如何,都把它转化成字的格式(即32位),ARGB8888。
图中的"ɑ"表示Alpha,即透明度,经过PFC,透明度会被扩展成8位的格式。
图中的"CLUT"表示颜色查找表(Color Lookup Table),颜色查找表是一种间接的颜色表示方式,它使用一个256x32位的空间缓存256种颜色,颜色的格式是ARGB8888或RGB888。见图 2714,利用颜色查找表,实际的图像只使用这256种颜色,而图像的每个像素使用8位的数据来表示,该数据并不是直接的RGB颜色数据,而是指向颜色查找表的地址偏移,即表示这个像素点应该显示颜色查找表中的哪一种颜色。在图像大小不变的情况下,利用颜色查找表可以扩展颜色显示的能力,其特点是用8位的数据表示了一个24或32位的颜色,但整个图像颜色的种类局限于颜色表中的256种。DMA2D的颜色查找表可以由CPU自动加载或编程手动加载。

图 2714 使用颜色查找表显示图像的过程
3. 混合器
FIFO中的数据源经过PFC像素格式转换器后,前景层和背景层的图像都输入到混合器中运算,运算公式见图 2715。

图 2715 混合公式
从公式可以了解到混合器的运算主要是使用前景和背景的透明度作为因子,对像素RGB颜色值进行加权运算。经过混合器后,两层数据合成为一层ARGB8888格式的图像。
4. OUT PFC
OUT PFC是输出像素格式转换器,它把混合器转换得到的图像转换成目标格式,如ARGB8888、RGB888、RGB565、ARGB1555或ARGB4444,具体的格式可根据需要在输出PFC控制寄存器DMA2D_OPFCCR中选择。
STM32F429芯片使用LTDC、DMA2D及RAM存储器,构成了一个完整的液晶控制器。LTDC负责不断刷新液晶屏,DMA2D用于图像数据搬运、混合及格式转换,RAM存储器作为显存。其中显存可以使用STM32芯片内部的SRAM或外扩SDRAM/SRAM,只要容量足够大即可(至少要能存储一帧图像数据)。
27.5 LTDC初始化结构体
控制LTDC涉及到非常多的寄存器,利用LTDC初始化结构体可以减轻开发和维护的工作量,LTDC初始化结构体见代码清单 241。
代码清单 271 LTDC初始化结构体LTDC_InitTypeDef
1 /**
2 * @brief LTDC Init structure definition
3 */
4 typedef struct
5 {
6 uint32_t LTDC_HSPolarity; /*配置行同步信号HSYNC的极性 */
7 uint32_t LTDC_VSPolarity; /*配置垂直同步信号VSYNC的极性 */
8 uint32_t LTDC_DEPolarity; /*配置数据使能信号DE的极性*/
9 uint32_t LTDC_PCPolarity; /*配置像素时钟信号CLK的极性 */
10 uint32_t LTDC_HorizontalSync; /*配置行同步信号HSYNC的宽度(HSW-1) */
11 uint32_t LTDC_VerticalSync; /*配置垂直同步信号VSYNC的宽度(VSW-1) */
12 uint32_t LTDC_AccumulatedHBP; /*配置(HSW+HBP-1)的值*/
13 uint32_t LTDC_AccumulatedVBP; /*配置(VSW+VBP-1)的值*/
14 uint32_t LTDC_AccumulatedActiveW; /*配置(HSW+HBP+有效宽度-1)的值*/
15 uint32_t LTDC_AccumulatedActiveH; /*配置(VSW+VBP+有效高度-1)的值*/
16 uint32_t LTDC_TotalWidth; /*配置(HSW+HBP+有效宽度+HFP-1)的值*/
17 uint32_t LTDC_TotalHeigh; /*配置(VSW+VBP+有效高度+VFP-1)的值*/
18 uint32_t LTDC_BackgroundRedValue; /*配置背景的红色值*/
19 uint32_t LTDC_BackgroundGreenValue; /*配置背景的绿色值*/
20 uint32_t LTDC_BackgroundBlueValue; /*配置背景的蓝色值*/
21 } LTDC_InitTypeDef;
这个结构体大部分成员都是用于定义LTDC的时序参数的,包括信号有效电平及各种时间参数的宽度,配合"液晶数据传输时序"中的说明更易理解。各个成员介绍如下,括号中的是STM32标准库定义的宏:
(1) LTDC_HSPolarity
本成员用于设置行同步信号HSYNC的极性,即HSYNC有效时的电平,该成员的值可设置为高电平(LTDC_HSPolarity_AH)或低电平(LTDC_HSPolarity_AL)。
(2) LTDC_VSPolarity
本成员用于设置垂直同步信号VSYNC的极性,可设置为高电平(LTDC_VSPolarity_AH)或低电平(LTDC_VSPolarity_AL)。
(3) LTDC_DEPolarity
本成员用于设置数据使能信号DE的极性,可设置为高电平(LTDC_DEPolarity_AH)或低电平(LTDC_DEPolarity_AL)。
(4) LTDC_PCPolarity
本成员用于设置像素时钟信号CLK的极性,可设置为上升沿(LTDC_DEPolarity_AH)或下降沿(LTDC_DEPolarity_AL),表示RGB数据信号在CLK的哪个时刻被采集。
(5) LTDC_HorizontalSync
本成员设置行同步信号HSYNC的宽度HSW,它以像素时钟CLK的周期为单位,实际写入该参数时应写入(HSW-1),参数范围为0x000- 0xFFF。
(6) LTDC_VerticalSync
本成员设置垂直同步信号VSYNC的宽度VSW,它以"行"为位,实际写入该参数时应写入(VSW-1) ,参数范围为0x000- 0x7FF。
(7) LTDC_AccumulatedHBP
本成员用于配置"水平同步像素HSW"加"水平后沿像素HBP"的累加值,实际写入该参数时应写入(HSW+HBP-1) ,参数范围为0x000- 0xFFF。
(8) LTDC_AccumulatedVBP
本成员用于配置"垂直同步行VSW"加"垂直后沿行VBP"的累加值,实际写入该参数时应写入(VSW+VBP-1) ,参数范围为0x000- 0x7FF。
(9) LTDC_AccumulatedActiveW
本成员用于配置"水平同步像素HSW"加"水平后沿像素HBP"加"有效像素"的累加值,实际写入该参数时应写入(HSW+HBP+有效宽度-1) ,参数范围为0x000- 0xFFF。
史海拾趣
|
这几天在弄UCOS ii的程序,是基于IAR软件的。其中有个地方不是很明白,在程序的开始,堆栈好各堆栈后进入的系统模式(sys),也就是说任务在系统模式下运行。但中断(irq)来了后进入IRQ模式执行中断的汇编代码(os_cpu_a.asm),可是在刚进入IRQ后就切 ...… 查看全部问答> |
|
音视频播放软件:支持MPEG-1/2、4,H.264 263,MP4、WMA、DIVX、XVID/MP3等流行格式 视频在6410 播放流畅 联系方式: hpccn@163.com MSN: hpccn@163.com… 查看全部问答> |
|
选择仿真器并测试,出错: 测试结果如下: [Start] Execute the command: %ccs_base%/common/uscif/dbgjtag -f %boarddatafile% -rv -o -F inform,logfile=yes -S pathlength -S integrity [Result] -----[Print the board config pathname ...… 查看全部问答> |
|
本帖最后由 paulhyde 于 2014-9-15 02:58 编辑 可能大家比较关心方案,我是用一个DA控制一个恒流源,DA是利用单片机控制产生一个正弦波从而控制电流源呈正弦变化。铜板一共四个角顺时针依次为1.2.3.4,把1和2连接,3和4连接,然后交流的电流源从2 ...… 查看全部问答> |
|
作者:Chris Cockrill 德州仪器如今,现代设计公司不仅正在努力寻找功耗更低的更小型器件,同时他们还希望为工业自动化、PC、服务器以及电信设备等应用降低成本。实现这些目标的绊脚石是:设计人员使用运行在单一电压下的处理器,其需要 ...… 查看全部问答> |
|
全新未拆封 MSP430 开发板 MSP-EXP430G2 LaunchPad 带触摸板 本帖最后由 nwcheroes 于 2014-7-21 23:48 编辑 全新未拆封 MSP430 开发板 MSP-EXP430G2 LaunchPad 带触摸板 50不包邮,淘宝交易 http://item.taobao.com/item.htm?id=40208386645 … 查看全部问答> |
|
最近看了几张电路图,发现芯片或者模块电路的COM端,有些COM端会一起接到GND, 还有一次见到RS232中的一个GND标注成 COM。我不是专业学电路的,不太清楚这个COM和GND有啥区别。一般来说,一个复杂系统各个模块应该都会共地,COM端都共地的话,为什么 ...… 查看全部问答> |




