历史上的今天
今天是:2024年10月11日(星期五)
2019年10月11日 | RFID复习笔记(4)——RFID的射频前端
2019-10-11 来源:eefocus
1 耦合方式
RFID工作在低频和高频时,基于电感耦合方式;
在更高频段时,基于电磁反向散射耦合方式。
电感耦合方式的基础是电感电容谐振回路和电感线圈产生的交变磁场。
反向散射耦合方式的理论基础是电磁波传播和反射的形成,用于微波电子标签。
这两种耦合方式的差异在于所使用的无线电射频的频率不同和作用距离的远近。
2 谐振方式

在读写器中,由于串联谐振回路电路简单、成本低,激励可采用低内阻的恒压源,谐振时可获得最大的回路电流等特点,因而被广泛采用
无源电子标签的天线电路多采用并联谐振回路。从后面并联谐振回路的性能分析中可以知道,并联谐振称为电流谐振,在谐振时,电感和电容支路中电流最大,即谐振回路两端可获得最大电压,这对无源电子标签的能量获取是必要的
2.1 最大磁感应强度位置

如图所示,根据第三章中天线的知识,可以知道在
时,得到的磁感应强度是最大的。
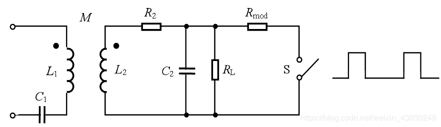
2.2 负载调制
负载调制可分为电阻负载调制和电容负载调制
2.2.1 电阻负载调制
电阻负载调制的原理电路如图所示,开关S用于控制负载调制电阻Rmod的接入与否,开关S的通断由二进制数据编码信号控制。

即次级回路由于Rmod的接入,负载加重,Q值降低,谐振回路两端电压下降,导致L1电感两端电压增大,电感线圈两端电压的变化表现为幅度调制。
电子标签的二进制数据编码信号通过电阻负载调制方法传送到了读写器,电阻负载调制过程是一个调幅过程
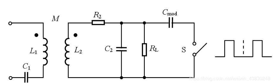
2.2.2 电容负载调制
电容负载调制是用附加的电容器Cmod代替调制电阻Rmod。其中,R2是电感线圈L2的损耗电阻

分析次级和初级等效回路的端电压可知:电容Cmod的接入使电子标签边的谐振回路失谐,因而电感线圈L2两端的电压下降,电感线圈L1两端的电压增加。
电容负载调制时,数据信息的传输过程基本同电阻负载调制,只是读写器线圈两端电压会产生相位调制的影响,但该相位调制只要能保持在很小的情况下,就不会对数据的正确传输产生影响。
所以电容负载调制也是一种幅度调制,但是会有相位的变化
3 混频器

混频器的符号和功能如图4-60所示。
图4-60(a)是上变频的工作状况,两个输入端分别称为本振端(LO)和中频端(IF),输出端称为射频端(RF)。
图4-60(b)是下变频的工作状况,两个输入端分别称为本振端(LO)和射频端(RF),输出端称为中频端(IF)
4 低通滤波器原型
巴特沃斯低通滤波器
切比雪夫低通滤波器
椭圆函数低通滤波器
线性相位低通滤波器
史海拾趣
|
希望高手们帮帮忙先谢谢了!要求如下: 1 能够完成一个人反应速度的测试工作,并将结果显示在LED数字显示屏上。 2 程序开始时亮黄灯进入准备状态,被测试者按一次按钮则黄灯灭,开始进行测试。 3 每一个测试完成 ...… 查看全部问答> |
|
最近写了个程序,用的是内存映射,在WinCE5.0中运行蛮顺畅的,速度也挺快,但是到了WinCE6.0中好像变慢了。 听前人说5.0的内存映射交换区会到1G的时候再去交换,而6.0的交换区到了1M就要交换了,交换频繁了所以相关处理也变慢了。 听说6.0的1M交 ...… 查看全部问答> |
|
System.Net.WebRequest request = WebRequest.Create(\"http://xxx.xxx/prog1.exe\"); request.Credentials = CredentialCache.Defa ...… 查看全部问答> |
|
各位大哥,在win ce上如何做GPS导航软件的开发啊? 公司现在要做一个车载的GPS导航产品,已经决定用WIN CE了,我负责做导航软件这一块,想问下大家都要做些什么东西? 要做一个导航软件要经过哪几步?我们之前是在UC OS上做的,熟悉NEMA协议。 ...… 查看全部问答> |
|
这段时间编写51的控制板程序,两个大牛技术指导对51中断嵌套问题的看法不一样,后来亲自验证了一下,得到了一下的一些结论,发上来大家参考,表达不清的地方还望理解,呵呵。 51单片机的中断可嵌套,但至多支持二级嵌 ...… 查看全部问答> |
|
各位好:此问题已困扰很久,我用的是449的片子,要用定时器A产生200Hz的采样频率,定时器时钟才用SMCLK,为1M,下面是所有程序: #include <msp430x44x.h> void init_TimerA(void); void init_ADC12(void); char adc_Flag = 0; int n ...… 查看全部问答> |




