历史上的今天
今天是:2024年10月16日(星期三)
2019年10月16日 | 示波器测量高速信号时的注意事项
2019-10-16 来源:eefocus
随着电子技术的快速发展,通信信号频率越来越高,信号质量要求也越来越严。测量这些高速信号是不是只要选一个昂贵的示波器就行了呢?其实不然,如果一些细节没有被注意,再贵的示波器也不见得测得准!
一、带宽选择
测量高速信号,首先要考虑测试系统的带宽,这个测试系统的带宽包括探头的带宽和示波器的带宽。要测量100MHz的信号,用一个100MHz带宽的示波器是不是就可以了?一些用户可能对带宽的概念并不是很清晰。认为100MHz带宽的示波器就可以测量100MHz的信号了,其实并不是这样。带宽所指的频率是正弦波信号衰减到-3dB时的频率,而我们一般测量的数字信号都不是正选波,而是接近方波。这两者对带宽的需求是不同的。
根据傅里叶变换可知,方波可以分解为奇次倍数频率的正弦波。比如1MHz的方波,是由1MHz、3MHz、5MHz、7MHz......等正弦波叠加而成。下图为不同滤波器下方波信号的响应。分别为把滤波器设置为方波基频频率、3次谐波频谱、5次谐波频率、7次谐波频率的方波响应。

图 1 截至频率为方波频率的滤波情况

图 2 截至频率为方波3次谐波频率的滤波情况

图 3 截至频率为方波5次谐波频率的滤波情况

图 4 截至频率为方波7次谐波频率的滤波情况
可以看出想要得到较为完整的方波信息,最少需要5次谐波分量,而且如果想要获得更加准确的信息,就需要能够测量到更多的谐波分量。
所以选择示波器和探头带宽时至少要选择被测量方波信号的5次谐波频率以上的带宽。
二、探头的选择
示波器是无法直接对信号进行测量的,必须通过一个物理连接将信号传输到示波器内。这种物理连接就是探头。探头对高速信号测量来说至关重要。普通无源探头一般有1:1探头和10:1探头两种。这两种探头除了衰减比例不同外,还会对高速信号产生很大的差异。想要解释这个问题,需要现讨论一下探头的一个关键特性——负载效应。
理想情况下,我们希望我们的测量设备的阻抗无穷大,这样测试设备的接入就不会对被测系统产生任何影响,从而保证测量的真实性。但是遗憾的是测量系统不可能有无穷大的输入阻抗,而这时候,测量设备的接入,会对被测系统产生什么影响呢?假设被测试系统如下图所示。

图 5 被测系统等效示意图
可以看出,测量点电压:V_out=V_sig×R_L/(R_L+R_S );
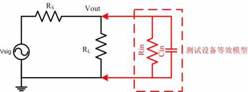
而当采用示波器进行测量时,由于示波器的输入电阻和寄生电容,会使得此时的等效电路图如下图所示:

图 6 探头接入等效示意图
可以看出,此时测量点电压为:V_out=V_sig×(R_L ||R_in ||(1/(C_in×s)))/(R_L ||R_in ||(1/(C_in×s))+R_s );
其中R_in为输入阻抗,C_in为寄生电容,s代表频率。可以看出,此时测试点的电压已经发生了变化,这导致了探头接入前后,信号本身已经发生了改变。通过公式可以看出,R_in越大,对信号影响越小。而1/(C_in×s)这项是寄生电容与测量信号频率的乘积的倒数,当测试信号频率越高,则这项的影响就越大,要想降低该项的影响,只能尽量降低寄生电容C_in的容值。
下图为×1探头的模型:

图 7 ×1探头模型图
由于探头一定要有一段线,否则将不方便测量,而且线的长度一般都会超过1米。这导致了其寄生电容非常大,大约为100pF左右。在测量高频信号时会产生了很大的负载效应。我们再来看一下×10的探头模型:

图 8 ×10探头模型图
可以看出,×10探头的输入电容C_in是10pF与后面电容的串联,按电容串联公式计算可知,C_in一定是小于10pF的,远小于×1探头的输入电容,且Rin已经增加到10MΩ。所以×10探头就有更小的寄生电容,更高的输入电阻,从而大大减小了探头的负载效应。
所以测量高速信号时,需要选择×10或者更高衰输入阻抗的探头。
三、接地方式的选择
传统的使用习惯上,示波器的接地方式就是那根长长的接地夹线。这种接地方式,确实是一种简单方便的接地方式,但是却并不是一种严谨的、准确的接地方式。

图 9 接地夹线示意图
由于地夹线比较长,其会形成一个寄生电感L_gnd,随着夹线的增长,这个电感也会增大,而这个回路电感会和示波器探头的输入电容C_in产生谐振。这就导致示波器的幅频特性变得不平坦,导致测量不准确。下图为使用接地夹时的等效电路。

图 10 接地夹线等效电路图
下图为用该等效电路仿真出的频谱特性曲线:

图 11 频谱特性曲线图
可以看出,在60MHz以上的频率,幅度已经产生了超过3dB的过冲,而到达100M左右时,过冲到最大幅度。所以如果采用地夹,测量超过60MHz的信号就会产生比较大的失真。正确的方式应该是采用接地弹簧。接地弹簧具有非常小的电感,可以大大提升探头的带宽。

图 12 接地弹簧示意图
四、测量位置选择
对于高频信号而言,PCB走线已经不能简单当做短路线来处理,而是需要考虑到线路上的传播延时、信号反射等方面的影响。传统低速信号之所以可以不考虑PCB走线的影响,是因为其波长较长,PCB走线的长度可以忽略不计,从而当成集中元件来处理。但是高频信号的波长较短,PCB走线的长度已经不可能再被忽略,信号也必须从波的角度去考虑。下图为同一信号在源端和终端测量到的波形:

图 13 不同位置测量差别图
之所以会这样,是因为电信号在PCB上是向波一样进行传输。其传播速度一般是光速的一半。所以会造成信号在PCB上传播会发生延时,且会根据特性阻抗的变化而产生反射。上图中信号的终端设备并没有进行端接,所以当信号来到终端时会产生一个反射的波,反射回源端,再经过PCB上的延时,反射波和发射信号发生叠加,从而产生源端位置的波形。同理,不只是源端,在整个传输线上,发射信号与反射信号都会发生叠加,差别在于彼此的相位差不同,叠加波形也不同。
可以看出测量点位置的选择,会导致测量结果的巨大差异。所以测量高速信号时,测量位置离终端设备越近越好,这样才能真实的测量出终端设备接受到的信号是怎样的波形。
本文中指出了一些测量高速信号的一些注意事项,归纳如下:
1.选择示波器和探头带宽时至少要选择被测量方波信号的5次谐波频率以上的带宽。
2.测量高速信号时,需要选择×10或者更高输入阻抗的探头。
3.接地方式的选择,应该尽可能的降低接地回路电感,如使用接地弹簧。这样才能真正发挥测量系统的带宽。
4.测量高速信号时,测量位置离终端设备越近越好,这样才能真实的测量出终端设备接受到的是怎么样的信号。
以上就是本文的主要内容。ZDS4054 Plus示波器具有500MHz带宽,可以真实测量100MHz的方波信号,配合探头可以实现9pF的输入电容,大大降低测量负载效应,可以很好的测量大多数高速信号。
史海拾趣




