历史上的今天
今天是:2024年10月17日(星期四)
2019年10月17日 | msp430输出PWM波
2019-10-17 来源:eefocus
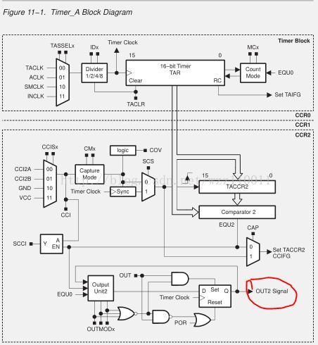
MSP430单片机的定时器除了可以捕获,比较之外,还可以作为PWM波产生器直接在芯片内部联通IO口。在官方手册上就有:
Timer_B7 is a 16-bit timer/counter with seven capture/compare registers. Timer_B7 can support multiple
capture/compares, PWM outputs, and interval timing. Timer_B7 also has extensive interrupt capabilities.
Interrupts may be generated from the counter on overflow conditions and from each of the capture/compare
registers.
我想对于一些细心的朋友可能会注意到:


CCR2中有一个OUT2 single,其实这个输出信号就是输出PWM波,既然Timer_A有三个捕获/比较单元CCR0,CCR1,CCR2
那么它应该就有三个输出:OUT0, OUT1,OUT2。 查找MSP430F149的芯片管脚图,可以找到

P1.1, P1.5,P2.7三个IO口都可以作为TA0,也就是OUT0,因此Timer_A能输出9个PWM波,三种。
Timer_A有四种模式:STOP , UP , CONTINUES, UP/DOWN,其中只有UP/DOWN模式能够通过配置产生PWM波。
事实上定时器输出信号的模式是有8种的:

通过OUTMODX的值就可以选择输出模式,上述文字描述太抽象,还是直接看下图:

Output Mode 6很容易配置成一定占空比的PWM波。方波一个周期内,高电平的周期与整个周期之比。
在模式6中,占空比=(TACCR0-TACCR1)/TACCR0
史海拾趣
|
本帖最后由 jameswangsynnex 于 2015-3-3 20:01 编辑 我们大量ROHM BU72435库存价格好,有需求请和我联系。 陈庭松 13138889236 … 查看全部问答> |
|
请想象一下,当您乔迁新居,要将电器的电源插头插进墙上插座里去,结果却发现根本不能匹配时是什么感受。应该感谢几十年之前设立的电气标准,发生这种事情的可能性已经很少了。其他还有一些标准也在为我们服务,比如我们可以跟与不同网络服务商打交 ...… 查看全部问答> |
|
Windows CE中的命令提示行的和PC机上的XP中的有啥区别? 网上说: Windows CE和Windows XP Embedded存在诸多本质区别。首先,Windows CE是一款全32位、Unicode操作系统,它不支持MS-DOS或Windows 3.x应用。 这里说的MS-DOS不就是台式机上的命令提示行中DOS ...… 查看全部问答> |
|
我想实现在wince液晶上 显示采样信号波形。波形频率很低。 肯定要包括ADC驱动,和应用程序 第一个问题:我想要ADC每隔500ms采样一次,用中断来实现。这个500ms中断在驱动中如何实现? 第二个问题:应用程序获取AD结果可以使用流驱动接口,但是读 ...… 查看全部问答> |
|
串口通讯中的DCB结构 我看很多程序,它里面使用了BCD结构,但是BCD结果不是在winbase.h中定义的吗, 程序里面并没有#include \"winbase.h\",但是编译确实成功的,为什么? 我是学了VC现在学EVC,觉得有点困扰,EVC很多库函数都不一样了,怎么找 ...… 查看全部问答> |
|
以下我做了不同平台的测试 第一个平台是Default language为中文(中国) 第二个平台是Default language为英语(英文) 第三个平台是Default language为英语(英文),并加入MUI多国语言的支持. 应用程序代码如下: char cTest[] & ...… 查看全部问答> |
|
小弟关于bootloader中有几个问题不清楚,麻烦兄弟们帮忙解释下, 1,其中涉及到内存映射,它的作用是什么? 2,cpu又是如何区分flash和ram的地址呢,难到有控制flash和ram地址的寄存器吗? 3,如果flash的os要加载到ram中执行,又是如何实现拷贝的呢,如 ...… 查看全部问答> |
|
各位同道中人,欢迎各位谈谈自己入门的经验以及推荐一些好的资料,作为LZ,先为大家献上一点啦! 现面有几个不错的网站 ,仅供参考 http://162.105.146.27/cgi-bin/ftp_search?BeginWith=208&FType=255&word=Linux http://linux.ubuntu.org. ...… 查看全部问答> |
|
在下大四学生,之前在学校只接触过很浅的嵌入式知识,现在毕业设计被安排在一公司参加一个项目,要实现一块板子的以太网通讯功能,板子应该是arm cortex m3核心,lm3s9b92的型号,我要实现的功能是将温度、液位等数据通过以太网接口传给计算机,我 ...… 查看全部问答> |




