历史上的今天
今天是:2024年10月18日(星期五)
2019年10月18日 | 用带ADC的avr单片机做的一款电压检测表
2019-10-18 来源:eefocus
电压表效果
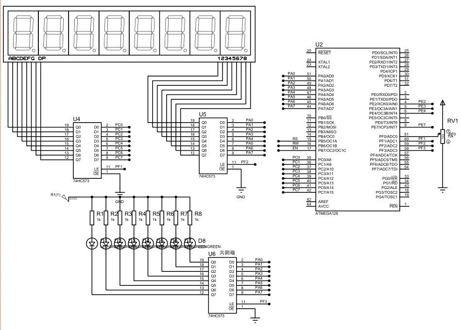
电路原理图如下:
单片机源码:
#include
#include
#define uchar unsigned char
#define uint unsigned int
void delayms(uint mS) //微秒
{
uint i,j;
for( i=0;i
}
unsigned char disp[] = {0xC0,0xF9,0xA4,0xB0,0x99,0x92,0x82,0xF8,
0x80,0x90,0x88,0x83,0xC6,0xA1,0x86,0x8E};
uint ADC_Value;
void port_init(void)
{
DDRD = 0xff;
PORTD= 0x00;
DDRE = 0xff;
PORTE= 0x00;
DDRF = 0x00;
PORTF= 0x00;
}
void adc_init(void)
{
ADMUX = 0x00;
ADCSRA= 0x00;
ACSR =1<
uint ADC_read(void)
{
uint ADC_L,ADC_H,temp;
ADCSRA |= (1<
ADC_H = ADCH;
temp = (ADCH<<8)|ADC_L;
return temp;
}
uint convert(uint data)
{
long temp1;
uint temp2;
temp1 = ((500 * (long)data)>>10);
temp2 = (uint)temp1;
return temp2;
}
void main(void)
{
uint voltage;
uchar n;
port_init();
adc_init();
DDRA=0XFF;
PORTA=0XFF;
DDRC=0XFF;
PORTC=0X00;
DDRF|=0X0E;
PORTF|=0X0E;
PORTF&=0xF7;
PORTA=0X00;
DDRB |=0X10;
PORTB|=0X10;
while(1)
{
ADC_Value = ADC_read(); //读取AD寄存器中的数值
voltage = convert(ADC_Value); //计算实际的输入电
for(n=0;n<50;n++)
display(voltage); //显示
}
史海拾趣
|
EEWorld邀你来拆解(第7期)——拆拆减肥利器----日常测试 本帖最后由 吾妻思萌 于 2022-11-22 23:05 编辑 拆箱一个礼拜了,发现减肥利器确实不错,体重成功下了0.5公斤,但是一顿好吃的直接就回来啦。 所以大家减肥靠的是毅力和恒心,绝非买个健身房的课程或者器材就可以减下来的。 正常使用次数1 ...… 查看全部问答> |
|
STM32单片机+ADXL345(中断方式)计步器的准备程序(串口调试) 本文介绍了利用ADXL345中断唤醒停止模式下的STM32F103C8T6,为进一步开发计步器做准备。 从上位机串口通讯记录了整个过程, 代码中有关OLED显示屏可以不接。 1. ADXL345寄存器, 有好多,为了观察明显,这里设置了ACTIVITY和INACTIVITY模式,都能 ...… 查看全部问答> |
|
刚才用嘉立创EDA画了一个原理图,然后关掉。后来用的过程中CPU风扇一直调整转动,刚刚打开任务管理器看了一下,CPU占用25%以上,已经很长时间了。 看了一下右下角的任务,说明已经退出了。不清楚嘉立创EDA在后台用我的CPU干什么。 ...… 查看全部问答> |
|
抖动是在进行示波器测量的时候常见的一种现象,也是工程师比较头痛的问题之一,也是尝尝讨论的问题。为什么这个话题千古不变值得讨论呢?是因为抖动是示波器测量的诸多功能中与“数学”较为相关的,从此也可以看出,学好数学的必要性。 ...… 查看全部问答> |
|
【花雕动手做】有趣好玩的音乐可视化系列项目(32)--P10矩阵LED单元板 偶然心血来潮,想要做一个音乐可视化的系列专题。这个专题的难度有点高,涉及面也比较广泛,相关的FFT和FHT等算法也相当复杂,不过还是打算从最简单的开始,实际动手做做试验,耐心尝试一下各种方案,逐步积累些有用的音乐频谱可视化的资料,也会争 ...… 查看全部问答> |
|
esp32/8266的定时器和pyb.timer不一样,要怎么改让他工作在esp32/8266下呢。 import pyb import micropython micropython.alloc_emergency_exception_buf(100) # Futaba PPM decoder # http://diydrones.com/profiles/blogs/705844:Bl ...… 查看全部问答> |




