历史上的今天
今天是:2024年10月21日(星期一)
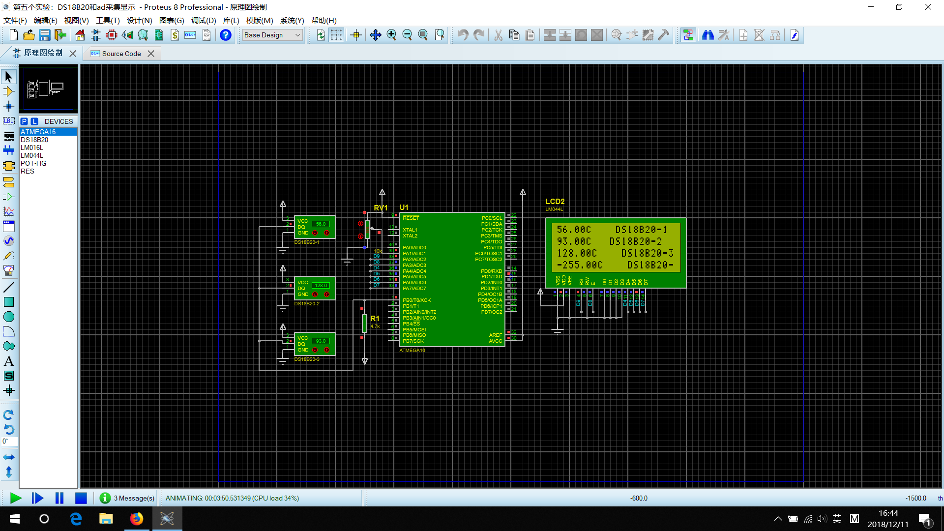
2019年10月21日 | Atmega16单片机实验:DS18B20和ad采集显示程序
2019-10-21 来源:eefocus
rem Main.bas file generated by New Project wizard
rem
rem Created: 周日 9月 16 2018
rem Processor: ATmega16
rem Compiler: BASCOM-AVR
rem Write your code here
$regfile = "m16def.dat"
$crystal = 2000000
Config 1wire = Portb.0 '定义BS18B20接在PB0上
Config Lcdpin = Pin , Db4 = Porta.4 , Db5 = Porta.5 , Db6 = Porta.6 , Db7 = Porta.7 , E = Porta.3 , Rs = Porta.2
Config Lcd = 20 * 4
$baud = 19200
Cls
'Dim SysDS18B20_1 As Byte
'Dim SysDS18B20_2 As Byte
Dim Cgqidi_1(8) As Byte '传感器id1数组变量
Dim Cgqidi_2(8) As Byte '传感器id2数组变量
Dim Cgqidi_3(8) As Byte '传感器id3数组变量
Dim Cgqidi_4(8) As Byte '传感器id4数组变量
Dim Cgqidi_5(8) As Byte '传感器id5数组变量
Dim Cgq_zhuangtai(5) As Byte '传感器——状态变量
Dim Xianzai__wendu(5) As Single '现在——温度变量
Declare Sub SUAXIN___WENDU() '声明刷新转换温度过程子程序
Declare Sub FAXIAN_CGQs() '声明发现传感器过程子程序
Call FAXIAN_CGQs() '调用发现——传感器过程子程序
Cls
Waitms 500
Do
Call SUAXIN___WENDU()'转到刷新转换温度过程子程序
Locate 1 , 1
Lcd Fusing(XIANZAI__WENDU(1) , "#.##");"C DS18B20-1"
Locate 2 , 1
lcd Fusing(XIANZAI__WENDU(2) , "#.##") ; "C DS18B20-2"
Locate 3 , 1
Lcd Fusing(xianzai__wendu(3) , "#.##") ; "C DS18B20-3"
Locate 4 , 1
Lcd Fusing(xianzai__wendu(4) , "#.##") ; "C DS18B20-4"
Waitms 1500
Config Adc = Single , Prescaler = Auto , Reference = avcc
Start Adc
Dim W As Word , Channel As Byte , B As Single , D1 As Single , D2 As Single '加插 5V 的短路块
Channel = 1
W = Getadc(channel)
b=5*w 'B = 2.98 * W
D1 = B / 1023
Locate 2 , 1
'Lcd "AD1= "
Locate 4 , 1
Lcd Fusing (d1 , "#.###"); "V ADC"
Loop
End
'刷新转换温度过程子程序
Sub SUAXIN___WENDU()
Dim Readdata(9) As Byte
Dim Temperature As Word
Dim WENDU As Single
Dim SysDS18B20_1 As Byte
Dim CGQidI_ As Byte
'启动温度转换
1wreset
1wwrite &HCC
1wwrite &H44
Waitms 800
For Cgqidi_ = 1 To 5
If CGQ_ZHUANGTAI(CGQidI_) = 1 Then
1wreset
1wwrite &H55
'匹配总线ID
For SysDS18B20_1 = 1 To 8
If CGQidI_ = 1 Then : 1wwrite CGQidI_1(sysDS18B20_1)
Elseif CGQidI_ = 2 Then : 1wwrite CGQidI_2(sysDS18B20_1)
Elseif Cgqidi_ = 3 Then : 1wwrite Cgqidi_3(sysds18b20_1)
Elseif Cgqidi_ = 4 Then : 1wwrite Cgqidi_4(sysds18b20_1)
Elseif Cgqidi_ = 5 Then : 1wwrite Cgqidi_5(sysds18b20_1)
End If
Next
1wwrite &HBE
For SysDS18B20_1 = 1 To 9
Readdata(sysDS18B20_1) = 1wread()
Next
Temperature = Readdata(2) * 256
Temperature = Temperature + Readdata(1)
If Readdata(2) > 15 Then
Temperature = Not Temperature
Temperature = Temperature + 1
WENDU = Temperature * 0.0625
WENDU = 0 - WENDU
Else
WENDU = Temperature * 0.0625
End If
XIANZAI__WENDU(CGQidI_) = WENDU
Else
XIANZAI__WENDU(CGQidI_) = -255 '如果传感器不存在则设置为-255度
End If
Next
End Sub
'查找传感器,总线上必须挂有至少一个传感器
Sub FAXIAN_CGQs()
Dim SysDS18B20_4 As Byte
Dim FAXIAN_CGQ As Byte
Locate 1 , 1
Lcd "FAXIAN_ CGQ"
FAXIAN_CGQ = 0
CGQidI_1(1) = 1wsearchfirst()'开始寻找第一个传感器
CGQ_ZHUANGTAI(1) = 1
Incr FAXIAN_CGQ
For Sysds18b20_4 = 2 To 5
If SysDS18B20_4 = 2 Then CGQidI_2(1) = 1wsearchnext()
If SysDS18B20_4 = 3 Then CGQidI_3(1) = 1wsearchnext()
If Sysds18b20_4 = 4 Then Cgqidi_4(1) = 1wsearchnext()
If Sysds18b20_4 = 5 Then Cgqidi_5(1) = 1wsearchnext()
'寻找下一个传感器
If Err = 1 Then Exit For '错误代码为1则退出循环
CGQ_ZHUANGTAI(sysDS18B20_4) = 1
Incr FAXIAN_CGQ
Waitms 1000
Next
Cls
Waitms 500
Locate 1 , 1
Lcd "FAXIAN_ " ; FAXIAN_CGQ ; " CGQs"
Waitms 1000
End Sub
史海拾趣
|
如果同时掌握了arm和cpld会不会有所帮助? 来自EEWORLD合作群:arm linux fpga 嵌入0(49900581)群主:wangkj… 查看全部问答> |
|
我的是一个协议层驱动,有个疑问就是 A.使用CreateService,OpenService,QueryServiceStatus及StartService等一系列API安装起来的驱动 B.使用Inf文件及INetCfg的COM接口安装的驱动 问题是 1.这两种方式有什么不同? 2.为什么A安装后\"本地连接\" ...… 查看全部问答> |
|
我现在做图片解码显示,用的是ze的片子,我开辟了的一个大的数组在sram里,请放心这个数组确实在外部,我去过地址查看,0x6800xxx位置,现在的问题是,我如果把这个数组开辟的小一点,比如几百字节,lcd显示正常,开辟大来人比如几百k &n ...… 查看全部问答> |
|
请各位大侠帮忙看一下如下三条语句,已知(80H)=20H,(81H)=30H, LD #0,DP LD 80H,16,B ADD 81H,B 运行后B等于多少?这到底是属于绝对地址寻址还是直接寻址啊?谢谢!… 查看全部问答> |




