历史上的今天
今天是:2024年10月22日(星期二)
2019年10月22日 | 采用PIC16C54单片机的计数器
2019-10-22 来源:eefocus
计数器在工业控制中有着广泛的应用。传统的数字计数器都是用中小规模数字集成电路构成的,不但电路复杂,成本高,功能修改也不易。用单片机制作的计数器可以克服传统数字电路计数器的局限,有着广阔的应用前景。
本文介绍的计数器采用Microchip公司的PIC16C54单片机。该型单片机为RISC结构,在4MHz的工作频率下,每一个指令周期为1μs,运行速度大大超过MCS-51系列,适用于对实时性要求较高的工业控制领域。
电路原理
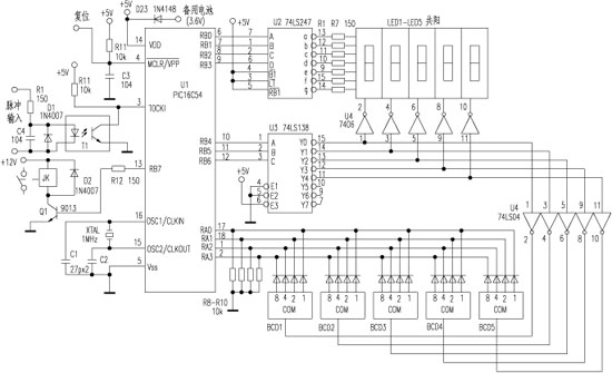
附图为计数器的原理图。PIC16C54单片机具有两个I/O口,RA口有4条I/O线,RB口有8条I/O线。本计数器中RA口设置为输入口,用于读取BCD拨盘开关(BCD1~BCD5)设定的计数值;RB口设置为输出口,用于对数码管进行扫描和控制输出继电器。T0CKI为PIC16C54单片机内部计数器的输入脚,计数脉冲经过光电转换后从该脚输入,PIC16C54的内部计数器对输入的脉冲进行计数。
由于该内部计数器宽度仅有8位,最多只能计数到256,因此要用软件对该计数器进行扩展,以满足实际计数需要。
BCD拨盘开关(BCD1~BCD5)设定计数终止值,当扩展的内部计数器计到与BCD拨盘开关设定值相等时,RB7输出高电平,使继电器吸合,控制外部设备。此时,即使有计数脉冲输入,计数器也不会再计数,必须在复位端输入复位信号,才能重新计数。
软件设计
本计数器的主程序完成BCD拨盘开关的读取和数码管扫描。数码管采用动态扫描的方法显示,每个数码管依次亮一定的时间,利用人的视觉暂留使数码管看上去是全亮的。每个数码管亮时都调用一个延时程序,在延时程序中,实现对T0CKI脚的检测与PIC16C54单片机内部计数器的操作。由于PIC16C54没有中断功能,用这种方法可以实现实时计数。
上一篇:PIC单片机控制的小鸭牌药膳煲
史海拾趣
|
如果按价格/重量来计算,CPU要比黄金还贵得多。几乎所有的人都知道CPU主要是以硅为为原料制成的。而硅是地球上多得无法计数的元素了(如果我高中的化学知识没有记错硅应该是排名第二的)是什么魔力使这种最不值钱的东西变成炙手可热的宝物的呢?是 ...… 查看全部问答> |
|
windows mobile添加短信的语音朗读扩展功能-如何获得短信接收信息 我这边实现了语音朗读的功能,现在需要给短信加载上这个扩展功能,即当接收到短信后,会立即语音朗读出短信的内容 问题:windows mobile下目前使用微软自带短信功能,无代码,需要自己获取接收短信消息并提取其内容播放 我这边查看资料,斟测短信 ...… 查看全部问答> |
|
客户提出电池状态反应太慢(指充电器插拔“控制面板->电源”下的状态变化): 插入充电器显示为“正在充电”,拔出充电器显示为“主电池”,充电完成显示“外部”。 因为上层是调用驱动的BatteryPDDGetStatus函数去获得状态结构体,所以这部分驱 ...… 查看全部问答> |
|
2410能通过dma把数据从dreq存储到usb host吗? 我菜鸟,2410通过dma从外部芯片fifo中取得数据 因为是裸奔,没操作系统,所以网卡估计用不上了,原还打算通过网卡传输出去的。。。 我想能不能插个u盘,然后arm控制dma将数据从外部芯片fifo传输到u盘里?或者sdram随便某个地方? 谢谢啊qq;6425 ...… 查看全部问答> |
|
--将1khz的标准信号std_clk分成周期为2秒的占空比为50%的CE输出LIBRARY IEEE;USE IEEE.STD_LOGIC_1164.ALL;ENTITY freq_division_1 IS PORT(std_clk,reset:IN STD_LOGIC; &nb ...… 查看全部问答> |
|
有大牛总结示波器探头注意事项,, 经常会遇到一些朋友和我抱怨示波器的探头怎么这么爱坏啊?有没有什么结实一点的,好一点的探头啊?不是道大家是否也又遇到平时探头经常损坏的问题?其实,探头本身是属于耗材的,一般探头的损坏来源于两个地方: ...… 查看全部问答> |




