历史上的今天
今天是:2024年10月22日(星期二)
2019年10月22日 | 用PIC单片机制作电扇自然风发生器
2019-10-22 来源:eefocus
一 PIC单片机简介
PIC16C5X是低价商用单片机,内部有程序存储器(0.5~~2K),工作寄存器(32~~80个),33条精简指令,具有内部看门狗 (WDT),时钟/脉冲计数器 RTCC,双向可编程 I/O口(12~~20个),PIC单片机的OTP(一次性可编程)型芯片特别适合商品化的开发生产。
二 自然风发生器的硬件结构及原理
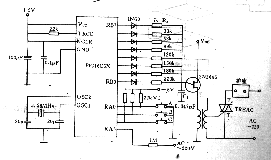
要让电风扇产生自然风,即改变电风扇送风的强弱,只有改变电机端的电压和电流。如图1所示,改变晶闸管控制角α,即控制晶闸管开始导通的时间,就能使电机负载上的电压和电流发生变化。图2展示了α角和电机负载电压的关系。
α角的变化又可通过电容C1的放电时间的改变来实现。PIC16C54单片机有规律地选择电阻Rx,即可改变电容C1的充放电时间,从而达到改变电风扇送风的强弱的目的。控制角α和强弱风的关系如下所示。
一般取η=0.63,三极管特性最好。电容C1取值0.047μF。根据(3)式,对应不同α的设定值,求得Rx值表:
R0=1K, R1=33K, R2=62K, R3=89K, R4=120K, R5=150K, R6=180K, R7=220K
Rx接于PIC16C54单片机的RB0~~RB7口。
RA0口为启动信号输入口,当A键按下时,则自然风发生器开始工作。
RA1口为停止信号输入口,当B键按下时,则自然风发生器停止工作。
RA2口为定时信号输入口,当C键按下时,则自然风发生器以定时方式工作。
RA3口为交流电相位检测口,用于确定交流电的起始相位。
读者可再加上显示,定时值输入等电路,构成更完整的装置。
三 软件框图及程序清单
程序框图如图3所示。
程序清单如下:
;Routine for nature wind fan
RTCC EQU 1
RA EQU 5
RB EQU 6
F8 EQU 8
F9 EQU 9
ORG 1FFH ;复位地址
GOTO MAIN
ORG 0
MAIN:
CLRW
TRIS RB
MOVWF RB ;置RB口为输出口,且初值为0
MOVLW 0FH
TRIS RA ;置RA口为输入口
KEY-A:
BTFSC RA, 0
GOTO KEY-A ;A键是否按下
START:
MOVLW 80H
MOVWF F8 ;80H->F8
BTFSS RA, 1
GOTO MAIN ;B键按下
PHASE
BTFSC RA, 3
GOTO PHASE ;等待交流电0相位
MOVWF F8, W
MOVWF RB ;F8->RB口
CALL DELAY ;延时10秒
CLRC ;清C
RRF F8 ;F8左移
SKPC
GOTO PHASE
GOTO START
;Subroutine
DELAY:
MOVLW 150
MOVWF F9
MOVLW 7 ;给RTCC 预设倍数1:256
OPTION
LOOP:
MOVLW 255
SUBWF RTCC
DECFSZ F9
SKPZ
GOTO LOOP
RETLW 0
END;结束
四 小结
上面是一个用PIC16C54单片机控制家用电器的例子。现在微电脑(单片机)控制的智能家电日益受到欢迎,是家电的必然发展趋势。PIC系列是一种面向商用的机种,特别适合于商品开发,其低价,小巧,具备保密位等特点正是开发厂家所需要的。读者潜心思考,必能用PIC自己开发出一系列精巧的产品。
史海拾趣




