历史上的今天
今天是:2024年10月22日(星期二)
2019年10月22日 | 大联大世平推出全新ADAS域控制器系统解决方案
2019-10-22 来源:EEWORLD
致力于亚太地区市场的领先半导体元器件分销商---大联大控股宣布,其旗下世平推出基于恩智浦(NXP)S32V234 + MPC5744P的ADAS域控制器系统解决方案。
传统汽车采用分布式的电子电气架构,车内的各个ECU通过CAN或LIN总线连接在一起。现在汽车内的ECU已经增加到了几十个甚至上百个,分布式架构因此也面临挑战。随着自动驾驶时代的来临,汽车驾驶所涉及的感知、控制、决策系统越来越复杂,系统与系统之间的信息交互、控制也越来越多,各方都希望其能变成一个模块化的、可移植性的和便于管理的汽车子系统,汽车域控制器DCU的概念也因此被提出。根据功能的不同,汽车网络架构可划分为车身域、动力域、底盘域、ADAS域、外网域和信息娱乐域。

图示1-大联大世平推出基于NXP产品的ADAS域控制器系统解决方案的展示板图
ADAS域控制器作为未来智能汽车的一个重要组成部分,具备多传感器融合、定位、路径规划、决策控制、无线通讯、高速通讯等功能。能够按照客户的要求灵活的实现所需功能的配置和调整,方便实现平台化、模块化的生产制造。整车厂可以把结构相近的平台进行跨平台整合,既方便生产,又增加了对信息安全的防护,对整车厂一举两得。
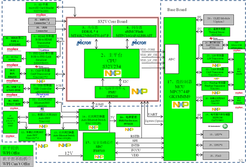
由大联大世平推出的基于NXP S32V234 + MPC5744P的ADAS域控制器解决方案,其域控制器的设计需采用强大的核心处理器去控制域内原来归属于各个ECU的大部分功能,以此来取代传统的分布式架构。本方案采用的S32V234是一颗专为视觉和传感器融合领域的安全计算密集型应用而设计的核心处理器,具有四核Cortex-A53+Cortex-M4处理器、两个APEX-2视觉加速器、3D GPU、内置ISP。
ADAS域控制器满足汽车的安全功能等级要求。世平ADAS域控制器方案底板采用符合ISO-26262 ASIL要求的MCU MPC5744P,可以对系统电源进行管理与监控,并对系统功能障碍进行实时处理,使整个系统达到ASIL-D等级。

图示2-大联大世平推出基于NXP产品的ADAS域控制器系统解决方案的方案块图
核心技术优势
S32V234具有超强处理能力,Cortex-M4+4核Cortex-A53,主频达到1GHz,包含GPU、APEX 2专业图像加速处理单元,可满足汽车、工业和消费类等不同领域的视觉类应用需求;
内置ISP图像信号处理模块,最多支持8路摄像头图像同时输入;
MPC574xP系列汽车级MCU是业界第一款达到功能安全ISO-26262 ASIL-D Qulification证书的汽车级MCU--MPC5643L的新一代产品;
连接相关传感器或者模块,例如停车辅助用的超声波传感器,对网关做状态汇报(e.g.HDC2080就是模拟传感器的读取);
软件更新,通过车用通讯协定为ADAS域控制器进行软件更新;
功能安全,对ADAS域控制器电源管理进行严格的监控,并对系统功能障碍做对应的处理,即使发生系统运作错误仍能维持ADAS域控制功能在正常运作范围,降低因系统故障所产生的损害;
将ADAS相关智能行车功能集中形成DCU,并通过丰富的接口,如以太网、CAN总线等,与中央网关连接进行资讯交换与功能操作等。
方案规格
主板搭配底板的方式,主板为S32V234的最小系统,底板为S32V234外围接口以及以MPC5744P为主芯片的系统;
主板尺寸:82.0mm x 63.3mm,底板尺寸:220mm x 160mm;
丰富的CAN、LIN以及车载以太网接口,支持各种外部设备接入(77G雷达模块,超声波雷达等),支持通过CAN和车载以太网与车内ECU和中央网关通信;
支持图像数据通FPD-Link链路输出,HDMI显示输出以及PCIE转USB接口的存储功能。
下一篇:从物联网到汽车的边缘设计
史海拾趣
|
看到许多论坛上好多人拆充电器,晚上回家也迫不及待地拆开了一个,呵呵。这个是淘宝上买的,价格忘记了,不到15元吧。我用它给一节锂电池充电,效果还可以。韩国产的,下面让大家看看内部结构 … 查看全部问答> |
|
用verilog写可综合代码,综合后发现功能不对了。想请教一下: 1 可综合的verilog代码中,可以有不同的敏感信号吗?比如可以有多个always语句,有的敏感列表里是时钟上升沿有的是时钟下降沿吗?可以这样吗: always @(posedge clk) & ...… 查看全部问答> |
|
WINCE中编写了一个基于SIP的输入法该如何调整软键盘界面的大小 WINCE中编写了一个基于SIP的输入法,SIP默认的输入法面板太小,该如何调整软键盘界面的大小?谢谢啊,第一次写书法呵呵。… 查看全部问答> |
|
【MARKED】C语言中定义全局变量时,如何在定义变量时就指定好变量的地址 本帖最后由 辛昕 于 2018-9-6 22:07 编辑 各位大侠: 小弟新手,请多多帮忙! 小弟现在写一个单片机的程序,由于项目比较紧,就分给两个人做,小弟不懂汇编,要 ...… 查看全部问答> |




