历史上的今天
今天是:2024年11月06日(星期三)
2019年11月06日 | 技术文章—基本运算放大器配置
2019-11-06 来源:EEWORLD
目标:
在本实验中,我们将介绍一种有源电路——运算放大器(op amp),其某些特性(高输入电阻、低输出电阻和大差分增益)使它成为近乎理想的放大器,并且是很多电路应用中的有用构建模块。在本实验中,你将了解有源电路的直流偏置,并探索若干基本功能运算放大器电路。我们还将利用此实验继续发展使用实验室硬件的技能。
材料:
ADALM1000硬件模块
无焊试验板和跳线套件
一个1 kΩ电阻
三个4.7 kΩ电阻
两个10 kΩ电阻
一个20 kΩ电阻
两个AD8541 器件(CMOS轨到轨放大器)
两个0.1 μΩ电容(径向引线)
1.1 运算放大器基础知识
第一步:连接直流电源
必须为运算放大器始终提供直流电源,因此在添加任何其他电路元件之前,最好配置这些连接。图1显示了无焊试验板上的一种可能的电源配置。我们将两根长轨用于正电源电压和地,另一根用于可能需要的2.5 V中间电源连接。板上包括电源去耦电容,其连接在电源和地(GND)轨之间。现在详细讨论这些电容的用途还为时过早,只需知道它们用于降低电源线上的噪声并避免寄生振荡。在模拟电路设计中,务必在电路中每个运算放大器的电源引脚附近使用小型旁路电容,这被认为是良好实践。

图1.电源连接
将运算放大器插入试验板,然后添加导线和电容,如图1所示。为避免以后出现问题,可能需要在试验板上贴一个小标签,指示哪些电源轨对应5 V、2.5 V和地。导线应利用颜色加以区分:红色为5 V,黑色为2.5 V,绿色为GND。这有助于保持连接的有序性。
接下来,在ADALM1000板和试验板上的端子之间建立5 V电源和GND连接。使用跳线为电源轨供电。注意,电源GND端子将是电路接地基准。有了电源连接之后,可能需要使用DMM直接探测IC引脚,确保引脚7为5 V且引脚4为0 V(地)。
注意,使用电压表测量电压之前,必须将ADALM1000插入USB端口。
单位增益放大器(电压跟随器):
第一个运算放大器电路很简单(如图2所示)。这称为单位增益缓冲器,有时也称为电压跟随器,它由转换函数VOUT = VIN定义。乍一看,它似乎是一个无用的器件,但正如我们稍后将展示的那样,其有用之处在于高输入电阻和低输出电阻。

图2.单位增益跟随器
使用试验板和ADALM1000电源,构建图2所示的电路。请注意,此处未明确显示电源连接。任何实际电路中都会进行这些连接(如上一步中所做的那样),因此从这里开始,原理图中没必要显示它们。使用跳线将输入和输出连接到波形发生器输出CA-V和示波器输入CB-H。
通道A电压发生器设置为1.0 V最小值和4.0 V最大值(3 V p-p,以2.5 V为中心),使用500 Hz正弦波。配置示波器,使输入信号迹线显示为CA-V,输出信号迹线显示为CB-V。导出所产生的两个波形图,并将其包含在实验报告中,注意波形参数(峰值和频率的基波时间周期)。你的波形应当确认其为单位增益或电压跟随器电路的说明。
缓冲示例:
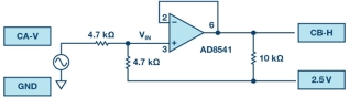
运算放大器的高输入电阻(零输入电流)意味着发生器上的负载非常小;也就是说,没有从源电路汲取电流,因此任何内部电阻(戴维宁等效值)上都没有电压降。所以,在这种配置中,运算放大器的作用类似于缓冲器,屏蔽信号源免受系统其他部分带来的负载效应。从负载电路的角度看,缓冲器将非理想电压源转换成近乎理想的电压源。图3给出了一个简单的电路,我们可以用它来演示单位增益缓冲器的这个特性。这里,缓冲器插在分压器电路和某一负载电阻(10 kΩ电阻)之间。

图3.缓冲器示例
断开电源并将电阻添加到电路中,如图3所示(注意这里没有更改运算放大器连接,我们只是相对于图2翻转了运算放大器符号以更好地安排导线)。
重新连接电源,并将波形发生器设置为500 Hz正弦波、0.5 V最小值和4.5 V最大值(4 V p-p,以2.5 V为中心)。同时观察VIN CA-V和VOUT CB-H,并在实验报告中记录幅度。使用示波器输入CB-H还能测量运算放大器引脚3上的信号幅度。
图形实例如图4所示。

图4.缓冲器曲线
移除10 kΩ负载,代之以1 kΩ电阻。记录幅度。现在移动引脚3和2.5 V之间的1 kΩ负载,使其与4.7 kΩ电阻并联。记录输出幅度如何变化。你能预测新的输出幅度吗?
简单放大器配置
反相放大器:
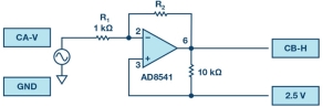
图5所示为常规反相放大器配置,输出端有10 kΩ负载电阻。

图5.反相放大器配置
现在使用R2 = 4.7kΩ组装图5所示的反相放大器电路。组装新电路之前,请记住断开电源。根据需要切割和弯曲电阻引线,使其平放在电路板表面,并为每个连接使用最短的跳线(如图1所示)。记住,试验板有很大的灵活性。例如,电阻R2的引线不一定要将运算放大器从引脚2桥接到引脚6;你可以使用中间节点和跳线来绕过该器件。
重新连接电源并观察电流消耗,确保没有意外短路。现在将波形发生器调整为500 Hz正弦波,设置为2.1 V最小值和2.9 V最大值(0.8 V p-p,以2.5 V为中心),并再次在示波器上显示输入和输出。测量和记录此电路的电压增益,并与课堂上讨论的原理进行比较。导出输入/输出波形图,并将其包含在实验报告中。
图形实例如图6所示。

图6.反相放大器曲线
趁此机会说一下电路调试。在课堂中的某个时候,你可能无法让电路工作。这并不意外,没有人是完美的。但是,你不应简单地认为电路不工作必定意味着器件或实验仪器有故障。这基本上不是事实,99%的电路问题都是简单的接线或电源错误。即便是经验丰富的工程师也会不时出错,因此,学会如何调试电路问题是学习过程中非常重要的一部分。为你诊断错误不是助教的责任,如果你以这种方式依赖其他人,那么你就错过了实验的一个关键点,你将不大可能在以后的课程中取得成功。除非你的运算放大器冒烟,电阻上出现了棕色烧伤痕迹,或者电容发生爆炸,否则你的元器件很可能没问题。事实上,大多数器件在发生重大损伤之前都能容忍一定程度的滥用。当事情不妙时,最好的办法就是断开电源并寻找一个简单的解释,而不要急着责怪器件或设备。在这方面,DMM可是一件十分有价值的调试工具。
输出饱和:
现在将图5中的反馈电阻R2从4.7 kΩ更改为10 kΩ。现在的增益是多少?将输入信号的幅度缓慢增加至2 V,仍然以2.5 V为中心,并将波形导出到实验室笔记本电脑中。任何运算放大器的输出电压最终都会受电源电压的限制,而在很多情况下,由于电路中存在内部电压降,实际限制要远小于电源电压。根据你的以上测量结果量化AD8541的内部压降。如果你有时间,可尝试用OP97或OP27放大器替换AD8541,并比较它能产生的最小和最大输出电压。
求和放大器电路:
图7所示电路是一个带有四个输入的基本反相放大器,称为求和放大器。图7的配置与你在教科书中看到的略有不同,因为ADALM1000只提供单个正电源电压。放大器的同相(+)输入连接到2.5 V,即电源电压的一半,而不是接地。这就改变了求和放大器方程式。输入电阻上出现的输入电压现在是相对于2.5 V(即所谓共模电平)进行测量。它们应减去2.5 V,因此0 VIN变为-2.5 V,+3.3 VIN变为+0.8 V。输出电压也应相对于+2.5 V电平来测量。为使常规方程式正确,输出电压也将减去2.5 V共模电平。另一种思路是考虑所有输入均为2.5 V(或悬空)的情况。任何输入电阻中都没有电流流动(其两端的电压为0 V),因此反馈电阻中也没有电流流过(其电压为0 V)。输出电压将为2.5 V。
此电路使用四个数字输出PIO 0、PIO 1、PIO 2和PIO 3作为输入电压源。每个数字输出具有接近0 V的低输出电压或接近3.3 V的高输出电压。使用叠加(并校正2.5 V共模电平),我们可以证明VOUT是VPIO0、VPIO1、VPIO2和VPIO3的线性和,其中每个都有自己独特的增益或比例系数(由1 kΩ反馈电阻除以各自电阻所得的比值设定)。
PIO 0值最高,输出变化最小(最低有效位),PIO 3值最低,输出变化最大(最高有效位)。请注意,PIO 3电阻由两个4.7 kΩ电阻并联而成。

图7.求和放大器配置
断开电源后,修改反相放大器电路,如图7所示。重新连接电源,然后使用数字输出控件填写以下两个表格。在第一个表格中,记录每个数字输出的低电压和高电压。在高阻模式下使用CB-H示波器输入来完成此任务。在第二个表格中,记录PIO 0、PIO 1、PIO 2、PIO 3的所有16种1和0组合的输出电压。你还应确认,当所有四位悬空或处于高阻(X)状态时,输出电压确实为2.5 V。
表1.低电压和高电压
数字引脚 | 低电压 | 高电压 |
PIO 0 | ||
PIO 1 | ||
PIO 2 | ||
PIO 3 |
表2.输出电压
数字位 | 输出电压 |
P3、P2、P1、P0 | |
0000 | |
0001 | |
0010 | |
0011 | |
0100 |
使用电阻值计算每个输入组合的预期输出电压,并与测量值进行比较。
同相放大器:
同相放大器配置如图8所示。与单位增益缓冲器一样,此电路具有(通常)较好的高输入电阻特性,因此它可用于缓冲增益大于1的非理想信号源。

图8.具有增益的同相放大器
组装图8所示的同相放大器电路。组装新电路之前,请记得关闭电源。从R2 =1 kΩ开始。
施加一个500 Hz正弦波,CA-V设置为2.0 V最小值和3.0 V最大值(1 V p-p,以2.5 V为中心),并在示波器上显示输入和输出波形。测量此电路的电压增益,并与课堂上讨论的原理进行比较。导出波形图并将其包含在实验报告中。
图形实例如图9所示。

图9.同相放大器曲线
将反馈电阻(R2)从1 kΩ增加到约4.7 kΩ。记住,你可能需要降低输入的幅度以防止输出饱和(削波)。现在的增益是多少?
增加反馈电阻,直到削波开始——也就是说,直到输出信号的峰值因为输出饱和而开始变平。记录这种情况发生时的电阻。现在将反馈电阻增加到100 kΩ。在你的笔记本中描述并绘制波形。此时的理论增益是多少?考虑此增益,输入信号必须小到什么程度才能使输出电平始终低于5 V?尝试将波形发生器调整为此值。描述所实现的输出。
最后一步强调高增益放大器的重要考虑因素。对于小输入电平,高增益必然意味着大输出。有时候,这可能导致意外饱和,原因是对某些低电平噪声或干扰进行了放大,例如对拾取自电力线的杂散60 Hz信号的放大。放大器会放大输入端的任何信号......无论你是否需要!
运算放大器用作比较器
将运算放大器配置为比较器,便可利用运算放大器的高固有增益和输出饱和效应,如图10所示。这本质上是一个二元状态决策电路:如果“+”端子上的电压大于“–”端子上的电压,VIN > VREF,则输出变为高电平(在其最大值时饱和)。相反,如果 VIN < VREF,则输出变为低电平。电路比较两个输入端的电压,根据相对值产生输出。与之前的所有电路不同,输入和输出之间没有反馈;对于这种情况,我们说电路是开环运行的。

图10.运算放大器用作比较器
比较器的使用方式不同,在以后的部分中我们会看到它的实际应用。在这里,我们将以常见配置使用比较器,生成具有可变脉冲宽度的方波。首先断开电源并组装电路。在反相输入VREF上使用固定的2.5 V输出作为直流电源。
同样,在同相输入端配置波形发生器CA-V:500 Hz频率、2 V最小值和3 V最大值的三角波(以2.5 V为中心)。重新连接电源后,导出输入和输出波形。
图形实例如图11所示。

图11.运放比较器曲线
现在通过增大(正移位)或减小(负移位)最小值和最大值来缓慢移动三角波的中心,并观察输出发生的情况。你能予以解释吗?
对正弦波和锯齿波输入波形重复上述步骤,并在实验报告中记录你的观察结果。
问题:
压摆率:如何测量和计算单位增益缓冲器配置的压摆率?将其与OP97数据手册中列出的值进行比较。
求和电路:使用叠加导出图8电路的预期传递特性。根据VIN0、VIN1、VIN2和VIN3求出输出电压。将理想关系的预测与你的数据进行比较。
比较器:如果VREF的极性反转会发生什么?
作者简介:Doug Mercer [doug.mercer@analog.com]于1977年毕业于伦斯勒理工学院(RPI),获电子工程学士学位。自1977年加入ADI公司以来,他直接或间接贡献了30多款数据转换器产品,并拥有13项专利。他于1995年被任命为ADI研究员。2009年,他从全职工作转型,并继续以名誉研究员身份担任ADI顾问,为“主动学习计划”撰稿。2016年,他被任命为RPI ECSE系的驻校工程师。
Antoniu Miclaus [antoniu.miclaus@analog.com]现为ADI公司的系统应用工程师,从事ADI教学项目工作,同时为实验室电路®和QA流程管理开发嵌入式软件。他于2017年2月在罗马尼亚Cluj-Napoca加盟ADI公司。他目前是贝碧思鲍耶大学软件工程硕士项目的理学硕士生,拥有克卢日-纳波卡科技大学电子与电信工程学士学位。
史海拾趣
|
本帖最后由 paulhyde 于 2014-9-15 03:36 编辑 初学单片机准备电子设计大赛的时候,这个资料对我帮助很大,也拿出来跟大家分享一下,同时也希望大家把资料拿出来一起分享!~ … 查看全部问答> |
|
我把VC6下的程序向VS2005下转,使用自己编译的ARMV41 SDK,结果程序调试的时候发现走到一处需要指针引用传入的函数时,报错 函数如下: _ADRS *_ADRS::find(_ADRS *&pHead) { ...… 查看全部问答> |
|
我之前做过USB方面驱动,最近要做PCI方面驱动,是实现这样两个功能 1.PCI转2串口+1并口 2.PCI转8串口 想请教的问题是: 1.这两个驱动是不是都属于多功能驱动? 2.多功能驱动的书写需要注意那些问题? 请务必给点意见,十分着急...… 查看全部问答> |
|
高手救命:关于向PCI9054中CPLD寄存器中写入数据的问题? 环境为VC++6.0 CPLD寄存器地址:0x1f000;(偏移量) 要写入值为: 0。 写入数据的具体地址为:总线地址+偏移量 我想知道用什么具体的语句执行这个!那位高手知道,指点我一下吧! 我这先谢谢了!… 查看全部问答> |
|
由于自己对网络方面的PCB布线要求不是很了解,所以自己的第一版lm3s的pcb以失败告终。 只能先用开发板调试。周末花了两天的时间将8962的定时器和串口方面弄明白,以便开展后续工作。 其实,前人的帖子已经说的很到位了,在此我就谈谈自己 ...… 查看全部问答> |
|
原理图: 220V交流市电通过电源变压器变换成交流低压,再经过桥式整流电路D1~D4和滤波电容C4的整流和滤波,在固定式三端稳压器LM7805的Vin和GND两端形成一个并不十分稳定的直流电压(该电压 ...… 查看全部问答> |
|
大家好,本人是PIC单片机新手,但是我很勤奋,我买的ND118-877APIC实验开发板,里面有实例,但是没有源代码,本人自己写代码大家一起交流,希望能陆续写下去,本人QQ476857290 希望大家学习指导 本节学习数码管动态显示0000-9999… 查看全部问答> |




