历史上的今天
今天是:2024年11月18日(星期一)
2019年11月18日 | 用于通信的高压升压和反相转换器
2019-11-18 来源:EEWORLD
电子通信领域正迅速扩展到日常生活的各个方面。检测、传输和接收数据都需要使用大量器件,例如光纤传感器、RF MEMS、PIN二极管、APD、激光二极管、高压DAC等等。在许多情况下,这些器件需要几百伏的电压才能运行,因此需要使用DC-DC转换器,以满足严格的效率、空间和成本要求。
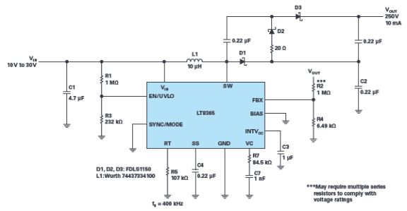
ADI公司的LT8365是一个多用途单芯片升压转换器,集成了一个150 V、1.5 A开关,因此特别适用于通信领域中包括便携式器件在内的高压应用。可以轻松从低至2.8 V和高至60 V的输入中生成高压输出。芯片具备可选的展频功能,可以帮助消除EMI,还有许多其他常用的特性,具体请参见数据手册。图1和图2所示的转换器被用于从12 V输入源为高压DAC、MEMS、RF开关和高压运算放大器提供正压和负压电轨。这些转换器在断续导通模式(DCM)下运行,提供最高10 mA电流,以及+250 V和–250 V输出电压,转换效率约为80%。
升压比 > 1:40
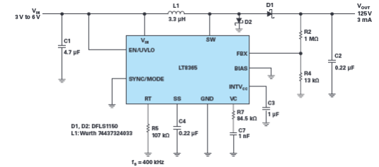
在升压转换器中实施DCM运行的一个优势在于:不论占空比多高,都能够实现高升压比。此外,电感和输出电容的值和物理尺寸都可以减小,从而减小PCB上所使用的解决方案的整体尺寸。图3所示的电路可以轻松部署到小于1 cm2的空间内。

图1.12 V输入到250 V输出的2级升压转换器

图2.12 V输入到–250 V输出的2级反相转换器

图3. 3 V输入到125 V输出的升压转换器
在有些情况下,可用的输入源的电压可能非常低,但却需要高输出电压。此时,可以使用图3所示的转换器来驱动多个雪崩光电二极管、PIN二极管,以及其他需要高偏置电压的器件。这些升压转换器可以从3 V输入生成125 V输出,负载电流最高3 mA。

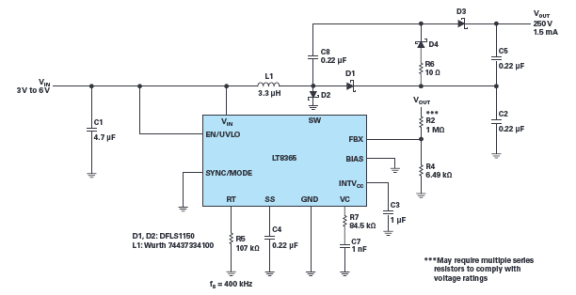
图4.3 V输入到250 V输出的2级升压转换器
图4所示的转换器利用3 V输入,将125 V输出提升到250 V输出,且支持约1.5 mA电流。在通信领域,有许多器件都需要从低输入电压源中获得这么高的偏置电压。
到底可以达到多高或多低?
在需要极高电压的情况中,无论是正电压或负电压,升压转换器都可以使用多级来将输出升高至2倍、3倍甚至更多。图1和图2中所示的转换器展示了在两个方向(正电压和负电压)如何将开关电压翻倍。图5中所示的3级升压转换器可以从12 V输入生成8 mA、375 V输出。

图5.12 V输入到375 V输出的3级升压转换器
注意:可用的输出电流必须随着输出电压上升而下降,这是因为开关电流能力没有改变。例如,用于提供20 mA电流的单级转换器在添加第2个级时,会提供约10 mA电流。添加更多级时,始终确保峰值开关电流始终位于可保证的开关限流值范围内。
输出电压检测得到简化
LT8365提供单个FBX引脚来检测输出电压。如本文中所示的所有示意图一样,由连接到FBX引脚的简单电阻分压器来检测输出电压,无论输出极性为何。
结论
LT8365支持需要对低至2.8 V的输入电压实施紧凑、高效、高输出电压升压转换的应用,这在通信领域是非常常见的。它也可以用作反相转换器,在常用的拓扑中,则可用作(例如)CUK和SEPIC转换器。LT8365采用小型散热增强16引脚MSOP封装。
史海拾趣
|
怎样做才能快速的嵌入式了? 其实,做工程是没有捷径可走的.听听下面一个大牛写的! 先说做硬件: 把你的数字电路教材和模拟电路的教材读熟,暂时先把重点放在数字电路上面,接着把微机原理和接口技术读熟悉了,最好能用汇编写几个简单的程序上机 ...… 查看全部问答> |
|
诸位,咱进入安防行业也是几年了,不算有出息,环顾四周,也没有看见几个有出息的 !回顾这几年的行业生涯,感慨万千,愿意讲几句掏心窝子的话,也算给咱们弟兄们提个醒 ,希望他们比咱强! 1:好好规划自 ...… 查看全部问答> |
|
请教gprs modem拨号成功ppp协商获得ip地址并确认后怎么还无法上网? gprs modem拨号成功,并且ppp协商获得ip地址而且也确认了,但是我在电脑上ping 10.0.0.172还是不通,是不是还要设置什么?电脑还有正常宽带连接中… 查看全部问答> |
|
想学习ARM方面的。现在想学。目前自身的水平是会c,c++,VC都没有问题。汇编懂一点。arm系统以前用过nucleus,也是别人把系统搭好后我添加一些程序。现在自己想设计个板子,包括画板子,写驱动。 请问我该怎么学习?谢谢… 查看全部问答> |
|
在LED灯具中普遍使用的颜色有红绿蓝白黄,从人眼的视觉敏感度来讲,人对黄、绿色的颜色敏感,也就是说这两种颜色稍微有点波动,人眼就能感觉到。衡量颜色的单位是nm(纳米),为了避免颜色波长不同来来的差异,灯具生产公司不得不对LED原材料进行控 ...… 查看全部问答> |
|
请以下参与团购TI工业用样片的ID补充完整信息,逾期将做退货处理! 参与团购TI工业用样片套装的朋友请注意: 1、以下ID未填写个人相关信息,截止至18日中午12:00仍未提供详细信息将以退货处理。https://www.eeworld.com.cn/ee ...… 查看全部问答> |




