历史上的今天
今天是:2024年12月11日(星期三)
2019年12月11日 | 将USBASP改造成STK502编程器
2019-12-11 来源:eefocus
现在淘宝上还有不少USBasp或者USBisp的51/AVR编程器,它们使用了开源的USBasp硬件,以及PROGISP软件或者其它一些下载软件。其实我们可以非常方便的将它们改为STK502编程器,不但稳定性更好,也可以和AVR Studio无缝集成,使用更加方便。
USBasp是开源项目AVRDoper出现之前比较有名的一个开源USB编程器项目,它可以对AVR单片机进行编程。它使用avrdude等软件做为上位机编程软件,可以在Windows和Linux操作系统中使用,但是它不能用于AVR Studio软件中,因为它的驱动使用了libusb,而不是STK500的串口方式。
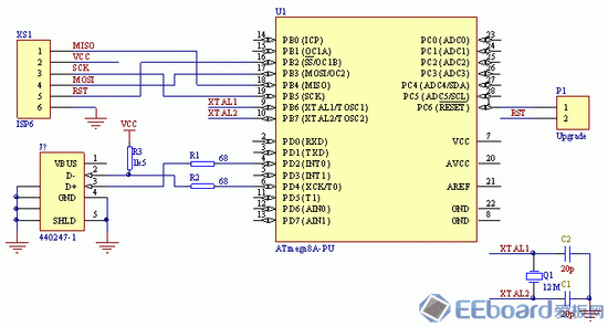
下图是一个简化了的使用AVRUSB的STK502编程器的原理图,是开源项目AVR-Doper的简化版本。为了更容易说明AVRUSB部分的功能,这里只保留了USB接口和编程接口部分的电路,去掉了电平转换、端口保护电路、升压电路、高压编程等功能,这也是AVR业余爱好者DIY时常用的一个电路。淘宝上的USBASP和这个差不多,基本没有任何保护电路(十多元的东西,要求也没有办法太高了)。如果想做一个功能完善、带有良好保护电路的STK502编程器,可以参考一下AVRUSB的开源项目AVRDoper,它提供了详细的原理图和完整的代码。
下图中XS1作为编程接口,它使用了标准的6芯接口方式,通过它可以对其它单片机进行编程(XS1也可以使用10芯的接口方式)。如果将P1使用短路块连接,那么这个接口也可以作为外部编程器对单片机U1的编程接口,方便升级单片机的程序,或者写入Bootloader、改变熔丝位等。

因为AVR-doper这个项目已经提供了完整的参考程序,所以只需要拿过来修改一下参数就能使用(主要就是USB接口D+和D-部分的参数和编程接口的定义)。和其它AVRUSB项目的参数设置不同,这个项目的参数配置稍微有一点特殊,它不是直接修改参数配置文件usbconfig.h,而是修改另外一个硬件配置文件hardware.h。打开文件hardware.h后,找到下面代码段后,就可以根据说明修改对应的参数:
/* The following defines can be used with the PORT_* macros from utils.h */
//这一行选择硬件,1代表使用USBASP硬件方式
#define USBASP_HARDWARE 1
#if USBASP_HARDWARE /* USBasp hardware from www.fischl.de/usbasp/ */
#undef ENABLE_HVPROG
#define ENABLE_HVPROG 0
#define METABOARD_HARDWARE 1 /* most settings are the same as for metaboard */
//定义LED指示灯接口
#define HWPIN_LED C, 1
#define HWPIN_ISP_SUPPLY1 C, 3 /* these pins are NC on USBasp */
#define HWPIN_ISP_SUPPLY2 C, 4
//定义ISP编程端口,也就是硬件SPI端口
#define HWPIN_ISP_RESET B, 2
#define HWPIN_ISP_MOSI B, 3
#define HWPIN_ISP_MISO B, 4
#define HWPIN_ISP_SCK B, 5
//USB接口,DPLUS代表D+,DMINUS代表D-
#define HWPIN_USB_DPLUS D, 2
#define HWPIN_USB_DMINUS D, 4
#define HWPIN_ISP_TXD D, 0
#define HWPIN_ISP_RXD D, 1
#define HWPIN_JUMPER C, 2
#elif METABOARD_HARDWARE /* Metaboard hardware from www.obdev.at/goto?t=metaboard */
上面的参数配置是对应上面的参考电路图,大家可以根据自己使用的单片机和具体硬件电路修改上面的参数。最主要的参数就是上面深色背景表示的参数,它们分别对应LED指示、ISP编程接口、USB接口等。修改并保存参数后,重新编译整个项目,最后下载到单片机中就可以进行编程测试了。
如果使用BootloadHID配合AVR-Doper,效果更好。用户可以随时通过USB升级编程器固件程序,或者改变程序的功能。
史海拾趣
|
file:///C:/Documents%20and%20Settings/Administrator.4797A7AA28774FE/桌面/未命名.bmp请问这个电路中电感RFC和电容Cbypass值应如何计算,假如放大器的输出频率为5000MHz… 查看全部问答> |
|
如谁有这方面的材料的 请发给我一下可以么?不一定符合下面的要就的,关于多点温度检测系统的都可以发给me,设计一个多点温度检测系统,系统结构框图如下 : 温度测点1→ → 检测器单元1   ...… 查看全部问答> |
|
VXWORKS启动时超级终端会打印以下信息: Copyright 1984-1998 Wind River Systems, Inc. CPU: Motorola ADS - PowerPC 860 VxWorks: 5.4 ...… 查看全部问答> |
|
在嵌入式系统上做Qt串口显示程序 ,make后出现的问题,查了一些资料,有的说是pro里面的HEADERS忘记加就会出现这个问题(具体加什么没说);有的说是出现“undefined reference”表示你缺少*.h 困扰很 ...… 查看全部问答> |
|
我现在写不了某些寄存器(就I2C寄存器写不进去,其他都可以) 有遇见这种问题的么? 我是关了MMU的啊~ 情况如下: 我在shell中输入 查看内存0x55000000位置的寄存器。 d 0x55000000 55000000: 0100 0000 0000 0000 0000 0000 00 ...… 查看全部问答> |
|
求购 S3C4510B 的开发板 最近找了份4510b的资料,看着不错可惜没有板子练。真是郁闷啊!不知道哪为高手还有收藏! 有的话留个言! 电话:13141280460 qq:406672875… 查看全部问答> |
|
在自测试模式下,想实现从邮箱1发数据给邮箱3,但是运行程序发现TRS寄存器不能置位,信息发不出去,不知道怎么回事。 有没有人遇到过类似情况呢? 程序如下 void InitECan(void) { struct ECAN_REGS ECanaShadow; EALLOW; / ...… 查看全部问答> |
|
学习C5416已经很久了,但是进度非常的慢,一个人盲打莽撞。 最近又碰上了个卡了很久的问题: 想用一个串口实现同时输入输出,因为C5416是全双工的。我用5416与TLV2541和TLV5636相接实现信号的输入与输出。 5416一个 ...… 查看全部问答> |
|
The embedded system of the analog design 好书适合数字工程师了解的模拟知识 本书为那些希望掌握基本模拟知识的数字工程师而写,内容包括A/D转换器、D/A转换器、运放、滤波器以及模拟和数字系统集成设计。 本书特别适合那些从事信息家电、工业控制和机电控制系统等模拟/数字 ...… 查看全部问答> |




