历史上的今天
今天是:2024年12月18日(星期三)
2019年12月18日 | 经典的运用PIC单片机实现LED点阵手写屏设计方案
2019-12-18 来源:elecfans
本文提出了一种基于PIC单片机的LED点阵手写屏设计方案,本方案采用PIC 16F877A单片机为主要核心控制元件,设计了一个32×32 LED点阵模块的书写显示屏。它主要由光笔模块和点阵显示模块组成,光笔模块利用光敏电阻的光电特性,实现微亮检测功能。
1 概述
本方案采用PIC 16F877A单片机为主要核心控制元件,设计了一个32×32 LED点阵模块的书写显示屏。它主要由光笔模块和点阵显示模块组成,光笔模块利用光敏电阻的光电特性,实现微亮检测功能。光笔反馈信号经放大器LM324比较后,送给单片机处理。32×32点阵显示模块、驱动模块由74HC595外设驱动阵列和8位串行输入/输出移位寄存器ULN2803A组成。光笔通过显示屏微亮扫描寻找坐标值,按键和LED指示灯可实现“点亮、划亮、反显、整屏擦除、笔画擦除、连写多字、对象拖移”等书写显示功能。
2 方案总体构成
本方案中的系统设计包括三大部分:PIC 16F877A单片机主控器、光笔控制器、点阵显示屏。系统的结构如图1所示。

图1 系统结构框图
PIC系列单片机是完全集成的混合信号系统级芯片,具有与8051兼容的微控制器内核,与MCS-51指令集完全兼容。其内部还集成了数据采集和控制系统中常用的模拟部件和其他数字外设及功能部件,并包括A/D和D/A模块,执行速度快,功能强大。
光笔选用光敏电阻作为感应器件,根据光敏电阻的光电特性,光敏电阻两瑞电压因光电阻的变化而变化。电压值经电压比较器LM324比较后可输出高/低电平。光电特性非线性易调节,且灵敏度较好。
LED与数码管同步使用,LED用于功能指示灯,数码管用于32×32点阵LED模块书写显示屏当前光笔所在的行/列坐标值。
3 硬件设计
3.1 分析与计算
3.1.1 光笔选取与参数设计
点阵用微亮的光进行扫描,光笔用来感应。当光笔感应到光时,通过程序可获当前点阵光对应的坐标值。从而做出相对应的处理。光笔起着关键作用,其感应器件是光敏电阻。光敏电阻的光电特性如图2所示。

图2 光敏电阻光电特性
光敏电阻安装在光笔笔头,用于感应点阵扫描光。光笔电路图如图3所示。电路经过放大器LM324进行正相输入/反相输入电压比较,输出高低电位。经测量可知,在光照条件下,LM324输出端为0V(RB0),光敏电阻两端电压为0V;无光时,光敏电阻两端电压为2.8V,LM324输出端为高电位。由分压公式可得出RP阻值为7360Ω。当光笔接收到不同光线时,只需调节电位器,光笔正常工作。所以,在不同环境下,只需调节电位器,点阵显示屏一样正常工作。

图3 光笔电路图
3.1.2 屏亮自动调节设计
屏亮自动调节设计采用光敏电阻和LM317(三端可调正电压稳压器)实现屏亮自动调节。由光敏电阻光电特性原理可知,光敏电阻在不同光线照射下,阻值不一样。根据此原理,光敏电阻与LM317可调电阻并联。当光线不一样时,LM317输出不一样的电压阻值。屏亮自动调节电路如图4所示。

图4 LID屏亮度自动调节电路
LM317输出电压计算,Vout由调节端的总电阻R和电流I共同决定。其输出电压计算公式为:

这里通过改变电阻而改变电压。
3.1.3超时关显示节电设计
当光笔长时间(1~5min时间可由控制器输入设定)未接触显示屏,能自动关闭显示并进入休眠状态。进入休眠状态由程序控制,单片机进入休眠后,消耗电流在2mA以下。
3.2 电路设计
3.2.1 点阵显示屏电路设计
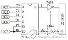
32×32点阵LED显示屏共有32个端口,如不驱动点阵,占用单片机I/O过多。这里采用74HC595(八外设驱动阵列)、ULN2803A(8位串行输入/输出移位寄存器)点阵行驱动和74HC154、7404点阵列驱动。共同完成32×32点阵LED显示屏驱动。显示屏行驱动电路如图5所示、列驱动电路图如图6所示。仅仅用到8个I/O口,点用资源少,易控制并且显示效果很好。

图5 显示屏行驱动电路图

图6 显示屏列驱动电路图
3.2.2 坐标显示电路设计
根据题目要求,在“点亮”功能下,光笔接融到显示屏某点时,控制板同步显示该点的坐标值。坐值标为数字,所以可采用四个数码管作为显示器件。采用74LS164扩展单片机I/O口,其电路如图7所示。共有四套这样的电路,其中两套用于X轴显示,另外两套用于Y轴显示。

图7 坐标显示电路
4 软件设计
该系统对软件设计要求高,大部分功能只能由软件完成。因程序量大,时间有限,采用C语言编程,这样就大大提高了程序移值性问题,提高了编程效率。编程关键点在于微亮扫描与捕捉储存,如图8所示。

图8 扫描与储存部分流程图
5 总结
本方案所设计的32×32点阵LED模块书写显示屏,采用PIC 16F877A单片机为主要核心控制元件,主要由光笔模块和点阵显示模块组成,应用光敏电阻的光电特性,对光进行检测感应,反馈给单片机,光笔通过显示屏微亮扫描寻找坐标值,按键和LED指示灯可实现“点亮、划亮、反显、整屏擦除、笔画擦除、连写多字、对象拖移”等书写显示功能。从而也证实了本方案具有较强的实用性。
史海拾趣
|
(1)打开储液室盖,将新制动液注入储液室,使液面达最高液位标记(如图 1所示“〈”标记)处。(2)如果制动系统刚进行过修理,或平时感觉到制动踏板发软、踏板行程过长,则应排除空气。排除空气应根据不同车型,严格按规定的程序进行操作。(3) ...… 查看全部问答> |
|
我通过串口把数据传输给Flash ,传输完成后,断电过1-2分钟开机,通过串口能打印出刚才下载到Flash中的数据,但是在断电后过大约30分钟以上,具体时间不是很清楚了,(有时5分钟,有时1,2小时),再上电,通过串口发现写入的数据没有了! ...… 查看全部问答> |
|
个位大侠: 我是刚自学usb驱动程序,正打算做usb驱动程序用于毕业设计. 求一个usb驱动程序源码做参考! 有意者请发一份给我!不慎感激!!! 我的e_mail:zhouq200418055@sina.com.cn… 查看全部问答> |
|
人体的神经信号直接表征着人体自我的意思,研究神经信号为了解、识别人体提供了一条途径。多年来。目前,研究内容主要包括神经电极和神经信号调理电路两部分。神经电极可以将神经电信号从人体中提取出来,而神经信号调理电路则对神经信号进行去噪、 ...… 查看全部问答> |
|
把液晶控制器以总线连接方式接到2407DSP上,即 LCD 8位数据线 DB7-DB0 接到 DSP数据线 D15-D18 引脚 LCD的 R/W 接到 DSP地址线 A1 引脚 &nb ...… 查看全部问答> |
|
C2000 Launchpad是否可以仿真其他带JTAG的TI MSP430 C2000 Launchpad是否可以仿真其他带JTAG的TI MSP430?? 因为都是JTAG的嘛,不知道行不行.… 查看全部问答> |
|
今天天气不错,早上看了下RXT-51的操作手册,下午写几行代码试了下,一次性通过。搞了个数码管显示温度的的。 #include #include unsigned int TEM() ; void DS18B20int() ; #define   ...… 查看全部问答> |




