历史上的今天
今天是:2024年12月23日(星期一)
2019年12月23日 | AVR单片机在小型工业控制系统的抗干扰研究设计
2019-12-23 来源:elecfans
1. 引言
单片机在工业控制领域应用时不同于民用、商用领域中的应用,工业控制所处的环境相对比较恶劣,干扰源多,其常见干扰源来自现场工业电气在投入、运行、切断等工况下产生的静电感应、尖峰电压、浪涌电流等干扰。实践表明,在工作室中按用户要求设计的小型工业采暖控制系统,尽管各项逻辑功能及技术指标的测试都正常,但该系统拿到现场上却不能使用,检测失灵,操作失控,显示花屏等现象接踵而来。经分析,其干扰是从现场不同路径传入单片机控制系统的。切断干扰源,提高单片机抗干扰能力是解决控制系统正常工作的前提。
2 抗干扰措施
2.1 测温信号的抗干扰
测温电路采用的是单总线芯片DS18B20,该芯片具有测温精度高,连接线路简单等优点,其测温范围为-55℃到+125℃。适合于采暖系统测温,在实际应用中当温度在 60℃以下时可正常工作,随着温度的升高,当温度大于 60℃以上时,测温数据开始跳动,且温度越高跳动越剧烈,甚至无法观测。电源加了滤波退偶电路效果不明显,在数据线上并接小电容进行高频旁路时,电容小不起作用,电容大了则数字信号消失。最后经试验在数字电路上加如图 1所示标称值的 RC阻容滤波电路达到了预期效果。

2.2 限位开关信号的抗干扰
由于限位开关及馈线与 220V交流负载比较靠近,因此,负载产生的交流强磁场直接对限位开关及馈线产生干扰。解决的办法采用光电隔离方式,通过光耦组件 PC827将单片机控制回路与被控回路负载(如电机)隔离开来。从而大大减小了来自负载回路对单片机产生的干扰。
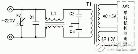
2.3 电源回路的抗干扰
电源干扰中的尖峰干扰是一种频繁出现的叠加于电网正弦波上的高能脉冲,其幅度可达几千伏,宽度只有几个毫微秒或几个微秒,抑制办法可从多方面入手。如图 2所示,T1为电源变压器,在其交流电源的输入端并联压敏电阻 RV用来吸收电网瞬间产生的尖峰电压;C1为高频旁路电容,抑制高频差模干扰,C2和 C3用来抑制高频共模干扰。电感 L1中两个线圈绕向相同,流过的电流大小相等,但每一瞬变间的电流方向相反使感生的电磁场方向也相反,故生成的反电势干扰可以相互抵消。可有效抑制电源端较低频率的干扰。

2.4 输出驱动电路的抗干扰
输出驱动采用电磁继电器方式,通过电接点带动交流电机或直流电磁铁,尽管继电器具有一定的电磁隔离作用,但交流电机或电磁铁激磁线圈断开时会产生高压反电势产生串扰。解决的办法如图3(a)所示,在交流负载如电机两端并接一个高压电容C2,当驱动电路使继电器接点 K断开电机时产生的高压反电势可由并接在电机负载上的电容 C2来吸收掉。该电容大小应适当,一般取所带电机中分相电容 C1的十分之一即可。太小作用不明显,太大则影响分相电容的工作,以致启动力矩太小电机堵转。
另外继电器内部的交流 220V接点离继电器线圈很近,很容易产生静电干扰,严重时会使液晶显示器乱码。实践证明继电器结构不同其抗静电干扰能力也不同。应尽量选择继电器线圈与接点距离较远的为好,如图3(b)中的 J2结构的继电器(JQX14F系列)等。

2.5 液晶显示器的抗干扰
显示电路采用 LCD汉字液晶显示。LCD液晶显示与 LED数码管显示相比具有信息量大,省电,且连接线路简单等优点。但液晶显示的一个致命弱点是抗静电干扰能力差,在使用中一旦有较强的干扰信号出现,显示器就会出现乱码或花屏。尤其是有汉字的液晶显示器花屏出现的机率更高。解决的方法是一方面尽量切断产生静电干扰的途径,另方面是减少液晶显示器本身产生静电干扰的条件。其中,后者更为重要。一般液晶显示器在结构上都有固定液晶显示器面板的金属框。如果在安装时该金属框直接接触外边的固定表盘,形成接触面,使液晶面板会通过金属框及外面固定的金属表盘之间产生电容效应,因而静电干扰不可避免。如图 4所示,要减少静电干扰就必须减少电容效应。具体解决的措施是:将开孔尺寸拓展到图中虚线位置。使得显示器的金属框远离仪表机壳,实测结果电容效应几乎为零。从而乱码和花屏现象不再出现。

2.6外部看门狗与外部时钟
看门狗也称程序监视定时器。尽管 AVR单片机系统内也有该功能的设置,但在应用实践中发现当干扰严重时该功能会失效,即系统死机后单片机内部的看门狗也无法复位。故有必要在单片机外部单独设计看门狗电路。如图 5所示,由 MC4060芯片及外围电路构成一个看门狗电路。MC4060是一个带外接振荡的 14分频定时计数器,R18和 C2时间常数决定振荡频率。采用如图 5所示的参数时,该振荡频率经过 2秒左右时间后 14分频计数器将被记满,Q14由低电平变高电平经三极管 Q3构成的反相器使输出变为低电平,M16单片机被复位。程序正常运行时,会在规定的时间以内(2S左右)由程序向看门狗 MC4060芯片及时发清零(喂狗)信号,使定时计数器还没有记满就被清除,故不会产生复位信号;当程序“跑飞”时,看门狗便不能在规定的时间内得到清除(喂狗)信号,则看门狗将使 M16单片机复位使程序重新开始工作。
为配合看门狗在控制器死机后的复位工作,如图 5所示控制器的系统时钟由外部的时钟专用集成电路DS1307提供,AVR单片机内部时钟资源仅对程序中的延时变量提供相对时间。这样的好处是当看门狗一旦使系统复位,AVR内部时钟必然要清零,而外部系统时钟不会被清零,不影响控制器定时启动或定时停止等项功能的实施。另外,外部时钟 DS1307芯片耗电极省仅需 0.5微安,而内部时钟即使在省电模式下也需要几毫安以上。若用小型 20mAh容量锂电作电源后备,掉电后外部专用时钟可在几年内信息不丢,而内部时钟不到一天就没电了。

3.结束语
在设计开发 AVR单片机在工业控制系统中的应用中,抗干扰是一个不能绕过去的现实课题。要解决该课题,熟悉常用的抗干扰措施是一个重要前提。但由于干扰因素多,控制对象及所要求的控制功能不尽相同,所以抗干扰措施并没有固定模式,只能在实践中通过不断摸索来筛选更合理更有效的方案。本文所述的抗干扰措施是一点实践经验的总结,供参考。
上一篇:AVR单片机的特点优势及功能解析
下一篇:AVR单片机语音识别电路模块设计
史海拾趣
|
1.抓住51开发ARM 这几个月来我一直都爬在51的问题,自己都有一点笑自己了,用了4个月的时间,来巩固51的原理和程序,还好我自己算是走过来了,自己笨,身边的高才生又看不上51的原理,他们都比较“牛”,说51过时了,你问那个做什么???我比较 ...… 查看全部问答> |
|
最近做一个项目,感觉同时存在了5个以上对话框,机子就会挂掉,怀疑是对话框开太多! 死机之前,串口打印出“stack fault……”等错误信息。请问是因为对话框层叠太多的原因吗?… 查看全部问答> |
|
Andrew Armutat 产品市场部 吉时利仪器公司 2602型双通道系统源表[1] 可降低测试成本的重要参数 在本文的前面,介绍过四个降低测试成本的关键因素:缩短测试时间、缩短开发时间、减少测试设备所占的面积和机架的空间大小以及降 ...… 查看全部问答> |
|
上海新进半导体公司(BCD公司)由于生产线扩建,招聘design engineer,system engineer,设备维护工程师,等若干名,power management (AC/DC, DC/DC, LDO) 方向。工作地点在上海紫竹科技园区。待遇面议。注意公司暂不招聘实习生及应届毕业生,请见 ...… 查看全部问答> |
|
这里说下,我买的这个触摸屏是按照LED显示屏用的, 不适合液晶背光的显示器,请大家明白,我的电脑是神舟A420用的。 联系方式qq344864311 [ 本帖最后由 zhang1234bbcc 于 2012-6-29 13:05 编辑 ]… 查看全部问答> |




