历史上的今天
今天是:2024年12月27日(星期五)
2019年12月27日 | 基于单片机空气质量检测仪毕业设计
2019-12-27 来源:51hei
前 言
一、课题研究的目的及意义
空气质量的好坏反映了空气污染程度,它是依据空气中污染物浓度的高低来判断的。来自固定和流动污染源的人为污染物排放大小是影响空气质量的最主要因素之一。空气质量检测种类包括装修污染、办公室内空气检测、作业场所有害物质检测、食堂油烟检测、锅炉大气及工业窑炉检测及工厂排放工业废气检测。
当今,人类正面临“煤烟污染”、“光化学烟雾污染”之后,又出现了“室内空气污染”为主的第三次环境污染。美国专家检测发现,在室内空气中存在500多种挥发性有机物,其中致癌物质就有20多种,致病病毒200多种。危害较大的主要有:氡、甲醛、苯、氨以及酯、三氯乙烯等。大量触目惊心的事实证实,室内空气污染已成为危害人类健康的“隐形杀手”,也成为全世界各国共同关注的问题。据统计,全球近一半的人处于室内空气污染中,室内环境污染已经引起35.7%的呼吸道疾病,22%的慢性肺病和15%的气管炎、支气管炎和肺癌。
本课题主要研究设计基于量化检测的“空气质量检测仪”系统,此系统旨在实现室内空气温度、湿度、有害气体的预警监测,有利于进行全方位的评价室内空气质量,为人类营造一个健康的室内生存空间。空气质量检测仪体积小,功耗低,操作简单,适合应用于家庭和社区的医疗健康保健,能够实时知道室内空气的质量。
二、国内外的研究状况
气体传感器测定甲醛成为近年来甲醛检测研究的新热点。早在1983年,压电类甲醛传感器就已问世。这种传感器可以不需要对样品进行任何处理就可以测定,但易受水分子的影响而使晶体震动频率发生漂移,故基本无实用性。为适应室内空气甲醛现场快速检测的要求,目前已开发出不少甲醛快速测定仪,这些仪器可直接在现场测定甲醛浓度,操作方便,适用于室内和公共场所空气中甲醛浓度的现场测定,也适用于环境测试舱法测定木质板材中的甲醛释放量。但这些仪器的工作原理、响应性能、适应范围等都不同。
在测试甲醛、苯等害气体方面,国外比较出名的有:美国ESC公司生产的Z一300甲醛检测仪、英国PPM公司生产的PPM-400甲醛检测仪;国内的有:江苏安普电子工程有限公司生产的400型甲醛分析仪、北京宾达绿创科技有限公司生产的甲醛测定仪抑一308等。
这些仪器可实现对有害气体的检测功能,适用于专业检测机构或实验研究机构。准确测定甲醛、苯、氨等有害气体的设备昂贵(如英国PPM公司生产的PPM400甲醛仪约两万多元),测定时间较长,每隔一段时间就需进行重新标定,需要专业人员进行操作,很难连续测定;目前国内外产品的设计差异主要集中在监测传感器和控制单片机芯片的选用,操作方面国外的产品操作界面方便,功能加完备。
本课题的主要研究内容、方法及总体设计
§1.1 课题设计的内容
以单片机为核心,选择合适的传感器,实现对空气质量的检测。
§1.2课题设计的方法
查阅相关资料,应用电脑软件进行仿真、调试,制作硬件设备,在实际环境中测试并进行修改、调试,直至达到课题要求。
§1.3总体方案设计
本设计集VOC气体及温湿度监测,显示与报警于一体,利用MCU进行数据采集保证了前台数据的及时、准确,有利于进行全方位的评价。仪器采用锂电池供电,具有良好的便携性和通用性,并且使用LCD点阵式液晶屏显示菜单,有良好的人机对话界面。
§1.3.1系统框图

图1-1 系统总框图
§1.3.2功能设定
显示部分采用LCD1602显示屏,循环显示各项测量值的上下限及实际浓度、实际温度、湿度。并在按键选择情况下连续显示一个测量值的变化。
当有害气体浓度超出安全范围时进行声光报警。
按键操作可进行测量值范围的调整,及手动和自动测量的转换。
第2章 空气质量检测仪的硬件设计
§2.1 空气质量检测仪系统简介
基于STC90C51的室内便携式智能空气质量监测仪是以室内空气中有毒有害气体的监测监控为背景,能够实现对室内温度,湿度,VOC气体的实时采集处理、显示、报警等功能。仪器采用锂电池供电,具有良好的便携性和通用性,并且使用LCD点阵式液晶屏显示菜单,有良好的人机对话界面。同时设计了声光报警系统,实现在参数超标时及时的报警。室内智能空气品质监测仪体积小,功耗低,操作简单,适合应用于家庭和社区的医疗健康保健,能够实时知道室内空气的质量。
§2.1.1 系统硬件结构及原理
本文研究的室内便携式智能空气品质监测仪是以STC工公司的一款8位超低功耗单片机STC90C51为控制核心。室内空气中有害气体通过传感器输出一个与气体浓度相对应的电压信号,该信号经过A/D转换电路按一定得采样频率将模拟信号转换为数字信号送入单片机进行数据采集以便进行显示处理,温湿传感器直接与单片机相连。单片机对采样值进行数字处理后驱动液晶显示器分别显示出被测室内空气中的VOC气体浓度值及温湿度。若被测室内空气中VOC气体的浓度有超过国家标准或设定的危险值或温湿度超出设定范围时报警电路对应的发出声光报警信号。
§2.2 STC90C51单片机简介
随着计算机技术的发展,单片机因具有集成度高、体积小、速度快、价格低等特点而在许多领域如过程控制、数据采集、机电一体化、智能化仪表、家用电器以及网络技术等方面得到广泛应用,从而使这些领域的技术水平、自动化程度大大提高。根据上述几方面及本课题的实际情况,单片机型号的选择主要从以下两点考虑:
一是要有较强的抗干扰能力。由于一般室内电子电器产品比较多,这对单片机的干扰较大,所以应采用抗干扰性能较好的单片机机型。
二是要有较高的性价比。由于高度的通用性和出色的稳定性,本系统采用宏晶公司产的低功耗,高性能CMOS 8位单片机的STC90C51作为控制器。片内含4k bytes的可系统编程的Flash只读程序存储器,器件采用ATMEL公司的高密度、非易失性存储技术生产,兼容标准8051指令系统及引脚。它集Flash程序存储器既可在线编程(ISP)也可用传统方法进行编程及通用8位微处理器于单片芯片中,可提供许多高性价比的应用场合,可灵活应用于各种控制领域。
§2.2.1STC90C51主要性能参数:
与MCS.51产品指令系统完全兼容
4k字节在系统编程(ISP)Flash闪速存储器
1000次擦写周期
4.0-5.5V的工作电压范围
全境态工作模式:0Hz-33MHz
三级程序加密锁
128×8字节内部RAM
32个可编程I/O口线
2个16位定时器/计数器
10、6个中断源
11、全双工串行UART通道
12、低功耗空闲和掉电模式
13、中断可从空闲模唤醒系统
14、看门狗(wDT)及双数据指针
15、掉电标识和快速编程特性
16、灵活的在线系统编程
STC90C51芯片管脚如图2-1。

图2-1 STC90C51引脚布置
§2.2.2时钟电路模块
时钟电路由一个晶体振荡器12MHZ和两个30pF的瓷片电容组成。时钟电路用于产生单片机工作所需要的时钟信号,而时序所研究的是指令执行中各信号之间的相互关系。单片机本身就如一个复杂的同步时序电路,为了保证同步工作方式的实现,电路应在唯一的时钟信号控制下严格地工作。其电路如图2-2所示:

图2-2 时钟电路模块
§2.2.3复位电路模块
复位电路是使单片机的CPU或系统中的其他部件处于某一确定的初始状态,并从这状态开始工作,除了进入系统的正常初始化之外,当由于程序运行出错或操作错误使系统处于死锁状态时,为摆脱困境,也需按复位电路以重新启动。本设计采用的是按键复位电路。其电路如图2-3所示:

图2-3 复位电路模块
§2.3传感器的选用
§2.3.1气体传感器
1.气体传感器基础知识
按照气敏特性来分,气体传感器主要分为:半导体型、电化学型、固体电解质型、接触燃烧型、光化学型等气体传感器,又以前两种最为普遍。
(1)半导体型气体传感器的优缺点
半导体气体传感器具有成本低廉、制造简单、灵敏度高、响应速度快、寿命长、对湿度敏感低和电路简单等优点。不足之处是必须在高温下工作、对气体或气味的选择性差、元件参数分散、稳定性不理想、功率高等方面。
(2)半导体传感器需要加热的原因
半导体传感器是利用一种金属氧化物薄膜制成的阻抗器件,其电阻随着气体含量不同而变化。气体分子在薄膜表面进行还原反应以引起传感器电导率的变化。为了消除气体分子达到初始状态就必须发生一次氧化反应。传感器内的加热器可以加速氧化过程,这也是为什么有些低端传感器总是不稳定,其原因就是没有加热或加热电压过低导致温度太低反应不充分。
(3)电化学气体传感器的工作原理
电化学气体传感器是通过监测电流来监测气体的浓度,分为不需供电的原电池式以及需要供电的可控电位电解式,目前可以监测许多有毒气体和氧气,后者还能监测血液中的氧浓度。电化学传感器的主要优点是气体的高灵敏度以及良好的选择性。不足之处是有寿命的限制一般为两年。
(4)半导体传感器和电化学传感器的区别
半导体传感器因其简单低价已经得到广泛应用,但是又因为它的选择性差和稳定性不理想目前还只是在民用级别使用。而电化学传感器因其良好的选择性和高灵敏度被广泛应用在几乎所有工业场合。
(5)固态电解质气体传感器
顾名思义,固态电解质就是以固体离子导电为电解质的化学电池。它介于半导体和电化学之间。选择性,灵敏度高于半导体而寿命又长于电化学,所以也得到了很多的应用,不足之处就是响应时间过长。
(6)接触燃烧式气体传感器
接触燃烧式气体传感器只能测量可燃气体。又分为直接接触燃烧式和催化接触燃烧式,原理是气敏材料在通电状态下,可燃气体在表面或者在催化剂作用下燃烧,由于燃烧使气敏材料温度升高从而电阻发生变化。后者因为催化剂的关系具有广普特性应用更广。
(7)光学式气体传感器
光学式气体传感器主要包括红外吸收型、光谱吸收型、荧光型等等,主要以红外吸收型为主。由于不同气体对红外波吸收程度不同,通过测量红外吸收波长来监测气体。目前因为它的结构关系一般造价颇高。基于本文的实时要求和性价比等方面的原因,本系统选用电化学传感器中的定电位电解式气体传感器。
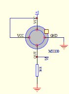
本设计针对VOC气体选用能够侦测0.1ppm以上的气体的空气质量VOC气体浓度传感器MS1100用于检测空气中的甲醛、苯、二甲苯等检测空气中的甲醛、苯、二甲苯等多种有机挥发成分,具有极高的灵敏度和稳定性,体积小巧。实物如图2-4,使用时的连接电路如图2-5。

图2-4 VOC传感器实物图 图2-5 VOC传感器接线图
§2.3.2温湿度传感器
温湿度传感器是指能将温度量和湿度量转换成容易被测量处理的电信号的设备或装置。温湿度传感器一般是测量温度量和相对湿度量。
鉴于测量温湿度的范围不大,精度要求不高故采用数字温湿度传感器DHT11。实物如图2-6。

图2-6 DHT11实物图
具有的特性:相对湿度和温度测量、全部校准,数字输出、卓越的长期稳定性、无需额外部件、超长的信号传输距离、超低能耗、4引脚安装、完全互换。
DHT11产品概述
DHT11数字温湿度传感器是一款含有已校准数字信号输出的温湿度复合传感器。它应用专用的数字模块采集技术和温湿度传感技术,确保产品具有极高的可靠性与卓越的长期稳定性。传感器包括一个电阻式感湿元件和一个NTC测温元件,并与一个高性能8位单片机相连接。因此该产品具有品质卓越、超快响应、抗干扰能力强、性价比极高等优点。每个DHT11传感器都在极为精确的湿度校验室中进行校准。校准系数以程序的形式储存在OTP内存中,传感器内部在检测信号的处理过程中要调用这些校准系数。单线制串行接口,使系统集成变得简易快捷。超小的体积、极低的功耗,信号传输距离可达20米以上,使其成为各类应用甚至最为苛刻的应用场合的最佳选则。产品为4针单排引脚封装。连接方便,特殊封装形式可根据用户需求而提供。
应用领域:
暖通空调、测试及检测设备、汽车、数据记录器、消费品、自动控制、气象站、家电、湿度调节器、医疗、除湿器。
传感器信息见表2-1。
表2-1 DHT11传感器信息
传感器性能说明见表2-2。
表2-2 传感器性能说明
2、接口说明
建议连接线长度短于20米时用5K上拉电阻,大于20米时根据实际情况使用合适的上拉电阻接线方式如图2-7。

图2-7 典型接线电路
3、电源引脚
DHT11的供电电压为3-5.5V。传感器上电后,要等待 1s 以越过不稳定状态在此期间无需发送任何指令。电源引脚(VDD,GND)之间可增加一个100nF 的电容,用以去耦滤波。
4、串行接口 (单线双向)
DATA 用于微处理器与 DHT11之间的通讯和同步,采用单总线数据格式,一次通讯时间4ms左右,数据分小数部分和整数部分,具体格式在下面说明,当前小数部分用于以后扩展,现读出为零.操作流程如下:
一次完整的数据传输为40bit,高位先出。
数据格式:8bit湿度整数数据+8bit湿度小数数据+8bi温度整数数据+8bit温度小数数据+8bit校验和
数据传送正确时校验和数据等于“8bit湿度整数数据+8bit湿度小数数据+8bi温度整数数据+8bit温度小数数据”所得结果的末8位。
用户MCU发送一次开始信号后,DHT11从低功耗模式转换到高速模式,等待主机开始信号结束后,DHT11发送响应信号,送出40bit的数据,并触发一次信号采集,用户可选择读取部分数据。从模式下,DHT11接收到开始信号触发一次温湿度采集,如果没有接收到主机发送开始信号,DHT11不会主动进行温湿度采集,采集数据后转换到低速模式。
(1).通讯过程如图2-8所示

图2-8 通讯过程
操作时序如图2-9,总线空闲状态为高电平,主机把总线拉低等待DHT11响应,主机把总线拉低必须大于18毫秒,保证DHT11能检测到起始信号。DHT11接收到主机的开始信号后,等待主机开始信号结束,然后发送80us低电平响应信号。主机发送开始信号结束后,延时等待20-40us后,读取DHT11的响应信号,主机发送开始信号后,可以切换到输入模式,或者输出高电平均可,总线由上拉电阻拉高。
图2-9 操作时序
总线为低电平,说明DHT11发送响应信号,DHT11发送响应信号后,再把总线拉高80us,准备发送数据,每一bit数据都以50us低电平时隙开始,高电平的长短定了数据位是0还是1。格式见下面图示,如果读取响应信号为高电平,则DHT11没有响应,请检查线路是否连接正常。当最后一bit数据传送完毕后,DHT11拉低总线50us,随后总线由上拉电阻拉高进入空闲状态。
数字0信号表示方法如图2-10所示
图2-10 数字0信号表示方法
数字1信号表示方法如图2-11所示

图2-11 数字1信号表示方法
5、测量分辨率
测量分辨率分别为 8bit(温度)、8bit(湿度)。
6、电气特性如表2-3
表2-3 电气特性
注:采样周期间隔不得低于1秒钟。
7、应用信息
7.1工作与贮存条件
超出建议的工作范围可能导致高达3%RH的临时性漂移信号。返回正常工作条后,传感器会缓慢地向校准状态恢复。要加速恢复进程/可参阅7.3小节的“恢复处理”。在非正常工作条件下长时间使用会加速产品的老化过程。
7.2暴露在化学物质中
电阻式湿度传感器的感应层会受到化学蒸汽的干扰,化学物质在感应层中的扩散可能导致测量值漂移和灵敏度下降。在一个纯净的环境中,污染物质会缓慢地释放出去。下文所述的恢复处理将加速实现这一过程。高浓度的化学污染会导致传感器感应层的彻底损坏。
7.3恢复处理
置于极限工作条件下或化学蒸汽中的传感器,通过如下处理程序,可使其恢复到校准时的状态。在50-60℃和< 10%RH的湿度条件下保持2小时(烘干);随后在20-30℃和>70%RH的湿度条件下保持5小时以上。
7.4温度影响
气体的相对湿度,在很大程度上依赖于温度。因此在测量湿度时,应尽可能保证湿度传感器在同一温度下工作。如果与释放热量的电子元件共用一个印刷线路板,在安装时应尽可能将DHT11远离电子元件,并安装在热源下方,同时保持外壳的良好通风。为降低热传导,DHT11与印刷电路板其它部分的铜镀层应尽可能最小,并在两者之间留出一道缝隙。
7.5光线
长时间暴露在太阳光下或强烈的紫外线辐射中,会使性能降低。
7.6配线注意事项
DATA信号线材质量会影响通讯距离和通讯质量,推荐使用高质量屏蔽线。
8、封装信息如图2-12,

图2-12 DHT11封装图
DHT11引脚说明见表2-4。
表2-4 引脚说明
本设计采用的为DHT11模块,原理图为图2-13:

图2-13 DHT11模块接线图
§2.4模数转换电路设计
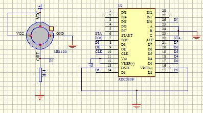
气体传感器出来的信号是模拟信号,而微处理器STC90C51只能处理数字信号,故需要对模拟信号信号进行转换,将其转换为处理器能识别的数字信号,由于测试电路出来的模拟电压变化范围在0~5V,故选择性价比比较合适的ADC0809进行模数转换。其管脚定义如图2-14所示。

图2-14 ADC0809管脚示意图
ADC0809各脚功能如表2-5:
表2-5 ADC0809各脚功能
ADC0809对输入模拟量要求:信号单极性,电压范围是0-5V,若信号太小,必须进行放大;输入的模拟量在转换过程中应该保持不变,如若模拟量变化太快,则需在输入前增加采样保持电路。ADC0809的时序接口为51系列单片机的标准总线接口,操作方便,如同对存储器或I/O操作一样,A/D转换精度为8比特,满足本课题要求。输入的模拟电压为0~5V,一次A/D转换时间为100μS。
ADC0809与单片机及VOC传感器的接线方式如图2-15:

图2-15 ADC0809接线原理图
§2.5声光报警电路设计
为了使本系统对室内空气品质的监测更为直观,采用了如图2-16由2个发光二极管和一个蜂鸣器构成的声光报警电路。其中VOC气体含量超标时双灯闪烁蜂鸣器报警,温度超标时D1灯亮蜂鸣器报警,湿度超标时D2灯亮蜂鸣器报警。

图2-16 声光报警电路
§2.6液晶显示电路设计
本课题所要显示的数据一共有6个,分别是有毒气体的浓度和室内的温度、湿度的范围和测量值,故选用2行16个字符的LCD1602作为显示模块,满足显示要求。液晶显示模块具有体积小、功耗低、显示内容丰富等特点,现在字符型液晶显示模块已经是单片机应用设计中最常用的信息显示器件了。
字符型液晶显示模块是一种专门用于显示字母、数字、符号等点阵式LCD,目前常用16*1,16*2,20*2和40*2行等的模块。下面以长沙太阳人电子有限公司的1602字符型液晶显示器为例,介绍其用法。一般1602字符型液晶显示器实物如图2-17:


图2-17 1602字符型液晶显示器实物图
§2.6.1LCD1602的基本参数及引脚功能
1602LCD分为带背光和不带背光两种,基控制器大部分为HD44780,带背光的比不带背光的厚,是否带背光在应用中并无差别,两者尺寸差别如下图2-18所示:

图2-18 1602LCD尺寸图
1602LCD主要技术参数:
显示容量:16x2个字符芯片
工作电压:4.5V—5.5V
工作电流:2.0Ma(5V)
模块儿最佳工作电压:5.0V
字符尺寸:2.95×4.35(W×H)mm
引脚功能说明:
1602LCD采用标准的14脚(无背光)或16脚(有背光)接口,各引脚说明如表2-6所示:
表2-6 1602引脚说明
第1脚:VSS为地电源。
第2脚:VDD接+5V正电源。
第3脚:VL为液晶显示器对比度调整端,接正电源时对比度最弱,接地时对比度最高,对比度过高时会产生“鬼影”,使用时可以通过一个10K的电位器调整对比度。
第4脚:PS为寄存器选择,高电平时选择数据寄存器、低电平时选择指令寄存器。
第5脚:R/W为读写信号线,高电平时进行读操作,低电平时进行写操作。当RS和R/W共同为低电平时可以写入指令或者显示地址,当RS为低电平R/W为高电平时可以读忙信号,当RS为高电平R/W为低电平时可以写入数据。
第6脚:E端为使能端,当E端由高电平跳变成低电平时,夜景模块执行命令。
第7~14脚:D0~D7为八位双向数据线。
第15脚:背光源正极。
第16脚:背光源负极。
§2.6.2LCD1602的指令说明及时序
1602液晶模块内部的控制器共有11条控制指令,如表2-7所示:
表2-7 控制命令表
1602液晶模块的读写操作、屏幕和光标的操作都是通过指令编程来实现的。(说明:1为高电平、0为低电平)
指令1:清显示,指令码01H,光标复位到地址00H位置。
指令2:光标复位,光标返回到地址00H。
指令3:光标和显示模式设置 I/D:光标移动方向,高电平右移,低电平左移 S:屏幕上所有文字是否左移或者右移。高电平表示有效,低电平则无效。
指令4:显示开关控制。 D:控制整体显示的开与关,高电平表示开显示,低电平表示关显示 C:控制光标的开与关,高电平表示有光标,低电平表示无光标 B:控制光标是否闪烁,高电平闪烁,低电平不闪烁。
指令5:光标或显示移位 S/C:高电平时移动显示的文字,低电平时移动光标。
指令6:功能设置命令 DL:高电平时为4位总线,低电平时为8位总线 N:低电平时为单行显示,高电平时双行显示 F: 低电平时显示5x7的点阵字符,高电平时显示5x10的点阵字符。
指令7:字符发生器RAM地址设置。
指令8:DDRAM地址设置。
指令9:读忙信号和光标地址 BF:为忙标志位,高电平表示忙,此时模块不能接收命令或者数据,如果为低电平表示不忙。
指令10:写数据。
指令11:读数据。
与HD44780相兼容的芯片时序如表2-8:
表2-8 基本操作时序表
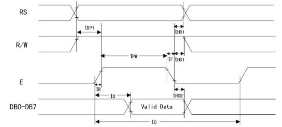
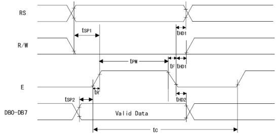
读写操作时序如图2-19和2-20所示:

图2-19 读操作时序

图2-20 写操作时序
§2.6.31602LCD的RAM地址映射及标准字库表
上一篇:单片机用Itoa函数
下一篇:IIC通信建立过程
史海拾趣
|
我用cadence仿真完一个放大电路 然后想查看功率放大 我在calculator里面找到一个 gp函数 是不是用这个来求 但是试了很多次 不知道怎么用 请教高手… 查看全部问答> |
|
[HKEY_CURRENT_USER\\Comm\\RasBook\\***] \"Entry\"=hex:\\ 08,02,40,00,00,00,00,00,00,00,00,00,00,00,BF,D4,00,00,00,00,84,06,B2,C0,C0,\\ 4D,B8,D4,00,00,00,00,90,EE,2A,00,39, ...… 查看全部问答> |
|
我打算学习用单片机控制红外通信的实验,看实验书上用的是红外发射器TSAL6200和HS0038,上网找了这两个的数据手册,却发现这两个芯片都只有两个或者三个管脚(1个电源,1个地,1个输出),数据手册上根本没介绍如何控制这两个芯片,请 ...… 查看全部问答> |
|
最近遇到一个疑惑的问题:、 在我做的东东里有一步是对硬件及其相关进行检测,可是在对芯片的BGA信号(不知道这样说行不行) 进行检测的时候却老是不通过,下面是出错的地方: BOOL DrvExioBitTstGpio(EXIO_PORTMAP io) { ...… 查看全部问答> |
|
求助: Remote Process Viewer 不能连接设备? ActiveSync已经与ARM开发板建立了连接,并且正常。可是通过PB中的Remote Process Viewer与开发板不能建立连接,其中Device Properties连接选项Transport, Startup都是设置为Microsoft ActiveSync. 请问什么原因?… 查看全部问答> |




