历史上的今天
今天是:2025年01月07日(星期二)
2020年01月07日 | 技术文章:电动机&变频器电路配置示例
2020-01-07 来源:TDK电子
随着汽车电动化的发展,马达发生器的需求不断增加。马达与逆变器呈现一体化的趋势,小型、高耐热、耐振动要求也不断提高,因此对元件的高可靠性提出了要求。此外,根据不同配线电感,有时会发生较大的浪涌电压,因此配线及缓冲电容器相关措施不可或缺。同时,噪音对策也同样重要。
驱动马达及发电机时使用了将直流变为交流的逆变器电路。逆变器电路中使用有IGBT等半导体开关,最近则使用了SiC等高速器件,通过高频化不断推进小型化趋势发展。大型马达驱动需要400V以上的电压,逆变器电路前段中使用有升压电路,同时为提高效率,一般会使用两个半导体开关。马达驱动时会迅速流过电流,连接升压电路与逆变器的高压线需要实现稳定化,因此会使用称为DC LINK的电容器。 图1 : 系统结构 SiC、Gan等高速器件得到越来越广泛的使用,逆变器也不断小型化,因此噪音对策变得越来越重要。根据不同配线电感,有时会发生较大的浪涌电压,因此配线及缓冲电容器相关措施不可或缺。 图2 : TDK电容器产品导览 图3 : 代表性电容器 逆变器电路输入需要稳定的DC电压。由于马达是以低频驱动,因此吸收波纹部分需要较大的容量。薄膜电容器的允许波纹电流较大,因此适用于稳定电压。 表1 : 薄膜电容器的产品线 马达驱动时会迅速流过电流。急剧的电流变化会造成大幅振荡电压,从而会导致半导体器件耐压恶化,并产生噪音。CeraLink虽然是SMD,但其拥有高耐压、高容量。通过SMD的优势在优化图案的同时,还可降低配线的寄生电感。此外,由于器件本身ESL较小,因此可减少振荡电压的产生。 图4 : CeraLink®缓冲电路中的运用事例 要求值 ● 高静电容量密度:2 to 5 µF/cm³ ● 低ESL:2.5 to 4 nH ● 高耐热性CeraLink™可安装在半导体附近,并且最高可在150°C下工作 ● dV/dt无限制 图5 : CeraLinkTM在高频、高温下的损耗较小,因此允许波纹电流值较大 马达驱动用逆变器电路及大电力转换器中使用电桥电路。电桥电路由High side(高压)Low side(低压)半导体开关构成,驱动半导体开关时需要稳定电源。High side侧的电压尤为高,汽车马达中最大达到800V。与Low side侧之间需要绝缘电源,因此使用了小型、高耐压的变压器。此外,其中会使用多个半导体开关,而栅极电压一旦不均等则器件间可靠性将会不均匀,因此需要保持电压的均等化。 图6 : TDK变压器产品的特征 表2 : 因结构产生的不同与产品线 IGBT等功率器件以及驱动电路、自我保护功能的电力半导体器件。 图7 : IGBT/FET驱动用变压器使用事例 变压器所要求的特性 ● 高可靠性 …… 次级侧的各绕组间需要绝缘(各绕组间时刻在长时间的严酷环境下施加高电压(400~800V)) ● 高效化 …… 采用低漏磁、偏差小的结构与最佳设计 ● 搭载性 …… 支持高频化,通过最佳Platform化实现小型化








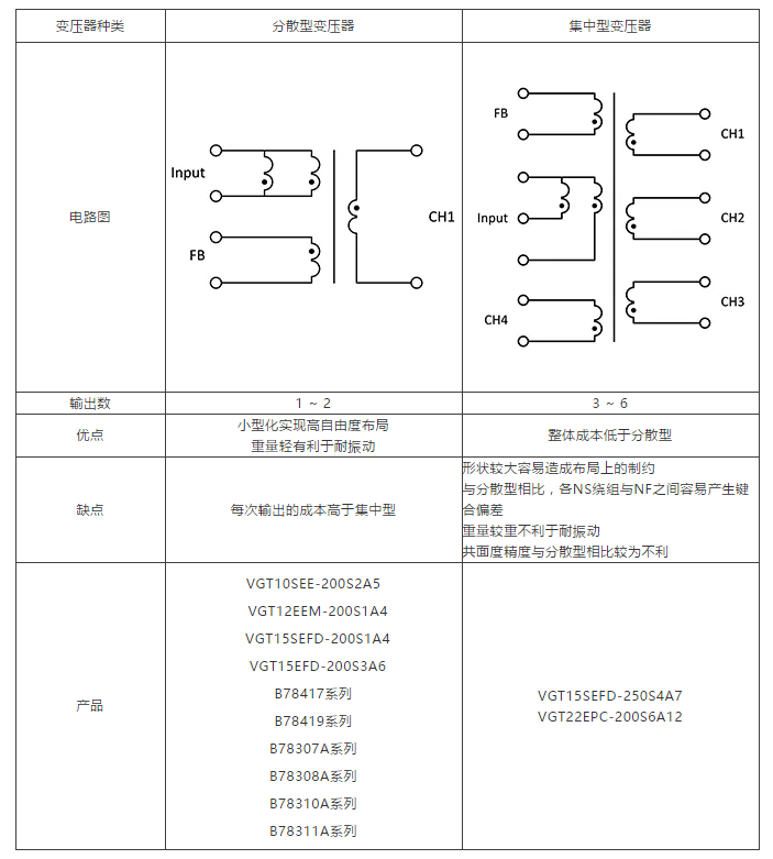
用于驱动IPM的电源电压要求在15V±10%。为了与电力器件绝缘,通常会使用变压器,但变压器特性不佳则会导致电压稳定性降低。此外,为了确保绝缘可靠性,所使用的线材也十分重要,因此采用了在高温环境下也能保持高可靠性的线材。重视空间及成本时使用集中型变压器,而重视配置自由度及电压稳定性时则使用分散型变压器。
史海拾趣
|
想做一个cab安装包,安装今日插件,按照网上的说明写了个安装程序setupdll.dll, 但是在模拟器上(pocket pc se 2003 Emulator)安装发现setupdll没有被调用(在函数Install_Exit中加了MessageBox,没有弹出,注册表也没写) cab安装包使用vs2005做的 ...… 查看全部问答> |
|
我想使用EINTT4作按键中断输入.定义如下: UINT32 g_EINTIrq = IRQ_EINT4; UINT32 g_EINTSysIntr = SYSINTR_UNDEFINED; PUBLIC DWORD CPK_Init(DWORD dwContext) { &n ...… 查看全部问答> |
|
dshow CreateMediaType FreeMediaType 无法解析的外部符号 我在wince6.0上做dshow开发,已经包含的头文件和库 #include #include #include #include #include &n ...… 查看全部问答> |
|
我之前安装开发环境的时候,发现PB中Device Driver中的SD选项没有,后来把Updates全装上了,就出现了SD选项。 前几天系统崩溃了,重新装上所有东西后发现就是SD选项没有,各位有没有遇到过这种情况啊????急 … 查看全部问答> |
|
MCS-51单片机中,采用12Mhz时钟,定时器T0采用模式1(16位计数器),请问在下面程序中,p1.0的输出频率 ? MOV TMOD,#01H SETB TR0 LOOP:MOV TH0,#0B1H MOV TL0,#0E0H LOOP1:JNB TF0,LOOP1 CLR TR0 CPL P1.0 SJMP LOOP… 查看全部问答> |




