历史上的今天
今天是:2025年01月09日(星期四)
2020年01月09日 | 直流电阻测试仪原理是什么_直流电阻测试仪用途
2020-01-09 来源:elecfans
直流电阻测试仪简介
直流电阻测试仪是取代直流单、双臂电桥的高精度换代产品。仪器采用了先进的开关电源技术,由四位半LCD液晶显示测量结果,三位半LCD液晶显示环境温度或测试电流值,克服了其它同类产品由LED显示值在阳光下不便读数的缺点,同时具备了自动消弧功能。本仪器具有测速快、精度高、显示直观、抗干扰能力强、体积小、耗电省、测试数据稳定可靠、不受人为因素影响等优点。是测量电力变压器等各种感性负载电阻及低压开关接触电阻、电线电缆或焊缝接口电阻的理想仪器,其测量速度比电桥快一百多倍。仪器内装可充电电池组(12V),交、直流两用,便于现场及野外测试。

直流电阻测试仪主要特点
1、采用高速16位A/D转换器,测量数据稳定,重复性好。
2、自动程控电流源技术,电流源共设1000个电流档位,由内部微控制器根据被测电阻自动控制,从而达到比较宽的测量范围和最佳的测量状态,无须手动切换电流换档。
3、响应速度快,在测量状态可以直接转换分接开关,仪器会自动提示,新的电阻值很快就会显示出来。
4、高度智能化设计,功能设置巧妙先进,可自动判断测试线虚接、断线等故障。
5、保护功能完善,能可靠保护反电势对仪器的冲击,具有自动放电指示功能。
6、可显示测量电流和测量时间。
7、智能化功率管理技术,可有效减轻仪器内部发热。
8、可储存120次测量数据,掉电不丢失。
9、全部汉字菜单及操作提示,直观方便。10、数字电阻测量仪测量精度高、性能稳定、显示清晰、测量范围宽、抗干扰能力强。

直流电阻测试仪技术指标
输出电流:5A、10A、20A、50A
量程: 40μΩ~400mΩ(50A)
100μΩ~1Ω(20A)
500Ω~2Ω(10A)
1mΩ~4Ω (5A)
准确度:0.2%
分辨率:1μΩ
工作温度:0~40℃
环境湿度:≤90%RH,无结露
工作电源:AC220V±10%,50HZ±1HZ
恒流源:2A(1μΩ~20mΩ、20mΩ~200mΩ、0.2Ω~2Ω)
200mA(2Ω~20Ω)

直流稳压稳流电源特点
直流稳压电源是高稳定度的稳压稳流自动转换的精密直流电源、输出电压在额定范围内连续可调。输出电流、电压显示分别有数显,液晶显示,指针式。电源形式有单路、双路和三路三种以上。双路输出都可设计串联或并联,输出具有良好的、过载、过压、短路等保护措施,安全性极对可靠。
直流电阻测试仪工作原理
直流电阻测试仪内有一个能产生直流电流的恒流源。在测量电阻时,恒流从I+、I-端向被试品馈入恒流,该电流在被测体上产生相应的电压值,这一电压值在V+、V-端取回本机,经放大后,直接用四位半LCD数字显示被试品的电阻值。

直流电阻测量仪的用途
直流电阻测量仪是测量电力变压器、重型电机、互感器等各类理性负载的直流电阻及低压开关接触电阻、电缆电线或者焊缝接口电阻的现实仪器。直流电阻快速测试仪,是取代直流单、双臂电桥的高精度换代产品。变压器绕组的直流电阻测试是变压器在交接、大修和改变分接开关后,必不可少的试验项目。通过测量变压器绕组的直流电阻,可以检查出引线的焊接或连接质量,绕组有无匝间短路或开路,以及分接开关的接触是否良好等情况。在以前对直阻的测量均采用QJ44双臂电桥来测量,而这类电桥的测量电流为毫安级,测量起来时间需要很长,而且精度也较低。为了改变这种状况,缩短测量时间以及减轻测试人员的工作负担,从而开发了直流电阻快速测试仪。
变压器直流电阻测试仪试验典型接线

注意事项:
1.使用本仪器前请仔细阅读使用说明书,检查接线正确无误、接地良好。
2.在测试无载调压绕组的变压器时,不允许在测试过程中或未放完电时切换无载分接开关。
3.在测试过程中不允许拆除测试线,在测试完毕并退出测试状态后,方可进行测试线的拆除。
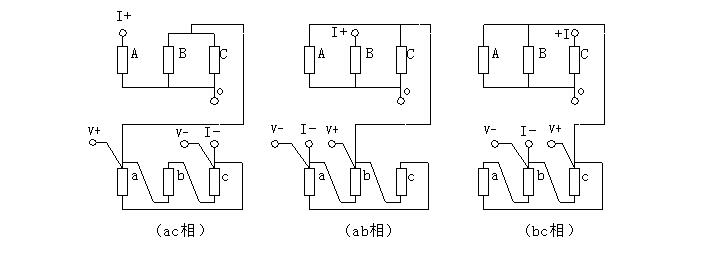
直流电阻测试仪的接线方法
YN绕组的逐项测量:(YN绕组各相的分别测量)接线见图一

图一
D绕组逐项测量:(D绕组各相的分别测量)D绕组接线见图二

图二
单通道直接测量接线:(YND11变压器CO相测量)见图三。

图三
Y绕组逐项测量:(Y绕组各相的分别测量)Y绕组接线见图四

图四
铁芯五柱YND11变压器助磁测量接线:(可选项和逐项助磁测量低压绕组)见图五(I)

图五(I)
对于铁芯五柱YND11变压器助磁测量手动接线:
可以依照图五(II)的外接线方法接线采用单通道方法进行测量

图五(II)
直流电阻测试仪在实际的测试工作中,需要根据实际的被试品来进行相应的接线工作,电力工作者在操作过程之前,需要熟读产品操作说明书,并严格按照说明书进行操作。
下一篇:高压耐压测试仪的特点及应用
史海拾趣
|
这次我偿试按键哈 由于开发板的按键是没有上拉地,直接接个地,我就选了一个下向键作评估 首先我得让管脚上拉,就是高电平有效要不测不出地 查下库中管上拉的只有一个函数 GPIOPadConfigSet 设置指定管脚的配置。函 ...… 查看全部问答> |
|
本帖最后由 paulhyde 于 2014-9-15 09:23 编辑 电脑里面还有许多电子设计大赛的资料,现在整理一下给大家分享一下,呵呵,也许多即将参加大赛的同学有用哦~~ 呵呵,我参加了2010年风云坛友的评选,希望大家多多支持我哦~~感谢啦 ...… 查看全部问答> |
|
下面是一个MSP430g2553串口程序, 但是只能实现单片机发功能 不能实现接受功能,还请高手指点 给个给个可以发和接的程序 不胜感激啊!! #include \"msp430G2553.h\" #include \"stdio.h\" int a[ ...… 查看全部问答> |
|
555定时器是一种集成电路芯片,常被用于定时器、脉冲发生器和震荡电路。555可被作为电路中的延时器件、触发器或起振元件。 555定时器可工作在三种工作模式下: 单稳态模式:在此模式下,555功能为单次触发。应用范围包括定时器,脉冲丢失检测,反 ...… 查看全部问答> |




