历史上的今天
今天是:2025年01月15日(星期三)
2020年01月15日 | 技术文章—测量范德堡法电阻率和霍尔电压
2020-01-15 来源:EEWORLD
半导体材料研究和器件测试通常要测量样本的电阻率和霍尔电压。半导体材料的电阻率主要取决于体掺杂,在器件中,电阻率会影响电容、串联电阻和阈值电压。霍尔电压测量用来推导半导体类型(n还是p)、自由载流子密度和迁移率。
为确定半导体范德堡法电阻率和霍尔电压,进行电气测量时需要一个电流源和一个电压表。为自动进行测量,一般会使用一个可编程开关,把电流源和电压表切换到样本的所有侧。4200A-SCS参数分析仪拥有4个源测量单元(SMUs)和4个前置放大器(用于高电阻测量),可以自动进行这些测量,而不需可编程开关。用户可以使用4个中等功率SMU (4200-SMU, 4201-SMU)或高功率SMU (4210-SMU, 4211-SMU),对高电阻材料,要求使用4200-PA前置放大器。4200A-SCS包括多项内置测试,在需要时把SMU的功能自动切换到电压表或电流源,霍尔电压测量要求对样本应用磁场。
4200A-SCS包括交互软件,在半导体材料上进行范德堡法和霍尔电压测量。4200A-SCS Clarius+软件提供了全面的程序库,除电阻率和霍尔电压测试外,还包括许多其他测试和项目。范德堡法和霍尔电压测试是在Clarius V1.5和V1.6中新增的,包括计算确定表面或体积电阻率、霍尔迁移率和霍尔系数。
范德堡法电阻率测量
人们通常使用范德堡法(vdp)推导半导体材料的电阻率。这种四线方法用在拥有四个端子、均匀厚度的小的扁平形样本上。电流通过两个端子施加到样本上,透过相反的两个端子测量电压下跌,如图1所示。

图1. 范德堡法配置
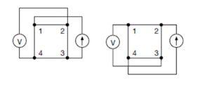
使用图2所示的SMU仪器配置,围着样本的边缘重复测量8次。

图2. 范德堡法电阻率测量惯例。
然后使用这一串8项电压测量(V1-V8)和测试电流(I)来计算电阻率(ρ),ρA和ρB是体积电阻率,fA和fB是样本对称度的几何因数,与两个电阻比率QA和QB相关。公式如下:

图3. 电阻率计算公式
霍尔电压测量
霍尔电压测量对半导体材料表征具有重要意义,因为从霍尔电压和电阻率可以导出传导率类型、载流子密度和迁移率。在应用磁场后,可以使用下面的I-V测量配置测量霍尔电压:

图4. 霍尔电压测量配置。
把正磁场B垂直应用到样本,在端子3和端子1之间应用一个电流(I31pBp),测量端子2和端子4之间的电压下跌(V24pBp)。颠倒电流(I31nBp),再次测量电压下跌(V24nBp)。这种颠倒电流方法用来校正偏置电压。然后,从端子2到端子4应用电流(I24pBp),测量端子1和端子3之间的电压下跌(V13pBp)。颠倒电流(I24nBp),再次测量电压下跌(V13nBp)。颠倒磁场Bn,再次重复这一过程,测量电压下跌V24pBn、V24nBn、V13pBn和V13nBn。
从8项霍尔电压测量中,可以使用下面的公式计算平均霍尔系数,RHC和RHD是霍尔系数(cm3/C),计算出RHC和RHD后,可以通过下面的公式确定平均霍尔系数(RHAVG),从范德堡法电阻率(ρAVG)(表示为输出参数Volume_Resistivity)和霍尔系数(RHAVG)中,可以计算出霍尔迁移率(μH)。

使用4200A测量范德堡法电阻率和霍尔电压
4200A-SCS配有四个SMU和前置放大器,简化了范德堡法和霍尔电压测量,因为它包含多项内置测试,可以自动完成这些测量。在使用这些内置测试时,四个SMUs连接到样本的四个端子上,如图5所示。对每项测量,每个SMU的功能会在电流源、电压表或公共之间变化。先测量八项测试中每项测试的电压下跌和测试电流,然后导出电阻率或霍尔系数。霍尔电压测量要求对样本应用一个磁场。

图5. 四个SMUs连接到被测样本的四个端子上。
Clarius+测试库包括范德堡法和霍尔迁移率测量的测试。在Select视图中,可以使用屏幕右侧Material材料过滤器,在Test Library测试库中找到这些测试,如图6所示。选择测试,然后选择Add添加,可以把这些测试添加到项目树中。这些测试从vdpulib用户程序库中的用户模块创建。

图6. 选择范德堡法电阻率和霍尔系数测试。
可以使用范德堡法表面和体积电阻率测试。测试库有两项电阻率测试:vdp-surface-resistivity和vdp-volume-resistivity。vdp-surface-resistivity测试测量和计算电阻率,单位为Ω/square。对vdp-volume-resistivity测试,用户必须输入样本厚度,然后计算出电阻率,单位为Ω-cm。对这两项测试,都强制应用电流,进行8项电压测量。
还可以使用霍尔系数测试。使用四台SMU仪器,强制应用电流,使用正负磁场进行8项电压测量。磁场使用固定磁铁生成,会提示用户颠倒磁场。可以在测试库中找到hall-coefficient测试,添加到项目树中。
为成功地进行电阻率测量,我们必需考虑潜在的错误来源。主要为静电干扰、泄漏电流、光线、温度、载流子注入等。1)静电干扰:当带电物体放到不带电物体附近时,会发生静电干扰。通常情况下,干扰的影响并不显著,因为电荷在低电阻时会迅速消散。但是,高电阻材料不允许电荷迅速衰退,所以可能会导致测量不稳定。由于DC或DC静电场,可能会产生错误的读数。2)泄漏电流:对高电阻样本,泄漏电流可能会劣化测量,泄漏电流源于电缆、探头和测试夹具的绝缘电阻,通过使用优质绝缘体、降低湿度、使用保护装置等,可以最大限度地降低泄漏电流。3)光线:光敏效应产生的电流可能会劣化测量,特别是在高电阻样本上。为防止这种效应,应把样本放在暗舱中。4)温度:热电电压也可能会影响测量精度,源电流导致的样本变热也可能会产生热电电压,实验室环境中的温度波动也可能会影响测量。由于半导体的温度系数相对较大,所以可能需要使用校正因数,补偿实验室中的温度变化。5)载流子注入:此外,为防止少数/多数载流子注入影响电阻率测量,两个电压传感端子之间的电压差应保持在100mV以下,理想情况下是25mV,因为热电压kt/q约为26mV。在不影响测量精度的情况下,测试电流应尽可能低。
通过使用四个SMUs和内置测试,可以利用4200A-SCS参数分析仪简便地在半导体材料上实现范德堡法测量。通过使用用户提供的磁铁,还可以确定霍尔迁移率。如果想测试低电阻材料(如导体),可以使用基于Keithley 3765霍尔效应卡的系统,包括2182A纳伏表。
史海拾趣
|
周末阿牛哥整理2010ARM 嵌入式开发技术研讨会搜集的资料。当时听过TI 的FAE 讲座,整理资料TI 的Stelaris Product lines ,还有 TI的Stelari COTEX-M3 在LED 应用, 还有TI M3 在网络收音机上的应用。想到会场武汉理工大学李宁博士做的的基于云计 ...… 查看全部问答> |
|
请问一下SD(FAT32)物理扇区和逻辑扇区的关系是怎么样的? 我现在有一块SD格式化成为FAT32的文件系统,用WINHEX查看只能看到逻辑扇区,看不到物理0扇区。发现逻辑扇区基本上都是从物理扇区的第N个扇区,开始的。也就是逻辑扇区的第0扇区=第N个物 ...… 查看全部问答> |
|
刚学习freecalce单片机,DZ60的一个开发板,外部晶振是8M的,写了一个最简单的流水灯代码。可以实现功能,但有一些问题搞不明白。 先把代码放在下面 #include <hidef.h> /* for EnableInterrupts macro */#include \"derivative.h\" /* inclu ...… 查看全部问答> |
|
初学单片机的40个实验,word格式,一共205页,很实用的资料,欢迎下载。 1. 闪烁灯1. 实验任务如图4.1.1所示:在P1.0端口上接一个发光二极管L1,使L1在不停地一亮一灭,一亮一灭的时间间隔为0.2秒。2. 电路原理图 3. 系统板上硬 ...… 查看全部问答> |




