历史上的今天
今天是:2025年01月16日(星期四)
2020年01月16日 | 单片机成长之路(51基础篇) - 010 51单片机的中断系统
2020-01-16 来源:eefocus
一. 有关中断的概念
1. 仔细研什么叫中断?
举例:同学正在教室写作业,忽然被人叫出去,回来后,继续写作业这就是生活中的“中断”的现象,就是正常的工作过程被外部的事件打断了。
二. 引入计算机中断的概念。
中断的作用:
处理断电保存,解决快速CPU与慢速外设之间的矛盾等。对MCS-51单片机的中断系统用一句话讲叫:“五源中断,两级管理”中断请求源(五源中断)
五个中断源:
外部中断0(/INT0) 0003H
T0溢出中断 000BH
外部中断1(/INT1) 0013H
T1溢出中断 001BH
串口中断 入口地址 0023H
有了中断请求,如何通知CPU?
通过中断请求标志位来通知CPU。
研究一下生活中的中断,对于我们学习单片机的中断也很有好处。
第一、什么可以引起中断,生活中很多事件可以引起中断:有人按了门铃了,电话铃响了,你的闹钟闹响了,你烧的水开了….等等诸如此类的事件,我们把可以引起中断的称之为中断源,单片机中也有一些可以引起中断的事件,8031中一共有5个:两个外部中断,两个计数/定时器中断,一个串行口中断。
第二、中断的嵌套与优先级处理:设想一下,我们正在看书,电话铃响了,同时又有人按了门铃,你该先做那样呢?如果你正是在等一个很重要的电话,你一般不会去理会门铃的,而反之,你正在等一个重要的客人,则可能就不会去理会电话了。如果不是这两者(即不等电话,也不是等人上门),你可能会按你通常的习惯去处理。总之这里存在一个优先级的问题,单片机中也是如此,也有优先级的问题。优先级的问题不仅仅发生在两个中断同时产生的情况,也发生在一个中断已产生,又有一个中断产生的情况,比如你正接电话,有人按门铃的情况,或你正开门与人交谈,又有电话响了情况。考虑一下我们会怎么办吧。
第三、中断的响应过程:当有事件产生,进入中断之前我们必须先记住现在看书的第几页了,或拿一个书签放在当前页的位置,然后去处理不同的事情(因为处理完了,我们还要回来继续看书):电话铃响我们要到放电话的地方去,门铃响我们要到门那边去,也说是不同的中断,我们要在不同的地点处理,而这个地点通常还是固定的。计算机中也是采用的这种方法,五个中断源,每个中断产生后都到一个固定的地方去找处理这个中断的程序,当然在去之前首先要保存下面将执行的指令的地址,以便处理完中断后回到原来的地方继续往下执行程序。具体地说,中断响应可以分为以下几个步骤:
1、保护断点,即保存下一将要执行的指令的地址,就是把这个地址送入堆栈。
2、寻找中断入口,根据5个不同的中断源所产生的中断,查找5个不同的入口地址。以上工作是由计算机自动完成的,与编程者无关。在这5个入口地址处存放有中断处理程序(这是程序编写时放在那儿的,如果没把中断程序放在那儿,就错了,中断程序就不能被执行到)。
3、执行中断处理程序。
4、中断返回:执行完中断指令后,就从中断处返回到主程序,继续执行。
究竟单片机是怎么样找到中断程序所在位置,又怎么返回的呢?我们稍后再谈。
MCS-51中断系统的结构:
8031单片机的中断系统简单实用,其基本特点是:有5个固定的可屏蔽中断源,3个在片内,2个在片外,它们在程序存储器中各有固定的中断入口地址,由此进入中断服务程序;5个中断源有两级中断优先级,可形成中断嵌套;2个特殊功能寄存器用于中断控制和条件设置的 编程。
中断系统的结构:
5个中断源的符号、名称及产生的条件如下。
INT0:外部中断0,由P3.2端口线引入,低电平或下跳沿引起。
INT1:外部中断1,由P3.3端口线引入,低电平或下跳沿引起。
T0:定时器/计数器0中断,由T0计满回零引起。
T1:定时器/计数器l中断,由T1计满回零引起。
TI/RI:串行I/O中断,串行端口完成一帧字符发送/接收后引起。
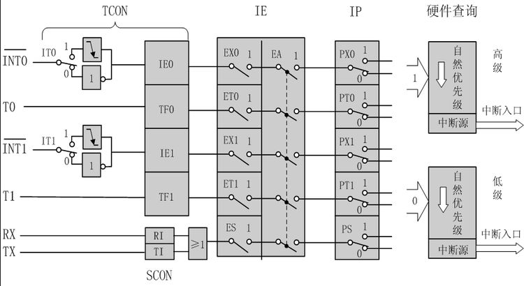
整个中断系统的结构框图见下图一所示。


由图一可见,外部中断有下跳沿引起和低电平引起的选择;串行中断有发送(TI)相接收(R1)的区别;各个中断源打开与否,受中断自身的允许位和全局允许位的控制,并具有高优先级和低优先级的选择。
中断请求源:
(1)外部中断请求源:即外中断0和1,经由外部引脚引入的,在单片机上有两个引脚,名称为INT0、INT1,也就是P3.2、P3.3这两个引脚。在内部的TCON中有四位是与外中断有关的。
IT0:INT0触发方式控制位,可由软件进和置位和复位,IT0=0,INT0为低电平触发方式,IT0=1,INT0为负跳变触发方式。这两种方式的差异将在以后再谈。
IE0:INT0中断请求标志位。当有外部的中断请求时,这位就会置1(这由硬件来完成),在CPU响应中断后,由硬件将IE0清0。
IT1、IE1的用途和IT0、IE0相同。
(2)内部中断请求源
TF0:定时器T0的溢出中断标记,当T0计数产生溢出时,由硬件置位TF0。当CPU响应中断后,再由硬件将TF0清0。
TF1:定时器T1的溢出中断标记,当T1计数产生溢出时,由硬件置位TF1。当CPU响应中断后,再由硬件将TF1清0。
TI、RI:串行口发送、接收中断,在串口中再讲解。
中断系统的控制寄存器:
中断允许寄存器IE:在中断源与CPU之间有一级控制,类似开关,其中第一级为一个总开关,第二级为五个分开关,由IE控制。
中断屏蔽:在MCS-51中断系统中,中断的允许或禁止是由片内可进行位寻址的8位中断允许寄存器IE来控制的。见下表
IE 中断充许寄存器 | |||||||
B7 | B6 | B5 | B4 | B3 | B2 | B1 | B0 |
EA | - | ET2 | ES | ET1 | EX1 | ET0 | EX0 |

其中EA是总开关,如果它等于0,则所有中断都不允许。
ES-串行口中断允许
ET1-定时器1中断允许
EX1-外中断1中断允许。
ET0-定时器0中断允许
EX0-外中断0中断允许。
如果我们要设置允许外中断1,定时器1中断允许,其它不允许,则IE可以是即:8CH,当然,我们也可以用位操作指令来实现它。
SETB EA
SETB ET1
SETB EX1
单片机中断指令:
1 SETB EA ; 允许单片机总断
2 CLR EA ; 禁止单片机总断
3 SETB ES ; 允许串口断
4 CLR ES ; 禁止串口断
5 SETB ET1 ; 允许T1溢出断
6 CLR ET1 ; 禁止T1溢出断
7 SETB EX1 ; 允许外部断1
8 CLR EX1 ; 禁止外部断1
9 SETB ET0 ; 允许T0溢出断
10 CLR ET0 ; 禁止T0溢出断
11 SETB EX0 ; 允许外部断0
12 CLR EX0 ; 禁止外部断0
中断优先级寄存器IP
中断优先原则:(概括为四句话)
1 低级不打断高级
2 高级不睬低级
3 同级不能打断
4 同级、同时中断,事先约定。
CPU同一时间只能响应一个中断请求。若同时来了两个或两个以上中断请求,就必须有先有后。为此将5个中断源分成高级、低级两个级别,高级优先,由IP控制。
在MCS-中断优先级中由中断优先级寄存器IP来高置的,IP中某位设为1,相应的中断就是高优先级,否则就是低优先级。
IP优先级别寄存器各位介绍如下:
1 PS:串行口中断优先级控制位。PS=1设定串行口为高优先级中断;PS=0为低优先级中断。
2 PT1:T1中断优先级控制位。PT1=1设定定时器T1为高优先级中断;PT1=0为低优先级中断。
3 PX1:外部中断1优先级控制位。PX1=1设定定时器外部中断1为高优先级中断;PX1=0为低优先级中断。
4 PT0:T0中断优先级控制位。PT0=1设定定时器T0为高优先级中断;PT0=0为低优先级中断。
5 PX0:外部中断0优先级控制位。PX0=1设定定时器外部中断0为高优先级中断;PX0=0为低优先级中断。
例:设有如下要求,将T0、外中断1设为高优先级,其它为低优先级,求IP的值。
IP的首3位没用,可任意取值,设为000,后面根据要求写就可以了 
因此,最终,IP的值就是06H。
例:在上例中,如果5个中断请求同时发生,求中断响应的次序。
响应次序为:定时器0->外中断1->外中断0->定时器1->串行中断。
五个中断源的自然优先级与中断服务入口地址
外中断0:0003H
定时器0:000BH
外中断1:0013H
定时器1:001BH
串口 :0023H
它们的自然优先级由高到低排列。写到这里,大家应当明白,为什么前面有一些程序一始我们这样写:
orG 0000H
LJMP START
orG 0030H
START:
这样写的目的,就是为了让出中断源所占用的向量地址。当然,在程序中没用中断时,直接从0000H开始写程序,在原理上并没有错,但在实际工作中最好不这样做。
优先级:单片机采用了自然优先级和人工设置高、低优先级的策略,即可以由程序员设定那些中断是高优先级、哪些中断是低优先级,由于只有两级,必有一些中断处于同一级别,处于同一级别的,就由自然优先级确定。
MCS-51的中断响应过程:
中断响应的条件:
讲到这儿,我们依然对于计算机响应中断感到神奇,我们人可以响应外界的事件,是因为我们有多种“传感器“――眼、耳可以接受不同的信息,计算机是如何做到这点的呢?其实说穿了,一点都不希奇,MCS51工作时,在每个机器周期中都会去查询一下各个中断标记,看他们是否是“1“,如果是1,就说明有中断请求了,所以所谓中断,其实也是查询,不过是每个周期都查一下而已。这要换成人来说,就相当于你在看书的时候,每一秒钟都会抬起头来看一看,查问一下,是不是有人按门铃,是否有电话。。。。很蠢,不是吗?可计算机本来就是这样,它根本没人聪明。
了解了上述中断的过程,就不难解中断响应的条件了。在下列三种情况之一时,CPU将封锁对中断的响应:
1、CPU正在处理一个同级或更高级别的中断请求。
2、现行的机器周期不是当前正执行指令的最后一个周期。我们知道,单片机有单周期、双周期、三周期指令,当前执行指令是单字节没有关系,如果是双字节或四字节的,就要等整条指令都执行完了,才能响应中断(因为中断查询是在每个机器周期都可能查到的)。
3、当前正执行的指令是返回批令(RETI)或访问IP、IE寄存器的指令,则CPU至少再执行一条指令才应中断。这些都是与中断有关的,如果正访问IP、IE则可能会开、关中断或改变中断的优先级,而中断返回指令则说明本次中断还没有处理完,所以都要等本指令处理结束,再执行一条指令才可以响应中断。
中断响应过程
CPU每个机器周期都需要顺序检查每个中断源,当检测到有中断请求时,能否响应,还要看下述情况是否存在:
(1)CPU正处理相同级别或更高级别的中断;
(2)正在执行指令,还未到最后一个机器周期;
(3)正在执行的指令是RETI或访问IP、IE指令,则执行完上述指令后,再执行一条指令后,才会响应新中断。CPU响应中断时,首先把当前指令的下一条指令(就是中断返回后将要执行的指令)的地址送入堆栈,然后根据中断标记,将相应的中断入口地址送入PC,PC是程序指针,CPU取指令就根据PC中的值,PC中是什么值,就会到什么地方去取指令,所以程序就会转到中断入口处继续执行。这些工作都是由硬件来完成的,不必我们去考虑。这里还有个问题,大家是否注意到,每个中断向量地址只间隔了8个单元,如0003-000B,在如此少的空间中如何完成中断程序呢?很简单,你在中断处安排一个LJMP指令,不就可以把中断程序跳转到任何地方了吗?
响应过程:(假设已使某中断请求标志置1)
(1)先使相应优先级状态触发器置1;
(2)执行一个硬件子程序的调用,
1)硬件清零相应中断请求标志(TI、RI除外)
2)将当前PC内容压入堆栈——保护断点;
3)将中断服务子程序入口地址送PC——转移。
返回过程:(RETI执行后)
(1)使相应优先级状态触发器清0。
(2)从堆栈中弹出栈顶的两个字节内容送PC——恢复断点。
(3)CPU接着中断处继续执行原程序。
注意:
1)保护断点与保护现场以及恢复断点与恢复现场的区别。
2)外部中断响应时间在3 ~ 8个机器周期之间。
利用外部中断实现单步操作。
一个完整的主程序看起来应该是这样的:
orG 0000H
LJMP START
orG 0003H
LJMP INT0 ;转外中断0
orG 000BH
RETI ;没有用定时器0中断,在此放一条RETI,万一 “不小心“产生了中断,也不会有太大的后果。
中断程序完成后,一定要执行一条RETI指令,执行这条指令后,CPU将会把堆栈中保存着的地址取出,送回PC,那么程序就会从主程序的中断处继续往下执行了。注意:CPU所做的保护工作是很有限的,只保护了一个地址,而其它的所有东西都不保护,所以如果你在主程序中用到了如A、PSW等,在中断程序中又要用它们,还要保证回到主程序后这里面的数据还是没执行中断以前的数据,就得自己保护起来。
开机时,每个中断都处于低优先级,我们可以用指令对优先级进行设置。
史海拾趣
|
学设计第一个要认识到的就是设计不是艺术。我就是一开始没有分清这个概念,在第一次上设计课时可苦大了。设计是沟通,是传达,而艺术是表现,是创作。这并不是说设计里没有表现的成份,更不是说艺术是不在乎沟通的。但是两者放在这两项上的重视是有 ...… 查看全部问答> |
|
用L293B 驱动一个电机, 要求:电机可以正反转,有快慢。 都是自动控治的。 程序里不用写电机快慢程序, 只是通过对L293B的输入脚来控治电机这我不会接了, … 查看全部问答> |
|
请教PB->Platform->Settings->Enable full Kernel Mode 如题:PB->Platform->Settings->Enable full Kernel Mode(no IMGNOTALLKMODE=1) 以前的工程一直选择这个选项,从来没想过是做什么的 前两天新做个工程,忘记加这个选项,编译后系统不报错,但是下到板子上,系统好象缺少explore.exe一样 后来 ...… 查看全部问答> |
|
关于nk.bin :error opening file -no such file or directory问题 大家好。我现在在虚拟机上建立Wince系统。建立了虚拟机以后。使用USBoot将U盘以HDD(ZIP也试过)模式格式化为引导盘,将C:\\Program Files\\Microsoft Platform Builder\\6.00\\cepb\\utilities下的CepcBoot.144文件放入WinImage软件中并选择U盘,利 ...… 查看全部问答> |
|
禁产品在远古时代就已经存在,它作为人身财产安全防范的首道防线,是人们生活、工作的必备品。从一把锁、一道门等机械产品发展到网络化、集成化、智能化的现代门禁产品,可谓经历了千锤百炼,才练就出如今的本领。 今天的门禁产品,已经从单纯 ...… 查看全部问答> |
|
uboot-2009.08.tar.bz2移植到TQ2440 依据上几次搭建的环境进行uboot的移植,出现了一些错误,我特此做出一些总结,已经将编译器转换到旧一点的arm-linux-gcc-4.3.2,具体的原因是为什么,我查找了天嵌的网站说需要转换到3.4版本的编译器,因此我改用了友善之臂的uboot-2009.08.tar.bz2 ...… 查看全部问答> |
|
ALTERA Cyclone Ⅲ板子上能否将输入变成输出?? 现在手里有一个 板子 上面有5*8个按键开关 请问下 是否能将开关焊下 接上LED灯 如果可以 能在Quartus 软件上改么 ?… 查看全部问答> |




