历史上的今天
今天是:2025年01月16日(星期四)
2021年01月16日 | 51单片机教程(二):单片机内部定时/计数器
2021-01-16 来源:eefocus
一、原理简介
首先让我们举闹钟为例,将它定时在一分钟后闹铃,这就需要秒针走一圈(60 次)。即一分钟时间转化为秒针走的次数,也就是计数的次数,计数到了60 次然后闹铃,而每一次计数的时间是1 秒。
单片机内部的定时/ 计数器跟闹钟类似,可以通过编程来设定要定时的时间、定时时间到了进行相应的操作。那么在单片机内部计数一次的时间是多少呢,51 单片机输入的时钟脉冲是由晶体振荡器的输出经12 分频后得到的,所以定时器也可看作是对计算机机器周期的计数器。因为每个机器周期包含12 个振荡周期,故每一个机器周期定时器加1,可以把输入的时钟脉冲看成机器周期信号。故其频率为晶振频率的1/12。如果晶振频率为12MHz,则定时器每接收一个输入脉冲的时间刚好为1μs。在本实验套件中采用的是11.0592M 的晶振,故每接收一个输入脉冲的时间约为1.085μs。实现精确定时在实际项目应用中非常重要,因为往往需要用到精确定时一段时间,然后定时时间到的时刻做相应的任务。
那如何编程实现定时时间呢?首先先简单介绍下本实验板上单片机(STC89C52)内的定时器资源。STC89C52 内有三个定时/ 计数器, 分别为T0、T1 和T2。其中T0、T1 工作方式一样,一并介绍。
T2 的工作方式稍有区别,这里不做介绍,实验套件光盘中有实际应用程序。同时,单片机中的定时器和计数器是复用的,计数器是记录外部脉冲的个数,而定时器则是由单片机内部时钟提供的一个非常稳定的计数源。本讲中,以T0、T1 作为定时器来进行实例介绍使用。
了解了单片机内的定时器资源后,接下来我们来对定时器寄存器进行详细介绍。TMOD(见表1)、TCON(见表3)与定时器T0、定时器T1 间通过内部总线及逻辑电路连接,TMOD 用于设置定时器的工作方式,TCON 用于控制定时器的启动、停止,标志定时器的溢出和中断情况。当设置了定时器的工作方式并启动定时器工作后,定时器就按被设定的工作方式独立工作,不再占用CPU 的操作时间,只有在计数器计满溢出时才可能中断CPU 当前的操作。
表1 TMOD寄存器

表中各位(从左至右为从高位到低位)含义如下。
TMOD 的低4 位为定时器0 的方式字段,高4位为定时器1 的方式字段,它们的含义完全相同。
M1 和M0 :工作方式控制位,其定义如表2 所示( 其中i=0,1)。
表2 定时器工作方式控制位

:功能选择位。=0 时,设置为定时器工作方式;=1 时,设置为计数器工作方式。
GATE :门控位。当GATE=0 时,软件控制位TR0 或TR1 置1 即可启动定时器。
TR0 或TR1 置0 即可停止定时器工作;当GATE=1 时,软件控制位TR0 或TR1 需置1,同时还需(P3.2) 或(P3.3) 为高电平方可启动定时器,即允许外部中断、启动定时器。
值得注意的是TMOD 寄存器不能位寻址,只能用字节指令设置高4 位定义定时器1 上的工作方式或低4 位定义定时器0 的工作方式。而且在复位时,TMOD 所有位均置0。
表3 TCON寄存器

表中各位(从左至右为从高位到低位)含义如下。
(1) TFl :定时器1 溢出标志位。当定时器1 计满数产生溢出时,由硬件自动置TF1=1, 向CPU发出定时器1 的中断请求,在中断允许时响应。进入中断服务程序后,由硬件自动清0。在中断屏蔽时,TF1 可作查询测试用,此时只能由软件清0。
(2) TR1 :定时器1 运行控制位。由软件置1 或清0 来启动或关闭定时器1。
当GATE=l,且为高电平时,TRI 置1 启动定时器l ;当GATE=0 时,TR1 置1 即可启动定时器1。
(3) TF0 :定时器0 溢出标志位。其功能及操作情况同TF1。
(4) TR0 :定时器0 运行控制位。其功能及操作情况同TR1。
(5) IE1 :外部中断1() 请求标志位。
(6) IT1 :外部中断1 触发方式选择位。
(7) IE0 :外部中断0() 请求标志位。
(8) IT0 :外部中断0 触发方式选择位。
值得注意的是TCON 中的低4 位用于控制外部中断,与定时器/ 计数器无关,在以后的讲座中会提及。当系统复位时,TCON 的所有位也均清0。
在上文中提到定时器溢出和中断,什么是定时器溢出呢?我们可以这样理解:往一个盆中滴水,水滴持续落下,盆中的水持续变满,最终会有一滴水使得盆中的水满了(这相当于计数到最大值)。这个时候如果再有一滴水落下,这时水就会漫出来,这就是“溢出”。当然,水溢出是流到地上,而定时器溢出后将使得TF0 变为“1”。一旦TF0 由0 变成1,就会产生中断。中断就是由于某个事件的发生,CPU 暂停当前正在执行的程序,转而执行处理该事件的一个程序。该程序执行完成后,CPU 接着执行被暂停的程序的这样一个过程。这正如我们本来在做某事,有人过来请求帮忙,我们停下手中的活去帮忙,完事之后回来接着做原来的事情。根据中断引发的不同,或者CPU 响应中断的不同条件,也可以把中断划分为可屏蔽中断(也就是说我们可以拒绝帮别人忙,继续做自己的事情)和不可屏蔽中断(事情做累了,必须休息)两种。
了解了中断原理之后,我们来看中断允许控制寄存器IE(见表4)和中断优先寄存器IP(见表5)。
表4 IE寄存器

EA:中断允许总控制位。EA=0,禁止所有中断;EA=1,开放所有中断,但是否允许各中断源的中断请求,还要取决于各中断源的中断允许控制位的状态。这点要注意,初学者往往容易忘了开放所有中断,从而导致没法进入中断源。
ET2 :时器/ 计数器T2 的中断允许位。
ES :串行口的中断允许位。
ET1 :定时器/ 计数器T1 的中断允许位。
EX1 :外部中断1(INT1) 的中断允许位。
ET0 :定时器/ 计数器T0 的中断允许位。
EX0 :外部中断0(INT0) 的中断允许位。
以上7 个中断允许控制位为0 时,禁止中断,为1 时允许中断。
表5 IP寄存器

PT2 :定时器/ 计数器T1 中断优先级控制位。
PS :串行口中断优先级控制位。
PT1 :定时器/ 计数器T1 中断优先级控制位。
PX1 :外部中断1 优先级控制位。
PT0 :定时器/ 计数器T0 中断控制位。
PX0 :外部中断0 中断优先级控制位。
以上6 个中断优先级控制位分别为“0”时为低级中断,为“1”时为高级中断。如果几个同一优先级的中断源同时向CPU 申请中断,CPU 通过内部顺序查询逻辑电路,按自然优先级顺序确定该响应哪个中断请求。自然优先级由硬件形成,其优先级别从高到底为外部中断0、定时器/ 计数器T0、外部中断1、定时器/ 计数器T1、串行口中断、定时器/ 计数器T2。
至此,对定时器控制相关的重要寄存器都介绍完毕了,接下来通过编写程序来进行验证实践。
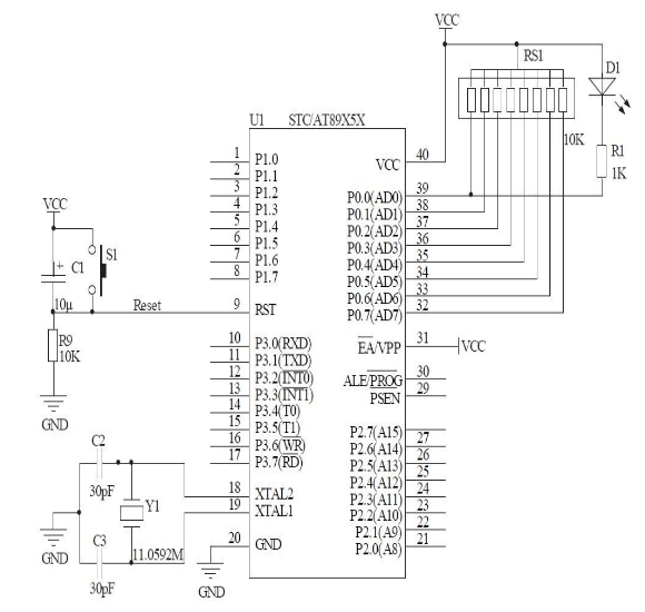
二、电路详解
此讲采用和上讲一样的电路,在此不做赘述(见图1)。

图1 定时器应用实验电路图
三、程序设计
定时器0 应用测试程序( 控制D1 闪烁)。
#i nclude #define led P0_0 (2) unsigned char count=0; (3) void main(void) (4) { TMOD=0X01; (5) TH0=(65536-50000)/256; (6) TL0=(65536-50000)%256; (7) EA=1; (8) ET0=1; (9) TR0=1; (10) PT0=1; (11) while(1) ; (12) } void timer0(void) interrupt 1 (13) { TH0=(65536-50000)/256; (14) TL0=(65536-50000)%256; (15) count++; (16) if(count==10) (17) { count=0; (18) led=!led; (19) } } 1. 程序详细说明: (1)头文件包含。程序接下来调用的P0_0 就是该头文件中定义好的一个寄存器地址。在对单片机内部的寄存器操作之前,应申明其来处,有兴趣的读者可以看看AT89X52.h 文件中的内容。 (2)宏定义led,便于直观理解也便于程序修改,将P0_0 口命名为led,这样在程序中就可以用led代替P0_0 口进行操作。 (3)定义一个8 位的全局变量。 (4)主函数入口。主函数不传递参数也不返回值。 (5)设定定时器0 工作在模式1,为16 位的计数器。 (6)定时器高8 位赋初值。对256 取整。 (7)定时器低8 位赋初值。对256 取余。 (8)开总中断。 (9)开定时器0 中断。 (10)定时器0 启动,开始计数。 (11)设置开定时器0 中断为优先中断。 (12)死循环,等待中断。 (13)定时器0 中断服务函数入口。 (14)定时器高8 位赋初值。对256 取整。 (15)定时器低8 位赋初值。对256 取余。 (16)对变量count 进行加1 操作。 (17)如果count 增长到10。 (18)count 变量清0。 (19)led 输出取反。 2. 程序流程图与实验现象 程序流程如图2 所示。经编译下载程序到单片机内运行后,可以看到实验板上P0_0 口外接的LED 灯有规律的一亮一灭的闪烁见图3。亮灭的时间可以计算为10×50000×1.085μs=542.5ms。 实际的时间要比这稍多几个ms,这是因为没有把条件判断和程序调用的指令时间算在内。在要求非常精确的场合,应当实际微调。 图2 主程序和中断服务函数流程图 四、总结 本讲主要介绍了51 单片机内部定时器和中断系统以及编写第一个简单的定时器实验程序。通过该讲,大家可以发现单片机内的定时器和中断系统并不难学,只要记住应用的相关操作步骤多进行几次实践就可以很熟练的掌握这些资源的用法。鉴于本讲的理论内容较多,希望读者多*时间记下或者熟悉。下一讲,将要介绍如果单片机串口通信并给出实例,敬请期待。

上一篇:51单片机的引脚介绍
史海拾趣
|
贴片式的MAX1898芯片在无PCB板的情况下如何焊接和调试呢? 想先用线搭个板子调试,单片机有管脚座,但是没想到MAX1898电源管理芯片那么小,放在2根牙签粗细的一个塑料管里,这要是我的焊接技术,所有管脚直接短接....有没有大虾介绍下经验阿.... [ 本帖最后由 zxpla 于 2010-4-15 12:54 编辑 ]… 查看全部问答> |
|
期末了,老师让我们写一片论文,题目是《加速度测量方法综述》,这门课的名字是《传感器原理及工程应用》,学的是很基本的传感器,但现在论文是要写这个,不会写~~,请高手指点!!大致内容说白了就是用各种各样的传感器来测量加速度。 大家给点资 ...… 查看全部问答> |
|
三极管有三个工作区:截止区、放大区和饱和区,而MOSFET对应的是关断区、饱和区和线性区。MOSFET线性区也叫三极区或可变电阻区,在这个区域,MOSFET基本上完全导通。 漏源间的导通电阻RDS(on) MOSFET在导通时漏源之间 ...… 查看全部问答> |




