历史上的今天
今天是:2025年01月18日(星期六)
2020年01月18日 | 如何测试PAM4信号
2020-01-18 来源:elecfans
随着大数据的日益普及,核心网传输带宽需求每年均有大幅度的提升,因此传输技术也需要进一步发展以适应这样的市场需求。当前进一步提升带宽的思路主要包括几个方面:一是进一步提升信号速率;二是增加传输链路的数量;三是在相同的时间窗口内增加信息量(提升同一个Symbol中携带的数据Bit数量);PAM4(Pulse Amplitude ModulaTIon)调制码型格式就是用于在相同的时间窗口中增加信息量的一种方法。本文就PAM4的基本概念及如何测试PAM4信号做一个简要的介绍。
一、NRZ和PAM4码型
下图1所示为NRZ码型和PAM4码型的眼图比特码型。NRZ码包含两个电平,PAM4码包含四个电平。PAM4码可以看作为两个NRZ码的叠加,NRZ码一个Symbol包含一个Bit,PAM4一个Symbol包含2个Bit。

图1 NRZ码型和PAM4码型
二、PAM4码型在高速以太网和相干光通信中的应用
1、高速以太网
以太网802.3bj为100Gb/s的背板和线缆标准,使用的信号码型可以为NRZ码或者PAM4码。因为传输媒介为铜,带宽是有一定的限制的,所以如果使用NRZ码,速率难以做得非常高,而如果使用PAM4码型,每个Symbol中可以传输2个Bit位,所以能够在相同波特率情况下传输多一倍的数据信息。但是PAM4电平对噪声更加敏感。
2、相干光通信中的基带调制
当前比较成熟的100GbE相干光信号应用如下图2所示。通过将四路25Gbps的NRZ信号进行双极性的QPSK调制及电到光的转换,从而实现100GbE的光信号传输。其中每一个极性(X极性和Y极性)中的两路25Gbps信号使用QPSK 调制方式通过相互正交的I(实部)和Q(虚部)进行传输。

图2 100G DPQPSK相干光通信基本框图
四相相移键控调制是利用载波的四种不同相位差来表征输入的数字信息,是四进制移相键控。QPSK是在M=4时的调相技术,它规定了四种载波相位,分别为45°,135°,225°,275°,调制器输入的数据是二进制数字序列,为了能和四进制的载波相位配合起来,则需要把二进制数据变换为四进制数据,这就是说需要把二进制数字序列中每两个比特分成一组,共有四种组合,即00,01,10,11其中每一组称为双比特码元。每一个双比特码元是由两位二进制信息比特组成,它们分别代表四进制四个符号中的一个符号。QPSK中每次调制可传输2个信息比特,这些信息比特是通过载波的四种相位来传递的。
相移键控通过改变光载波的相位来对信号进行编码。QPSK信号有4个相位选择,因而在每个周期或符号里可以调制2比特,信号可以是00、11、01或10。下图3表示了传输信号的相位信息是如何映射为编码的数据及星座图。传输的数据信号由调制的I信号和Q信号组成。

图3 QPSK调制信号的传输及星座图
由于PAM4码型信号包含的信息量是NRZ码型信号的一倍,因此如果使用PAM4来代替NRZ,则在同样的信号速率下传输的信息量可以提升一倍,原100GbE的信号吞吐率可以提升到200GbE,如图5所示。由于PAM4信号具有4个电平,是16QAM调制的基带调制电平。如下图4所示,I和Q分别传输的是4电平的PAM4信号,每个电平分别包含2个
比特的数字信息,这样I和Q两路加到一起每个电平就对应了4个比特的数字信息。传输的信息组合类型总共有 16种。图4右边的图为16QAM信号的星座图。

图4 16QAM调制信号的传输及星座图

图5 基于PAM4的相干光通信传输系统
三、PAM4的测试解决方案
力科(Teledyne LeCroy)开发了专门针对PAM4的测试软件包,配合力科的高带宽示波器实现对PAM4信号的全面分析。包含如下的功能特征:
时钟恢复
眼图
眼高/眼宽测量
抖动参数测量及分解
噪声参数测量及分解
IsoBER眼图轮廓及误码率轮廓预测
眼图偏移
电平测量
追踪/直方图/频谱
均衡
PAM4信号的仿真

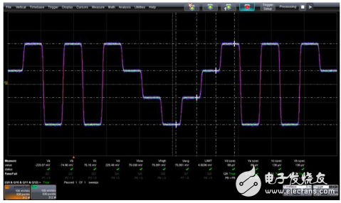
图6 多链路的PAM4信号眼图测试

图7 PAM4信号电平测试
史海拾趣
|
帮一个网友问的,我也同学习之!希望大家给看看: 如图所示,相当于把电源输出端给短路,请教图中的贴片是什么器件,可以用什么元件代换,还有其他器件损坏吗? … 查看全部问答> |
|
我写的一个USB驱动, 安装后提示, 设备无法启动,代码10 ,一般是什么原因? 我写的一个USB驱动, 安装后提示, 设备无法启动,代码10 ,一般是什么原因? 具体情况是MP3,不成功, 但优盘就可以成功! 请问大家这样的问题怎末解决?… 查看全部问答> |
|
microblaze的FPU貌似开启了,但是计算浮点的时候还是溢出 起初我以为是log函数,没有包含在math。h头文件里面,但是我果断换了一个计算平方根的函数,照样程序溢出,(13.1的ise)。 查看microblaze的属性,发现FPU选择的是 extern,basic我也试过没用,一样溢出。 求大神指点… 查看全部问答> |
|
求教一个问题,我在写彩屏液晶的程序的时候,有16为驱动的程序有8位驱动的程序。有时候都能用,但有时候会就不能用,求分析哈。 TFT彩屏IC:9320 or 9325 接口声明: #define DATAOUT(x) GPIOB->ODR=x; //数据输出 #define DATAOUTH(x) GPIOB-> ...… 查看全部问答> |
|
智能用电监控、保护系统创意进度帖+自动控制操作演示视频(未带负载) 本帖最后由 ltbytyn 于 2014-1-4 22:40 编辑 $(\'flv_HAb\').innerHTML=(mobileplayer() ? \"\" : AC_FL_RunContent(\'width\', \'500\', \'height\', \'375\', \'allowNetworking\', \'internal\', \'allowScriptAccess\', \'never\', \'src ...… 查看全部问答> |
|
【Atmel SAM R21创意大赛周计划】+ATSAMR21E的内部温度检测不可用? 本帖最后由 yang_alex 于 2015-3-1 06:19 编辑 在ATSAMR21E的外设学习中发现内部温度检测不可用。不知是我代码的问题还是芯片本身的问题,大家也测试一下看看。 我参考了ATMEL官方的ADC代码,内部电压检测正常。如下图: 项目里准备用来检测 ...… 查看全部问答> |




