历史上的今天
今天是:2025年01月20日(星期一)
2020年01月20日 | 示波器输入阻抗选1MΩ还是50Ω的详细解析
2020-01-20 来源:elecfans
熟悉示波器的朋友可能都会有过这样的困惑:输入阻抗有1MΩ和50Ω两种,我们到底该如何选择呢?
一、传输线
想要讲清楚50Ω的由来,我们需要先讲一下传输线。电信号实际上是以电磁波的形式在传输线中传播的。当传输线的尺寸不再远小于电磁波波长时,就不得不考虑这个“波”的特性了。下图是将一个窄脉冲施加到100m左右的终端短路的网线上时,示波器在信号源端测量到的图片。可以在其上明显看出有一个入射波和一个反射波。

当入射波和反射波叠加在一起回发生什么呢,你的方波信号信号可能就会成这样。

如何阻止信号反射呢?
就像光要在水面才发生反射一样,电信号也是在其传输介质发生改变的时候才会发生反射,为了避免传输线上发生反射,就出现了均匀传输线,如PCB微带线,同轴线等,他们介质均匀,任何一点横截面几何结构相同,这样就可以保证电信号不会在传输线内发生反射了。
但是信号一旦来到传输线终点,岂不是还是要发生反射么?
其实只要保证信号的瞬时阻抗不变,同样也不会发生反射。瞬时阻抗就是电信号在传输线上某一点所受的阻抗,经过研究发现均匀传输线的瞬时阻抗是个纯阻性的,与频率无关,就像个电阻,而且瞬时阻抗只与传输线的几何结构和填充材料有关,所以又叫做特性阻抗。既然瞬时阻抗像电阻,那我们就给负载并联一个电阻,让其阻值和特性阻抗相等,这样信号就不会反射回来,而是被电阻吸收。您的电路也就清净了。这种方法叫做终端匹配。
二、著名的50Ω
特性阻抗大小会影响信号传输功率、传输损耗、串扰等电气性能,而其板材和几何结构又影响制造成本,这种情况只能找一个折中值。而50Ω正是同轴线的传输功率、传输损耗以及制造成本的一个最佳平衡点。所以大多数高速信号都会采用50Ω特性阻抗系统,形成标准并沿用至今,成为使用最广泛的一种阻抗标准。比如常见的PCIE,其单端阻抗就是要求是50Ω。
这就是这个50Ω的由来,也是因为如此,示波器上才会有个50Ω阻抗档位。其作用就是用来匹配50Ω系统中的传输线。
三、示波器的负载效应
有朋友可能会有疑惑,按上面的论述,岂不是50Ω的匹配比1MΩ的匹配要好,那还要1MΩ阻抗干什么呢?这就涉及到了示波器的负载效应问题了。
相信大家都有这种经历,调试一个有问题的电路,想看看波形,结果接上探头电路就正常了,拿开探头电路就又出问题。这就是负载效应引起的。示波器本身是有输入阻抗的,用示波器测量的同时,也不得不将这部分阻抗并联到电路中。
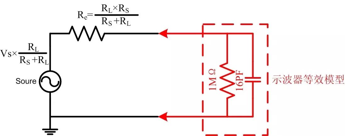
先以示波器在1MΩ阻抗模式为例,其大致可以等效成是1MΩ和一个十几pF的电容并联在一起的形式。

这个1MΩ是示波器的规范。而电容是我们并不想要但是又不可避免的寄生参数。在DC和较低频时,1MΩ起到主导地位。而当频率超过10MHz以后,电容会成为主要的负载。由于这两个参数的引入,就会使得测量时的信号与原信号有差异,从而使测量结果出现误差。那么差异有多大呢,这也要取决于您的被测电路的输出电阻和负载。就按上图的例子来说。根据戴维宁定理,可变为:

从示意图上可以看出,低频信号的差异主要是戴维宁输出电阻Re与1MΩ的分压决定,而高频时,则需要再加上Re与16pF容抗的分压。
经计算可知,如果Re的值是10Ω,而信号的频率是200MHz,则示波器的负载效应会造成-0.2dB左右的偏差。而如果您系统的Re是25Ω,那么这个偏差会达到-1dB。所以如果测量高频信号,建议使用10:1无源探头进行测量,因为其寄生电容要比示波器低,通常只有9pF左右的寄生电容。而1:1无源探头通常会有60pF的寄生电容,不能用于测量高频信号。如果10:1探头仍然不能满足您的需求,就要选择寄生电容更小的高频有源探头进行测量了。
如果使用50Ω阻抗档位进行测量会如何呢?
以Re是25Ω为例,信号将从直流开始就被衰减,而且衰减超过-3dB。这时信号就已经被判定为失真了。所以示波器进行50Ω匹配后就不能继续以一个旁观者的身份对系统进行测试了。当被测源是一个无载信号源(比如信号发生器),这个信号本身并没有终端匹配电阻,如果我们采用1MΩ阻抗或者探头进行测量,就会在传输线终端产生反射,从而干扰到测量信号,而这时就需要采用50Ω阻抗档位,示波器内部的50Ω电阻可以吸收掉传输线的信号,让反射波降到最小,从而对信号进行准确测量。测试示意图如下图所示。

四、示波器测量与50Ω相关的注意事项
1MΩ阻抗和50Ω阻抗档位的设计出发点是不同的,1MΩ档位的出发点是为了让示波器拥有较小的负载效应,可以“安安静静的”做个旁观者。而50Ω档位则是为了消除传输线上的信号反射,将传输线影响降到最低。选择何种阻抗档位,需要根据实际测量情况而定:
1、当被测信号是一个无负载信号(如信号发生器),且采用50Ω特性阻抗同轴电缆与示波器相连接时,则需要使用50Ω阻抗档位。
2、当被测信号是一个板载信号,有自己完整的终端接收系统时,则需要使用1MΩ阻抗档位直接测量或者使用探头测量。
3、配合探头测量时,需要注意无源探头都需要使用1MΩ阻抗档位,有源探头则需要根据探头要求进行匹配,一般来说高频探头要求50Ω阻抗档位,低频探头要求1MΩ阻抗档位。
4、使用无源探头时需要注意,1:1探头通常只有6MHz的带宽。想要更高频率,需要选用带衰减的无源探头。
上一篇:示波器使用技巧,就应该这么用!
史海拾趣
|
我用单片机P0口,采用了10K上拉电阻,然后每个口接了一个3mm的小发光二极管,在下载流水灯程序成功后,一开始指示灯还正常闪烁,但是一小会就不正常了,指示灯到后来干脆一个都不亮了,单片机插到实验板上后正常,单独测试每个发光管也正常。请教大 ...… 查看全部问答> |
|
修改EBOOT还是卡在打开MMU之后 晕了 想问一下ADS1.2写的那个BOOTLOADER(不知道应该怎么称呼这个BOOT,貌似叫VIVI??) 跟EBOOT有多大区别 是不是ADS1.2写的那个BOOTLOADER不需要用到CE下的OEMAddressTable ??? 我发现我只要一修 ...… 查看全部问答> |
|
目标板式270的,原来用的板子上的flash是intel的E28F128J3,现在的flash是AMD的S29GL128N,用了两片,单片16M.进行如下id号的执行语句 typedef unsigned short U16; typedef unsigned int U32; #include \"norflash.h ...… 查看全部问答> |
|
因为本人课题需要,需购买一块二手开发板用于视频监控,时间有限,最好是一块已经用来研究开发过一段时间的板子,这样一方面可以减少一部分的工作,也好入手学习,如有请留联系方式,小妹不甚感激… 查看全部问答> |
|
EVC4.0通过ADOCE31访问CDB数据库,不能定义主键和字段非空吗? EVC4.0通过ADOCE31访问CDB数据库,不能定义主键吗?只要不添加主键,数据表可以正常建立。一旦添加主键,执行sql语句就报错。 我还发现不支持定义字段为非空,一旦加上not null,数据表建立就失败。是CDB数据库的问题吗?我很需要主键这项功能,不 ...… 查看全部问答> |
|
LED 显示屏产品系列很多,根据使用环境分为室内显示屏和室外显示屏两类;根据发光像素的大小分为φ3mm、φ3.75mm、φ5mm、φ8mm、φ1 5 mm、φ1 9mm 和φ20MM等几种;根据发光像素的颜色分为单色、红绿双基色、红绿蓝( RGB)三基色全彩屏等;根据 ...… 查看全部问答> |
|
大家好: 我的程序在读写sst25vf512只能读,不能写,读取ID都是正确的,擦除也可以,就是不能写。我觉得可能是初始化时某个寄存器没有配置正确,但是不知道怎么弄,特请教大家。下面是程序#define SPI_FLASH_PageSize 256 #defi ...… 查看全部问答> |




