历史上的今天
今天是:2025年01月30日(星期四)
2020年01月30日 | 电桥测试仪测量原理_电桥测试仪使用方法
2020-01-30 来源:elecfans
LCR测试仪,L:电感(为了纪念物理学家Heinrich Lenz),C:电容(Capacitor),R:电阻(Resistance),LCR数字电桥就是能够测量电感,电容,电阻,阻抗的仪器。
随着现代模拟和数字技术的发展,早已经淘汰了LRC电桥这种测量方法,但LCR电桥的叫法一直沿用至今。如果是使用了微处理器的LCR电桥则叫LCR数字电桥。一般用户又称这些为:LCR测试仪、LCR电桥、LCR表、数字电桥、LCR Meter等等。

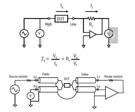
电桥测试仪测量原理
Vx与Vr均是矢量电压表,Rr是理想电阻。自平衡电桥的意思是:当DUT(Device Under Test)接入电路时,放大器的负反馈配置自动使得OP输入端虚地。Vx准确测定DUT两端电压(DUT的Low电位是0),Vr与Rr测得DUT电流Ix,由此可计算Zx。
HP4275的测试端Hp,Hc,Lp,Lc(下标c代表current, 下标p代表Potentail),Guard(接地)的配置可导致测试的误差的差异。
提高精度的方法是:
1、Hp,Lp,Hc,Lc尽量接近DUT;
2、减小测试电流Ix的回路面积&磁通量(关键是分析Ix,要配合使用Guard与Cable最小化回路面积);
3、使用Gurard与Cable构建地平面中断信号线间的电场连接,虽然会增加信号线的对地电容(对地电容不影响测试结果),但是会减少信号线的互容。
Guard与Cable的对地寄生阻抗(Zhg,Zlg) 不影响测试结果,电桥平衡时Zlg的两端电压是0,流向Rr的电流不会被Zlg分流,Zhg的分流作用不影响Hp的电压测量。

电桥测试仪使用方法
LCR测试仪一般用于测试电感和电容。测量步骤如下:
设置测试频率
测试电压或者电流水平
选择测试参数,比如Z、Q、LS(串联电感)、LP(并联电感)、CS(串联电容)、CP(并联电容)、D等
仪器校准,校准主要进行开路、短路校准,高档的仪器要进行负载校准
选择测试夹具
夹具补偿
将DUT放在夹具上开始测试。
下一篇:浅谈激光测距仪的原理及使用方法
史海拾趣
|
生动形象的教学用电子钟[ZT] 笔者在教学中,设计了一套教学实验用“电子钟”电路。此线路包括七段数码显示器BS205和循环彩灯电路,实验显示生动有趣,各部分原理简单,适宜学生直接观察“编码器”、“译码器”、“寄存器”、“计数器”等逻辑 ...… 查看全部问答> |
|
关于TQ2440触摸屏的应用设计。现在能够实现触摸屏界面的旋转,想添加一些其它的应用功能,请问能不能把显示界面缩小,即原来3.5寸屏的界面,显示为1.75寸的区域,这种功能能够实现吗?如果实现需要涉及那些方面?… 查看全部问答> |
|
我在flash上烧写的镜像文件为 NK.BIN, 我在注册表中添加如下: ; Bind BINFS to the block driver [HKEY_LOCAL_MACHINE\\System\\StorageManager\\Profiles\\FlashDrv] \"DefaultFileSystem\"=\"BINFS\" \"Partition ...… 查看全部问答> |
|
我用的是keil. 遇到到 PA4, PA5 , PA6,PA7 等无法设置输出状态. 在keil的调试状态就感觉无**常设置.而引脚设置跟附近的一样,看起来没错. 但无**常设置.其他的比如PC5~PC7等就没有问题. 初始化的语句:应该没有问题. GPIO_Ini ...… 查看全部问答> |
|
下载 (108.1 KB) 2011-1-19 15:42 我现在在做微功耗,用的是待机模式,我在看微功耗的待机模式的启动项中,有个启动方式是IWDG,但是这中启动方式我没有办法跟踪,我在手册中看到可以检测复位标记来判断是什么方式复位 ...… 查看全部问答> |
|
#include<msp430x44x.h> interrupt[TIMERA0_VECTOR] void Timer_A(void) { ~~~ } void InitSystem(void) { ~~~ //TIME_A TACTL=ID1+TASSEL1+TACLR+ ...… 查看全部问答> |
|
有没有3v可用的数码管驱动芯片?或者怎么用电池给5v的74门供电? 想做个数字钟,但是找不到3v可用的数码管驱动芯片,找到了淘宝上也没卖的。 另外就是考虑怎么给3v/5v元件混合电路用AA电池供电……… 查看全部问答> |




