历史上的今天
今天是:2025年02月15日(星期六)
2020年02月15日 | PIC单片机人机接口模块4×4行列式键盘的电路设计
2020-02-15 来源:eefocus
本实例的4×4行列式键盘的原理图如图1所示,在输出时,采用端口C的低4位来显示按键的输入值。

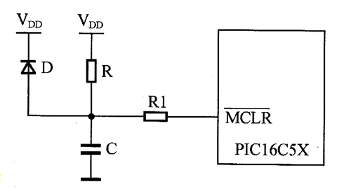
图1 外部上电复位电路
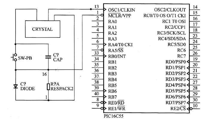
单片机的时钟电路和复位电路可以采用如图2所示的电路,也可以采用一种更加简单的时钟电路,即如图2所示的时钟电路和复位电路。在实现时也可以用PIC16C5X端口作为输入端,其电路如图3所示。

图2 时钟电路和复位电路

图3 4×4行列式键盘的电路图
其中,RD0~RD3用来进行列扫描,RD4~RD7用来进行行扫描。RD4~RD7各自通过一个电阻接到电源上,并和RD0~RD3通过一个按键连接起来。
当一个按键按下时,对应的行输入口的电平为通过按键连接的列输入端口的电平。普通状态下,各个列端口的输出是低电平,在扫描到任一行端口的电压变低后,再将4条列端口
的电平变为高电平,每一个列端口依次变低,然后判断出现低电平的行端口是否为低电平,如果是,则可以确定是哪一个按键按下。
在输出显示时,采用端口C的低4位作为输出,4位二进制的输出对应16个按健,按下按键后,就会在端口C的低4位输出,直到再一次按动其他的按键输出才会改变。端口C的低4位输出电路图如图4所示。

图4 端口C的低4位输出电路图
史海拾趣
|
有些时候会出现几种趋势同时混合在一起,从而彻底改变一个行业的情形。这种迹象将在2008年出现:当尘埃终于落定之时(现在看还需要一段时间),通信市场将会彻底改变。 下面就是可能混合在一起从而改变通信业的几大趋势 ...… 查看全部问答> |
|
开发产品 领导布置任务了,用Freescale的MC9S12XF512MLHR 没用过,不了解,英文又不强,求资料. 开发过51、AVR、C8051FXX。 没用过Freescale! 求中文资料 谢谢… 查看全部问答> |
|
reg [7:0] row1 [33:0]; // 34 byte RAM reg [5:0] index; // used as variable in shifting operation for(index=0;index… 查看全部问答> |
|
三星6410 BSPd的files文件夹中带了几个tvout输出的测试程序,如 tvout_test_switch.exe,tvout_test_output.exe等,但是找不到这些 程序对应的源代码,官方文档中的示例代码跑起来有些问题,请问哪位 大虾有可以工作的源码供参考?先谢谢了。… 查看全部问答> |
|
我最近在vxWorks上挂载u盘 今天调试 发现有的U盘写入文件正常,有的u盘能写入但是写入的文件是一些乱七八糟的东西在电脑上也删不掉,有的不能写入但是能识别 请高人指点… 查看全部问答> |
|
100分求arm9下开发GPS导航仪需要什么关键技术与步骤? 任务是在ARM9下开发一个船舶GPS导航仪,WINCE和linux操作系统可任选择(最好是linux)说说具体的开发过程和关键的技术!(如果回复的很详细的话,可以另外在给分,我会另外开个贴) (如果可以提供相关技术(如原代码和原理图)的话,联系我有酬劳!)… 查看全部问答> |




