历史上的今天
今天是:2025年02月18日(星期二)
2020年02月18日 | 【STM8】SPI通讯
2020-02-18 来源:eefocus
【SPI初步介绍】:介绍SPI如何接线、名称解释、通讯注意事项
【SPI引脚 - 初始化(上)】:相对于STM8,SPI的引脚位置说明,还有引脚的设置,另外还有初始化的部分代码
【SPI寄存器 - 初始化(下)】:使用寄存器做一些设定,例如波特率、SPI开启或关闭、SPI中断、传输方式。。。太多了,要看寄存器手册,我有整理图片出来,另外还包括完整的初始化代码
【SPI通讯】:SPI发送数据、SPI轮询方式接收数据、SPI中断方式接收数据
【SPI初步介绍】
下图是SPI的通讯方式

M:Master(主)
S:Slave(从)
I:Input(输入)
O:Output(输出)
MISO:主设备(M)接收(I)数据,从设备(S)输出(O)数据
MOSI:主设备(M)输出(O)数据,从设备(S)接收(I)数据
SCK:时钟讯号
GPIO:普通I/O口
NSS:或叫SS,由外部的高低电平决定自己是主机还是从机,在STM8里,可以由软件决定,从而省下一个引脚去做别的事情,其他的芯片,就要去看datasheet才知道了
CS:片选(不一定会有),从机决定接收数据的依据,应用在SPI一主多从,就像广播一样,『一年二班小朋友起立!』,但一年一班的小朋友也听到了,不过你不要起立啊,当然,一主一从也有可能用到的
上面解释了各引脚功能,下面解释SPI的通讯方式:
MOSI:主机发送线路。额外说明,主机想收到从机数据,主机要提供SCK,但是产生SCK的唯一条件,就是主机要发数据出去,哪怕是无意义的数据(伪字节),不管主机想发还是收,都不能省略这条线
MISO:如果不打算接收从机数据,就不要接了,如果想收,作为配套的,SCK这条线就必然要接上了
SCK:可接可不接,不接的情况下,是从机已经规定好接收格式,主机必须按照这个格式发送
NSS:可接可不接,上面解释过了
CS:可接可不接,上面也解释过了
最后一点,主机和从机的GND要连上,原理我不知道,这经验是从串口(UART)学来的,任何通讯方式都要共地
【SPI引脚 - 初始化(上)】
因为我是用STM8S开发板来研究的,所以内容就局限在这里,链接是我的另一篇博客,介绍开发板和一些工具https://www.cnblogs.com/PureHeart/p/10824556.html
下面是引脚图

这就是SPI相关的引脚,文章一开始也说了,某些情况下,可以省略几个引脚
然后要说设置的部分了
MISO要设置成『弱上拉输入模式』
MOSI、SCK要设置成『推挽输出模式』
为什么设置成这样,原理我不懂,但是能实现就好了不是吗?
在现今社会里,没有成功就代表什么都不是,可以纠结原理,但不是必要?
扯远了,回来说正题,这两种模式,需要看寄存器手册,我知道有人是用『库』来开发
但我自学的时候就学寄存器了
下面这张图,是GPIO的设定

MISO对应的引脚是PC7,设定为『弱上拉输入模式』,所以DDR=0,CR1=1,CR2=0
MOSI对应的引脚是PC6,设定为『推挽输出模式』,所以DDR=1,CR1=1,CR2=0
SCK对应的引脚是PC5,设定为『推挽输出模式』,所以DDR=1,CR1=1,CR2=0
NSS我不想外部控制,想用软件的方式选择是主机还是从机,在后续文章关于SPI寄存器会有说明
有了这份数据,可以写代码了,不过先上一张Px_DDR寄存器的图,关于GPIO的寄存器,我觉得看上面的表格应该就够了,上图只是说明对应位置

PC_DDR = 0x60; // 0110 0000
PC_CR1 = 0xe0; // 1110 0000
PC_CR2 = 0x60; // 0110 0000
/* ==================== 分割线 ====================== 上方是寄存器控制,相对来说比较简洁的写法 */
/* ==================== 分割线 ====================== 下方是比较针对的写法,直接控制寄存器内的某一位,两种写法选一个即可 */
PC_DDR_DDR5 = 1; // 配置PC5(SCK)端口为输出模式
PC_CR1_C15 = 1; // 配置PC5(SCK)端口为推挽输出模式
PC_CR2_C25 = 1; // 配置PC5(SCK)端口为高速率输出
PC_DDR_DDR6 = 1; // 配置PC6(MOSI)端口为输出模式
PC_CR1_C16 = 1; // 配置PC6(MOSI)端口为推挽输出模式
PC_CR2_C26 = 1; // 配置PC6(MOSI)端口为高速率输出
PC_DDR_DDR7 = 0; // 配置PC7(MISO)端口为输入模式
PC_CR1_C17 = 1; // 配置PC7(MISO)端口为弱上拉输入模式
PC_CR2_C27 = 0; // 禁止PC7(MISO)端口外部中断
关于『寄存器』和『寄存器的某一位』,直接用一个例子来解释比较快
【所有一年级的学生去操场】【一年一班的同学去操场】
『寄存器』就相当于一年级
『寄存器的某一位』就相当于一年级的某一班
上面也说了,分割线的上方和下方,选择一个来用即可
上面代码的变量,全部都定义在『iostm8s103F3.h』里面了,当然,这是官方的头文件里面的内容,不是我自己命名这些变量的
貌似官方没有SPI范例,但是有Timer、UART之类的范例,随便拿一个来添加SPI代码即可
这是官方全部范例的链接,提取码是gszh,需要请自取https://pan.baidu.com/s/1La0LdFQxKl2_AyZXkBkv3w
【SPI寄存器 - 初始化(下)】





虽然图片有点多,但是代码没几行的
下面我直接贴上我测试时的代码,具体情况可能大家都不同,寄存器的几个位修改一下就好了,我直接配合『初始化-上』的代码一起贴出来
其实整个初始化的思路如下
1.打开SPI时钟
2.引脚配置
3.开启SPI中断(如果不需要则不用开)
4.设置SPI_CR1(SPI控制寄存器1)
5.设置SPI_CR2(SPI控制寄存器2)
6.开启SPI
void Init_SPI(void)
{
CLK_PCKENR1 |= 0x02; //打开SPI时钟
/*PC6、PC5设置为输出,最大10MHz*/
//PC_DDR = 0x60; // 0110 0000
//PC_CR1 = 0xe0; // 1110 0000
//PC_CR2 = 0x60; // 0110 0000
PC_DDR_DDR5 = 1; // 配置PC5(SCK)端口为输出模式
PC_CR1_C15 = 1; // 配置PC5(SCK)端口为推挽输出模式
PC_CR2_C25 = 1; // 配置PC5(SCK)端口为高速率输出
PC_DDR_DDR6 = 1; // 配置PC6(MOSI)端口为输出模式
PC_CR1_C16 = 1; // 配置PC6(MOSI)端口为推挽输出模式
PC_CR2_C26 = 1; // 配置PC6(MOSI)端口为高速率输出
PC_DDR_DDR7 = 0; // 配置PC7(MISO)端口为输入模式
PC_CR1_C17 = 1; // 配置PC7(MISO)端口为弱上拉输入模式
PC_CR2_C27 = 0; // 禁止PC7(MISO)端口外部中断
SPI_ICR_RXIE = 1; // 开启SPI中断接收(下方备注)
// [7]先发MSB
// [6]禁止SPI
// [5][4][3]f_Master / 2
// [2]主设备
// [1]空闲时SCK保持低电平
// [0]数据采样从第一个时钟沿开始
SPI_CR1 = 0x04; /*MSB、1MHz、主设备、CPOL空闲为低、CPHA第一个时钟开始*/
// [7]双线单向模式
// [6]输入使能(只接收模式)
// [5]CRC计算禁止
// [4]下个发送数据来自Tx缓冲
// [3]保留
// [2]全双工(同时收发)
// [1]使能软件从设备管理(不需要判断硬件CS位,节省一个引脚)
// [0]主模式
SPI_CR2 = 0x03; /*双线单向视距传输、CRC计算禁止、软件NSS、主模式*/
SPI_CR1_SPE = 1; // 打开SPI
}
备注:关于中断的部分,如果想要使用,还必须加上一行代码『asm("rim");』,通常加在main函数里面的while(1)之前
这个代码就像电源的总闸一样,你房间的电闸打开了,但总闸没开,结果还是没有电
当然有一个相对应的,就是关闭总闸『asm("sim");』
【SPI通讯】
终于到最后的环节了,关于发送和接收,接收又分两种,轮询和中断
直接上代码吧,也没几行
/* SPI发送 */
void SPI_sendchar(unsigned char c)
{
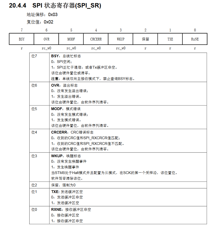
while(!(SPI_SR & 0x02)); // 等待发送缓冲区『为』空
SPI_DR = c; // 将发送的数据写到数据寄存器
//while(!(SPI_SR & 0x01)); // 轮询的方式,等待接收缓冲区『非』空
//UART1_sendchar(SPI_DR); // 备注
}
/* SPI中断 */
#pragma vector=SPI_RXNE_vector
__interrupt void SPI_RXNE_IRQHandler(void)
{
//RxBuf[cnt++]=SPI_DR;
while(!(SPI_SR & 0x01)); // 轮询
UART1_sendchar(SPI_DR); // 备注
}
备注:我用很迂回的方式来显示结果,逻辑分析仪抓SPI还没研究成功,所以我借用了UART(串口)
轮询或中断接收到数据,透过串口把数据发送给『USB转TTL小板』,在电脑上用串口调试助手显示出来
终于写完了,谢谢你的观看,希望对你有帮助
上一篇:STM8硬件IIC使用教程
下一篇:stm8s 开发SPI的两种方法
史海拾趣
|
来源:金羊网 林景新让客户主动找上门来,这仅仅是成功营销的第一步。如何在客户上门之后,让客户信服企业产品能够真正为他们带来价值,这算是成功营销的第二步。而成功营销的第三步就是企业能够通过产品及服务,为客户创造“客户”或提升竞争力, ...… 查看全部问答> |
|
平台:s3c2440 + wince5.0 在串口驱动文件pdds3c2440_ser.cpp中 void CPdd2440Uart::XmitInterruptHandler(PUCHAR pTxBuffer, ULONG *pBuffLen) { ...... for (DWORD dwByteWrite=0; dwByteWriteWrite ...… 查看全部问答> |




