历史上的今天
今天是:2025年03月02日(星期日)
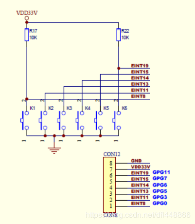
2020年03月02日 | mini2440裸机之按键(1)
2020-03-02 来源:eefocus
1 了解基本的硬件连接

2 按键进行扫描方式操作
1)按键gpio输入模式上拉输入
2) 按键进行消抖处理
gpio相关寄存器的功能描述
<1> 端口配置寄存器(GPACON 至GPJCON)
S3C2440A 中,大多数端口为复用引脚。因此要决定每个引脚选择哪项功能。PnCON(引脚控制寄存器)决定了每个引脚使用哪项功能。如果在掉电模式中PE0 至PE7 用于唤醒信号,这些端口必须配置为输入模式。
<2> 端口数据寄存器(GPADAT 至GPJDAT)
如果端口配置为输出端口,可以写入数据到PnDAT 的相应位。如果端口配置为输入端口,可以从PnDAT 的相应位读取数据。
<3> 端口上拉寄存器(GPBUP 至GPJUP)
端口上拉寄存器控制每个端口组的使能/禁止上拉电阻。当相应位为0 时使能引脚的上拉电阻。当为1 时禁止上拉电阻。如果使能了上拉电阻,那么上拉电阻与引脚的功能设置无关(输入、输出、DATAn、EINTn 等等)
<4>杂项控制寄存器
此寄存器控制睡眠模式,USB 引脚和CLKOUT 选择的数据端口上拉电阻。



工程文件后面再补充
史海拾趣
|
提出的选择原则是将电机特性与负载特性分离开 ,并用图解的形式表示 ,这种表示方法使得驱动 装置的可行性检查和不同系统间的比较更方便 ,另外 ,还提供了传动比的一个可能范围.… 查看全部问答> |
|
最近在学Ardence RTX实时系统软件,有很多不懂的地方,下面是一个定时器程序,不太明白? 最近在学Ardence RTX实时系统软件,有很多不懂的地方,下面是一个定时器程序,不太明白?请路过大虾们帮忙看看。 下面是源代码,包括两个文件,一个头文件,一个源文件。如下所示: /////////////////////////////////////////////////////// ...… 查看全部问答> |
|
各位大哥大姐好,工作就是问题叠问题,小弟我又来了... 开发板上有几个跳线,我写了一个测试的程序,却出问题了,大家帮忙看看... 跳线驱动部分内容: BOOL Addr_Init() { //地址映射 } BOOL WINAPI DllEntry(HANDLE hI ...… 查看全部问答> |
|
很奇怪的事情,是这样的: 在OAL初始化里添加了对GPIO的操作,很简单的操作,就是拉高拉低的操作; 写代码的地方是在OEMInit函数里的OALTimerInit,里面对GPB2操作(电路上接的是蜂鸣器),操作顺序如下: 1.设置GPB的控制寄存器,设定其为输出 ...… 查看全部问答> |
|
我用make zImage编译好2.6.13的内核文件后,把/arch/arm/boot/zImage 文件烧进板子后,linux解压出错.错误信息如下: VIVI version 0.1.4 (root@localhost.localdomain) (gcc version ...… 查看全部问答> |
|
请问,板子上把芯片尺寸画大了怎么办? 我不小心把板子上面芯片的尺寸单位看错了,板子做出来芯片尺寸大了N多... 请问怎么解决? 有没有转接器之类的?可以把LQFP 48封装的线引出来啊??… 查看全部问答> |
|
我要做多路的温度采集,用的是K型热电偶,电源用电荷泵转换模块,信号调理部分想用AD620和OP07做二级放大,现在有几个地方不太有把握,请做过的帮忙! 一是电源,我现在用12v电瓶供电,用电荷泵转换成+/-12v,这样的电压有一定的纹波,对信号的采 ...… 查看全部问答> |
|
iBeacons 是苹果iOS 7.0 中新推出的一项\"隐藏功能\",虽然目前还没有公开全部的API详细资料,但它的潜力不容小视。 iBeacons 想要通过蓝牙4.0一站解决之前手机端遇到的一大批问题,包括认证、支付、室内定位、广告推送等,避免了NFC、二维码等没 ...… 查看全部问答> |




