历史上的今天
今天是:2025年03月04日(星期二)
2020年03月04日 | 如何解决CAN总线超强干扰?
2020-03-04 来源:EEWORLD
摘要:CAN总线系统由一系列的网络节点通过总线相互连接组成,在实际应用中网络节点既是干扰源又是被干扰对象,尤其在超强干扰的情况下,如何使系统可靠运行成为一大难题。
前段时间有个用户反馈说自己的设备启动后多个节点处于失控状态,用CANScope测试全是错误帧如图1所示。

图1 强干扰下的报文
随后让客户把测试的波形发来一看,是环境干扰惹的祸,如图2所示。

图2 强干扰下的波形
这种强干扰导致了帧错误增加,重发频繁,正确数据无法及时到达。所以如何解决CAN总线超强干扰呢,下面给您介绍一种方案。
将CAN转为光纤传输
怎么能彻底解决强干扰带来的隐患呢?只要数据的传输不依赖电信号就能完全隔离掉干扰。光纤作为一种无法被电磁干扰的传输介质,我们可以把 CAN 容易受到干扰的部分使用光信号传输,增加CAN转光纤转换器。如图3所示,为使用致远电子的三台CANSwitch-AF2S2组合的光纤主干网络。

图3 使用光纤转换器实现光纤主干传输
实现上面的光纤传输使用的是CANSwitch-AF2S2集线器(Hub)功能,在此模式下的设备可以实现自组网,实现设备级联,只要通过软件配置好设备,CAN 总线就会按照规定进行转发到相应 CAN 口上。下面再介绍它的另一种功能——转换器(Converter)功能。
Converter(转换器)功能支持TCP Sever/TCP Client/UDP工作方式和灵活的拓扑结构,通过配置软件用户可以灵活的设定相关配置参数。典型应用如下:
TCP Server 模式
在 TCP 服务器(TCP Server)模式下,CANSwitch-AF2S2 不会主动与其它设备连接。它始终等待客户端(TCP Client)的连接,在与客户端建立 TCP 连接后即可进行双向数据通信。建立通讯的过程如图4所示。

图4 TCP Sever 模式通讯示意图
TCP Client 模式
在 TCP 客户端(TCP Client)模式下,CANSwitch-AF2S2 将主动与预先设定好的 TCP服务器连接。如果连接不成功,客户端将会根据设置的连接条件不断尝试与 TCP 服务器建立连接。在与 TCP 服务器端建立 TCP 连接后即可进行双向数据通信。建立通讯的过程如图5所示。

图5 TCP Clinet 模式通讯示意图
UDP模式
UDP 模式使用 UDP 协议进行数据通信。UDP 是一种不基于连接的通信方式,它不能保证发往目标主机的数据包被正确接收,所以在对可靠性要求较高的场合需要通过上层的通信协议来保证数据正确,但UDP 方式可以提供比 TCP 方式更高的通信速度,以保证数据包的实时性。工作在这种方式下的设备,地位都是相等的,不存在服务器和客户端。通讯的过程如图6所示。

图6 UDP 模式通讯示意图
一些硬件抗干扰的隔离与防护措施
使用TVS二极管
TVS二极管并联在信号线和信号地线之间,用来保护电缆受到雷击或静电放电时产生的浪涌高压。当 TVS 上的电压超过一定的幅度时,器件迅速导通,从而将浪涌能量泄放掉,并将电压的幅度限制在一定的范围内。在这里建议在 CANH、CANL信号线上使用两个 TVS管进行双向保护,如下图所示。

图7 TVS二极管防护
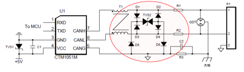
使用隔离收发器
如下图所示的CTM1051(A)HP模块内部集成高可靠的浪涌防护电路,静电放电抗扰度高达8kV,雷击浪涌抗扰度高达4kV,可有效解决工业现场因静电、浪涌干扰而导致的通讯异常问题。

图8 隔离收发器
信号保护器
外接专用的信号保护器消除干扰,如 ZF-12Y2 消耗干扰强度或者是CANbridge+ 网桥做隔离。

图9 ZF系列防雷器
史海拾趣
|
学校做课程设计,题目如下: 1 计时器设计 设计内容:编程控制8253接口芯片,使8253工作在定时方式,定时一定的时间,定时时间到后,输出的OUT1信号,通过扩展输入接口输入到CPU,经软件控制将秒计时准确显示在7段LED上. 2 BCD码电子计数器的设计 设计内 ...… 查看全部问答> |
|
初学DSP,用了一片TMS320VC5409和10M无源晶振,板子做起来以后不能用,测量时钟信号发现X1管脚的信号是一个比较畸形的正弦波,X2管脚的波形是一个规则的正弦波;但是时钟输出CLKOUT的波形则是在高低电平两个位置剧烈震荡。由于对晶振和时钟信号不熟 ...… 查看全部问答> |
|
430单片机12位AD一路采集温度一路采集电压程序该如何配置和处理 我用的是MSP430F149单片机想用12位的AD来采两个外部传感器的电压但是。其中用到P6.0和P6.1,我还未链接外部传感器P6.0和P6.1就已经有电压;而且两个显示的都不一样分别为1.86 1.97,用万用表去测量时P6.0和P6.1分别是3.35& ...… 查看全部问答> |
|
2012TI杯山东省大学生电子设计竞赛 基本仪器和主要元器件清单 1、基本仪器清单 数字电桥 直流稳压电源 量角器 米尺 四位半数字万用表 0~200℃温度 ...… 查看全部问答> |
|
元芳:大人,听说玉渊潭的樱花开的正好,不知大人要不要带我等同去观玩一番?狄:元芳,还是先把前日问题说完。樱花明年还会带开,先练就一身本领,明年樱花更艳……元芳:大人……狄:照数据手册推荐,高于500Hz使用III型反馈网络,即反馈电阻高端 ...… 查看全部问答> |




