历史上的今天
今天是:2025年03月08日(星期六)
2020年03月08日 | 基于ATmega16单片机的DDS信号源设计制作
2020-03-08 来源:eefocus
一、DDS基本工作原理
DDS的基本原理是利用奈奎斯特采样定理,通过查表法产生波形。DDS的结构有很多种,其基本的电路原理可用下图来表示。它主要包括相位寄存器、相位全加器、相位/幅度变换、D/A转换器,相位寄存器和相位全加器构成相位累加器。

二、电路设计
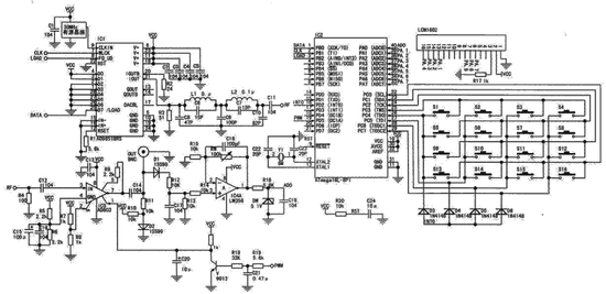
电路原理如下图所示,可分为四个部分:以IC1为核心的DDS;以IC2为核心的键盘、显示及控制电路;以IC3为核心的AGC电路;以IC4为核心的检波电路。

三、软件设计
编译环境选用CodeVesionAVR,它有丰富的库函数可以调用,使源代码简化。软件主要包含控制AD9851、AGC控制、键盘与LCD控制、模拟FM调制等几个方面的程序段。
四、安装与调试
AD9851的布线非常重要,应采用星形接地方式供电上图是本电路的PCB,采用贴片元件,由于电路比较简单,图中没有标注元器件名,可根据中图焊接,其他部分电路的布线没有特殊要求。电路焊接完毕后,将ATmega16的ISP插座搭焊在电路上,程序烧录完毕后将其移除即可。开机后LCD应显示“DDS”字样,然后输入频率并按S16结束,当键入的频率在1—20MHz范围内,输出信号的峰峰值为1V左右。最低键入的频率为1Hz,最高为70MHz,最小分辨率为1Hz,由于AD603随输入频率的升高放大能力会变差,所以50MHz以上的输出幅度非常小。按S15可输出中心频率为10MHz,频偏为lOkHz,调制信号约6kHz的FM信号。下图位该DDS输出10MHz时的波形测试。

上一篇:外部震荡源中断的计时实验
史海拾趣
|
本帖最后由 jameswangsynnex 于 2015-3-3 20:02 编辑 昨天U盘插在电脑上,先是发现新硬件但是我的电脑里没有盘符!!!再网上试了很多种办法都没用,之后把外壳拆下,看见一块显示R的地方没有电阻只有两个焊盘,之后和同学的一对照发现自己的有些 ...… 查看全部问答> |
|
我分别用VC和EVC写了相同的代码,发现在调用bitblt函数的时候调用的时间不一样,分别是15ms和180ms 其中IDB_BITMAP1为800*480的位图 代码如下: static DWORD time,oldtime,temp; time = ::GetTickCount(); ...… 查看全部问答> |
|
P5DIR |= 0x02; 请问这个表达式是什么意思呢, 0x02是00000010吧,那P5DIR|=0X02是不是等于P5DIR=P5DIR|00000010呢; 怎么看它定义的是哪个端口呢;又怎么知道P5DIR指向输入还是输出呢; 各位大哥,请帮帮我这个菜鸟吧..拜托了… 查看全部问答> |
|
RealView Development Suite 4.0 Professional 软件 RealView Development Suite 4.0 Professional 软件http://www.mcu123.com/news/Soft/embsof/arm/200811/486.html… 查看全部问答> |
|
嵌入式学习的点点滴滴(我的学习笔记-《鸟哥的linux私房菜》3) 大家好,抽出一点时间写一下今天的学习笔记,这几天感觉自己挺认真的,晚上决定奖励自己去看场电影 (本想把自己的linux安装方法上传的,想想还是算了,网上有太多太多这样的教程啦,在这里提一个小的建议,就是像我一样的新手,在虚拟机中安装lin ...… 查看全部问答> |
|
Ubuntu下vim的安装 参与Helper2416开发板助学计划心得 对于linux的学习,想必不能不对vi的学习,对于新手来说,一般都不习惯vi的应用,特别是系统自带的vi,进入不能按照我们平时的习惯去删除、移动等操作。ubuntu中vi在编辑状态下方向键不能用, ...… 查看全部问答> |




