历史上的今天
今天是:2025年03月10日(星期一)
2020年03月10日 | STM32开发笔记75: 使用STM32CubeMX点亮一个LED
2020-03-10 来源:eefocus
单片机型号:STM32L053R8T6
今天调试在自己的程序框架下调试RTC始终不成功,只要初始化RTC就进入死机状态。现在重温一下STM32CubeMX的使用方法,看STM32CubeMX生成的程序是否有RTC初始化不成功的问题。本日志从工程的建立讲到点亮一个LED。
1、启动STM32CubeMX,我现在使用的版本是5.2.1。

2、File-New Project,选择相应的芯片类型。


3、双击相应的芯片类型后,进入配置界面。进行SYS配置,选中Debug Serial Wire,由于我习惯于使用FreeRTOS所以在我的项目中Timebase Source都选择定时器。

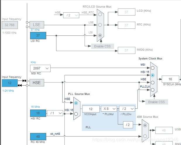
4、进行RCC设置。

5、时钟设置如下:

6、在芯片引脚图中,将连接LED的引脚设置为GPIO_Output

7、在GPIO设置中,将LED引脚的User Label设置为LED。

8、上述完成后,首先保存共存,然后对工程进行配置,如下图。

9、接下来,就可以生成程序了,点击GENERATE CODE即可。

10、用keil打开工程文件,在while(1)中加入如下代码:
while (1)
{
/* USER CODE END WHILE */
HAL_GPIO_TogglePin(LED_GPIO_Port, LED_Pin); //LED取反
HAL_Delay(1000);
/* USER CODE BEGIN 3 */
}
11、对keil进行设置,勾选Reset and Run。

12、编译后,将程序下载到目标板,就可以看到LED以1秒为间隔闪亮了。
史海拾趣
|
向量中断简介 ARM7中断体系介绍 上一次活动中,我们介绍了ARM7的时钟系统,这次活动介绍中断系统。这个两个系统是在以后的活动中,有很多的应用,同时这两个系统,也是ARM甚至是所有MCU的基础模块。 arm的VIC中断体 ...… 查看全部问答> |
|
library IEEE;use IEEE.STD_LOGIC_1164.ALL;use IEEE.STD_LOGIC_ARITH.ALL;use IEEE.STD_LOGIC_UNSIGNED.ALL;entity decim_al2 isGeneric( num : integer range 0 to 1022 := 7; -- numerateur du rapport de decimatio ...… 查看全部问答> |
|
散分~系统启动速度提高一半了~俺用的是EP9315,64m的ram加32m的flash~,原来启动大概11秒,现在最多5秒~原因未明,待查找呵呵,心情不错,特来散分~… 查看全部问答> |
|
我刚开始上班,好多东西都不懂,经理把板子给我了.让我自己弄. 问其他同事,他们都说忙,好郁闷呀! 主机,ARM9开发板,ADS1.2集成开发环境,JTAG仿真器.都有了. 我下一步该做什么. 如果直接用Tornado 2.2 for pcPentium,然后和目标机这样连接可以吗? ...… 查看全部问答> |
|
只有一块空板,我什么芯片,元器件都没,书上有说哪里放什么器件,怎么放...开始买书的时候以为送的是完整的PCB开发板,还想照着书上的例子做做实验的,求大侠指点!!!… 查看全部问答> |
|
转让FREESCALE DSP56F807开发板 - 450元 去年在北京通特科技有限公司买的,我们公司是做电力系统保护的,本来是想把这款DSP好好研究下的,因为在电力系统中这款DSP用的比较多,后来因为赶上别的项目,换成了STM32F ARM7平台,所以就一直没时间弄了,只弄了不到一个星期,基本上是崭新的 ...… 查看全部问答> |
|
大惊喜!在EEWORLD的申请下,LaunchPad加送触摸板啦!! 各位参加“EEWORLD大学堂TI教室”认真学习并拿到LaunchPad的童鞋们,你们一定惊喜的发现还有一个触摸板在上面吧! 是个,这就是大惊喜! 由于你们的认真学习,不仅是我们能够看到的,反馈给TI同样也可以看得到!不仅我们感动,TI也很感动。 在EE ...… 查看全部问答> |




