历史上的今天
今天是:2025年04月01日(星期二)
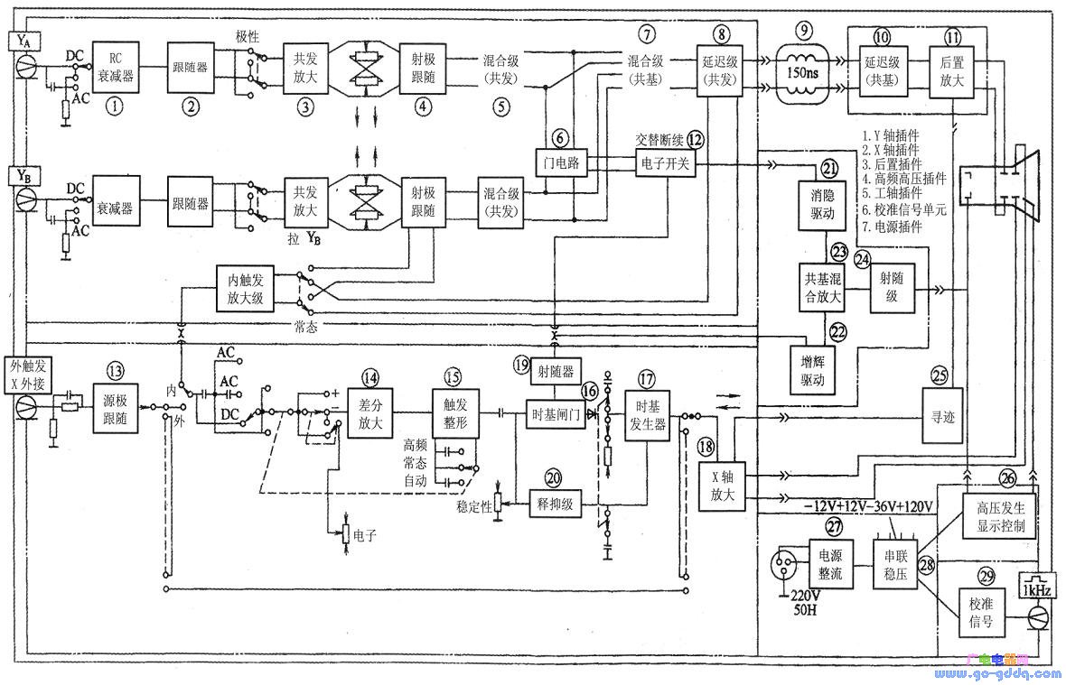
2020年04月01日 | SR-8型双踪示波器结构
2020-04-01 来源:eefocus
SR-8型双踪示波器主要由双通道Y轴放大器、时基发生器、时基触发器、X轴放大器、电子开关、延迟线、校准信号、示波管及显示系统、高低压电源等单元组成。
SR-8型双踪示波器整机的单元方框如下图所示。
SR-8型双踪示波器整机的Y轴偏转系统采用两个独立的前置放大器,借助电子开关可以控制两通道的工作状态。输入信号经衰减器至Y轴前置放大器,放大后经延迟线馈送至末级放大器。其输出端与示波管的偏转板相连接。
YA通道的前置放大器设有“极性”转换的装置,可配合电子开关控制和显示两个通道中被测信号的和或差。YB通道的被测信号的一部分可同时馈至触发放大器进行放大,井被作为“YB”,触发形式的信号源。
在延迟线前分离出两个通道的共同信号,作为“常态”触发方式的信号源。触发源选择开关处于“外”
的作用位置时,外触发信号可由外触发插座输入。触发信号馈至触发电路,经整形、微分电路后,取其负向脉冲信号启动时基发生器,以产生锯齿波。锯齿波信号馈至X轴放大器,经放大后与示波管X轴偏转板相连接。X轴放大器除了放大锯齿波信号外,还可以放大外接被测信号。X轴放大器增益选择开关位于“扩展×10”时,放大器增益约扩大10倍。仪器设有校准信号发生器,产生矩形波信号,以检查校对Y轴的灵敏度及扫描速度。
仪器各级电路所需的低压电源由电子稳压器供给,示波管显示系统的高压电源由高频、高压发生器供给。仪器的Z轴放大器放大调辉脉冲电平。
上一篇:抖动测量技术的演进探讨
史海拾趣
|
a.宾馆、银行、饭店、娱乐场所等服务行业 服务行业的竞争愈来愈激烈,人们对服务行业的服务质量、服务态度有了更高的要求。这使得在窗口服务行业中,管理人员对营业人员的管理日趋重要。而闭路监控系统为管理者提供了一种有效的手段。电视监控 ...… 查看全部问答> |
|
WinCE的设备,插入一张SD卡,然后在桌面创建一个快捷方式指向SD卡中程序,怎么运行不了呢,就是找不到程序,有知道的吗? WinCE的设备,插入一张SD卡,然后在桌面创建一个快捷方式指向SD卡中程序,怎么运行不了呢,就是找不到程序,有知道的吗?… 查看全部问答> |
|
内核是linux 2.4.18, busybox的配置信息:1.使用静态连接库 2.不用本地/usr 3.添加ext2文件系统工具:e2fsck, fsck.... 4.添加交叉编译工具路径。仅此而已,错误信息如下: > LINK busybox_unstri ...… 查看全部问答> |
|
问题: 虽然有dll的函数说明但不知道 一些参数的格式,和如果要读写数据时,需要那些步骤. 如有做过智能卡的开发的朋友 给点资料.谢谢!… 查看全部问答> |
|
wince windows mobile如何用c++实现通信,这个如何操作,包括与服务器的配置? wince windows mobile如何用c++实现通信,这个如何操作,包括与服务器的配置?… 查看全部问答> |
|
dspMCBSP多通道缓冲串口,后接MAX3111进行串口扩展 用dsp的MCBSP串口扩展通信,使用SPI协议。知道mcbsp怎么初始化了,max3111有一个输出中断,连接到DSP,DSP要怎么样检测并使用MAX3111的输出中断?… 查看全部问答> |




