历史上的今天
今天是:2025年04月19日(星期六)
2020年04月19日 | 51单片机外围模块——LCD1602液晶模块
2020-04-19 来源:eefocus
LCD1602简介
1602液晶也叫1602字符型液晶,它是一种专门用来显示字母、数字、符号的点阵型液晶模块。它是由若干个5x7或者5x10的点阵字符位组成,每个点阵字符位都可以用显示一个字符,每位之间有一个点距的间隔,每行之间也有间隔,起到了字符间距和行间距的作用,正因为如此,所以它不能很好的显示图片。

1602的引脚

操作步骤
初始化(写命令)
写地址
写数据
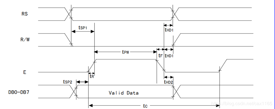
时序图及时序参数


LCD1602关键性的指令设置
1.清屏指令

功能:
清除液晶显示器,即将 DDRAM 的内容全部填入"空白"的 ASCII码 20H;
光标归位,即将光标撤回液晶显示屏的左上方;
将地址计数器(AC)的值设为 0。
2.进入模式设置指令

功能 : 设定每次定入 1 位数据后光标的移位方向 , 并且设定每次写入的一个字符是否移动。参数设定的情况如下所示:
I/D 0=写入新数据后光标左移 1=写入新数据后光标右移
S 0=写入新数据后显示屏不移动 1=写入新数据后显示屏整体右移 1 个字符
3.显示开关控制指令

功能:控制显示器开/关、光标显示/关闭以及光标是否闪烁。参数设定的情
况如下:
D 0=显示功能关 1=显示功能开
C 0=无光标 1=有光标
B 0=光标闪烁 1=光标不闪烁
4.功能设定指令

功能:设定数据总线位数、显示的行数及字型。参数设定的情况如下:
DL 0=数据总线为 4 位 1=数据总线为 8 位
N 0=显示 1 行 1=显示 2 行
F 0=5×7 点阵/每字符 1=5×10 点阵/每字符
地址
在设置完成之后我们就要明白具体是在哪个位置显示。在对液晶模块的初始化中要先设置其显示模式, 在液晶模块显示字符时光标是自动右移的, 无需人工干预。 每次输入指令前都要判断液晶模块是否处于忙的状态。DDRAM 就是显示数据 RAM ,用来寄存待显示的字符代码。共 80 个字节,其地址和屏幕的对应关系如下表:

要显示字符时要先输入显示字符地址,也就是告诉模块在哪里显示字符,例如第二行第一个字符的地址是 40H, 那么是否直接写入 40H 就可以将光标定位在第二行第一个字符的位置呢?这样不行,因为写入显示地址时要求最高位 D7恒定为高电平 1 所以实际写入的数据应该是 01000000B(40H)+10000000B(80H)=11000000B(C0H)。在 1602 中我们就用前 16 个就行了。第二行也一样用前 16 个地址。对应如下:

RAM地址映射图
史海拾趣
|
在以前的电信网络中,以TDM业务为主,随着Internet的兴起和发展,IP业务正逐渐越来越占据主导地位,现在各个业务网络都在考虑转型,包括PSTN网络,移动网络,而转型中最大的特点就是IP化;电信业务的IP化已经成为未来的业务发展趋势,也就是说未来 ...… 查看全部问答> |
|
转载时请注明出处和作者联系方式 文章出处:http://www.limodev.cn/blog 作者联系方式:李先静 <xianjimli@gmail.com>FTK支持主题,利用主题配置和图片,可以模仿各种不同的GUI风格。FTK的默认界面风格很大程度上仿照了android的界面风格: ...… 查看全部问答> |
|
MSP430F55xx系列是TI最近两年一直在推的产品,不管在资源还是运行速度,还是在功耗上面有所提高,MCU的运行速度是25M,关键还有了usb功能,自带usb编程,可以不需要jtag,使我们的430如虎添翼。官方还提供了丰富的usb范例程序,有HID类,MSC类,CDC ...… 查看全部问答> |
|
安装CCS3.3,打开软件报错 Can\'t Initialize Target CPU: Error 0x80002240/-122 Fatal Error during: Initialization, OCS, Control, This error was generated by TI\'s USCIF driver. SC_ERR_CMD_PARM A bad parameter value was detec ...… 查看全部问答> |




