历史上的今天
今天是:2025年08月21日(星期四)
2020年08月21日 | 高功率以太网供电,让物联网新应用成为可能
2020-08-21 来源:EEWORLD
电源和联接是物联网 (IoT) 的主要挑战,会影响各种电气和电子设备。以太网供电 (PoE) 的新标准可以同时解决这两大挑战,从而可以在网络边缘进行更多处理,并提高最新联接系统的性能。

物联网全都关乎联接。将传感器、执行器和监控系统联接到“云”,可以汇总从世界任何地方访问的数据。分析这些数据可以早期识别潜在的问题,提供优化系统并降低能源成本的新方法。在一条电缆中结合数据和联接性可以使整个过程更高效。
虽然较小的设备可以由电池供电并使用无线联接,但在有电噪声的工厂环境中,可靠性可能是个问题。随着IoT端点变得越来越耗电和越来越大数据量,它们将需要可靠的电源和数据联接。但是,将所有这些数据反馈回云,在所需的数据带宽以及对于实时应用而言涉及的延迟方面都有其自身的挑战。如果每个IoT设备都需要同时高速访问另一端的云服务器,则会造成巨大的瓶颈。
解决此问题的一种方法是在靠近终端设备的地方处理更多数据,即所谓的“边缘计算”。这涉及本地分析数据,并将汇总结果发送回中央服务器。但这种级别的处理还要求在网络边缘增加功率。以太网供电是能够解决此问题的一项关键技术,它由承载数据的同一条以太网电缆供电,无需单独联接。对于某些功率要求不高的联网设备,例如用于视觉检查和监视生产线的摄像机,这效果很好。PoE越趋用于为更多类型的边缘计算系统提供电源和数据。
这由新标准支持,该标准将输出功率提高到90 W。IEEE 802.3bt标准的这功率水平将赋能新型的IoT端点。这些将包括更精密的互联照明、更高分辨率的数字标牌、具有平移、缩放和倾斜 (PZT) 及散热良好的全功能安防摄像机,甚至包括运行机器学习算法以进行图像分析和对象识别的边缘服务器。接收功率的设备按其所需的功率分级,如表1所示。
表1:PoE受电设备 (PoE-PD) 按所需功率分级
新版标准将为某些现有应用带来好处,例如向IP电话中添加高清视频会议,同时也将为边缘计算开辟全新的机会。这是整个IoT演进中越来越重要的部分,尤其是工业4.0;为靠近设备的传感器和执行器增加更多的处理功率。
无线网关是边缘计算的重要组成部分。这些设备聚集了整个工厂中来自传感器和执行器的信号,但是并没有将所有原始数据发送到云端,而是在本地进行处理。在本地处理的需求不断增长,尤其是在使用机器学习来提高生产率的地方。除了监视警报和阈值违例的数据外,这些网关现在还存储数据并识别信息流中的“隐藏”模式。这种分析可以确定长期趋势,甚至可以预测哪些设备可能需要预测性维护。结果被发送到集中式服务器,成为用户数据仪表板的一部分。
这边缘处理级需要更高性能的处理器和加速器;比仅处理简单控制算法的微控制器消耗更多的功率。最新的802.3bt系统的90 W能力比以前的PoE标准显著扩展功率范围,可以解决这问题,从而为在网络边缘运行精密算法开辟可能性。更高的功率还对网络上的其他设备产生有利影响,从而能由单个以太网交换机为许多低功率设备供电。随着越来越多的设备联网,许多应用在电源方面将有更多选择,例如互联照明系统中的LED灯。
PoE将设备分类为供电设备 (PSE) 或受电设备 (PD)。而且有两种PSE,一种是由电缆供电和通信,另一种是简单地提高功率。端点PSE是内置PoE功能的以太网数据交换机,而中跨PSE可以放置在交换机和PD之间以向链路输入额外的功率。插入一个Midspan PSE,这还支持添加电源到任何以太网链路,甚至没有PSE交换机的以太网链路。
在规范的早期版本中,提供给PD的功率是恒定的,而不管它实际需要多少。802.3bt规范的一个关键开发是自动分类 (Autoclass) 功能,使PD能够告知PSE实际需要多少功率。采用这种方式,Autoclass更高效地管理可用功率,PSE可支持更多PD。我们可按类型定义将其与早前规范经由可用连接管理功率的方式进行比较。
Type 1 PoE使用IEEE 802.3af标准,经由两对电缆提供最大15.4 W功率到端口。这提供12 W功率给网络电话 (VoIP) 、传感器,带有两个天线的无线接入点或不带平移、倾斜或缩放功能的静态摄像机等设备。
Type 2也称为PoE +,基于IEEE 802.3at,也经由两对电缆提供30 W到以太网端口。这适用于平移、倾斜或缩放的更复杂的监控摄像机,以及具有六个天线的无线接入点,LCD显示器,生物识别传感器和功耗高达25 W的平板电脑。
Type 3或PoE ++,使用四对电缆在IEEE 802.3bt下为视频会议系统组件和建筑物管理设备提供高达60 W的功率。
Type 4将PoE ++扩展至90 W,可为设备提供高达71.3 W的功率。
当支持自动分类时,Type 3和Type 4 PSE可检查链路是否可使用所有四对双绞线电缆,这是在连接时发生的。作为响应,PD生成两个电源特征之一。单特征显示两对和四对模式都通过整流器连接到同一电源轨,并且所有电气负载共享同一电源轨。在双特征PD中,两种模式都采用不同的检测和分类机制连接到个别的PD控制器。这说明即使为两对模式供电,仍然可以对四对模式进行检测和分类。这采用单特征PD是不可能实现的。新标准还支持较低的待机功耗阈值。先前的IEEE 802.3at标准的最低功耗阈值为130 mW,低于PD关断阈值。使用短MPS(维持电源特性)的802.3bt标准的阈值仅为20 mW,从而大大降低待机功耗。
由于Autoclass管理提供给端口的功率,它需要确保每个PD接收到它所需的功率,这还包括考虑不同电缆长度上发生的任何损耗。为此,PD必须在首次通电约1.5秒内消耗所需的最大功率,PSE会以此确定PD的功率预算(图1)。

图1:含自动分类功能的8级PD的启动过程
PoE控制器现在正在兴起,采用外部或集成MOSFET支持大功率PoE。没有集成晶体管的控制器可根据特定应用调整对MOSFET的选择。
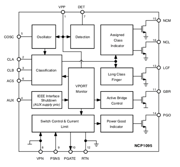
例如,安森美半导体的NCP1095 PoE-PD接口控制器支持IEEE 802.3af、802.3at和802.3bt,并集成了实现PoE PD所需的所有功能,如浪涌阶段的检测、分类和电流限制。电源由外部导通晶体管提供,控制器具有“电源良好” (power good) 引脚,可确保正确禁用/启用相邻的主DC-DC转换器。分类结果引脚使控制器支持特定的功率等级,最高可达8级。NCP1095还支持自动分类,并指示何时可实施简短的维持电源特性。另外,一个辅助电源检测引脚使NCP1095可用于由PoE或壁式适配器供电的应用。图2显示了NCP1095的功能框图。

图2:NCP1095的功能框图
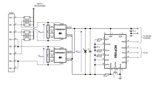
从两对以太网电缆转向四对以太网电缆供电,需要对PoE标准大幅更改,将可用功率提高到100W。以Autoclass添加单特征和双特征使此更高效和可控。IEEE 802.3bt 标准正开辟新的应用用于围绕边缘计算和人工智能的工业控制。更高的功率可赋能更高性能设备,不需要集成或外部AC - DC功率级。图3说明了使用NCP1095如何实现典型的PoE PD应用。

图3:使用NCP1095的典型PoE PD应用
有了更多功率,PD可集成更多特性和功能,如运行越来越复杂的机器学习算法,以监控工厂车间的活动并在潜在问题变得严重之前识别出来。这也减少了发送回云的数据,降低了能源成本和复杂性。
史海拾趣
|
taskspawn 分配一个任务时,参数中有优先级,堆栈大小,我要怎么来写啊?刚刚搞这个东西。 taskspawn 分配一个任务时,参数中有优先级,堆栈大小,我要怎么来写啊?刚刚搞这个东西。 我看例子中优先级大都是90,我要是创建多个任务时,都写90行吗? 还有堆栈大小我要根据什么来设置啊? 谢谢了… 查看全部问答> |
|
现在遇到个问题, 怀疑两边的时钟有问题, Cpu 晶振是12M ,zlg7290 接的 8M 的 晶振 /* 系统设置, Fosc、Fcclk、Fcco、Fpclk必须定义*/ #define Fosc 1200000 ...… 查看全部问答> |
|
大家好 ! 我是学习单片机的新手 请问下 单片机的CPU芯片 如(AT89S52)它要进行ISP软件下载 而我们又要 进行编写自己的程序 那个ISP软件和自己编的程序 之间是什么关系呢? 不是自己编写程序直接写 ...… 查看全部问答> |
|
1,简介这篇文章是我对电子设计中,亚稳态问题的一种分析和总结。文章通过对数字电路中器件的工作机制的介绍,引出亚稳态问题的发生机制。并通过对亚稳态问题发生机制的探讨,用以得到一种能够清楚地,有的放矢地解决亚稳态问题的能力。而这种能力 ...… 查看全部问答> |
|
1.程序能进入中断,执行中断的语句,但感觉不能循环, 2.上升沿和下降沿捕获的时间TACCR1可能有问题,但我找不出问题的所在, 3.特别是在捕获存放时间的TACCR1有很大的问题,, 上述问题希望大神们能帮我解决我在这里先谢谢大伙了,,以下是我的 ...… 查看全部问答> |
|
经过几年在国内工作的经验积累,有没有想过要到国外最先进的市场一试身手?各位工程师小伙伴,新加坡可以为你提供诸多充满诱惑的新机会!另外,新加坡作为全球首选的宜居之地,更可以为你实现工作生活的长期合理规划。 目前,几大世界级电子领军 ...… 查看全部问答> |




