历史上的今天
今天是:2024年09月02日(星期一)
2020年09月02日 | LCR表和万用表的区别是什么?详细介绍
2020-09-02 来源:elecfans
1、LCR表检测元器件的原理
根据待检测元器件实际使用的条件和组合。上的差别,LCR测量仪设有两种检测模式:串联模式和并联模式。串联模式以检测元器件的阻抗Z为基础,其基本原理如图1所示;并联模式以检测元器件的导纳Y为基础,其基本原理如图2所示。

圏1和圏2中的Vs内仗器内部的正弦波信号源, Rs内信号源的内阻, V内数字屯圧表, A数字屯流表。除此之外仗器内部迩装有在圏中未画出的数字盗相器。当用戸將待測元器件接到仗器上之后,数字屯流表將測出流辻待測元器件的屯流I,数宇屯圧表将測出待測元器件丙端的屯圧V,数字整相器將測出屯圧V与屯流I之向的相位角8。栓測結果被存儲在仗器内部徼型汁算机的三个存儲単元中。
有了V、I、B呟三个数据,仗器内部微型廾算机就会自功地算出用戸所要栓測的参数。
2、LCR表能够检测的参数
在仪器使用说明书中,列有如表1所示的测量参数选择表。表中Primary为主参数栏,Secondary为次参数栏。表中的Z为阻抗,Y为导纳,R为电阻,G为电导,Cp为并联电容,Cs为串联电容,Lp为并联电感,Ls为串联电感,日为电压相对于电流的相位角,X为电抗,B为电纳,D为损失因素,Q为品质因数,Rp为并联电阻,Rs为串联电阻。
在用户对元器件或两个元器件的组合件作检测之前,必须根据它们的持点,从主参数栏中选择一个待测的主参数,从次参数栏中选择一个待测的次参数。一个主参数搭配一个次参数,共有20个组合方案可供选择。一次测量完成后,仪器的液晶屏上将示出测得的主参数和次参数的数值和单位。

3、万用表的基本测量原理
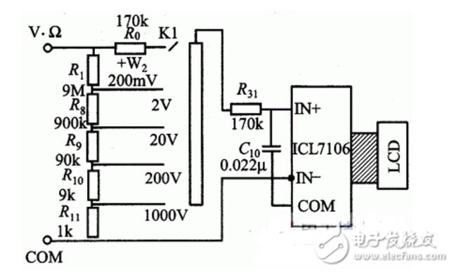
(1)直流电压测量电路
图1为数字万用表直流电压测量电路原理图,该电路是由电阻分压器所组成的外围电路和基本表构成。把基本量程为200mV的量程扩展为五量程的直流电压挡。图中斜线区是导电橡胶,起连接作用。

图1数字万用表直流电压测量电路原理图
(2)直流电流测量电路
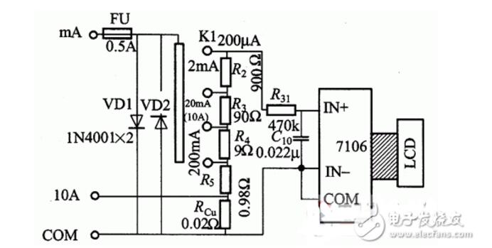
图2为数字万用表直流电流测量电路原理图,图中VD1、VD2为保护二极管,当基本表IN+、IN一两端电压大于ZOOmV时,VD1导通,当被测量电位端接入IN一时,VD2导通,从而保护了基本表的正常工作,起到“守门”的作用。
R2~R5、RC.分别为各挡的取样电阻,它们共同组成了电流-电压转换器(I/U),即测量时,被测电流△在取样电阻上产生电压,该电压输人至IN+、IN—两端,从而得到了被测电流的量值。若合理地选配各电流量程的取样电阻,就能使基本表直接显示被测电流量的大小。

图2数字万用表直流电流测量电路原理图
4、万用表操作规程
(1)使用前应熟悉万用表各项功能,根据被测量的对象,正确选用档位、量程及表笔插孔。
(2)在对被测数据大小不明时,应先将量程开关,置于最大值,而后由大量程往小量程档处切换,使仪表指针指示在满刻度的1/2以上处即可。
(3)测量电阻时,在选择了适当倍率档后,将两表笔相碰使指针指在零位,如指针偏离零位,应调节“调零”旋钮,使指针归零,以保证测量结果准确。如不能调零或数显表发出低电压报警,应及时检查。
(4)在测量某电路电阻时,必须切断被测电路的电源,不得带电测量。
(5)使用万用表进行测量时,要注意人身和仪表设备的安全,测试中不得用手触摸表笔的金属部份,不允许带电切换档位开关,以确保测量准确,避免发生触电和烧毁仪表等事故。
5、LCR表和万用表的区别
LCR表,顾名思义是用于测量电器元器件本证参数的专用测量工具,L,指的是电感,c,指的是电容,R,指的是电阻。除此之外LCR表不能测量其他的,而且需在电路断电情况下测量电感,电阻或者电容。因为是专用仪表,所以测量精度高,准确性强。
万用表,除了能够测量上述的电阻,电容和电感的感抗之外,还可以用不同档位测量交直流电压,电流,电源频率等。虽然它的功能多些,但精度不是太准确。
简单的说,LCR表是测量分离元器件的本征参数的,例如电阻阻值,电容容值等,它一般需要断电独立测试。万用表是一种多功能测量仪器,他可以测试分离元件,也可以测试电信号特性,还具备一些其他测量功能。
上一篇:用数字万用表测射频电视信号
下一篇:怎样用好数字万用表
史海拾趣
|
罗德与施瓦茨 2009年射频微波测量仪器应用 有奖征文竞赛启事 一等奖1 名;奖励价值6000元的奖品 二等奖 3 名;奖励价值4000元的奖品 三等奖若干名:奖励价值1000元的奖品 为了推动射频微波测试与测量技术的发展,适应客户的测试应用需 ...… 查看全部问答> |
|
随着社会的发展,人们对于居住环境的安全、方便、舒适提出了越来越高的要求,希望回到家即可得到100%的休息与享受,尽可能的减少每天所进行的无用功,而出外时如有非法进入、火灾、液化气泄漏等情况,可自动通知户主并报警。因此,智能家居在这种 ...… 查看全部问答> |
|
evc操作sql server CE时,如何捕捉到错误信息? evc操作sql server CE时,如何捕捉到错误信息? 在VC操作sql server 2000时,我们可以通过: try { ... ... } catch( _com_error &e ) { ... ... } 得到出错的原因,在调试时非常方便,但是evc操作sql server CE时我该如何处理呢?谢谢大 ...… 查看全部问答> |
|
Wince 是否支持大页nand flash?文件格式是dosfs吗? Wince是否支持大页nand flash?文件格式是dosfs吗? Wince支持的Nand的大页模式和小页模式是同一个文件系统吗?… 查看全部问答> |
|
STM8L的LCD控制器怎么使用啊?是不是非要LSE时钟才行啊? 我不想用LSE时钟,我看到手册上说LCD控制器可以使用RTCCLK/2当做时钟输入;也可以直接使用SYSCLK,只需要开启外设时钟的LCD就行。但是我写的程序,COM和SEG咋动都不动一下呢?用示波器看,动都没动,郁闷;下面是几行代码: void LCD_INIT(vo ...… 查看全部问答> |
|
TxMessage.DLC最多是8字节,我一次要发24个。分三次发,发送程序如下TestStatus CAN_Polling(void){ u32 i = 0; u8 m=0; //每次发送的字节数 u8 n=0; ...… 查看全部问答> |




