历史上的今天
今天是:2024年09月03日(星期二)
2020年09月03日 | 基于msp430f149单片机下74hc14n应用电路
2020-09-03 来源:elecfans
msp430f149和74hc14n大家应该都不陌生,本文主要讲解基于msp430f149单片机下74hc14n应用电路,希望能加深各位对于msp430f149和74hc14n的理解。
msp430f149
MS P43 0F 149是一种新型的混合信号处理器,采用了美国德州仪器(Texas Instruments)公司最新低功耗技术(工作电流为0.1一400 p A ),它将大量的外围模块整合到片内,特别适合于开发和设计单片系统。
MS P4 30 F149单片机主要具有如下特点:
① 低 电 压、超低功耗。工作电压3.3V ,等待方式下工作电流为1.3 w A,在RAM保持关闭工作方式下工作电流仅为0.巧RA o
② 具 有 12位的模数转换器(ADC12) ,可以得到很高的精度,并且省去了使用专门的模数转换器给设计电路板带来的麻烦。
③ 拥 有 大容量的存储空间。存储器方面包括多达60 k Flash ROM和2 k RAM,如此数量的存储空间
完全可以满足程序及数据的需要。
④ 两 通 道串行通信接口。可用于与计算机进行异步或同步串行通信。
⑤ 硬 件 乘法器。该乘法器独立于CPU进行乘法运算的操作,在提高乘法运算速度的同时也提升了CPU的利用效率。
⑥ 串 行 在系统编程。通过仿真器对程序进行下载,并通过专用软件对程序及单片机的工作状态进行监控,极大地方便了程序的调试
MSP430系列单片机是美国德州仪器(TI)公司生产的一种16位的、具有精简指令集(RISC)的超低功耗的混合信号处理器(MixedSignalProcessor).它将各种外围资源集中在片上,实现了片上系统,从而大大简化了系统的设计,具体特点[2]:
1)低电压、超低功耗.工作电压仅为1.8~3.6V,在1MHz时钟条件下运行,工作电流视工
作模式不同在0.1~400μA变化.
2)强大的处理能力.采用了高效16位RISC
结构,具有丰富的寻址方式,简洁的27条内核指令,在8MHz晶体驱动下,指令周期为125μs.
3)系统工作稳定.上电复位后,首先由DCO2CLK启动CPU,以保证程序从正确的位置开始执
行,保证晶体振荡器有足够的时间起振及稳定时间.如果晶体振荡器在用作CPU时钟MCLK时发生故障,DCO会自动启动,以保证系统正常工作;如果程序出错,可用看门狗将其复位
4)具有较丰富的片内外设.本设计采用MSP430F149,它的片内外设包含:60kb FLASH ROM和2KB RAM,12为200KB/S的A/D转换器,高精度比较器,1个硬件乘法器,具有3个捕获/比较寄存器的16位定时器TimeA和TimeB,1个看门狗时钟,2通道串行通信接口可用于异步或同步,有6×8个可实现方向设置的并行输入,输出端口,其中P1口和P2口具有中断功能。
5)方便高效的开发环境.包含了JTAG技术和PLASH在线编程技术,开发语言有汇编和C语言

控制系统结构框图
74HC14在电路中的作用

对于74HC14来说,
当输入VI大于阀值电压VT+时,输出VO由高电平变低电平;
当输入VI小于阀值电压VT-时,输出VO由低电平变高电平;
通过上面分析,我们了解了施密特触发器是以反相器为基础的,以及阀值电压的基本概念。
VOH和VOL上文已经介绍过了,下面看一下VT+和VT-:
当芯片供电电压Vcc=4.5V时,正向阀值的典型值VT+=2.5V,负向阀值的典型值VT-=1.6V。也就说,当输入大于2.5V时,输出为低电平;当输入小于1.6V时,输出为高电平。这样的范围就比74HC04的“当输入大于3.15V时,输出为低电平;当输入小于1.35V时,输出为高电平(参看第一个图)”这个范围要宽,因而也避免了电平干扰。
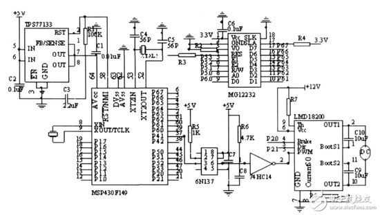
基于msp430f149单片机下74hc14n应用电路
在电机控制中,为提高系统的抗干扰性,在单片机电路和电机驱动放大电路之间用光电耦合器实现电气隔离,使电机驱动电路同MSP430F149完全隔离开,即使电路出现问题,也不会对整个系统造成很大的损害.由于MSP430F149产生的PWM信号频率较高,因此采用高速光电耦合器6N137[4].由于脉冲信号经光电耦合传输后往往会发生波形畸变,如波形的上升沿或下降沿变得不够陡,上升沿的顶端或者下降沿的低端出现振荡现象,因此在6N137的输出端接一个施密特触发器74HC14进行波形整形,如下图所示:

电路图
结语
MSP430系列单片机是一种新型的功能强大的单片机具有超低功耗和适应工业应用的特点.本研究介绍的直流电机控制系统充分合理地利用了MSP430单片机的中断、定时、捕捉、运算、液晶驱动等功能通过软件编程构成了一个实用的直流电机控制系统。
史海拾趣
|
频率源的技术指标要求不仅仅表现在精度方面,还表现在信号的频率范围、频率源工作的温度、加速度等环境条件、尺寸、功率消耗等。为了适应市场,尤其是移动设备、移动通讯和手机市场的要求,精密晶体振荡器最明显的一个特点是全集成化的OCXO和TCXO的 ...… 查看全部问答> |
|
#ifndef __ABSACC_H__ #define __ABSACC_H__ #define CBYTE ((unsigned char volatile code *) 0) #define DBYTE ((unsigned char volatile data *) 0) #define PBYTE ((unsigned char volatile pdata *) 0) #define XB ...… 查看全部问答> |
|
第一篇 DSP5600系列数字信号处理器及其开发系列 第二篇 DSP96002浮点双端口处理器用户手册 [ 本帖最后由 wzt 于 2010-3-4 11:52 编辑 ]… 查看全部问答> |
|
随着系统设计复杂性和集成度的大规模提高,电子系统设计师们正在从事 100MHZ 以上的电路设计,总线的工作频率也已经达到或者超过 50MHZ,有的甚至超过 100MHZ。目前约 50% 的设计的时钟频率超过 50MHz,将近 20% 的设计主频 ...… 查看全部问答> |
|
求助, imageviewer与media player冲突 wince5.0 用media player听音乐时 打开imageviewer看图,音乐变成绝对的噪音。 有朋友遇过这个问题吗?是怎么解决的?… 查看全部问答> |
|
WinCE 5.0中,我做了一个扫描程序,扫描后将结果输出到光标所在的文本编辑位置,可在本程序以外的位置输入 请问:如何使光标在输入字符后自动回车并自动回到起始位置?还有,如何把对话框的输入模式改成类似word中的“改写”模式??… 查看全部问答> |




