历史上的今天
今天是:2024年09月07日(星期六)
2020年09月07日 | 如何提高电力线监控应用的系统级性能和可靠性
2020-09-07 来源:EEWORLD
背景知识
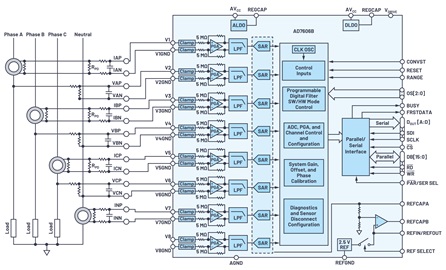
对于许多应用,监控电力线意味着使用电流互感器和电阻分压网络,以便感测三相及零序的电流和电压 ,如图1所示。AD7606B具有高输入阻抗,可以直接连接传感器,并且它提供了所需的全部内建输入模块,从而简化了数据采集系统设计。

图1. 典型的电力线监控应用中的AD7606B
AD7606B在片内集成8个独立的信号链,即使采用5 V单电源供电(数字接口电压Vdrive不计),仍可接受±10 V或±5 V的真正双极性模拟输入信号。因此,无需使用外部驱动运算放大器和外部双极性电源。
每个通道都由21V模拟输入箝位保护电路、具备5MΩ输入阻抗的电阻可编程增益放大器、一阶抗混叠滤波器和16位SARADC组成。此外,还可包含一个过采样率高达256的数字均值滤波器,以及一个低温漂2.5 V基准电压源,用于帮助构建完整的电力线数据采集系统。
除了提供完整的模拟信号链之外,AD7606B还提供许多校准和诊断功能,以改善系统级性能和可靠性。
直接传感器接口
与AD7606不同,AD7606B的输入阻抗已提高到5 MΩ,使其可以直接与多种传感器接口,从而获得两个好处:
降低外部串联电阻(例如,滤波或电阻分压网络)导致的增益误差。
当传感器断开时,所看到的偏移量会减小,可以轻松实现传感器断开检测功能。
外部电阻造成的增益误差
进行工厂修整时,会严格控制PGA的RFB和RIN N(一般为5MΩ),确保准确设置AD7606B的增益。但是,如图1所示,如果在前端放置一个外部电阻,那么实际增益与理想的修整RFB/RIN值之间会存在偏差。
RFILTER越高,增益误差越大,这需要从控制器一侧补偿。但是,RIN越高,相同RFILTER 产生的影响就越小。与AD7606具有1 MΩ输入阻抗不同,AD7606B具有5 MΩ阻抗,这意味着在没有任何校准的情况下,相同串联电阻(RFILTER)的增益误差会降低到约1/5,如图2所示。

但是,通过在软件模式下使用AD7606B,系统增益误差可以基于每个通道自动进行片内补偿,因此完全无需再在控制器一侧实施任何增益校准计算。
传感器断开检测
传统上,将下拉电阻(RPD)与传感器(图1中所示的电流互感器)并联,用户可通过监测多个样本(N)的ADC输出代码是否重复小于20 LSBs,来检测传感器何时断开。
建议采用比传感器的源阻抗大得多的RPD,将该并联电阻可能产生的误差减至最小。但是,RPD越大,在传感器断开时生成的ADC输出代码也越大,这并非我们期望的结果。由于AD7606B的RIN比AD7606大,对于给定的RPD,如果传感器断开,ADC输出代码会降低(如图3所示),从而降低了误报的风险。

进入AD7606B的软件模式时,可以使用开路检测功能,从而无需后端软件来检测传感器断开情况。编程设置样本数量N(在图4的示例中,N = 3)之后,如果模拟输入保持由几个样本报告较 小的直流值,算法会自动运行,并在模拟输入信号断开被判定为开路时,置一个标记位。

系统级性能 系统失调校准
使用一对外部电阻时,如图1所示,它们之间出现任何不匹配都会导致产生偏移。传感器短接至地时,该偏移可以测量为ADC输出代码。然后,可以通过编程设置对应的通道偏移寄存器,在转换结果中增加或减去–128 LSBs至+127 LSBs偏移,以补偿系统偏移。
系统相位校准
CONVST引脚用于管理模数转换启动,以便同时在所有通道上触发该流程。但是,对于通过电流互感器(CT)测量电流同时通过分压电阻按比例缩小来测量电压的应用,存在电流和电压通道之间相位不匹配的情况。为了补偿这种不匹配,AD7606B可以延迟任何通道(相对延迟大一点儿的通道)上的采样时刻,以便将输出信号调整到同相,如图5所示。

系统可靠性
为了提高系统的可靠性,在片内增加了几种诊断功能,包括:
每个通道上的过压/欠压比较器。
一种接口检查,在每个通道上输出固定的数据,以验证通信状态。
如果尝试对无效寄存器实施写入或读取,则会发出SPI无效读取/写入警报。
在转换开始后,如果BUSY线持续的时间比正常时间长,则会发出BUSY STUCK HIGH警报。
如果检测到对内部LDO稳压器的完全、部分或上电复位,则发出复位检测警报。
可以对存储器映射、ROM和每个接口通信实施CRC校验,以确保正确初始化和/或操作。
总结
AD7606B为市场带来了完整的芯片数据采集系统。可实现所有的模拟前端内建模块。它提供了一套完整的高级诊断功能,以及增益、偏移和相位校准。因此,AD7606B降低了组件成本和系统 设计的复杂性,从而简化了电力线监控应用设计。
史海拾趣
|
介绍一种自适应交通控制系统。首先依靠基于单片机的汽车流量数据采集系统,得到交叉口的交通数据;通过单片机与PC 机的串行通讯接口,将其发送给PC 机,然后利用专家系统、神经网络等技术分析交叉口的实时交通状况特征,并形成全局优化调度参数发回给单 ...… 查看全部问答> |
|
WinCE download image时显示完开机logo后黑屏问题(LCD的背光有亮) 今天用PB5.0重新编译之前的系统后,下载到终端设备时显示完开机logo后就黑屏,但背光有亮。 我是用DNW down的,上面显示的信息如下: OEMIoControl: Unsupported Code 0x10100d0 - device 0x0101 func 52 OEMIoControl: Unsupported Code 0x10100f8 ...… 查看全部问答> |
|
声明: CWnd* tryIcon; HICON myIcon2; 在OnInitDialog()中代码如下: tryIcon = (CWnd*)GetDlgItem(bj);//bj为手动拖到dialog上的一个picture control; tryIcon->SetIcon(AfxGetApp()->LoadIcon(icon1),true);//icon1为一个icon的ID。 我用 ...… 查看全部问答> |
|
提供芯片设计服务,三星单片机解密应用程序设计服务:S3F9454,S3F9444 ,S3F9474,S3P9228 ,S3F9488 ,S3F9498,S3F80L4,S3F8245,S3F825A,S3F82E5,S3F84DB,S3F84I9,S3F84I8,S3F84K4,S3F84P4,S3F865B,S3F84MB,S3F84NB,S3F84Q5,S3F848 ...… 查看全部问答> |




