历史上的今天
今天是:2024年09月09日(星期一)
2020年09月09日 | AVR单片机教程——LCD1602
2020-09-09 来源:eefocus
显示屏
开发板套件里有两块屏幕,大的是LCD(液晶显示),小的是OLED(有机发光二极管)。正与你所想的相反,短小精悍的比较贵,而本讲的主题——LCD1602——功能较少,使用起来也简单很多。
这块屏幕的显示是以字符为单位的。每个字符都是8像素高,5像素宽。1602这个名字,来源于显示字符的数量,共2行,每行16个字符。出售1602的商家提供了一份文档:提取码8c1u。
硬件
一个典型的1602显示屏有16个引脚(还有些模块是用串行总线驱动的):
| 名称 | 功能 | 连接 |
|---|---|---|
| VSS | 电源地 | GND |
| VDD | 正电源 | VCC(5V) |
| VO | 对比度调整 | 左侧的电位器,其左端接GND,右端接VCC |
| RS | 数据/指令选择 | PB0 |
| R/W | 读/写选择 | PB1 |
| E | 使能 | PB2 |
| D0~D7 | 双向并行数据线 | 74HC595的输出,通过exout_write输出 |
| A | 背光LED正极 | NPN三极管的发射极,其集电极接VCC,基极接BAK |
| K | 背光LED负极 | GND |
很复杂吧?好在开发板已经处理好了这些,我们只需要关注2组线:RS、R/W、E这3根控制线,通过DDRB和PORTB来操控,和D0~D7这8跟数据线,通过exout_write来以字节为单位输出(在这第一期的最后一篇中,我终于成功地将“尽量减少接线”的原则在第一期中贯彻到底了)。其他的还有对比度CON接口,可以不外接,还有背光BAK接口,可以接5V或3.3V以开启背光。当然,如果你是非主流,你可以把CON接到DAC上,把BAK接到PWM上。
此外,还需要把扩展输出的最高位(标注Ext Out 7)接到一个单片机引脚上。关于为什么会有这种诡异的接法,这是设计时的失误(也可能是不得已吧,毕竟单片机的32个IO已经占满了),参见:一个低电平引发的思考。
协议
1602与单片机之间是通过并行总线通信的。AVR单片机硬件上不支持并行总线,需要通过软件模拟时序来实现。
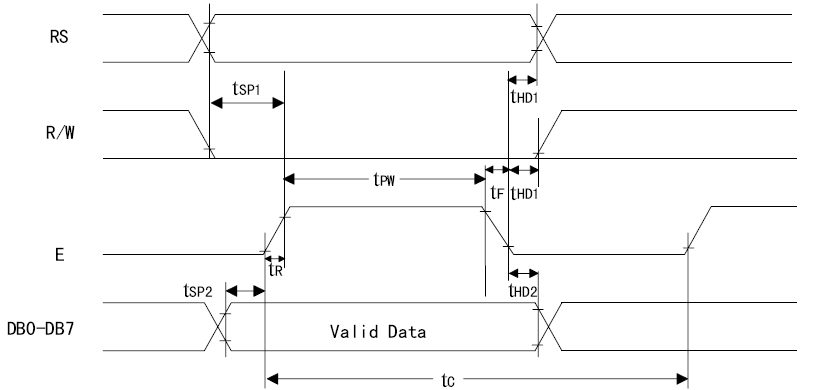
写操作的时序如下:

进行一个写操作,需要先让RS根据写的类型设置电平,R/W输出低电平,D0~D7输出要发送的数据,然后在E的上升沿数据被对方读取,并保持R/W与D0~D7电平不变,直到E的下降沿之后。两次E的上升沿之间至少需要400us时间间隔。
1602共有8条指令,都是一字节长度的。从高位到低位,每一条指令都由若干个0、一个1和有效指令组成,使得没有两条指令会有相同的二进制表示。这种编码方式成为前缀码,UTF-8也用了类似的编码。
| 前导0个数 | 功能 |
|---|---|
| 0 | 设置DDRAM(显示存储器)地址 |
| 1 | 设置CGRAM(字符发生存储器)地址 |
| 2 | 设置总线宽度、字符行数、字符大小 |
| 3 | 设置滚动对象(光标或画面)、滚动方向 |
| 4 | 设置画面、光标、闪烁的开关 |
| 5 | 设置AC(地址计数器)是否变化与变化方向 |
| 6 | 将AC清零 |
| 7 | 清屏 |
1602插上开发板后只有第一行有黑色背景。我们先把它设置为2行输出,这是最简单的有视觉效果的指令。
#include #include inline void short_delay() { asm("nop"); asm("nop"); asm("nop"); asm("nop"); } int main() { DDRB |= 0b111; // PB2:0 for LCD control: E, R/W, RS exout_init(); // Ext Out 7:0 for LCD instructions/data #define LCD_CONTROL(x) (PORTB = (PORTB & ~0b111) | (x)) LCD_CONTROL(0b000); short_delay(); LCD_CONTROL(0b100); short_delay(); exout_write(0b00111000); // 8-bit, 2 lines, 5x7 font short_delay(); LCD_CONTROL(0b000); } 在这段代码中,asm("nop")是一句汇编语句nop,代表这个CPU周期内不执行操作,可以用来短时间而精确地延时。在控制信号与数据信号之间加入短暂的延时,使时序符合1602的要求。 其他指令见数据手册,这份数据手册本身就是很好的教程。需要提醒的是,显示屏内的控制器执行指令需要一定时间,程序在发送下一指令之前,应通过RS为低电平的读取操作来获取其状态,并等待直到状态为空闲。 软件 开发板的库不仅包装了这些硬件操作,还添加了对字符串的支持,包括对b、t、n和r等不可打印字符的处理。 下面我们用1602显示屏来完成一个小项目,在之前用按键控制蜂鸣器的基础上,加入LCD显示与背光动态效果。 #include #include #include #include #include #include int main() { lcd_init(PIN_3); lcd_set_status(true, false, false); button_init(PIN_6, PIN_7); wave_mode(WAVE_0, WAVE_MODE_PWM); wave_mode(WAVE_1, WAVE_MODE_TONE); char display[6] = {[0] = 'r', [5] = '




