历史上的今天
今天是:2024年09月10日(星期二)
2020年09月10日 | 解析如何实现复杂电子系统低电磁干扰的几种应用场景
2020-09-10 来源:eefocus
对于汽车、通信以及测试与测量设备等广大系统制造商来说,技术的发展带来了终端功能与性能的大幅提升,其根源在于系统中配备的功能愈加丰富的电子模块。然而功能越丰富,电路就越复杂,不论是新款汽车中装载的中控集成式多媒体系统、高性能音响系统,还是体积越来越小的 5G 通信设备(手机及基站),抑或是要求精度越来越高的仪器仪表,对于高精度数字和模拟 IC 的要求都愈发严苛,特别是在供电需求方面。
作为任何电子系统设计不可或缺的部分,电源性能的高低对于系统性能的高低有着至关重要的影响。而电磁干扰(EMI)特性则是其中最关键的性能之一。这种干扰通过电磁感应、静电耦合或传导来影响电路,对于电源性能的任何要求(功率密度增加、开关频率更高以及电流更大)都会扩大 EMI 的影响。因此,如果在设计初期不加以考虑,将会严重影响产品的性能及上市时间。针对此种现状,ADI 推出了专为低 EMI 场景设计的 Silent Switcher 系列架构稳压器解决方案。
Silent Switcher 架构这样消除 EMI 干扰
最常用的 EMI 管制标准是 CISPR 25 Class 5,它详细说明了 150 kHz 至 1 GHz 频率下的可接受限值。要在达到该要求,通常会涉及复杂的设计和测试程序,包括在解决方案的尺寸、总效率、可靠性和复杂性等众多方面进行权衡。传统方法通过减慢开关边沿或降低开关频率来控制 EMI,由此带来的弊端是效率降低,最小开关时间增加,解决方案尺寸增大。替代缓解方案包含庞大复杂的 EMI 滤波器、缓冲器或金属屏蔽,这会显著增加电路板空间、元件和装配方面的成本,并使热管理和测试复杂化。
Silent Switcher 降压型稳压器设计在高开关频率(>2 MHz)下提供高效率、超低电磁干扰辐射,从而可实现非常紧凑且低噪声的降压解决方案。该系列采用了特殊的设计和封装技术:在设计上,通过将热回路分成极性相反的两个回路,形成可以相互抵消的局部磁场;在封装上,通过倒装硅芯片并添加铜柱来缩短内部 FET 到封装引脚和输入电容的距离,以缩小热回路的范围。利用上述技术,Silent Switcher 在 2 MHz 下能够实现>92%的效率,同时可以轻松符合 CISPR 25 5 类峰值 EMI 限制。

Silent Switcher 稳压器中的磁场抵消
新一代的 Silent Switcher 2 技术的内部结构采用铜柱代替键合线,增加了内部旁路电容,以及集成式衬底接地平面以进一步提高 EMI,使其对 PCB 布局不敏感,从而可简化设计并降低性能风险。

典型的 Silent Switcher 应用原理图及其在 PCB 上的外观
采用 Silent Switcher 架构的几大典型应用场景
1
应对车载高电流应用
汽车应用要求系统不产生可能干扰其他汽车系统正常运行的电磁噪声。例如,开关电源是高效率电源转换器,但会产生不受欢迎的可能影响其他系统的高频信号。开关稳压器噪声发生在开关频率及其谐波处。受此类噪声影响的传感器和其他仪器可能会运行不正常,引起可闻噪声或严重的系统故障。
下图展示了一种低 IQ(静态电流)、低噪声解决方案,支持汽车 I/O 和外设的高电流应用。前端的 LT8672 保护电路免受电池反向故障和高频交流纹波的影响,正向压降只有几十 mV。LT8650S 的开关频率为 400 kHz,输入范围为 3 V 至 40 V,两个通道并联工作时输出能力为 8 A。两个去耦电容靠近 LT8650S 的输入引脚放置。由于采用 Silent Switcher 2 技术,即使没有安装 EMI 滤波器,高频 EMI 性能也十分出色。该系统符合 CISPR 25 Class 5 峰值和均值的限值要求,而且裕量很大。

LT8672 和 LT8650S 配置用于高输出电
下图显示了在 30 MHz 至 1 GHz 范围内的垂直极化的辐射 EMI 均值测试结果。完整解决方案具有原理图简单、总元件数非常少、尺寸紧凑等特点,而且 EMI 性能不受电路板布局变化的影响。

LT8672 和 LT8650S EMI 性能:30 MHz 至 1 GHz
2
应对宽调光比 LED 照明应用
LED 照明的许多应用都需要宽调光比。以汽车为例,汽车平视显示器、信息娱乐系统和仪表盘照明中使用的 LED 背光灯必须具备足够的亮度,以便与在白天不断涌入车内的直射阳光相抗衡,而且还能把亮度降低几个数量级,以避免在夜间使驾驶者出现瞬间致盲。这种极端 LED 调光要求在不增加昂贵降噪组件和复杂性的情况下会难以符合 CISPR EMI 标准。
LT3932 通过纳入许多旨在最大限度降低 EMI 的内置功能,使得可同时实现高调光比和低 EMI:
借助其用于低 EMI 热环路的 Silent Switcher® 架构最大限度降低 EMI。
内置的扩展频谱频率调制 (SSFM) 功能电路有助降低传导和辐射 EMI。
LT3932 的转换速率是受控的,以在保持低噪声性能的同时优化效率。

2MHz 汽车 LED 驱动器具有低 EMI 和在内部产生的 PWM 调光以及整个输入范围内的 90% 峰值效率 (未采用 EMI 滤波器时效率为 ~91%)
集成了 36V、2A 开关的 LT3932 同步降压型 LED 驱动器将其高效率集成化电源开关内置在一个小外形 4mm x 5mm QFN 封装中,并能以高达 2MHz 开关频率运行,适用于紧凑的高带宽设计。凭借用于处理开路和短路 LED 的内置故障保护功能,以及旨在帮助降低 EMI 的扩展频谱频率调制,LT3932 可满足汽车和工业 LED 照明应用的苛刻要求。

LT3932 电路通过了 CISPR 25 Class 5 辐射平均 EMI 测试
3
应对高精度测试测量应用
为了确保高精度,精密测试和测量系统需要具有低纹波和辐射噪声的电源解决方案,从而不会降低高分辨率转换器信号链的性能。在这些测试和测量应用中,生成双极和 / 或隔离系统电源给系统设计人员带来了电路板面积、开关纹波、EMI 和效率方面的挑战。
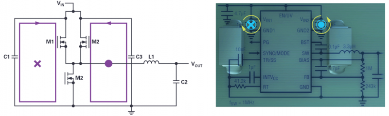
许多精密测试和测量仪器(如源表或电源)需要进行多象限操作,以获取并测量正负信号。这就需要从单个具有低噪声的正电源输入有效地生成正负电源。使用 Silent Switcher、μModule 稳压器 LTM8074 提高降至更低电压的高效率解决方案如下图所示。

在低 EMI 的情况下将电压降至更低电压轨的电源解决方案
LTM8074 是采用小型 4 mm × 4 mm 尺寸 BGA 封装的 Silent Switcher、µModule 降压稳压器,能够以低辐射噪声提供高达 1.2 A 电流。此µModule 器件效率高且具有极低的辐射噪声,因此是为噪声敏感精密信号链供电的绝佳选择。根据连接到放大器、DAC 或 ADC 等由电源供电元件的 PSRR,也许可以从 Silent Switcher 输出端直接为其供电,无需 LDO 稳压器进一步过滤电源纹波,而传统开关需要这样做。1.2A 的高输出电流也意味着在需要的情况下,它可用于为 FPGA 等系统中的数字硬件供电。LTM8074 的小尺寸和高集成度使其非常适合空间受限应用,同时简化并加速开关稳压器电源的设计和布局。
总结
电子系统当前和未来都在不断发展普及,可以预见,对低 EMI 的要求注定会越来越严苛。基于此,ADI 将会不断地发展 Silent Switcher 架构,不断地提供越来越多的解决方案,以帮助系统设计人员更加从容应对现在、以及将来的各种挑战。
上一篇:解析通用、丰田的北美战略联盟
下一篇:汽车实现电气化的八大问题
史海拾趣
|
并行编程,最早的编程方法,功能最强大,但需要连接较多的引脚,通常需要12V~24V的高压,以示区别,下面称为高压并行编程。 ISP(In System Programmability) 在系统编程,简称为串行下载。 IAP(In Application Programing) 在应用编程,BootLoad ...… 查看全部问答> |
|
今天刚学完单片机,老师也布置了这个作业,虽然说是最简单的那种,但是对我这个初学者来说还是蛮有难度的。我会尽自己的努力把东西做好。这个主要是通过设置按键来控制计数,还好老师只是要两个数码管显示。希望大家给点建议哈… 查看全部问答> |
|
聘用:我这里需要嵌入式软件采购工作的朋友(2年以上工作经验)或者是供应商质量保证方面工作的相关朋友(4年以上工作经验),是一规模强大的法资公司,全球500强之一。如有疑问或问题,请联系我,谢谢! 我的联系方式:13522292029 liping_ling@ ...… 查看全部问答> |
|
最近用ARM+Linux做一个基于GPRS的无线数据传输项目。两个gprs modem分别接到arm开发板和pc上,两个modem之间能实现点对点通信,互传数据。但是因为gprs modem拨号获得的ip(10.x.x.x)是动态分配,开发板每次上电拨号获得的ip都不同,所 ...… 查看全部问答> |
|
4.42a 发现同时使用2个以上volatile运算时就会出现如下警告:Warning[Pa082]: undefined behavior: the order of volatile accesses is undefined in this statement ...… 查看全部问答> |
|
对Tools文件夹下的几个工具做一个简单的介绍: 这些工具大多数都要在PC上的命令行下使用,所以在windows XP或Win 7下,使用快捷键WIN+R后输入cmd,在进入到这些小程序所在的路径下,这样使用这些程序转换或生成的文件也在该程序所在的目录下。 ...… 查看全部问答> |




