历史上的今天
今天是:2024年09月14日(星期六)
2020年09月14日 | 能探测险情巡视的智能移动机器人方案
2020-09-14 来源:elecfans
近年来随着人工智能技术、计算机技术等相关技术的发展,对移动机器人的研究越来越广泛。本设计是采用OpenWrt操作系统的移动机器人,它可实现多种不同功能,如探测险情、巡视、图像采集、定位、无线通信等。它还可以作为各种智能控制方法(包括动态避障、路径规划、群体协作策略)的良好载体,开展研究。

1 系统方案
采用2层架构。上层以ARM处理器S3C2440为核心,选用MINI2440开发板作为上层的主板,负责图像采集,并将图像通过WiFi方式发送给远端的PC机。WiFi无线通信是利用PC机与无线路由器搭建环境平台共同实现的。
机器人主要由硬件系统和软件系统构成。硬件系统主要包括:ARM处理器、单片机、外围接口电路、机器人底盘以及电源等。其中ARM处理器是上层的核心,51单片机是下层的核心。软件包括:嵌入式Linux操作系统、外设驱动程序、Linux应用程序以及单片机应用程序等。系统没有选用通常的嵌入式Linux版本,而是另辟蹊径,选用一种独特的嵌入式Linux发行版之一OpenWrt作为操作系统。OpenWrt提供了一个完全可写的文件系统及软件包管理,它通过简单易用的方式,降低了嵌入式Linux开发的门槛,提高了系统软件开发的效率。
嵌入式智能移动机器人的工作流程为:传感器模块实时采集周围环境信息,将此数据信息传输到机器人控制系统中,单片机通过数据分析获取有效数据,从而获知机器人与障碍物的相对位置,然后根据此位置信息产生控制信号;单片机产生PWM信号控制直流电机来控制机器人转向,从而达到机器人自主“行走”的目的。下层的单片机与上层的ARM处理器通过串口来通信,ARM主板可将下层单片机控制板的工作数据通过无线WiFi的方式传输到远端的PC机。ARM主板可以不间断地将USB摄像头采集的清晰现场图片发给远端的PC控制终端。
2 系统硬件设计
硬件系统主要包括:ARM处理器、单片机、外围接口电路、机器人底盘以及电源等,其中ARM处理器是上层的核心,51单片机是下层的核心。硬件结构框图如图1所示。

图1 硬件结构框图
由图1可以看出,系统主要由以下模块构成:图像采集模块、无线通信模块、超声波测距模块、红外感应模块、MINI2440、单片机STC89C52以及直流电机驱动模块等。下面重点介绍直流电机驱动模块。
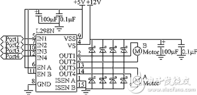
直流电机驱动模块以L298N芯片为核心,该芯片具有带载能力强的特点。直流电机驱动电路如图2所示。驱动电路芯片的外围电路主要是由二极管构成的电桥电路与2组电机并联连接,以达到控制电机按照设定运转的目的。

图2 直流电机驱动电路
移动机器人采用H桥控制方案,整体控制方案如图3所示。

图3 H桥控制方案
电机共有4路PWM输出分别作为左右轮的驱动,而通过2路PWM输出可控制一个电机,两个电机以并联方式连接。
当L298N芯片使能信号ENABLE为高时,输出才随输入变化,否则为高阻态,所以焊接时,ENABLE引脚及电源引脚VS均接电源VCC.
具体驱动过程为:通过编程由控制芯片经PWM发出驱动信号,PWM输出作为L298N的输入,经L298N转换输出控制信号使电机转动,从而实现电动机的驱动。
PWM输出信号的高低则可以控制直流电机转速。当占空比加大时,转速升高;占空比减小时,转速降低;当PWM信号输出占空比为0时可控制电机的停止。
当左轮停止,右轮转时,小车左转;当右轮停止,左轮转动时,小车右转。而2路PWM输出的正负顺序转换则可控制电机的正反转,进而控制小车的前进和后退。
3 系统软件设计
软件部分是移动机器人的智能化的体现,它控制移动机器人所有的运行状态。
操作系统采用了OpenWrt操作系统,该系统简化了Linux内核的定制过程,而且允许开发者使用软件包的概念来定制嵌入式设备,从而简化了嵌入软件开发的流程。
程序在Kubuntu CodeBlock IDE集成开发环境中进行编写,用Openwrt编译出来的ARM eabi交叉编译工具编译,再经过终端SercurtCRT通过串行口向移动终端烧入交叉编译后的程序以及系统。
应用软件控制小车的避障、摄像、发送视频等行为。通信方面通过在主机端用vsftp软件架设FTP服务器,并通过IEEE 802.11g(RTL8187)无线网卡建立无线局域网。这样,移动终端就可以接收上位机的控制命令到达指定地点拍照并发送图片,而PC机终端就可以接收通过WiFi传送过来的图片。
系统软件结构如图4所示。

图4 系统软件结构
系统驱动程序利用MINI2440开发板提供的例程进行改写,并编译进内核。
摄像头控制软件mjpgstreamer由Openwrt以软件包形式提供,通过端口8080输出为MJPEG格式的图像。无线通信部分内容为Linux下socket编程,为客户端提供远程控制支持。无线通信的部分代码如下:
int sendstring(char *addr,int port,char *sendchar){
struct sockaddr_in s_addr;//定义sockaddr_in结构体类型保存socket信息
int sock;
int addr_len;
int len,i;
if ((sock=socket(AF_INET, SOCK_DGRAM, 0))==-1) {//创建socket
perror(“no socket”);
exit(errno);
}
else
printf(“create socket.\n\r”);
s_addr.sin_family=AF_INET;//TCP/IP地址族
if (port)
s_addr.sin_port=htons(port);//设置端口号
else
s_addr.sin_port=htons(10001);
if (*addr)
s_addr.sin_addr.s_addr=inet_addr(addr);//设置IP
else {
printf(“Send a message must have a receiver!\n”);
exit(0);
}
addr_len=sizeof(s_addr);//IP地址长度
len=-1;//判是否发送成功标志
for (i=0;i<4;i++) {//发送
if(len<0)len=sendto(sock,sendchar, strlen(sendchar), 0,(struct sockaddr *) &s_addr, addr_len);
else {printf(“send success!”);return 0;}
}
printf(“send error!”);
return 0;
}
系统通过MINI2440驱动并控制摄像头,通过串口控制底层的单片机,驱动无线网卡并连接,运行服务端,提供UI界面。编译完成后的Openwrt效果图如图5所示。

图5 编译完成的OpenWrt效果图
结语
本系统选用的OpenWrt操作系统,该系统适合移动机器人的设计要求,系统提供的软件包简化了系统开发流程,提高了开发效率。经过实际调试运行,系统完全可以达到设计要求,可以用于探测险情、图像采集、目标定位、无线通信等领域。
史海拾趣
|
本帖最后由 paulhyde 于 2014-9-15 09:03 编辑 得到的09年电子大赛西电的材料清单,看清单可以猜到部分题目,希望对大家猜题有帮助。 既然大家都普遍觉得贵 我就免费发送吧。希望对统一战线的同志们有帮助! [ 本帖最后由 五月一 于 2009-8-23 ...… 查看全部问答> |
|
一个女生用C语言写的爱情函数result love(boy, girl) { if ( boy.有房() and boy.有车() ) { boy.set(nothing); ...… 查看全部问答> |
|
大家好,正在做一个项目,通信芯片接收区FIFO大小为8word,数据收发通过调用一个函数完成,每次接收一个字节,通过调试发现,当一包数据大小在13、14个字节以内时,收发正常。现在需要通过串口做大数据量的收发,每包数据都在1000字节以上,因为我 ...… 查看全部问答> |
|
在WINCE下的触摸屏的校正程序中,我是直接调用的这个系统函数TouchCalibrate,呵呵……自己还没有想到写的方法。但是没有这个的源码,在TouchCalibrateUI_DrawMainScreen打印校准操作说明信息中,UseEnterEsc这个函数是怎么操作的?在屏幕我要显示 ...… 查看全部问答> |
|
想好好学学STM32F4,想淘一个或者置换一个F4的板子我有的板子:LM3s811和8962的板子(原装的未开封),这两个板子是我用无线wifi路由器和一位兄弟换来的。avr和MSP430的板子也各有一个,… 查看全部问答> |




